Доставка по РФ / Цены указаны с НДС
Заказать звонок
КАТАЛОГ ТОВАРОВ
Каталог

LFA крышка - распределители

Притычные крышки LFA применяются в качестве головок для встраиваемых в гидроблок клапанов типа LC по стандарту DlN ISO 7368. При помощи данных логических клапанов реализуются различные функции управления потоком рабочей жидкости в плане его направления (распределения). Встраиваемые клапаны LC применяются совместно с соответствующими клапанами-крышками LFA требуемого типоразмера, которые, как правило имеют различные пилотные клапаны управления (золотниковые или седельные распределители) Ду6. Реализация гидросхем с применением логических элементов LC и крышек LFA экономически целесообразна при расходах пропорциональных Ду16 и выше.

Скачать оригинальный каталог LC и LFA (направление) (англ.яз.       Подробное описание LFA (пред.клапаны) на русском

Типоразмер 16 - 63
Серия изделия 7X
Макс. рабочее давление 420 бар

Типоразмер 16 - 63
Серия изделия 7X
Макс. рабочее давление 420 бар

 
 
 

Конфигуратор

Сбросить все
Типоразмер
Показать еще
Тип
Показать еще
Внешнее управление Х
Показать результат

РЕЗУЛЬТАТЫ:

Особенности

  • управляющая головка со встроенным распределителем
  • управляющая головка со встроенным челночным клапаном
  • управляющая головка с пристыкованным золотниковым распределителем и челночным клапаном
  • управляющая головка с пристыкованным клапанным распределителем и челночным клапаном

Пилотные клапаны: Золотниковый тип 4WE6, Седельный тип SEW6 и Седельный тип SED6

Принцип работы

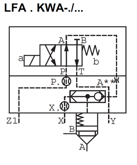
2-линейные встроенные клапаны используются как элементы компактных блочных конструкций. Основной клапан с выходами А и В устанавливается в гнездо управляющего агрегата по DIN ISO 7368 и закрывается крышкой. В большинстве случаев в крышке имеется пилотный клапан. В соответствии с типом пилотного клапана основной клапан выполняет функции распределителя, дросселя или регулятора давления. Очень рациональным является использование одного типоразмера клапана в широком диапазоне расходов к потребителям. Экономически выгодно также использование с разными функциями одного основного клапана.

Функции распределителя

Как правило, в комплект входят одна управляющая головка (1) и один основной клапан (2). Управляющая головка имеет соответствующие сверления и, в соответствии с функциями , может содержать ограничитель хода, гидравлически управляемый седельный распределитель или челночный клапан. Модификации могут иметь электрически управляемые золотниковый или седельный распределители стыкового присоединения. Основной клапан включает буксу (3),кольцо (4) (только до ном.разм.32), конусный клапан (5),по выбору - с демпферной цапфой (6) или без неё (7), и закрывающую пружину (8).

Функционирование

2-линейные клапаны управляются гидравлически. Принцип работы основан на трёх рабочих поверхностях:A1, A2, A3. Площадь А1 клапана принимается за 100%. Разность в диаметрах создаёт кольцевую поверхность с площадями 7% или 50%. Соответственно, отношение площадей А1:А2 составляет 14,3:1 или 2:1. Поверхность А3 представляет собой сумму поверхностей А1+А2. С учётом разных площадей А2 площадь А3 составляет 107% или 150% относительно площади А1.

Принцип действия:

Подача давления к поверхности А1 и А2 приводит к открытию основного клапана. Поверхность А3 и пружина служат для закрытия клапана. Результирующая от действия различных сил определяет положение клапана. 2-линейный клапан пропускает поток от А к В и от В к А.При подаче давления к поверхности А3 от клапана, нагруженного давлением, или от отдельной системы управления, канал А герметично перекрывается.

Подробнее о товаре
Описание

Особенности

  • управляющая головка со встроенным распределителем
  • управляющая головка со встроенным челночным клапаном
  • управляющая головка с пристыкованным золотниковым распределителем и челночным клапаном
  • управляющая головка с пристыкованным клапанным распределителем и челночным клапаном

Пилотные клапаны: Золотниковый тип 4WE6, Седельный тип SEW6 и Седельный тип SED6

Принцип работы

2-линейные встроенные клапаны используются как элементы компактных блочных конструкций. Основной клапан с выходами А и В устанавливается в гнездо управляющего агрегата по DIN ISO 7368 и закрывается крышкой. В большинстве случаев в крышке имеется пилотный клапан. В соответствии с типом пилотного клапана основной клапан выполняет функции распределителя, дросселя или регулятора давления. Очень рациональным является использование одного типоразмера клапана в широком диапазоне расходов к потребителям. Экономически выгодно также использование с разными функциями одного основного клапана.

Функции распределителя

Как правило, в комплект входят одна управляющая головка (1) и один основной клапан (2). Управляющая головка имеет соответствующие сверления и, в соответствии с функциями , может содержать ограничитель хода, гидравлически управляемый седельный распределитель или челночный клапан. Модификации могут иметь электрически управляемые золотниковый или седельный распределители стыкового присоединения. Основной клапан включает буксу (3),кольцо (4) (только до ном.разм.32), конусный клапан (5),по выбору - с демпферной цапфой (6) или без неё (7), и закрывающую пружину (8).

Функционирование

2-линейные клапаны управляются гидравлически. Принцип работы основан на трёх рабочих поверхностях:A1, A2, A3. Площадь А1 клапана принимается за 100%. Разность в диаметрах создаёт кольцевую поверхность с площадями 7% или 50%. Соответственно, отношение площадей А1:А2 составляет 14,3:1 или 2:1. Поверхность А3 представляет собой сумму поверхностей А1+А2. С учётом разных площадей А2 площадь А3 составляет 107% или 150% относительно площади А1.

Принцип действия:

Подача давления к поверхности А1 и А2 приводит к открытию основного клапана. Поверхность А3 и пружина служат для закрытия клапана. Результирующая от действия различных сил определяет положение клапана. 2-линейный клапан пропускает поток от А к В и от В к А.При подаче давления к поверхности А3 от клапана, нагруженного давлением, или от отдельной системы управления, канал А герметично перекрывается.

  • Описание
  • Код заказа
  • Технические характеристики
  • Графики
  • Размеры, мм
  • Видео в категории
  • Фото
  • Дополнительно
  • 1 Возможные коды и артикулы

Особенности

  • управляющая головка со встроенным распределителем
  • управляющая головка со встроенным челночным клапаном
  • управляющая головка с пристыкованным золотниковым распределителем и челночным клапаном
  • управляющая головка с пристыкованным клапанным распределителем и челночным клапаном

Пилотные клапаны: Золотниковый тип 4WE6, Седельный тип SEW6 и Седельный тип SED6

Принцип работы

2-линейные встроенные клапаны используются как элементы компактных блочных конструкций. Основной клапан с выходами А и В устанавливается в гнездо управляющего агрегата по DIN ISO 7368 и закрывается крышкой. В большинстве случаев в крышке имеется пилотный клапан. В соответствии с типом пилотного клапана основной клапан выполняет функции распределителя, дросселя или регулятора давления. Очень рациональным является использование одного типоразмера клапана в широком диапазоне расходов к потребителям. Экономически выгодно также использование с разными функциями одного основного клапана.

Функции распределителя

Как правило, в комплект входят одна управляющая головка (1) и один основной клапан (2). Управляющая головка имеет соответствующие сверления и, в соответствии с функциями , может содержать ограничитель хода, гидравлически управляемый седельный распределитель или челночный клапан. Модификации могут иметь электрически управляемые золотниковый или седельный распределители стыкового присоединения. Основной клапан включает буксу (3),кольцо (4) (только до ном.разм.32), конусный клапан (5),по выбору - с демпферной цапфой (6) или без неё (7), и закрывающую пружину (8).

Функционирование

2-линейные клапаны управляются гидравлически. Принцип работы основан на трёх рабочих поверхностях:A1, A2, A3. Площадь А1 клапана принимается за 100%. Разность в диаметрах создаёт кольцевую поверхность с площадями 7% или 50%. Соответственно, отношение площадей А1:А2 составляет 14,3:1 или 2:1. Поверхность А3 представляет собой сумму поверхностей А1+А2. С учётом разных площадей А2 площадь А3 составляет 107% или 150% относительно площади А1.

Принцип действия:

Подача давления к поверхности А1 и А2 приводит к открытию основного клапана. Поверхность А3 и пружина служат для закрытия клапана. Результирующая от действия различных сил определяет положение клапана. 2-линейный клапан пропускает поток от А к В и от В к А.При подаче давления к поверхности А3 от клапана, нагруженного давлением, или от отдельной системы управления, канал А герметично перекрывается.

Показать еще

Общие рекомендации по заказу управляющих головок

Перечень дросселей для заказа и изображения в условных обозначениях/ Более подробные сведения приводятся на страницах вариантов управляющих головок/  (характ.дроселей)

Эти дроссели устанавливаютсяна резьбе. При необходимостииспользования дросселя в шифре должен указываться канал и размер отверстия в 0,1 мм. Например: А12 =дроссель Ø1,2 мм в канале A.

Эти дроссели выполняются в виде сверлений, в шифрах размеры не обозначаются (Ø отверстий в мм)

Эти дроссели устанавливаются на резьбе. Они являются стандартными дросселями, в шифре размеры не обозначаются (Ø отверстий в 0,1 мм)

 

Отдельные коды для заказа и размеры крышек разных типов

LFA..D

LFA..H

LFA..G

LFA..R

LFA..WEA/WEB

LFA..WEMA/WEMB

LFA..WECA

LFA..GWA/GWB

LFA..KWA/KWB

Технические данные 

Рабочая жидкость

Минеральное масло (HL,HLP) по DIN 51 524 

Температура рабочей жидкости, °C

- 20 до + 80

Диапазон вязкостей, мм2

2,8 до 380

Чистота рабочей жидкости

Не хуже 9 класса по NAS 1638

Макс.рабоч.давление

- без распределителя, бар

420

- присоед. A,B,X,Z1,Z2, бар

315; 350; 420 (в завис.от установлен. распределителя.)

- присоединение Y, бар

по давл.слива для установленого распределителя

LFA..D

1 Табличка при ном.разм. 16, 25, 32
2 Табличка при ном.разм. 40, 50, 63
4 Присоединение X, по выбору - резьбовое

LFA..H

1) Данные для заказа дросселя
2) Внутренний шестигранник

LFA..G

LFA..R

LFA..WEA/WEB

LFA..WEMA/WEMB

LFA..WECA

LFA..GWA/GWB

LFA..KWA/KWB

 

На сайте представлены далеко не все варианты клапанов Рексрот*, аналоги которых мы предлагаем.
Ниже приведен список артикулов клапана Bosch Rexroth LFA (направление), аналоги которых мы также можем предоставить или подобрать замену.
Если Вы нашли нужный артикул или код клапана в списке ниже или, наоборот, затрудняетесь это сделать - напишите нам, мы ответим оперативно.

R901136814 LFA63WEMB-7X/F18
R900966642 LFA63WEMB-7X/
R900938262 LFA63WEMA-7X/F18
R900966682 LFA63WEMA-7X/
R900247696 LFA63WECA-7X/
R901097825 LFA63WEB-7X/B20P20T20
R900761244 LFA63WEB-7X/B20
R900770750 LFA63WEB-7X/B18P20
R900967026 LFA63WEB-7X/
R900974616 LFA63WEA-7X/V
R900979176 LFA63WEA-7X/A35P35
R900978566 LFA63WEA-7X/A30P25
R901096481 LFA63WEA-7X/A30
R901149379 LFA63WEA-7X/A25T20
R900701659 LFA63WEA-7X/A20P20T08
R900976260 LFA63WEA-7X/A20P20
R900608789 LFA63WEA-7X/A20
R900938261 LFA63WEA-7X/A18P18T18
R900938260 LFA63WEA-7X/A18P18
R900938259 LFA63WEA-7X/A18
R901025559 LFA63WEA-7X/A15P15
R900712915 LFA63WEA-7X/A15P12
R901053268 LFA63WEA-7X/A12P20
R900970204 LFA63WEA-7X/A12
R900938257 LFA63WEA-7X/
R900971446 LFA63RF-7X/F30
R901134917 LFA63RF-7X/F20
R901113110 LFA63RF-7X/
R900938256 LFA63KWB-7X/
R900970780 LFA63KWA-7X/P30X30
R900967040 LFA63KWA-7X/P18X18
R900966640 LFA63KWA-7X/P18
R900727753 LFA63KWA-7X/P15
R900608778 LFA63KWA-7X/A35P35X25
R900766239 LFA63KWA-7X/A30X20
R901088507 LFA63KWA-7X/A20X20V
R900972153 LFA63KWA-7X/A18P18X18
R900938255 LFA63KWA-7X/A18
R900754765 LFA63KWA-7X/A12
R901053273 LFA63KWA-7X/A08X15
R900938254 LFA63KWA-7X/
R901199915 LFA63KWA7-7X/X18F18
R900973454 LFA63KWA7-7X/P00X15F25
R900967202 LFA63KWA3-7X/P00
R901062866 LFA63HWMA2-7X/P15F10
R900966554 LFA63HWMA2-7X/
R900938253 LFA63H4-7X/F
R901203861 LFA63H2-7X/FX30
R900970098 LFA63H2-7X/FX20
R900959433 LFA63H2-7X/FX18
R901042902 LFA63H2-7X/FX15
R900938252 LFA63H2-7X/FX12
R900938251 LFA63H2-7X/FX08
R900970759 LFA63H2-7X/FV
R900975736 LFA63H2-7X/F/12
R900938250 LFA63H2-7X/F
R900957685 LFA63H2-18-7X/F
R900977428 LFA63H1-7X/FX18
R900972401 LFA63H1-7X/F
R901002537 LFA63GWB-7X/B20
R900938249 LFA63GWB-7X/B18
R900963090 LFA63GWB-7X/B12
R901122938 LFA63GWB-7X/B10P10T10
R900954554 LFA63GWB-7X/
R901099316 LFA63GWA-7X/T20
R900979688 LFA63GWA-7X/P20
R900970100 LFA63GWA-7X/P18T18
R900608782 LFA63GWA-7X/A35P35
R901088236 LFA63GWA-7X/A20P20T20V
R901097829 LFA63GWA-7X/A20P20T20
R901098178 LFA63GWA-7X/A20P20
R900744338 LFA63GWA-7X/A20
R901002697 LFA63GWA-7X/A18P18T18
R900961388 LFA63GWA-7X/A18P18
R900938247 LFA63GWA-7X/A18
R900715167 LFA63GWA-7X/A15P15
R900767986 LFA63GWA-7X/A12P12T12
R900963089 LFA63GWA-7X/A12
R900715104 LFA63GWA-7X/A10P15
R900938245 LFA63GWA-7X/
R900938244 LFA63G-7X/
R901099116 LFA63D8-7X/FX40
R900967862 LFA63D8-7X/FX20
R900970640 LFA63D8-7X/F
R901136908 LFA63D-7X/FX35V
R901071884 LFA63D-7X/FX35
R901217475 LFA63D-7X/FX25
R900966788 LFA63D-7X/FX20
R901056434 LFA63D-7X/FX18V
R900961700 LFA63D-7X/FX18
R900970202 LFA63D-7X/FX12
R901145330 LFA63D-7X/FX10
R900974618 LFA63D-7X/FV
R900974458 LFA63D-7X/F/12
R900938225 LFA63D-7X/F
R900973491 LFA63D19-7X/
R900938224 LFA50WEMB-7X/
R900938220 LFA50WEMA-7X/P15
R901206452 LFA50WEMA-7X/P12T12
R900968680 LFA50WEMA-7X/
R901146668 LFA50WECA-7X/B15
R900938221 LFA50WECA-7X/
R900249158 LFA50WEB-7X/B15P15T15
R900938223 LFA50WEB-7X/B15
R900710129 LFA50WEB-7X/B12
R900955713 LFA50WEB-7X//12
R900938222 LFA50WEB-7X/
R901108819 LFA50WEA-7X/V
R900958312 LFA50WEA-7X/T18
R900729760 LFA50WEA-7X/P20
R901128208 LFA50WEA-7X/P18
R900618348 LFA50WEA-7X/P15T15
R900701660 LFA50WEA-7X/P15T08
R900968727 LFA50WEA-7X/P10
R901089337 LFA50WEA-7X/A30T25
R900246962 LFA50WEA-7X/A30P30
R901096480 LFA50WEA-7X/A20P20T08
R900970625 LFA50WEA-7X/A20
R900978770 LFA50WEA-7X/A18P18T18
R901008193 LFA50WEA-7X/A18P18
R900938219 LFA50WEA-7X/A18
R900938218 LFA50WEA-7X/A15P15T15
R900938217 LFA50WEA-7X/A15P15
R900938216 LFA50WEA-7X/A15
R901081822 LFA50WEA-7X/A12P20T12
R900972573 LFA50WEA-7X/A12P12T12
R900963106 LFA50WEA-7X/A12P12
R900973021 LFA50WEA-7X/A12
R900753885 LFA50WEA-7X/A10P10T10
R900777292 LFA50WEA-7X/A10P10
R900765310 LFA50WEA-7X/A10
R900938215 LFA50WEA-7X/
R900716138 LFA50WEA54-7X/P15
R901035850 LFA50RF-7X/F18V
R901129688 LFA50RF-7X/F18
R900938214 LFA50RF-7X/F15
R901085658 LFA50RF-7X/F12
R900938213 LFA50RF-7X/
R901212129 LFA50R-7X/F12
R900938212 LFA50R-7X/
R900938211 LFA50KWB-7X/
R900248830 LFA50KWA-7X/V
R900976216 LFA50KWA-7X/P18X18
R900778041 LFA50KWA-7X/P18
R900965149 LFA50KWA-7X/A30P30X20
R900960034 LFA50KWA-7X/A20
R900700266 LFA50KWA-7X/A18
R900977682 LFA50KWA-7X/A15P15
R900938210 LFA50KWA-7X/A15
R901205714 LFA50KWA-7X/A10P12X20
R901145147 LFA50KWA-7X/A10P10
R900976476 LFA50KWA-7X/A10
R900964541 LFA50KWA-7X/A08
R900951081 LFA50KWA-7X//12
R900938209 LFA50KWA-7X/
R900712474 LFA50KWA7-7X/P00X15F20
R900617036 LFA50KWA7-7X/A15P00X15F15
R900972336 LFA50KWA3-7X/P00
R900707567 LFA50HWMA2-7X/P15F15
R901220209 LFA50H4-7X/FX15
R900978198 LFA50H4-7X/FX10
R900739776 LFA50H4-7X/F/12
R900938208 LFA50H4-7X/F
R900968963 LFA50H2-7X/FX25
R901091593 LFA50H2-7X/FX20
R900784036 LFA50H2-7X/FX18
R901045608 LFA50H2-7X/FX15V
R900938207 LFA50H2-7X/FX15
R900938206 LFA50H2-7X/FX12
R900969812 LFA50H2-7X/FV
R900972582 LFA50H2-7X/F/12
R900938205 LFA50H2-7X/F
R900957684 LFA50H2-18-7X/F
R900977224 LFA50H1-7X/F
R900728778 LFA50H1-58-7X/F
R901136390 LFA50GWB-7X/B18
R900938203 LFA50GWB-7X/
R900737992 LFA50GWA-7X/V
R901091045 LFA50GWA-7X/T15
R900953888 LFA50GWA-7X/P18T10
R900938202 LFA50GWA-7X/P15T15
R901000079 LFA50GWA-7X/P15
R901134042 LFA50GWA-7X/P12
R900971456 LFA50GWA-7X/P10
R900965129 LFA50GWA-7X/A30P30
R900970308 LFA50GWA-7X/A20
R900975849 LFA50GWA-7X/A18P20
R900766853 LFA50GWA-7X/A18P18T18
R901110982 LFA50GWA-7X/A18P18
R900734757 LFA50GWA-7X/A18
R900962008 LFA50GWA-7X/A15P15
R900938201 LFA50GWA-7X/A15
R900971754 LFA50GWA-7X/A12P15
R900766862 LFA50GWA-7X/A12P10
R900727883 LFA50GWA-7X/A12
R900966457 LFA50GWA-7X/A10P10T10
R901078737 LFA50GWA-7X/A10P10
R900617912 LFA50GWA-7X/A08P20
R900938200 LFA50GWA-7X/
R900975636 LFA50GWA20-7X/A15P15
R900975637 LFA50GWA20-7X/
R900731779 LFA50G-7X/X00Z00
R901043564 LFA50G-7X/V
R900753200 LFA50G-7X//12
R900938199 LFA50G-7X/
R901212544 LFA50D9-7X
R901200892 LFA50D8-7X/FX10
R900700713 LFA50D8-7X/F
R901112478 LFA50D-7X/FX40
R901145160 LFA50D-7X/FX35V
R900938158 LFA50D-7X/FX30
R900245762 LFA50D-7X/FX20
R901035851 LFA50D-7X/FX18V
R900938157 LFA50D-7X/FX18
R900964282 LFA50D-7X/FX15V
R900938156 LFA50D-7X/FX15
R900959286 LFA50D-7X/FX12
R900938155 LFA50D-7X/FX10
R900960120 LFA50D-7X/FX08
R900978445 LFA50D-7X/FV
R900968634 LFA50D-7X/F/12
R900938150 LFA50D-7X/F
R900563870 LFA50D63-6X/F
R900971838 LFA50D54-7X/F
R901096326 LFA50D19-7X/V
R900938167 LFA50D19-7X/
R900752040 LFA50D137-7X/F
R900938149 LFA40WEMB-7X/
R901214116 LFA40WEMA-7X/V
R901222772 LFA40WEMA-7X/P15T15
R900764354 LFA40WEMA-7X/P15F12
R900949849 LFA40WEMA-7X/P12F12
R900969633 LFA40WEMA-7X//12
R900938144 LFA40WEMA-7X/
R900942880 LFA40WECA-7X/A15B12
R901212157 LFA40WECA-7X/A12B10
R900973165 LFA40WECA-7X/
R901046501 LFA40WEB-7X/V
R900752651 LFA40WEB-7X/P20
R901094836 LFA40WEB-7X/B15P18
R901095750 LFA40WEB-7X/B15P15T15
R900958563 LFA40WEB-7X/B15P15
R900942876 LFA40WEB-7X/B15
R900938148 LFA40WEB-7X/B12
R900724632 LFA40WEB-7X/B10
R900971176 LFA40WEB-7X/B08
R900938147 LFA40WEB-7X/
R900972506 LFA40WEA-7X/V
R900713683 LFA40WEA-7X/P20
R900732044 LFA40WEA-7X/P15T08
R900738393 LFA40WEA-7X/P15
R900968663 LFA40WEA-7X/P12T20
R900975988 LFA40WEA-7X/P12
R900970760 LFA40WEA-7X/P10T10
R900938143 LFA40WEA-7X/P10
R900976879 LFA40WEA-7X/J
R901147548 LFA40WEA-7X/A20T20
R901006458 LFA40WEA-7X/A20T18
R900720882 LFA40WEA-7X/A20P20
R900753271 LFA40WEA-7X/A18
R901001301 LFA40WEA-7X/A15V
R900967861 LFA40WEA-7X/A15T15
R900782382 LFA40WEA-7X/A15P18
R900967860 LFA40WEA-7X/A15P15
R900716981 LFA40WEA-7X/A15P08T15
R900616387 LFA40WEA-7X/A15
R901067802 LFA40WEA-7X/A12P20T12
R901023989 LFA40WEA-7X/A12P15
R900608681 LFA40WEA-7X/A12P12T12V
R900964811 LFA40WEA-7X/A12P12T12
R900938142 LFA40WEA-7X/A12P12
R900938141 LFA40WEA-7X/A12
R900245537 LFA40WEA-7X/A10P10T10
R900948227 LFA40WEA-7X/A10
R900973048 LFA40WEA-7X/A08T18
R901053300 LFA40WEA-7X/A08P20
R900769305 LFA40WEA-7X/A08P08
R900927974 LFA40WEA-7X/A08
R900931581 LFA40WEA-7X/
R900944026 LFA40WEA54-6X/P20
R900976527 LFA40RF-7X/V
R901035846 LFA40RF-7X/F15V
R901006010 LFA40RF-7X/F15
R900248352 LFA40RF-7X/F12
R901068213 LFA40RF-7X/F10
R900938138 LFA40RF-7X/
R901072192 LFA40R-7X/V
R901118135 LFA40R-7X/F15
R900717489 LFA40R-7X/F12V
R900938137 LFA40R-7X/F12
R900707939 LFA40R-7X/
R900582435 LFA40QR10-6X/CA40D
R900938136 LFA40KWB-7X/
R901096470 LFA40KWA-7X/V
R900787564 LFA40KWA-7X/A25P30
R901096617 LFA40KWA-7X/A25P25X30
R901094827 LFA40KWA-7X/A20
R901070942 LFA40KWA-7X/A18
R900780491 LFA40KWA-7X/A15P15X15
R900745246 LFA40KWA-7X/A15
R900764353 LFA40KWA-7X/A12P15X12
R900938134 LFA40KWA-7X/A12
R900975875 LFA40KWA-7X/A10
R900970834 LFA40KWA-7X/A08
R900938133 LFA40KWA-7X/
R900961089 LFA40KWA3-7X/P00
R901005743 LFA40HWMB2-7X/T15
R901202439 LFA40HWMA2-7X/P15T05
R900975362 LFA40HWMA2-7X/P15
R900975575 LFA40HWMA2-7X/
R900938132 LFA40H4-7X/FX10
R900938130 LFA40H4-7X/F
R901025004 LFA40H3-7X/FX10
R901210443 LFA40H3-7X/FV
R900938128 LFA40H3-7X/F
R900765301 LFA40H2-7X/FX18
R901088533 LFA40H2-7X/FX15V
R900954373 LFA40H2-7X/FX15
R901174819 LFA40H2-7X/FX12V
R900938127 LFA40H2-7X/FX12
R900938126 LFA40H2-7X/FX10
R900777476 LFA40H2-7X/FX08
R900969617 LFA40H2-7X/FV
R900938124 LFA40H2-7X/F/12
R900938122 LFA40H2-7X/F
R900957683 LFA40H2-18-7X/F
R900786341 LFA40H1-7X/FX10V
R900968424 LFA40H1-7X/FX10
R900969017 LFA40H1-7X/FV
R900938121 LFA40H1-7X/F
R901214177 LFA40GWB-7X/T15
R901034190 LFA40GWB-7X/T12
R901214179 LFA40GWB-7X/P15
R900938120 LFA40GWB-7X/
R900979610 LFA40GWA-7X/V
R900971006 LFA40GWA-7X/T12
R901092225 LFA40GWA-7X/T10
R901010285 LFA40GWA-7X/P18T15
R900970101 LFA40GWA-7X/P12
R900964751 LFA40GWA-7X/P08T08
R900970309 LFA40GWA-7X/A20
R900967858 LFA40GWA-7X/A15P15T15
R900962010 LFA40GWA-7X/A15P15
R900938119 LFA40GWA-7X/A15P12
R900938117 LFA40GWA-7X/A15
R900723241 LFA40GWA-7X/A12V
R901147546 LFA40GWA-7X/A12T12
R900938116 LFA40GWA-7X/A12P12T12
R900949847 LFA40GWA-7X/A12P12
R900938115 LFA40GWA-7X/A12
R901199584 LFA40GWA-7X/A10P15T15
R900710598 LFA40GWA-7X/A10P12
R900753887 LFA40GWA-7X/A10P10T10
R900973416 LFA40GWA-7X/A10
R900972087 LFA40GWA-7X/A08
R900938114 LFA40GWA-7X/
R901009461 LFA40G-7X/V
R900938113 LFA40G-7X/
R900959752 LFA40D9-7X/
R900972211 LFA40D8-7X/FX12
R900953011 LFA40D8-7X/FX10
R900969378 LFA40D8-7X/FJ
R900957497 LFA40D8-7X/F
R901032273 LFA40D-7X/FX45
R900948446 LFA40D-7X/FX20
R900938078 LFA40D-7X/FX15
R900952098 LFA40D-7X/FX12/12
R900938076 LFA40D-7X/FX12
R900938075 LFA40D-7X/FX10
R901211519 LFA40D-7X/FX08/12
R901053329 LFA40D-7X/FX08
R900974094 LFA40D-7X/FV
R900938074 LFA40D-7X/F/12
R900938073 LFA40D-7X/F
R900444674 LFA40D38-6X/V
R900719351 LFA40D19-7X/V
R900928981 LFA40D19-7X/
R901094991 LFA40D119-7X/
R900965303 LFA40D10-7X/
R900712068 LFA32WEMB-7X/P15F10
R901190293 LFA32WEMB-7X/P10T12F12
R900932301 LFA32WEMB-7X/
R900733409 LFA32WEMA-7X/V
R901015641 LFA32WEMA-7X/P15F12
R900244087 LFA32WEMA-7X/P12T12F12
R900249978 LFA32WEMA-7X/P12
R900912722 LFA32WEMA-7X/F12
R900912721 LFA32WEMA-7X/
R901084683 LFA32WECA-7X/P12
R900929327 LFA32WECA-7X/A12P18
R900929064 LFA32WECA-7X/A10P18
R900970217 LFA32WECA-7X/A10B08P12/12
R900928796 LFA32WECA-7X/
R900781131 LFA32WEB-7X/V/12
R901086737 LFA32WEB-7X/V
R900956170 LFA32WEB-7X/B12P12T12
R900245999 LFA32WEB-7X/B12P12
R900943573 LFA32WEB-7X/B12
R900927160 LFA32WEB-7X/B10
R900933053 LFA32WEB-7X/B08
R900952789 LFA32WEB-7X//12
R900912719 LFA32WEB-7X/
R900948792 LFA32WEA-7X/V
R901192417 LFA32WEA-7X/T30
R901033371 LFA32WEA-7X/T10
R901214830 LFA32WEA-7X/T05/12
R901201212 LFA32WEA-7X/P20V
R900923771 LFA32WEA-7X/P18
R900926167 LFA32WEA-7X/P15
R900951893 LFA32WEA-7X/P12T12
R900940256 LFA32WEA-7X/P12
R900953555 LFA32WEA-7X/P10T10
R900912718 LFA32WEA-7X/P10
R900959803 LFA32WEA-7X/P08
R901081878 LFA32WEA-7X/P07T07
R900930014 LFA32WEA-7X/A20P20V
R901029663 LFA32WEA-7X/A20P20T20
R900965156 LFA32WEA-7X/A20P12
R900943572 LFA32WEA-7X/A20
R901146667 LFA32WEA-7X/A15P15T15
R900949545 LFA32WEA-7X/A15P15
R900923961 LFA32WEA-7X/A15
R900978397 LFA32WEA-7X/A12V
R900932976 LFA32WEA-7X/A12T12
R900752443 LFA32WEA-7X/A12P15
R900965385 LFA32WEA-7X/A12P12T12
R900929841 LFA32WEA-7X/A12P12
R900962007 LFA32WEA-7X/A12P08
R900926433 LFA32WEA-7X/A12
R900929156 LFA32WEA-7X/A10T10
R900962243 LFA32WEA-7X/A10P10T10
R900785056 LFA32WEA-7X/A10P10
R900912714 LFA32WEA-7X/A10
R901088547 LFA32WEA-7X/A08T08
R901053301 LFA32WEA-7X/A08P20
R901148822 LFA32WEA-7X/A08P10
R900941834 LFA32WEA-7X/A08P08T12
R901210878 LFA32WEA-7X/A08P08T08/V
R901020814 LFA32WEA-7X/A08P08T08
R900958073 LFA32WEA-7X/A08P08/12
R900955696 LFA32WEA-7X/A08P08
R900932082 LFA32WEA-7X/A08
R900778043 LFA32WEA-7X/A05P08
R900912715 LFA32WEA-7X/A05P05
R900912712 LFA32WEA-7X/
R900944025 LFA32WEA54-6X/P20
R900965932 LFA32WEA27-7X/V
R900962321 LFA32RF-7X/V
R900928035 LFA32RF-7X/F12V
R900927713 LFA32RF-7X/F12
R900930923 LFA32RF-7X/F10
R900718072 LFA32R-7X/V
R901218425 LFA32R-7X/F12V
R900973579 LFA32R-7X/F12
R900930122 LFA32R-7X/
R900912726 LFA32KWB-7X/
R900969813 LFA32KWA-7X/V
R900941863 LFA32KWA-7X/P15
R900729935 LFA32KWA-7X/P10
R900928624 LFA32KWA-7X/A20
R900932746 LFA32KWA-7X/A15
R900968139 LFA32KWA-7X/A12
R900961901 LFA32KWA-7X/A10P12
R900785055 LFA32KWA-7X/A10P10
R900925349 LFA32KWA-7X/A10
R900932377 LFA32KWA-7X//12
R900912725 LFA32KWA-7X/
R900925598 LFA32KWA3-7X/P00
R900949112 LFA32HWMB1-7X/P15F15
R901026259 LFA32HWMA2-7X/P10F10V
R900978257 LFA32HWMA2-7X/F12
R900969703 LFA32HWMA2-7X/
R900936622 LFA32HWMA2-19-7X/P10T10F10
R900963547 LFA32H4-7X/FX12
R900912733 LFA32H4-7X/FX10
R900912732 LFA32H4-7X/F
R900945089 LFA32H3-7X/FX10
R900912731 LFA32H3-7X/F
R900933498 LFA32H2-7X/FX20
R900936620 LFA32H2-7X/FX15
R900962443 LFA32H2-7X/FX12V
R900924151 LFA32H2-7X/FX12
R900928034 LFA32H2-7X/FX10V
R900912730 LFA32H2-7X/FX10
R900912729 LFA32H2-7X/FX08
R900951828 LFA32H2-7X/FV
R900916294 LFA32H2-7X/F/12
R900912728 LFA32H2-7X/F
R900366197 LFA32H2-7-6X/CB40D
R900353670 LFA32H2-6X/F
R900931068 LFA32H1-7X/FX12
R900927715 LFA32H1-7X/FX10
R900973947 LFA32H1-7X/FV
R900912727 LFA32H1-7X/F
R900916171 LFA32GWB-7X/P25
R901036365 LFA32GWB-7X/B15
R900926436 LFA32GWB-7X/B12P12
R901118816 LFA32GWB-7X/B10
R901002540 LFA32GWB-7X/B08
R900912710 LFA32GWB-7X/
R900978623 LFA32GWA-7X/V
R900971727 LFA32GWA-7X/T12
R900947550 LFA32GWA-7X/T10/12
R900940088 LFA32GWA-7X/P15
R900926168 LFA32GWA-7X/P12
R900739698 LFA32GWA-7X/P10T12V
R900947549 LFA32GWA-7X/P10T12/12
R900924565 LFA32GWA-7X/P10
R900928734 LFA32GWA-7X/P08T08
R900945671 LFA32GWA-7X/JP12
R900728225 LFA32GWA-7X/A25P25
R901200615 LFA32GWA-7X/A20
R900972606 LFA32GWA-7X/A18
R900925878 LFA32GWA-7X/A15P15V
R901214206 LFA32GWA-7X/A15P15T15
R900704443 LFA32GWA-7X/A15P15
R900971123 LFA32GWA-7X/A15
R901147549 LFA32GWA-7X/A12T12
R900975848 LFA32GWA-7X/A12P15
R900967855 LFA32GWA-7X/A12P12T12
R900941395 LFA32GWA-7X/A12P12
R900926432 LFA32GWA-7X/A12P10
R900941130 LFA32GWA-7X/A12
R900949204 LFA32GWA-7X/A10P12
R900923107 LFA32GWA-7X/A10P10T10
R900912709 LFA32GWA-7X/A10P10
R900949769 LFA32GWA-7X/A10/12
R900927714 LFA32GWA-7X/A10
R901053276 LFA32GWA-7X/A08P10
R900952628 LFA32GWA-7X/A08P08
R900909663 LFA32GWA-7X/A08
R900932374 LFA32GWA-7X//12
R900912708 LFA32GWA-7X/
R901134934 LFA32GWA21-7X/A12P20T12
R901002549 LFA32G-7X/V
R900912707 LFA32G-7X/
R900728454 LFA32DZWB2-7X/210Y
R901046191 LFA32DZWB2-7X/210XY
R900943743 LFA32DZWB2-7X/210X
R900966065 LFA32DZWA2-7X/315X
R901042117 LFA32DZWA2-7X/210XY
R900962917 LFA32DZ2-7X/210XY
R900943742 LFA32D9-7X/
R900941749 LFA32D8-7X/FX10
R900944672 LFA32D8-7X/F
R900950998 LFA32D-7X/FX25
R900773403 LFA32D-7X/FX20
R901219714 LFA32D-7X/FX15V
R900924596 LFA32D-7X/FX15
R900927147 LFA32D-7X/FX12
R900927013 LFA32D-7X/FX10V
R900938729 LFA32D-7X/FX10/12
R900912631 LFA32D-7X/FX10
R900938325 LFA32D-7X/FX08
R900929930 LFA32D-7X/FV
R900932373 LFA32D-7X/F/12
R900905303 LFA32D-7X/F
R900959290 LFA32D62-7X/F
R900925876 LFA32D19-7X/V
R900945672 LFA32D19-7X/J
R900923087 LFA32D19-7X/
R900618558 LFA32D122-7X/
R900928381 LFA32D10-7X/
R901200492 LFA25WEMB-7X/T25V
R901090307 LFA25WEMB-7X/P10F12
R900968170 LFA25WEMB-7X/F08
R900962735 LFA25WEMB-7X/
R900945768 LFA25WEMA-7X/V
R901107362 LFA25WEMA-7X/P20T20
R900940570 LFA25WEMA-7X/P10F12
R900952918 LFA25WEMA-7X/P10
R900912688 LFA25WEMA-7X/F10
R900953389 LFA25WEMA-7X/F08
R900932369 LFA25WEMA-7X//12
R900912687 LFA25WEMA-7X/
R900618744 LFA25WEMA54-6X/V
R900944377 LFA25WECA-7X/A10P12
R900912690 LFA25WECA-7X/A10B08
R900912689 LFA25WECA-7X/
R901086744 LFA25WEB-7X/V
R900717659 LFA25WEB-7X/T10
R900937525 LFA25WEB-7X/P10T08
R900718856 LFA25WEB-7X/P10
R901038679 LFA25WEB-7X/P08
R901210616 LFA25WEB-7X/B20
R901082495 LFA25WEB-7X/B12P12
R901091471 LFA25WEB-7X/B12
R901141225 LFA25WEB-7X/B10P10T10V
R901202304 LFA25WEB-7X/B10P10T10
R901208059 LFA25WEB-7X/B10P10/12
R900917653 LFA25WEB-7X/B10P10
R900927204 LFA25WEB-7X/B10
R900784986 LFA25WEB-7X/B08P12T08
R900747496 LFA25WEB-7X/B08P10
R900947434 LFA25WEB-7X/B08
R901015663 LFA25WEB-7X/B06T06
R900930128 LFA25WEB-7X/B06
R900912685 LFA25WEB-7X/
R900931229 LFA25WEA-7X/V
R900932513 LFA25WEA-7X/T08
R901199208 LFA25WEA-7X/P20
R900928896 LFA25WEA-7X/P15
R900962978 LFA25WEA-7X/P12T10
R900713956 LFA25WEA-7X/P10T10
R900912684 LFA25WEA-7X/P10
R900925976 LFA25WEA-7X/P08T08
R900928352 LFA25WEA-7X/P08
R901033669 LFA25WEA-7X/A20P12T12
R900965157 LFA25WEA-7X/A20P12
R900933264 LFA25WEA-7X/A20
R901082404 LFA25WEA-7X/A15P15T15
R900968095 LFA25WEA-7X/A15P15
R900928339 LFA25WEA-7X/A15
R901033665 LFA25WEA-7X/A12P20T12
R900732634 LFA25WEA-7X/A12P12T12
R900932928 LFA25WEA-7X/A12P12
R900928975 LFA25WEA-7X/A12P10
R900960713 LFA25WEA-7X/A12
R900961742 LFA25WEA-7X/A10P15
R901033664 LFA25WEA-7X/A10P12
R901115975 LFA25WEA-7X/A10P10T10V
R900922484 LFA25WEA-7X/A10P10T10
R900912683 LFA25WEA-7X/A10P10
R900912680 LFA25WEA-7X/A10
R900943949 LFA25WEA-7X/A08V
R901056232 LFA25WEA-7X/A08T08
R900940525 LFA25WEA-7X/A08P10
R900929808 LFA25WEA-7X/A08P08T08
R900936648 LFA25WEA-7X/A08P08
R900925010 LFA25WEA-7X/A08
R900912679 LFA25WEA-7X/A06
R901036959 LFA25WEA-7X/A05T05V
R900912681 LFA25WEA-7X/A05P05
R900932368 LFA25WEA-7X//12
R900910273 LFA25WEA-7X/
R900952663 LFA25WEA27-7X/V
R900968742 LFA25RF-7X/X15Z15
R900705670 LFA25RF-7X/X00Z00V
R900937425 LFA25RF-7X/V
R901212167 LFA25RF-7X/F12V
R900919725 LFA25RF-7X/F12
R900763983 LFA25RF-7X/F10V/12
R900962320 LFA25RF-7X/F10/12
R900930921 LFA25RF-7X/F10
R900706828 LFA25RF-7X/F08Z10/12
R901045548 LFA25RF-7X/12
R900927301 LFA25RF-7X/
R901218429 LFA25R-7X/F12V
R900955026 LFA25R-7X/
R900248348 LFA25R3-7X/JF10
R900597430 LFA25QR10-6X/CA40D
R901053278 LFA25KWB-7X/B10
R900912692 LFA25KWB-7X/
R900930678 LFA25KWA-7X/V
R900972253 LFA25KWA-7X/P10
R900934806 LFA25KWA-7X/A15
R900959175 LFA25KWA-7X/A12P12
R901115966 LFA25KWA-7X/A10P10V
R900746661 LFA25KWA-7X/A10P10
R900925037 LFA25KWA-7X/A10
R900941607 LFA25KWA-7X/A08
R900938899 LFA25KWA-7X/A06
R900932367 LFA25KWA-7X//12
R900912691 LFA25KWA-7X/
R900923194 LFA25KWA3-7X/
R900944176 LFA25HWMA2-7X/P15T08
R900923102 LFA25HWMA2-7X/P10F10
R900923100 LFA25HWMA2-7X/
R900936621 LFA25HWMA2-19-7X/P10T10F10
R900703698 LFA25HWMA1-7X/F08
R900912699 LFA25H4-7X/FX10
R900912698 LFA25H4-7X/F
R900912697 LFA25H3-7X/F
R900943198 LFA25H2-7X/FX15
R901118962 LFA25H2-7X/FX12V
R900940089 LFA25H2-7X/FX12
R900701010 LFA25H2-7X/FX10V
R900912696 LFA25H2-7X/FX10
R900940721 LFA25H2-7X/FX08V
R900912695 LFA25H2-7X/FX08
R900926226 LFA25H2-7X/FX07
R900977425 LFA25H2-7X/FX05
R900944374 LFA25H2-7X/FV
R900932364 LFA25H2-7X/F/12
R900912694 LFA25H2-7X/F
R900934518 LFA25H1-7X/FX08
R900912693 LFA25H1-7X/F
R900977431 LFA25H1-25-7X/FX18
R901198884 LFA25GWB-7X/B15T12
R900943693 LFA25GWB-7X/B15
R900934641 LFA25GWB-7X/B12
R900912677 LFA25GWB-7X/
R901010291 LFA25GWA-7X/V
R901006576 LFA25GWA-7X/P20T10
R900940087 LFA25GWA-7X/P15
R900746623 LFA25GWA-7X/P12T12
R900959366 LFA25GWA-7X/P12T10
R900969203 LFA25GWA-7X/P12
R900953963 LFA25GWA-7X/P10T10
R900926535 LFA25GWA-7X/P10
R900618574 LFA25GWA-7X/A25P25
R900966432 LFA25GWA-7X/A20
R901092981 LFA25GWA-7X/A18P15T15
R901189234 LFA25GWA-7X/A15P15T15
R900975845 LFA25GWA-7X/A15P15
R900941748 LFA25GWA-7X/A15
R900975847 LFA25GWA-7X/A12P15
R900746624 LFA25GWA-7X/A12P12T12
R900934760 LFA25GWA-7X/A12P12
R900930546 LFA25GWA-7X/A12
R900929157 LFA25GWA-7X/A10P10T10
R900912676 LFA25GWA-7X/A10P10
R900947472 LFA25GWA-7X/A10/12
R900926374 LFA25GWA-7X/A10
R900942746 LFA25GWA-7X/A08V
R900976807 LFA25GWA-7X/A08P10T10
R900702521 LFA25GWA-7X/A08P10
R901181514 LFA25GWA-7X/A08P08V
R900960711 LFA25GWA-7X/A08P08T08
R900930126 LFA25GWA-7X/A08P08
R900929821 LFA25GWA-7X/A08
R900713682 LFA25GWA-7X/A07P08
R900965388 LFA25GWA-7X/A06P08
R900948445 LFA25GWA-7X/A06
R900932363 LFA25GWA-7X//12
R900912675 LFA25GWA-7X/
R901085238 LFA25G-7X/V
R900912674 LFA25G-7X/
R900775615 LFA25E52-7X/CA10EQ8G08FV
R900939411 LFA25E52-7X/CA10EQ8G08F
R900942084 LFA25DZWB2-7X/210X
R900717925 LFA25DZWB2-7X/210
R901020964 LFA25DZWB1-7X/350X
R901149365 LFA25DBW1-7X/200
R900451669 LFA25DA3-1-5X/315
R900954245 LFA25D9-7X/
R901198843 LFA25D8-7X/FX10V
R900971419 LFA25D8-7X/FX10
R901198850 LFA25D8-7X/FJ
R900930120 LFA25D8-7X/F
R901036338 LFA25D-7X/FX25
R900922477 LFA25D-7X/FX20
R901201263 LFA25D-7X/FX18
R900972926 LFA25D-7X/FX15V
R900954824 LFA25D-7X/FX15
R900922476 LFA25D-7X/FX12
R900966274 LFA25D-7X/FX10V
R900912632 LFA25D-7X/FX10
R900707303 LFA25D-7X/FX08V
R900952621 LFA25D-7X/FX08/12
R900925453 LFA25D-7X/FX08
R900930219 LFA25D-7X/FX05
R900954327 LFA25D-7X/FV/12
R900930724 LFA25D-7X/FV
R900920763 LFA25D-7X/FJ
R900932362 LFA25D-7X/F/12
R900905302 LFA25D-7X/F
R900562840 LFA25D71-6X/CA20D
R900713680 LFA25D62-7X/FX12
R900552273 LFA25D54-6X/F
R900944202 LFA25D19-7X/V
R900973047 LFA25D19-7X/J
R900919724 LFA25D19-7X/
R900974488 LFA25D124-7X/F
R900927165 LFA25D10-7X/
R900469323 LFA160D-2X/F
R900968998 LFA16WEMB-7X/F08
R900246963 LFA16WEMB-7X/
R901077373 LFA16WEMA-7X/V
R900974357 LFA16WEMA-7X/P10T10
R901094112 LFA16WEMA-7X/P08V
R901084874 LFA16WEMA-7X/P08T08
R900723897 LFA16WEMA-7X/P08
R900942826 LFA16WEMA-7X/F06
R900912736 LFA16WEMA-7X/
R901110390 LFA16WECA-7X/A12B12
R900765697 LFA16WEB-7X/V
R901138192 LFA16WEB-7X/P05T05
R900925273 LFA16WEB-7X/B12P12
R900956077 LFA16WEB-7X/B10P10
R900927161 LFA16WEB-7X/B10
R901143622 LFA16WEB-7X/B08P08T08V
R900912660 LFA16WEB-7X/B08P08
R900930129 LFA16WEB-7X/B06
R900912648 LFA16WEB-7X/
R900937811 LFA16WEA-7X/V
R900751462 LFA16WEA-7X/T10
R901060587 LFA16WEA-7X/T08
R901006597 LFA16WEA-7X/P20V
R901071152 LFA16WEA-7X/P12T18
R900912647 LFA16WEA-7X/P10
R900713957 LFA16WEA-7X/P08T08
R900959805 LFA16WEA-7X/P08
R900939614 LFA16WEA-7X/P07T07V
R900959876 LFA16WEA-7X/P07
R900972537 LFA16WEA-7X/P06T06
R900979645 LFA16WEA-7X/P05T05
R900732978 LFA16WEA-7X/A20
R900966752 LFA16WEA-7X/A15P15T10
R900923226 LFA16WEA-7X/A12P12T12
R900961074 LFA16WEA-7X/A12P12
R900956537 LFA16WEA-7X/A12P08
R900942616 LFA16WEA-7X/A12
R900976040 LFA16WEA-7X/A10T10
R900738270 LFA16WEA-7X/A10P12
R901036574 LFA16WEA-7X/A10P10T10
R900912645 LFA16WEA-7X/A10P10
R900912643 LFA16WEA-7X/A10
R900973107 LFA16WEA-7X/A08V
R900958560 LFA16WEA-7X/A08P08V
R901145184 LFA16WEA-7X/A08P08T08V
R900967627 LFA16WEA-7X/A08P08T08
R900952627 LFA16WEA-7X/A08P08
R900926781 LFA16WEA-7X/A08
R900912646 LFA16WEA-7X/A07P12
R900936649 LFA16WEA-7X/A07P07T07
R900787854 LFA16WEA-7X/A07
R900952622 LFA16WEA-7X/A06P06
R900912642 LFA16WEA-7X/A05P05
R901154325 LFA16WEA-7X/A05
R900932358 LFA16WEA-7X//12
R900910271 LFA16WEA-7X/
R900558639 LFA16QR11-6X/CA40D
R900618738 LFA16KWA-7X/V
R900959174 LFA16KWA-7X/P10X12
R900701677 LFA16KWA-7X/P10
R900765698 LFA16KWA-7X/A18P20
R900720891 LFA16KWA-7X/A15
R900970929 LFA16KWA-7X/A12P10X12
R900940479 LFA16KWA-7X/A10
R900968725 LFA16KWA-7X/A08P10X12
R900952626 LFA16KWA-7X/A08
R900932356 LFA16KWA-7X//12
R900912657 LFA16KWA-7X/
R900752066 LFA16HWMB2-7X/P12F07V
R900712082 LFA16HWMA2-7X/P10F10
R900931840 LFA16HWMA2-7X/P10
R900955717 LFA16HWMA2-7X/F12
R900962439 LFA16HWMA2-7X/F08
R900918038 LFA16HWMA2-7X/
R900979620 LFA16HWMA2-19-7X/P10F10
R900912649 LFA16H4-7X/FX10
R900712081 LFA16H4-7X/FX08
R901206319 LFA16H4-7X/FV
R900912653 LFA16H4-7X/F
R901012246 LFA16H3-7X/FX10
R900932354 LFA16H3-7X/F/12
R900912654 LFA16H3-7X/F
R900967388 LFA16H3-14-7X/FX15
R900949265 LFA16H2-7X/FX15
R900932427 LFA16H2-7X/FX12
R901063082 LFA16H2-7X/FX10V
R900912650 LFA16H2-7X/FX10
R900928461 LFA16H2-7X/FX08V
R900912656 LFA16H2-7X/FX08
R900925445 LFA16H2-7X/FX07
R900951236 LFA16H2-7X/FV
R900932352 LFA16H2-7X/F/12
R900912655 LFA16H2-7X/F
R901147241 LFA16H2-26-7X/FV
R901084621 LFA16H2-26-7X/F
R900926658 LFA16H2-14-7X/FX10
R900944172 LFA16H2-14-7X/FX08V
R900922624 LFA16H2-14-7X/F
R900945696 LFA16H2-13-7X/FJ
R900945669 LFA16H2-12-7X/FJX08
R900926439 LFA16H1-7X/FX10
R900922521 LFA16H1-7X/FX08
R901034016 LFA16H1-7X/FX07
R900912652 LFA16H1-7X/F
R900947252 LFA16GWB-7X/P08
R900927240 LFA16GWB-7X/B15P15
R901211525 LFA16GWB-7X/B08P10
R901065514 LFA16GWB-7X/B08
R900912734 LFA16GWB-7X/
R900921327 LFA16GWA-7X/V
R900955603 LFA16GWA-7X/T08
R900940086 LFA16GWA-7X/P15
R900953676 LFA16GWA-7X/P12V
R900936891 LFA16GWA-7X/P12
R900928152 LFA16GWA-7X/P10
R900728686 LFA16GWA-7X/P08T08
R901214212 LFA16GWA-7X/P07V
R901117636 LFA16GWA-7X/A20P20T10
R900707736 LFA16GWA-7X/A18P20
R900975523 LFA16GWA-7X/A15P15T15
R900945937 LFA16GWA-7X/A15P15
R900921868 LFA16GWA-7X/A15
R901047061 LFA16GWA-7X/A12P12T15
R900953233 LFA16GWA-7X/A12P12
R900930284 LFA16GWA-7X/A12
R900955027 LFA16GWA-7X/A10P12
R900912635 LFA16GWA-7X/A10P10
R900718406 LFA16GWA-7X/A10P08
R900927163 LFA16GWA-7X/A10
R900933372 LFA16GWA-7X/A08V
R901122940 LFA16GWA-7X/A08P08T08
R900936188 LFA16GWA-7X/A08P08
R900933142 LFA16GWA-7X/A08
R900912636 LFA16GWA-7X/
R900928219 LFA16GWA19-7X/
R901128716 LFA16GWA11-7X/A08
R901019588 LFA16G-7X/V
R900912637 LFA16G-7X/
R900978277 LFA16DZWB2-7X/210X
R901064375 LFA16DZ2-7X/210XY
R900755827 LFA16D9-7X/
R900939979 LFA16D8-7X/FX10
R900928924 LFA16D8-7X/F
R900933658 LFA16D-7X/J
R900975750 LFA16D-7X/FX15
R900922469 LFA16D-7X/FX12
R900931835 LFA16D-7X/FX10V
R900912626 LFA16D-7X/FX10
R900928459 LFA16D-7X/FX08V
R900927164 LFA16D-7X/FX08
R900929983 LFA16D-7X/FX07
R900973875 LFA16D-7X/FX06
R900930220 LFA16D-7X/FX05
R900942750 LFA16D-7X/FV
R900941225 LFA16D-7X/FJ
R900932350 LFA16D-7X/F/12
R900912625 LFA16D-7X/F
R900618740 LFA16D54-6X/FV
R900972334 LFA16D43-7X/FX08
R901190299 LFA16D33-7X/FX10V
R900911569 LFA16D22-7X/
R900925945 LFA16D19-7X/V
R900919722 LFA16D19-7X/
R901032116 LFA16D16-7X/FX12
R901010271 LFA16D16-7X/FX07V
R900965847 LFA16D16-7X/FX07
R901037756 LFA16D16-7X/FX06
R900967622 LFA16D16-7X/F
Предзаказ
Предзаказ успешно отправлен!
Имя *
Телефон *
Обратный звонок
Запрос успешно отправлен!
Имя *
Телефон *
Заказ в один клик

Настоящим подтверждаю, что я ознакомлен и согласен с условиями оферты и политики конфиденциальности.

С помощью уведомлений о заказе можно не только получать актуальную информацию по заказу, но и иметь быстрый канал связи с магазином