Разгрузочные клапаны
| Типоразмер | 6 |
| Серия изделия | 5X |
| Макс. рабочее давление | 350 бар |
| Максимальный расход | 40 л/мин |
| Типоразмер | 10, 20, 30 |
| Серия изделия | 5X |
| Макс. рабочее давление | 315 бар |
| Максимальный расход | 240 л/мин |
Разгрузочные гидравлические клапаны представляют собой клапаны давления с определенной разницей площадей основного плунжера и дополнительным обратным клапаном в конструкции. Разгрузочный клапаны давления находят свое применения в гидросистемах прессов, станков и другого технологического оборудования, где применяют гидропневматические аккумуляторы или насосы низкого и высокого давления. В Гидроответе можно купить по низким ценам несколько вариантов клапанов отключения давления: DA6 клапан представляет собой гидроклапан модульного монтажа по стандарту CETOP3, то есть Ду06. Клапаны DA10, DA20 и DA30 представляют собой гидроаппараты с пилотным управлением и предназначены для больших расходов. Их разновидности DAW10, DAW20 и DAW30 имеют дополнительного электромагнитный распределитель, который разгружает всю напорную магистраль в канале Р до клапана DAW.

Ниже подробнее приведено описание конструкции клапана DA (DAW) и даны гидросхемы с примерами применения.
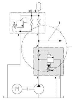
Клапаны отключения давления тип DA применяются в гидросистемах с гидроаккумуляторами давления. Клапаны типа DA осуществляют подачу рабочей жидкости из насоса в систему с гидроаккумулятором до тех пор, пока гидроаккумулятор не наполнится, а давление не достигнет заданного значения настройки гидроклапан. Из канала Р жидкость вначале поступает в обратный клапан, а затем в соединенный с каналом А гидроаккумулятор. На вспомогательном клапане устанавливается давление гидроаккумулятора (давление отключения). Через дроссель в основном поршне давление подается вначале на обратную сторону поршня, на которую действует пружина, а через другой жиклер - на конус предварительного управления. Когда заданное давление достигнуто, конус предварительного управления выталкивается из гнезда, в результате чего на основном поршне возникает перепад давления. Основной поршень движется вверх, открывая магистраль слива рабочей жидкости в бак. Контур гидроаккумулятора перекрывается обратным клапаном. Для того, чтобы разгруженный конус предварительного управления не закрывался, существующее в контуре гидроаккумулятора давление через магистраль управления, расположенную за обратным клапаном (она обозначена красными штрихами), подается на малый поршень конуса предварительного управления. С помощью малого поршня и штока конус отодвигается назад до тех пор, пока давление в гидроаккумуляторе не понизится благодаря расходу жидкости из аккумулятора до такого предела, который в процентном отношении соответствует разности площадей малого поршня и конуса предварительного управления. Затем основной конус закрывается и гидроаккумулятор наполняется.