DBETR(E) - Пропорциональный предохранительный клапан Ду6 с обратной связью
Клапан DBETR(E) является клапаном с пропорциональным электроуправлением и обратной связью по положению запорного элемента. Клапан регулирует DBETR(E) давление в системе. Пропорциональный предохранительный клапан DBETR работает с расходом до 3 л/мин и устанавливает на монтажную поверхность Ду6 (ISO 4401-03 или CETOP03). Все пропорциональные клапаны проходят испытания и настройку на стенде завода-изготовителя, что подтверждается соответствующими протоколами (предоставляется по запросу). Клапаны производятся в Китае на ведущем заводе-изготовителе гидроаппаратуры и являются качественными аналогами одноименного клапана известного немецкого бренда.
Серия изделия 1X
| Рабочее давление | 350 бар |
| Максимальный расход | 3 л/мин |
| Управление | 0...10В |
| Точность | 1,5 % |
| Быстродействие | 50-150 мс |
РЕЗУЛЬТАТЫ:
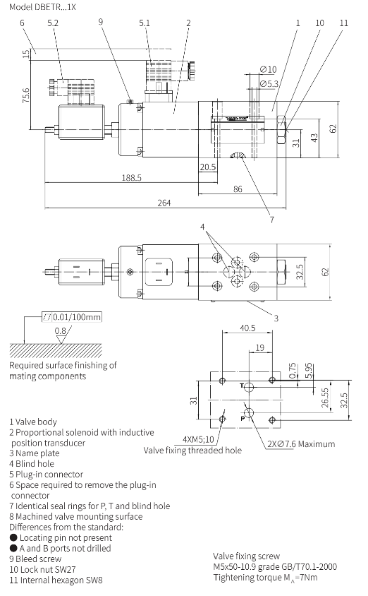
Пропорциональный предохранительный клапан DBETR представляет собой клапан дистанционного управления и тарельчатый клапан прямого действия для сброса давления. Клапан регулирует давление пропорционально значению электрической команды. Клапан состоит из корпуса клапана (1), пропорционального соленоида (2) с индуктивным датчиком положения (3), седла клапана (4) и тарельчатой головки клапана (5). Давление устанавливается с помощью потенциометра командного значения (от 0 до 9 В). Регулировка значения команды приводит к натяжению пружины сжатия (6) посредством управления электронным элементом и пропорциональным соленоидом (2). Натяжение пружины сжатия (6), т.е. положение пружинной пластины (7), измеряется индуктивным датчиком положения (3). Отклонения от заданного значения корректируются с помощью позиционного регулятора с замкнутым контуром. Использование этого принципа исключает влияние электромагнитного трения.

Пропорциональный предохранительный клапан DBETRE-1X функционально идентичен клапану DBETR. Этот клапан оснащен встроенным усилителем (OBE) и пропорционально регулирует давление с помощью внутреннего пропорционального соленоида (10) со встроенным датчиком LVDT. Электрические сигналы подключаются через 7-контактный разъем (11).
Преимущества:
- Низкий гистерезис
- Хорошая повторяемость
Если значение команды пропорционального соленоида равно нулю, или при отключении питания, или при обрыве кабеля датчика положения, его необходимо отрегулировать на минимальное заданное давление.
Обратите внимание! Чтобы обеспечить оптимальную работу клапана, при его использовании следует производить его прокачку:
‒ Снимите деталь 8
‒ Залейте масло в открытое резьбовое отверстие в точке 8
‒ Снова завинтите деталь 8, когда пузырьки перестанут появляться
‒ Не допускайте опорожнения бака.
В некоторых случаях при монтаже необходимо установить клапан обратного давления (обратное давление прибл. 2 бара).

Пропорциональный предохранительный клапан DBETR представляет собой клапан дистанционного управления и тарельчатый клапан прямого действия для сброса давления. Клапан регулирует давление пропорционально значению электрической команды. Клапан состоит из корпуса клапана (1), пропорционального соленоида (2) с индуктивным датчиком положения (3), седла клапана (4) и тарельчатой головки клапана (5). Давление устанавливается с помощью потенциометра командного значения (от 0 до 9 В). Регулировка значения команды приводит к натяжению пружины сжатия (6) посредством управления электронным элементом и пропорциональным соленоидом (2). Натяжение пружины сжатия (6), т.е. положение пружинной пластины (7), измеряется индуктивным датчиком положения (3). Отклонения от заданного значения корректируются с помощью позиционного регулятора с замкнутым контуром. Использование этого принципа исключает влияние электромагнитного трения.

Пропорциональный предохранительный клапан DBETRE-1X функционально идентичен клапану DBETR. Этот клапан оснащен встроенным усилителем (OBE) и пропорционально регулирует давление с помощью внутреннего пропорционального соленоида (10) со встроенным датчиком LVDT. Электрические сигналы подключаются через 7-контактный разъем (11).
Преимущества:
- Низкий гистерезис
- Хорошая повторяемость
Если значение команды пропорционального соленоида равно нулю, или при отключении питания, или при обрыве кабеля датчика положения, его необходимо отрегулировать на минимальное заданное давление.
Обратите внимание! Чтобы обеспечить оптимальную работу клапана, при его использовании следует производить его прокачку:
‒ Снимите деталь 8
‒ Залейте масло в открытое резьбовое отверстие в точке 8
‒ Снова завинтите деталь 8, когда пузырьки перестанут появляться
‒ Не допускайте опорожнения бака.
В некоторых случаях при монтаже необходимо установить клапан обратного давления (обратное давление прибл. 2 бара).

- Описание
- Код заказа
- Технические характеристики
- Графики
- Размеры, мм
- Дополнительно
Пропорциональный предохранительный клапан DBETR представляет собой клапан дистанционного управления и тарельчатый клапан прямого действия для сброса давления. Клапан регулирует давление пропорционально значению электрической команды. Клапан состоит из корпуса клапана (1), пропорционального соленоида (2) с индуктивным датчиком положения (3), седла клапана (4) и тарельчатой головки клапана (5). Давление устанавливается с помощью потенциометра командного значения (от 0 до 9 В). Регулировка значения команды приводит к натяжению пружины сжатия (6) посредством управления электронным элементом и пропорциональным соленоидом (2). Натяжение пружины сжатия (6), т.е. положение пружинной пластины (7), измеряется индуктивным датчиком положения (3). Отклонения от заданного значения корректируются с помощью позиционного регулятора с замкнутым контуром. Использование этого принципа исключает влияние электромагнитного трения.

Пропорциональный предохранительный клапан DBETRE-1X функционально идентичен клапану DBETR. Этот клапан оснащен встроенным усилителем (OBE) и пропорционально регулирует давление с помощью внутреннего пропорционального соленоида (10) со встроенным датчиком LVDT. Электрические сигналы подключаются через 7-контактный разъем (11).
Преимущества:
- Низкий гистерезис
- Хорошая повторяемость
Если значение команды пропорционального соленоида равно нулю, или при отключении питания, или при обрыве кабеля датчика положения, его необходимо отрегулировать на минимальное заданное давление.
Обратите внимание! Чтобы обеспечить оптимальную работу клапана, при его использовании следует производить его прокачку:
‒ Снимите деталь 8
‒ Залейте масло в открытое резьбовое отверстие в точке 8
‒ Снова завинтите деталь 8, когда пузырьки перестанут появляться
‒ Не допускайте опорожнения бака.
В некоторых случаях при монтаже необходимо установить клапан обратного давления (обратное давление прибл. 2 бара).










Ниже приведен список артикулов клапана Bosch Rexroth клапана DBETR(E), аналоги которых мы также можем предоставить или подобрать замену.
Если Вы нашли нужный артикул или код клапана в списке ниже или, наоборот, затрудняетесь это сделать - напишите нам, мы ответим оперативно.
| R900966782 | DBETRE-2X/80G24K31A1M |
| R900746441 | DBETRE-2X/350G24K31A1M |
| R900969418 | DBETRE-2X/315G24K31A1M |
| R900767780 | DBETRE-2X/30G24K31A1M |
| R900969417 | DBETRE-2X/250G24K31A1M |
| R900969416 | DBETRE-2X/180G24K31A1M |
| R900581719 | DBETR-1X/80G24K4V |
| R900433995 | DBETR-1X/80G24K4M-437 |
| R900334966 | DBETR-1X/80G24K4M |
| R900247337 | DBETR-1X/350G24K4V-437 |
| R900590105 | DBETR-1X/350G24K4V-409 |
| R900921742 | DBETR-1X/350G24K4M-437 |
| R900439219 | DBETR-1X/350G24K4M-409 |
| R900352424 | DBETR-1X/350G24K4M |
| R900599352 | DBETR-1X/315G24K4V-437 |
| R900373877 | DBETR-1X/315G24K4V-409 |
| R900332919 | DBETR-1X/315G24K4V |
| R900391822 | DBETR-1X/315G24K4M-437 |
| R900357796 | DBETR-1X/315G24K4M-409 |
| R900353691 | DBETR-1X/315G24K4M-381 |
| R900485944 | DBETR-1X/315G24K4M |
| R901194232 | DBETR-1X/30G24K4V |
| R900954438 | DBETR-1X/30G24K4M |
| R900496451 | DBETR-1X/25G24K4M |
| R900912278 | DBETR-1X/230G24K4M-677 |
| R900502817 | DBETR-1X/230G24K4M-409 |
| R900370146 | DBETR-1X/230G24K4M |
| R900528497 | DBETR-1X/180G24K4V-575 |
| R900357795 | DBETR-1X/180G24K4M-409 |
| R900474285 | DBETR-1X/180G24K4M-381 |
| R900491698 | DBETR-1X/180G24K4M |
