4WMM16, 4WMM25, 4WMM32 - Гидрораспределитель Ду 16, Ду 25 и Ду 32 с ручным управлением
Гидрораспределители 4/3, 4/2 с ручным управлением от рычага предназначены для направления потоков рабочей жидкости, то есть служат для управления направлением движения рабочих органов (например, гидроцилиндров). Имеют множество вариантов схем распределения потоков. Распределитель WMM16 устанавливает на монтажную поверхность Ду16 (ISO 4401-07 или CETOP07), в том числе и в качестве верхнего клапана, закрывающего столб из модульного набора клапанов. Аналогично: WMM25 - Ду25 (ISO 4401-08 или CETOP08) и WMM32 - Ду32 (ISO 4401-10 или CETOP10). Клапаны производятся в Китае на ведущем заводе-изготовителе гидроаппаратуры и являются качественными аналогами отечественных клапанов ВММ16, ВММ25, ВММ32 и одноименного клапана известного немецкого бренда.
Типоразмер 16, 25, 32
Серия 5X, 6X
Максимальное рабочее давление 315 бар
Максимальный расход 450 л/мин
| Типоразмер | 16, 25, 32 |
| Серия | 5X, 6X |
| Макс. рабочее давление | 315 бар |
| Максимальный расход | 450 л/мин |
РЕЗУЛЬТАТЫ:
Особенности:
- Золотниковый гидрораспределитель прямого управления с ручным управлением
- Расположение портов согласно DIN 24340, форме A и ISO 4401
- С пружинным возвратом или с фиксатором, на выбор
- Исполнительный механизм защищен от загрязнений и от попадания влаги
- Замена управляющей головки с исполнительным механизмом осуществляется без демонтажа самого распределителя
Принцип действия, разрезы
Клапаны типа WMM являются золотниковыми гидрораспределителями с ручным управлением. Они управляют пуском, остановом и направлением объемного расхода и состоят главным образом из корпуса (1), рукоятки (2), золотника (3) и одной или двух возвратных пружин (4). В отключенном состоянии золотник (3) удерживается возвратными пружинами (4) в центральном или исходном положении. Управление золотником (3) осуществляется с помощью рукоятки (2). Рукоятка действует через шарнирную опору и поршень (5) непосредственно на золотник (3), который вследствие этого смещается из нейтрального положения в требуемое конечное положение. После возвращения рукоятки (2) в нейтральное положение золотник (3) снова смещается возвратными пружинами (4) в нейтральное положение.
Тип H-4WMM../F.. (с фиксатором)
Гидрораспределители в данном исполнении представляют собой гидрораспределители с 2-мя или 3-мя положениями золотника и одним фиксатором (6), который удерживает золотник в этих положениях.

Особенности:
- Золотниковый гидрораспределитель прямого управления с ручным управлением
- Расположение портов согласно DIN 24340, форме A и ISO 4401
- С пружинным возвратом или с фиксатором, на выбор
- Исполнительный механизм защищен от загрязнений и от попадания влаги
- Замена управляющей головки с исполнительным механизмом осуществляется без демонтажа самого распределителя
Принцип действия, разрезы
Клапаны типа WMM являются золотниковыми гидрораспределителями с ручным управлением. Они управляют пуском, остановом и направлением объемного расхода и состоят главным образом из корпуса (1), рукоятки (2), золотника (3) и одной или двух возвратных пружин (4). В отключенном состоянии золотник (3) удерживается возвратными пружинами (4) в центральном или исходном положении. Управление золотником (3) осуществляется с помощью рукоятки (2). Рукоятка действует через шарнирную опору и поршень (5) непосредственно на золотник (3), который вследствие этого смещается из нейтрального положения в требуемое конечное положение. После возвращения рукоятки (2) в нейтральное положение золотник (3) снова смещается возвратными пружинами (4) в нейтральное положение.
Тип H-4WMM../F.. (с фиксатором)
Гидрораспределители в данном исполнении представляют собой гидрораспределители с 2-мя или 3-мя положениями золотника и одним фиксатором (6), который удерживает золотник в этих положениях.

- Описание
- Код заказа
- Технические характеристики
- Графики
- Размеры, мм
- Фото
- Дополнительно
Особенности:
- Золотниковый гидрораспределитель прямого управления с ручным управлением
- Расположение портов согласно DIN 24340, форме A и ISO 4401
- С пружинным возвратом или с фиксатором, на выбор
- Исполнительный механизм защищен от загрязнений и от попадания влаги
- Замена управляющей головки с исполнительным механизмом осуществляется без демонтажа самого распределителя
Принцип действия, разрезы
Клапаны типа WMM являются золотниковыми гидрораспределителями с ручным управлением. Они управляют пуском, остановом и направлением объемного расхода и состоят главным образом из корпуса (1), рукоятки (2), золотника (3) и одной или двух возвратных пружин (4). В отключенном состоянии золотник (3) удерживается возвратными пружинами (4) в центральном или исходном положении. Управление золотником (3) осуществляется с помощью рукоятки (2). Рукоятка действует через шарнирную опору и поршень (5) непосредственно на золотник (3), который вследствие этого смещается из нейтрального положения в требуемое конечное положение. После возвращения рукоятки (2) в нейтральное положение золотник (3) снова смещается возвратными пружинами (4) в нейтральное положение.
Тип H-4WMM../F.. (с фиксатором)
Гидрораспределители в данном исполнении представляют собой гидрораспределители с 2-мя или 3-мя положениями золотника и одним фиксатором (6), который удерживает золотник в этих положениях.


Графические изображения исполнения золотника

Общие
| Условные проходы | Ду 16 | Ду 25 | Ду 32 | |
| Вес, кг | прибл. 8 | прибл. 12,2 | прибл. 49 | |
| Монтажное положение | любое | |||
| Диапазон температуры окружающей среды, °C | от –30 до + 80 (уплотнения из NBR) | |||
| Приводное усилие | – с пружинным озвратом, Н | макс. 75 | макс. 105 | макс. 150 |
| – с фиксатором, Н | прибл. 75 | прибл. 105 | прибл. 100 | |
| Угол поворота управляющей рукоятки из центрального положения, ° | 2 x 26 | 2 x 24,5 | 2 x 25 | |
Гидравлические
| Максимальное рабочее давление | – Каналы A, B, P | бар | 350 | |||
| – Канал T | бар | 250 При давлении на сливе > 160 бар контроль положения золотника выполняется через порт L (Условный проход 16) или порт Y (Условный проход 25 и 32)! | ||||
| Максимальный объемный расход | л/мин | 300 | 450 | 1100 | ||
| Рабочая жидкость | Рабочая жидкость на минеральной основе (HL, HLP) согласно DIN 51524 | |||||
| Диапазон температуры рабочей жидкости | °C | от –30 до +80 (уплотнения из NBR) | ||||
| Диапазон вязкости | мм2/с | от 2,8 до 380 | ||||
| Максимально доп. степень загрязнения рабочей жидкости, класс чистоты согласно ISO 4406 (c) | Kласс 20/18/15 | |||||
| Площадь проходного сечения | – символ Q (A/B → T) | мм2 | 32 | 78 | 116 | |
| – символ V | (A/B → T) | мм2 | 32 | 73 | 136 | |
| (P → A/B) | мм2 | 32 | 84 | 120 | ||
| – символ W (A/B → T) | мм2 | 6 | 10 | 20 | ||
*) В гидравлических системах необходимо соблюдать указанные классы чистоты рабочих жидкостей. Благодаря эффективной фильтрации снижается вероятность повреждений и продлевается срок службы гидроагрегатов.
Типоразмер 16 (измерения получены с HLP46, масла = 40°C ± 5°C)

Предельные характеристики: Условный проход 16 (измерения получены с HLP46, Jмасла = 40°C ± 5°C)
Из-за эффекта «залипания» функция переключения распределителей зависит от качества фильтрации. Для дости- жения указанного допустимого объемного расхода рекомендуется полнопоточная фильтрация 25 мкм. Гидродина мические силы, действующие в распределителях, также влияют на характеристики потока. Значения характеристик потока, указанные для 4-линейных гидрораспределите- лей, действительны для стандартного применения с 2-мя направлениями потока (например, от P к A и одновремен- но обратного потока от B к T) (см. таблицу). При наличии только одного направления потока характеристика потока значительно меньше (например, если 4-линейный гидрораспределитель используется в качестве 3-линейного при блокировке порта A или B).

Типоразмер 25 (измерения получены с HLP46, масла = 40°C ± 5°C)

Предельные характеристики: Условный проход 25 (измерения получены с HLP46, Jмасла = 40°C ± 5°C)
Из-за эффекта «залипания» функция переключения распределителей зависит от качества фильтрации. Для достижения указанного допустимого объемного расхода рекомендуется полнопоточная фильтрация 25 мкм. Гидродинамические силы, действующие в распределителях, также влияют на характеристики потока. Значения характеристик потока, указанные для 4-линейных гидрораспределителей, действительны для стандартного применения с 2-мя направлениями потока (например, от P к A и одновременно обратного потока от B к T) (см. таблицу). При наличии только одного направления потока характеристика потока значительно меньше (например, если 4-линейный гидрораспределитель используется в качестве 3-линейного при блокировке порта A или B).

Типоразмер 32 (измерения получены с HLP46, Jмасла = 40°C ± 5°C)

Предельные характеристики: Условный проход 32 (измерения получены с HLP46, Jмасла = 40°C ± 5°)
Из-за эффекта «залипания» функция переключения рас- пределителей зависит от качества фильтрации. Для до стижения указанного допустимого объемного расхода рекомендуется полнопоточная фильтрация 25 мкм. Ги дродинамические силы, действующие в распределителях, также влияют на характеристики потока. Значения характеристик потока, указанные для 4-линейных гидрораспределителей, действительны для стандартного применения с 2-мя направлениями потока (напри- мер, от P к A и одновременно обратного потока от B к T) (см. таблицу). При наличии только одного направления по- тока характеристика потока значительно меньше (напри мер, если 4-линейный гидрораспределитель используется в качестве 3-линейного при блокировке порта A или B).

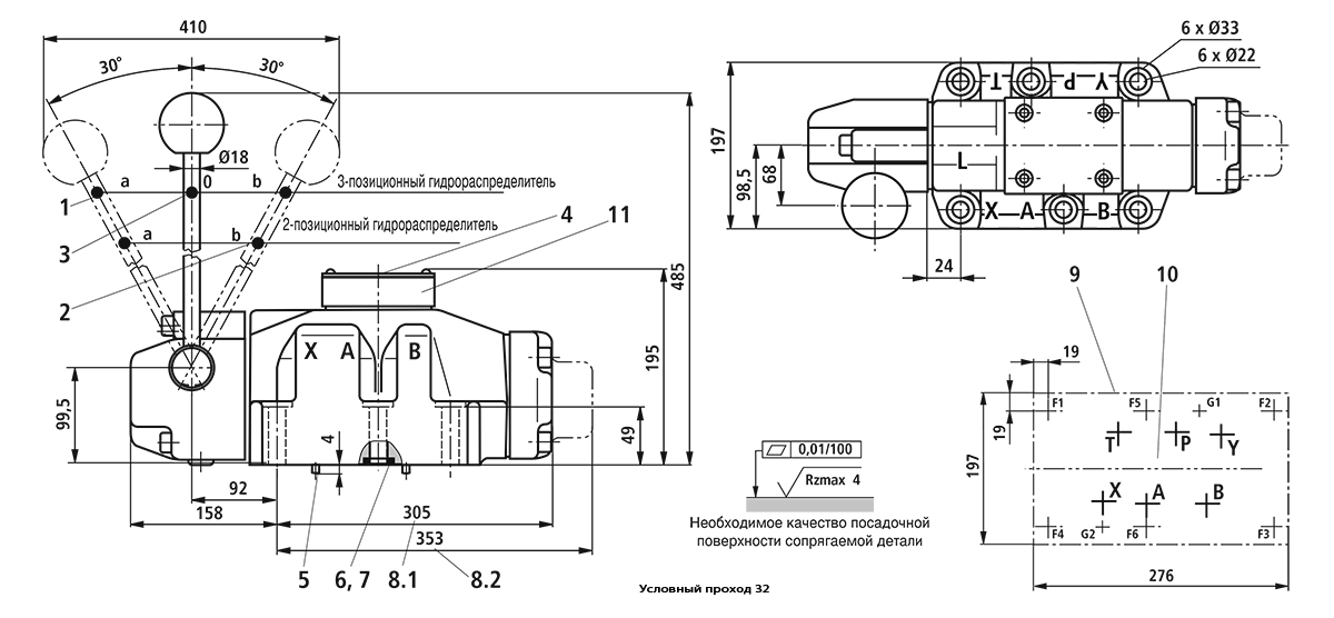
Условный проход 16

1. Положение золотника a
2. Положение золотника b
3. Положение золотника 0
4. Заводская табличка
5. 2 установочных штифта Ø3
6. Одинаковые уплотнительные кольца для портов A, B, P и T
7. Одинаковые уплотнительные кольца для портов L, X и Y
8.1. Размер для 3-позиционного гидрораспределителя
8.2. Размер для 2-позиционного гидрораспределителя с пружинным возвратом
9. Обработанная опорная поверхность распределителя
10. Положение присоединений в соответствии с DIN 24340 форма A16 и ISO 4401-07-07-0-05
Крепежные винты гидрораспределителя (заказываются отдельно):
4 болта с шестигранной головкой ISO 4762 - M10 x 60 - 10.9-flZn-240h-L Коэффициент трения µges = от 0,09 до 0,14, Момент затяжки MA = 75 Нм
2 болта с шестигранной головкой ISO 4762 - M6 x 60 - 10.9, Коэффициент трения µges = от 0,09 до 0,14, Момент затяжки MA = 12,5 Нм
Условный проход 25

- Положение золотника a
- Положение золотника b
- Положение золотника 0
- Заводская табличка
- 2 штифта Ø6
- Одинаковые уплотнительные кольца для портов A, B, P и T
- Одинаковые уплотнительные кольца для портов X и Y
- Обработанная опорная поверхность распределителя
- Положение присоединений в соответствии с DIN 24340 форма A25 и ISO 4401-08-08-0-05
Крепежные винты гидрораспределителя (заказываются отдельно):
6 болтов с шестигранной головкой ISO 4762 - M12 x 60 - 10.9-flZn-240h-L Коэффициент трения µges = от 0,09 до 0,14, Момент затяжки MA = 130 Нм.
Условный проход 32

1. Положение золотника a
2. Положение золотника b
3. Положение золотника 0
4. Заводская табличка
5. 2 установочных штифта Ø6
6. Одинаковые уплотнительные кольца для портов A, B, P и T
7. Одинаковые уплотнительные кольца для портов X и Y
8.1. Размер для 2-позиционного и 3-позиционного гидро- распределителя со стопором и для 3-позиционного гидрораспределителя с пружинным возвратом
8.2. Размер для 2-позиционного гидрораспределителя с пружинным возвратом
9 .Обработанная опорная поверхность распределителя
10. Положение присоединений в соответствии с DIN 24340 форма A32 и ISO 4401-10-09-0-05
11. Направляющая плита
Крепежные винты гидрораспределителя (заказываются отдельно):
6 болтов с шестигранной головкой ISO 4762 - M20 x 80 - 10.9-flZn-240h-L Коэффициент трения µges = от 0,09 до 0,14 Момент затяжки MA = 160 Нм


На сайте представлены далеко не все варианты клапанов Рексрот*, аналоги которых мы предлагаем.
Ниже приведен список артикулов клапана Bosch Rexroth 4WMM16, 4WMM25, 4WMM32, аналоги которых мы также можем предоставить или подобрать замену.
Если Вы нашли нужный артикул или код клапана в списке ниже или, наоборот, затрудняетесь это сделать - напишите нам, мы ответим оперативно.
| R978902114 | H-4WMM16C7X/V | R900923995 | H-4WMM16Q7X/ | R900247210 | H-4WMM22H7X/ | R900573820 | H-4WMM32H5X/F |
| R901267005 | H-4WMM16D7X//V | R900964722 | H-4WMM16Q7X//V | R901444580 | H-4WMM22H7X//V | R900513721 | H-4WMM32J5X//V |
| R900939136 | H-4WMM16D7X/F/V | R901154182 | H-4WMM16Q7X/F | R900967207 | H-4WMM22H7X/F | R900441881 | H-4WMM32J5X/F |
| R901405315 | H-4WMM16D7X/FQMAG24 | R900979689 | H-4WMM16R7X//V | R900959482 | H-4WMM22J7X//V | R900525216 | H-4WMM32J5X/F/V |
| R900964726 | H-4WMM16E7X//V | R900720331 | H-4WMM16R7X/F | R900948930 | H-4WMM22J7X/F/V | R900937538 | H-4WMM32L5X/ |
| R900941056 | H-4WMM16E7X/F/V | R978900498 | H-4WMM16S7X/ | R901262839 | H-4WMM22L7X/ | R901300443 | H-4WMM32M5X/F/V |
| R900721006 | H-4WMM16E7X/FQMAG24 | R900949642 | H-4WMM16S7X/F | R900957326 | H-4WMM22L7X/F | R901426379 | H-4WMM32M5X=F/V |
| R900700936 | H-4WMM16E7X/QMAG24 | R900969637 | H-4WMM16T7X//V | R901075027 | H-4WMM22M7X/ | R901118000 | H-4WMM32Q5X/ |
| R900249823 | H-4WMM16E7X/QMAG24/V | R901059214 | H-4WMM16T7X/F/V | R901234160 | H-4WMM22M7X/F/V | R900496403 | H-4WMM32T5X/ |
| R901361844 | H-4WMM16E7X=F | R900934108 | H-4WMM16U7X//V | R901037542 | H-4WMM22P7X/F | R901126008 | H-4WMM32T5X/F |
| R901033770 | H-4WMM16F7X/F/V | R900978088 | H-4WMM16U7X/F | R901039298 | H-4WMM22Q7X/ | R901064280 | H-4WMM32W5X/ |
| R901060751 | H-4WMM16G7X//V | R901402809 | H-4WMM16W48-7X//V | R900976605 | H-4WMM22R7X/ | R900534824 | H-4WMM32W5X/F |
| R900776881 | H-4WMM16G7X/F/V | R901328129 | H-4WMM16W7X//V | R900710672 | H-4WMM22S11-7X/ | R978900579 | H-4WMM16C7X/F/V |
| R901233819 | H-4WMM16G7X/FQMAG24 | R901243928 | H-4WMM16W7X/F/V | R900752334 | H-4WMM22T7X/ | R978917969 | H-4WMM16F7X/ |
| R901437299 | H-4WMM16H7X//V | R901155517 | H-4WMM22C7X/ | R900967006 | H-4WMM22T7X/F | R978900402 | H-4WMM16G7X/V |
| R900927137 | H-4WMM16J7X//V | R901355967 | H-4WMM22C7X//V | R900956909 | H-4WMM22W7X/F | R987378968 | H-4WMM16J7X/FSO47-240 |
| R900952459 | H-4WMM16J7X/F/V | R900722769 | H-4WMM22C7X/F | R900552752 | H-4WMM32C5X/ | R978915086 | H-4WMM22C7X/ |
| R901248978 | H-4WMM16J7X/FQMAG24 | R978007727 | H-4WMM22C7X/F/VS043A-1688 | R900435179 | H-4WMM32C5X/F | R978915499 | H-4WMM22C7X/F/V |
| R901343689 | H-4WMM16J7X/QMAG24 | R900772344 | H-4WMM22D7X/F/V | R900406245 | H-4WMM32D5X/F | R978918727 | H-4WMM22C7X/SO43A-1688 |
| R978909239 | H-4WMM16L7X/ | R900752335 | H-4WMM22E7X/SO12 | R900582611 | H-4WMM32D5X/F/V | R978917190 | H-4WMM22G7X/F/V |
| R901171116 | H-4WMM16L7X//V | R900957897 | H-4WMM22E7X//V | R900455716 | H-4WMM32E5X/ | R978916742 | H-4WMM22J11-7X/SO43A-290-1 |
| R900932921 | H-4WMM16L7X/F | R901000219 | H-4WMM22E7X//VT12 | R900589373 | H-4WMM32E5X//V | R978900502 | H-4WMM22V6X/ |
| R900958238 | H-4WMM16M7X/F | R900713421 | H-4WMM22E7X/F/V | R900501751 | H-4WMM32E5X//VSO12 | R978900501 | H-4WMM22V6X/F |
| R901275200 | H-4WMM16M7X/QMAG24 | R900710671 | H-4WMM22E7X/FQMAG24 | R900452504 | H-4WMM32E5X/FSO12 | R978907846 | H-4WMM22W6X/ |
| R900925892 | H-4WMM16P7X/ | R901040737 | H-4WMM22F7X/ | R900432295 | H-4WMM32F5X/ | R978852307 | H-4WMM22W6X/F/V |
