Гидрозамок модульный с электроуправлением
| Типоразмер | 6, 10 |
| Серия изделия | 2X |
| Макс. рабочее давление | 210 бар |
| Максимальный расход: | 30 л/мин |
РЕЗУЛЬТАТЫ:
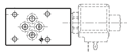
Клапаны JYT-NG - гидрораспределители 2/2 с электромагнитами постоянного тока, которые предназначены для герметичного запирания масла в каналах А или B при модульном монтаже гидроаппаратов, то есть служат для исключения движения рабочих органов при внешней нагрузке или при перетечках в гидросистеме. Обычно применяются в паре с пропорциональными гидрораспределитеями. Имеют два варианта исполнения: в канале B (односторонний) и в канала А и В (двухсторонний). Управляемые электрические замки JYT-NG6-VC10 устанавливается на монтажную поверхность Ду6 (ISO 4401-03 или CETOP03) в столб из модульного набора клапанов. Седельные клапаны JYT-NG10-VC12 имеют монтаж по стандарту (ISO 4401-05 или CETOP05). Данные модульные клапаны производятся в Китае на ведущем заводе-изготовителе гидроаппаратуры.

Клапаны JYT-NG - гидрораспределители 2/2 с электромагнитами постоянного тока, которые предназначены для герметичного запирания масла в каналах А или B при модульном монтаже гидроаппаратов, то есть служат для исключения движения рабочих органов при внешней нагрузке или при перетечках в гидросистеме. Обычно применяются в паре с пропорциональными гидрораспределитеями. Имеют два варианта исполнения: в канале B (односторонний) и в канала А и В (двухсторонний). Управляемые электрические замки JYT-NG6-VC10 устанавливается на монтажную поверхность Ду6 (ISO 4401-03 или CETOP03) в столб из модульного набора клапанов. Седельные клапаны JYT-NG10-VC12 имеют монтаж по стандарту (ISO 4401-05 или CETOP05). Данные модульные клапаны производятся в Китае на ведущем заводе-изготовителе гидроаппаратуры.

- Описание
- Код заказа
- Технические характеристики
Клапаны JYT-NG - гидрораспределители 2/2 с электромагнитами постоянного тока, которые предназначены для герметичного запирания масла в каналах А или B при модульном монтаже гидроаппаратов, то есть служат для исключения движения рабочих органов при внешней нагрузке или при перетечках в гидросистеме. Обычно применяются в паре с пропорциональными гидрораспределитеями. Имеют два варианта исполнения: в канале B (односторонний) и в канала А и В (двухсторонний). Управляемые электрические замки JYT-NG6-VC10 устанавливается на монтажную поверхность Ду6 (ISO 4401-03 или CETOP03) в столб из модульного набора клапанов. Седельные клапаны JYT-NG10-VC12 имеют монтаж по стандарту (ISO 4401-05 или CETOP05). Данные модульные клапаны производятся в Китае на ведущем заводе-изготовителе гидроаппаратуры.

| JYT-NG6-VC10-AB-00 |
| JYT-NG6-VC10-A-00 |
| JYT-NG10-VC12-AB-00 |
| JYT-NG10-VC12-A-00 |
Рабочее давление - 350 бар
Расход 70 л/мин для Ду06 и 150 л/мин для Ду10
Напряжение питания 24В постоянного тока
Материал блока - сталь 45
Картриджные клапаны JSV10-D28 и JSV12-D28
