SQP - Пластинчатые насосы (аналог Tokyo Keiki)
Предлагаемые пластинчатые нерегулируемые насосы SQP производятся в Китае на ведущем заводе-изготовителе гидромашин и являются качественной альтернативой пластинчатым насосам компании Tokyo Keiki (TOKIMEC). Постоянная подача, высокий ресурс подшипников, низкий уровень шума, высокий КПД, расположение выходов - по выбору, исполнения с правым или левым вращением.
Одиночная или сдвоенная конструкция
Шпоночный или шлицевой вал
Уплотнения NBR или FKM
| Подача (расход) | до 340 л/мин |
| Номинальное давление | 160 бар |
| Скорость вращения | до 1800 об/мин |
РЕЗУЛЬТАТЫ:
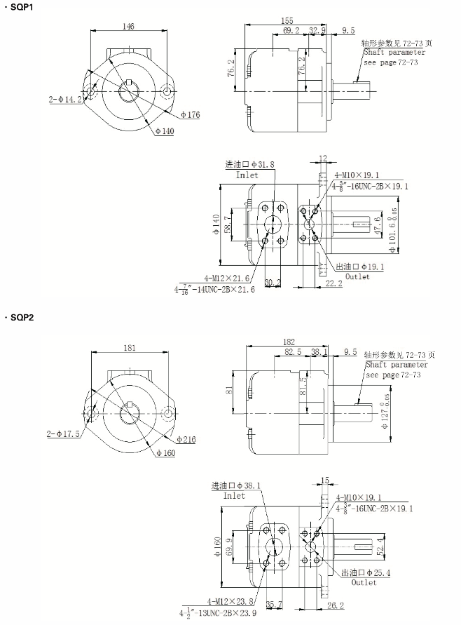
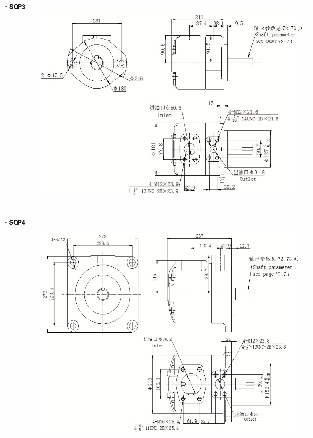
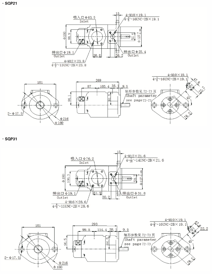
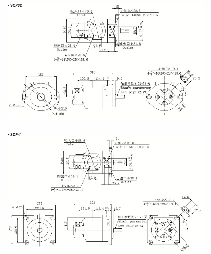
Tokimec Sqp насосы серий Sqp1 Sqp2 Sqp3 Sqp4 Sqp21 Sqp31 Sqp32 Sqp41 Sqp42 Sqp4
Насос SQP - это тип малошумного, высокопроизводительного гидравлического лопастного насоса, широко используемого в промышленном оборудовании, таком как машины для формования пластмасс и литья под давлением, известного своей бесшумной работой, энергоэффективностью и простотой обслуживания благодаря конструкции сменного картриджа. Доступные в одинарной, двойной конфигурациях, насосы SQP отличаются гибкостью и надежностью, а также такими опциями, как реверсивное вращение для специализированных систем, что делает их популярным выбором для различных промышленных гидравлических систем.

Tokimec Sqp насосы серий Sqp1 Sqp2 Sqp3 Sqp4 Sqp21 Sqp31 Sqp32 Sqp41 Sqp42 Sqp4
Насос SQP - это тип малошумного, высокопроизводительного гидравлического лопастного насоса, широко используемого в промышленном оборудовании, таком как машины для формования пластмасс и литья под давлением, известного своей бесшумной работой, энергоэффективностью и простотой обслуживания благодаря конструкции сменного картриджа. Доступные в одинарной, двойной конфигурациях, насосы SQP отличаются гибкостью и надежностью, а также такими опциями, как реверсивное вращение для специализированных систем, что делает их популярным выбором для различных промышленных гидравлических систем.

- Описание
- Код заказа
- Технические характеристики
- Размеры, мм
- Видео в категории
- Фото
Tokimec Sqp насосы серий Sqp1 Sqp2 Sqp3 Sqp4 Sqp21 Sqp31 Sqp32 Sqp41 Sqp42 Sqp4
Насос SQP - это тип малошумного, высокопроизводительного гидравлического лопастного насоса, широко используемого в промышленном оборудовании, таком как машины для формования пластмасс и литья под давлением, известного своей бесшумной работой, энергоэффективностью и простотой обслуживания благодаря конструкции сменного картриджа. Доступные в одинарной, двойной конфигурациях, насосы SQP отличаются гибкостью и надежностью, а также такими опциями, как реверсивное вращение для специализированных систем, что делает их популярным выбором для различных промышленных гидравлических систем.

Одиночный насос SQP

Сдвоенный насос SQP


Одиночный насос SQP

Сдвоенные насосы SQP

Одиночный насос SQP


Сдвоенный насос SQP



