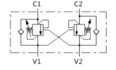
VBCD - Сдвоенный подпорно-тормозной клапан трубного монтажа
Клапаны VBCD имеют трубный монтаж и устанавливаются непосредственно рядом с гидроцилиндром или гидромотором. Контрбалансные клапаны VBCD служат для организации гидравлического подпора при наличии попутной нагрузки на рабочий орган. Гидроцилиндр не будет вытягиваться или гидромотор не будет крутиться неконтролируемо, если есть вытягивающая сила, за счет применения данных клапанов. Но когда попутная нагрузка отсутствует, клапан не создает давление сопротивления.
Типоразмер G1/4 - G3/4
Максимальное давление 350 бар
Максимальный расход: 100 л/мин
Материал: сталь
| Резьба | G1/4 - G3/4 |
| Макс. рабочее давление | 350 бар |
| Максимальный расход | 100 л/мин |
РЕЗУЛЬТАТЫ:
Эти клапаны служат для управления движением привода, позволяя блокировать или разблокировать его. Для обеспечения контролируемого опускания груза клапан эффективно предотвращает любую форму кавитации внутри привода, тем самым предотвращая смещение веса груза.

Эти клапаны служат для управления движением привода, позволяя блокировать или разблокировать его. Для обеспечения контролируемого опускания груза клапан эффективно предотвращает любую форму кавитации внутри привода, тем самым предотвращая смещение веса груза.

- Описание
- Код заказа
- Технические характеристики
- Графики
- Размеры, мм
Эти клапаны служат для управления движением привода, позволяя блокировать или разблокировать его. Для обеспечения контролируемого опускания груза клапан эффективно предотвращает любую форму кавитации внутри привода, тем самым предотвращая смещение веса груза.





