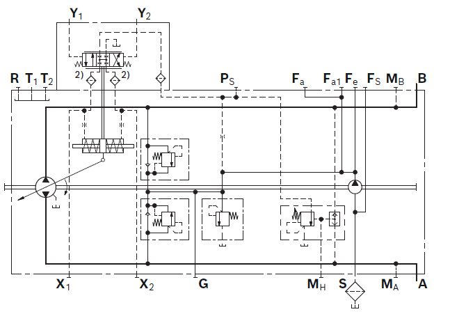
A4VG - насос регулируемый для замкнутого контура
Предлагаемые аксиально-поршневые регулируемые насосы A4VG производятся в Китае на ведущем заводе-изготовителе гидромашин и являются качественными аналогами одноименного гидронасоса известного немецкого бренда. При выпуске все аксиально-поршневые гидромашины проходят выходные испытания на специальном гидростенде.
Рабочий объем от 56 до 125 см3
Серия 32
Номинальное давление 400 бар
Максимальное давление 450 бар
Закрытый контур
| Рабочий объем | от 56 до 125 см3 |
| Серия | 32 |
| Номинальное давление | 400 бар |
| Максимальное давление | 450 бар |
| Контур | закрытый |
РЕЗУЛЬТАТЫ:
- Интегрированный подпиточный насос для подвода рабочей жидкости в контур управления
- Изменение направления движения потока при изменении угла наклона шайбы с возвратом в нейтральное положение
- Предохранительные клапаны с интегрированной функцией подпитки
- В серийном исполнении с регулируемой отсечкой давления
- Клапан ограничения давления подпитки
- Проходной вал для установки дополнительных насосов до такого же номинального размера
- Многочисленные варианты регуляторов
- Исполнение с наклонной шайбой
| A4VG105EP4D1/32R-NZF02F001SH-S | R902122726 |
| A4VG110EV2DPR00/40MRND6V81FC6S7AD00-0 | R902136765 |
| A4VG125DA1D2/32L-NZF02F021FH | R902085567 |
| A4VG125DA1D2/32R-NSF02F001SH | R902061546 |
| A4VG125DA1D2/32R-NTF02F691SH | R902061545 |
| A4VG125DA1D2/32R-NZF02F011SH | R902055416 |
| A4VG125DA1D2/32R-NZF02F041FH | R902087236 |
| A4VG125DA1D2/32R-NZF02F041SH | R902070408 |
| A4VG125DA1D3L/32R-NSF02F071SH | R902096063 |
| A4VG125DA1D4/32R-NZF02F021SH | R902117081 |
| A4VG125DA1D8/32L-NZF02F011SH | R902074149 |
| A4VG125DA1D8/32L-NZF02F011SH | R902055432 |
| A4VG125DA1D8/32R-NSF02F011SH | R902071923 |
| A4VG125DA1D8/32R-NSF02F011SP | R902138960 |
| A4VG125DA1D8/32R-NSF02F071DH | R902133208 |
| A4VG125DA1D8/32R-NZF02F021SH | R902055435 |
| A4VG125DA1DM4/32R-NAF02F041SH | R902055411 |
| A4VG125DA1DM8/32R-NSF02F071MH | R902108028 |
| A4VG125DA1DMT4/32R-NZF02F021FH | R902055409 |
| A4VG125DA1DMT8/32R-NZF02F021DH | R902055410 |
| A4VG125DA1DMT8/32R-NZF02F021FH | R902064335 |
| A4VG125DA1DT7/32R-NZF02F021FH | R902150733 |
| A4VG125DA2D2/32L-NAF02F001SH | R902067432 |
| A4VG125DA2D2/32L-NAF02F011DH | R902068045 |
| A4VG125DA2D2/32L-NAF02F021DH | R902072933 |
| A4VG125DA2D2/32L-NAF02F021DT *AL* | R902120367 |
| A4VG125DA2D2/32L-NAF02F691DH | R902119296 |
| A4VG125DA2D2/32L-NZF02F001DH | R902055463 |
| A4VG125DA2D2/32L-NZF02F001SH | R902055464 |
| A4VG125DA2D2/32L-NZF02F011SH | R902055466 |
| A4VG125DA2D2/32L-NZF02F021SH | R902055467 |
| A4VG125DA2D2/32L-NZF02F041SH | R902055470 |
| A4VG125DA2D2/32L-NZF02F071SH | R902053363 |
| A4VG125DA2D2/32R-NAF02F021DH | R902066526 |
| A4VG125DA2D2/32R-NAF02F021DT | R902079860 |
| A4VG125DA2D2/32R-NAF02F021SH | R902074465 |
| A4VG125DA2D2/32R-NAF02F691DH | R902099776 |
| A4VG125DA2D2/32R-NAF02F691SH | R902055477 |
| A4VG125DA2D2/32R-NSF02F001DH | R902066945 |
| A4VG125DA2D2/32R-NSF02F001DH-S | R902055481 |
| A4VG125DA2D2/32R-NSF02F001DP | R902106293 |
| A4VG125DA2D2/32R-NSF02F001SH | R902062535 |
| A4VG125DA2D2/32R-NSF02F011DH | R902067360 |
| A4VG125DA2D2/32R-NSF02F021DP | R902108036 |
| A4VG125DA2D2/32R-NSF02F021LH | R902108350 |
| A4VG125DA2D2/32R-NSF02F021SH | R902055482 |
| A4VG125DA2D2/32R-NSF02F041DH | R902079912 |
| A4VG125DA2D2/32R-NSF02F041PH | R902061636 |
| A4VG125DA2D2/32R-NSF02F071DP | R902131917 |
| A4VG125DA2D2/32R-NSF02F071LH | R902064370 |
| A4VG125DA2D2/32R-NSF02F071PH | R902055535 |
| A4VG125DA2D2/32R-NSF02F071SH | R902055484 |
| A4VG125DA2D2/32R-NSF02F691DP | R902120442 |
| A4VG125DA2D2/32R-NSF02F691SH | R902055485 |
| A4VG125DA2D2/32R-NTF02F691SH | R902062534 |
| A4VG125DA2D2/32R-NZF02F011SH | R902055489 |
| A4VG125DA2D2/32R-NZF02F021FH | R902055490 |
| A4VG125DA2D2/32R-NZF02F041LH | R902074328 |
| A4VG125DA2D2/32R-NZF02F041SH | R902055495 |
| A4VG125DA2D2/32R-NZF02F071SH | R902055496 |
| A4VG125DA2D2/32R-NZF02K021EH | R902085796 |
| A4VG125DA2D3L/32R-NAF02F041SH | R902055499 |
| A4VG125DA2D4/32R-NZF02F001SH | R902055601 |
| A4VG125DA2D4/32R-NZF02F011SH | R902105154 |
| A4VG125DA2D7/32L-NZF02F071SH | R902055603 |
| A4VG125DA2D7/32R-NZF02F011SH | R902063239 |
| A4VG125DA2D7/32R-NZF02F021SH | R902055604 |
| A4VG125DA2D7/32R-NZF02F021SP | R902085522 |
| A4VG125DA2D7/32R-NZF02F691SH | R902055605 |
| A4VG125DA2D8/32L-NZF02F001LH | R902055606 |
| A4VG125DA2D8/32R-NAF02F011SH | R902072798 |
| A4VG125DA2D8/32R-NAF02F011SH | R902055607 |
| A4VG125DA2D8/32R-NAF02F021SH | R902055608 |
| A4VG125DA2D8/32R-NAF02F691LH | R902090736 |
| A4VG125DA2D8/32R-NSF02F001FH | R902061934 |
| A4VG125DA2D8/32R-NSF02F041MH | R902074388 |
| A4VG125DA2D8/32R-NSF02F071MH | R902068455 |
| A4VG125DA2D8/32R-NSF02F071PH | R902055609 |
| A4VG125DA2D8/32R-NTF02F071FP | R902120398 |
| A4VG125DA2D8/32R-NZF02F011SH | R902055611 |
| A4VG125DA2D8/32R-NZF02F071SH | R902055612 |
| A4VG125DA2DM2/32R-NZF02F071DH | R902055531 |
| A4VG125DA2DM2/32R-NZF02F071FH | R902072975 |
| A4VG125DA2DM2/32R-NZF02F691DH | R902064072 |
| A4VG125DA2DM4/32R-NAF02F071MH | R902055439 |
| A4VG125DA2DM4/32R-NZF02F021PH | R902146095 |
| A4VG125DA2DM8/32R-NAF02F011SH | R902055441 |
| A4VG125DA2DM8/32R-NSF02F071MH | R902112748 |
| A4VG125DA2DMT2/32L-NZF02F001SH | R902055436 |
| A4VG125DA2DMT4/32R-NAF02F041DH | R902055437 |
| A4VG125DA2DMT7/32L-NZF02F021LH-S | R902090860 |
| A4VG125DA2DMT7/32R-NZF02F021SH | R902063326 |
| A4VG125DA2DMT8/32L-NSF02F021LH | R902072769 |
| A4VG125DA2DMT8/32R-NZF02F021DH | R902055438 |
| A4VG125DA2DT2/32L-NSF02F001DH | R902074396 |
| A4VG125DA2DT2/32L-NZF02F001DH | R902055442 |
| A4VG125DA2DT2/32L-NZF02F001SH | R902069354 |
| A4VG125DA2DT2/32L-NZF02F021SH-S | R902055443 |
| A4VG125DA2DT2/32L-NZF02F691SH | R902075529 |
| A4VG125DA2DT2/32R-NAF02F691SH | R902055449 |
| A4VG125DA2DT2/32R-NSF02F021SH | R902055450 |
| A4VG125DA2DT2/32R-NZF02F021SH-S | R902055451 |
| A4VG125DA2DT2/32R-NZF02F071SH | R902055453 |
| A4VG125DA2DT2/32R-NZF02F691SH | R902055454 |
| A4VG125DA2DT3L/32L-NZF02F691SH | R902055457 |
| A4VG125DE1D1/32R-NZF02F071FP | R902110502 |
| A4VG125DGD1/32L-NSF02F001D | R902031130 |
| A4VG125DGD1/32L-NSF02F011S | R902074028 |
| A4VG125DGD1/32L-NSF02F041S | R902042869 |
| A4VG125DGD1/32L-NZF02F021L | R902089061 |
| A4VG125DGD1/32L-NZF02F021S | R902023817 |
| A4VG125DGD1/32R-NSF02F001K | R902097468 |
| A4VG125DGD1/32R-NSF02F001S | R902050168 |
| A4VG125DGD1/32R-NSF02F011P | R902034849 |
| A4VG125DGD2/32R-NZF02F001S | R902037002 |
| A4VG125DGD2/32R-NZF02F021S | R902037004 |
| A4VG125DGDM1/32R-NZF02F011S | R902031131 |
| A4VG125DGDMT1/32R-NSF02F001S | R902085817 |
| A4VG125DGDT2/32R-NAF02F041D | R902063216 |
| A4VG125EP2D1/32L-NZF02F001SH *AL* | R902057829 |
| A4VG125EP2D1/32R-NSF02F001DP *AL* | R902120450 |
| A4VG125EP2D1/32R-NSF02F001LP *AL* | R902094310 |
| A4VG125EP2D1/32R-NSF02F021DP *AL* | R902108443 |
| A4VG125EP2D1/32R-NSF02F021KH *AL* | R902057816 |
| A4VG125EP2D1/32R-NSF02F071FH *AL* | R902100787 |
| A4VG125EP2D1/32R-NSF02F691LP *AL* | R902094332 |
| A4VG125EP2D1/32R-NZF02F001FH *AL* | R902080243 |
| A4VG125EP2D2/32L-NSF02F021FH *AL* | R902120040 |
| A4VG125EP2D2/32L-NZF02F021SH *AL* | R902057835 |
| A4VG125EP2D7/32L-NZF02F001DH *AL* | R902061154 |
| A4VG125EP2DT1/32L-NZF02F023SH *AL* | R902097005 |
| A4VG125EP2DT1/32R-NTF02F071BP *AL* | R902104642 |
| A4VG125EP3D1/32L-NZF02F001FP | R902146062 |
| A4VG125EP3D1/32R-NZF02F041SH | R902136018 |
| A4VG125EP3D2/32R-NZF02F041DH | R902125024 |
| A4VG125EP3DM1/32R-NAF02F071DP | R902133113 |
| A4VG125EP4D1/32L-NSF02F001BP | R902131372 |
| A4VG125EP4D1/32L-NSF02F001LH | R902133218 |
| A4VG125EP4D1/32L-NSF02F001LP | R902134182 |
| A4VG125EP4D1/32L-NSF02F001SH | R902123165 |
| A4VG125EP4D1/32L-NSF02F011LH | R902131786 |
| A4VG125EP4D1/32L-NSF02F021PP | R902133359 |
| A4VG125EP4D1/32L-NSF02F691DP | R902133245 |
| A4VG125EP4D1/32L-NZF02F001DH | R902123164 |
| A4VG125EP4D1/32L-NZF02F001DP | R902134467 |
| A4VG125EP4D1/32L-NZF02F001KP | R902138679 |
| A4VG125EP4D1/32L-NZF02F001SH | R902123169 |
| A4VG125EP4D1/32L-NZF02F021DH | R902123163 |
| A4VG125EP4D1/32L-NZX02F01XDT-S | R902134354 |
| A4VG125EP4D1/32L-NZX02N00XET-S | R902134463 |
| A4VG125EP4D1/32R-NAF02F021DH | R902123198 |
| A4VG125EP4D1/32R-NAF02F021DP | R902125137 |
| A4VG125EP4D1/32R-NAF02F021SP | R902149552 |
| A4VG125EP4D1/32R-NSF02F001DH | R902123191 |
| A4VG125EP4D1/32R-NSF02F001KH | R902123158 |
| A4VG125EP4D1/32R-NSF02F001SP | R902133402 |
| A4VG125EP4D1/32R-NSF02F021BP | R902138858 |
| A4VG125EP4D1/32R-NSF02F021DP | R902125116 |
| A4VG125EP4D1/32R-NSF02F021FH | R902149688 |
| A4VG125EP4D1/32R-NSF02F021KH | R902123390 |
| A4VG125EP4D1/32R-NSF02F071DP | R902131055 |
| A4VG125EP4D1/32R-NSF02F691PP | R902127282 |
| A4VG125EP4D1/32R-NTF02F691BP | R902138860 |
| A4VG125EP4D1/32R-NZF02F001DH | R902123157 |
| A4VG125EP4D1/32R-NZF02F001DH-ES | R902123443 |
| A4VG125EP4D1/32R-NZF02F001LH-S | R902123410 |
| A4VG125EP4D1/32R-NZF02F001MH | R902128103 |
| A4VG125EP4D1/32R-NZF02F001SH | R902123162 |
| A4VG125EP4D1/32R-NZF02F001SP | R902125102 |
| A4VG125EP4D1/32R-NZF02F691SH | R902146488 |
| A4VG125EP4D2/32L-NSF02F021FH | R902123386 |
| A4VG125EP4D2/32L-NSF02F691SP | R902136166 |
| A4VG125EP4D2/32L-NZF02F001DH-S | R902136165 |
| A4VG125EP4D7/32L-NZF02F001DH | R902125041 |
| A4VG125EP4D7/32L-NZF02F011DH | R902133452 |
| A4VG125EP4DM1/32L-NSF02F001DH | R902131637 |
| A4VG125EP4DM1/32L-NSF02F001PP | R902125117 |
| A4VG125EP4DM1/32L-NZF02F001DH | R902123166 |
| A4VG125EP4DM1/32L-VZF02F001PP-S | R902125183 |
| A4VG125EP4DM1/32R-NSF02F021DH | R902123276 |
| A4VG125EP4DM1/32R-NZF02F001DH | R902123207 |
| A4VG125EP4DM1/32R-NZF02F001DP | R902125114 |
| A4VG125EP4DM1/32R-NZF02F001MH-E | R902128104 |
| A4VG125EP4DM1/32R-NZF02F011SH | R902136284 |
| A4VG125EP4DM1/32R-NZF02F691DH | R902136443 |
| A4VG125EP4DM1/32R-VZF02F001PP-S | R902125185 |
| A4VG125EP4DM2/32R-NZF02F021DH | R902131663 |
| A4VG125EP4DMT1/32R-NZF02F001DH | R902123307 |
| A4VG125EP4DMT1/32R-NZF02F001DP-S | R902129172 |
| A4VG125EP4DMT1/32R-NZF02F001SH-S | R902137486 |
| A4VG125EP4DMT2/32L-NZF02F071MH | R902123147 |
| A4VG125EP4DT1/32L-NZF02F001SH-S | R902123430 |
| A4VG125EP4DT1/32L-NZF02F011ST | R902136481 |
| A4VG125EP4DT1/32L-NZF02F023SH | R902123325 |
| A4VG125EP4DT1/32R-NAF02F011SH | R902123344 |
| A4VG125EP4DT1/32R-NZF02F001BP | R902131609 |
| A4VG125EP4DT1/32R-NZF02F00XDH-S | R902123361 |
| A4VG125EP4DT1/32R-NZF02F023SH | R902123153 |
| A4VG125EP4DT2/32L-NSF02F021SH | R902146228 |
| A4VG125EP4DT2/32L-NZF02F011SH | R902146043 |
| A4VG125EP4DT2/32R-NZF02F001SH-S | R902125494 |
| A4VG125EP4DT2/32R-NZF02F021LH | R902131465 |
| A4VG125EP4DT2/32R-NZF02F021SH | R902131564 |
| A4VG125EP4DT2/32R-NZF02F041LH | R902128486 |
| A4VG125EP4DT2/32R-NZF02F071LH | R902137062 |
| A4VG125EZ1D1/32L-NZF02F001FH | R902055622 |
| A4VG125EZ1D1/32R-NZF02F011DH | R902055627 |
| A4VG125EZ2D1/32L-NSF02F001SH | R902055636 |
| A4VG125EZ2D1/32R-NSF02F001DH | R902120039 |
| A4VG125EZ2D1/32R-NZF02F001DH | R902083342 |
| A4VG125EZ2DM1/32R-NAF02F071MH | R902055628 |
| A4VG125EZ2DM1/32R-NSF02F001SH | R902074655 |
| A4VG125EZ2DM1/32R-NZF02F001FH | R902053063 |
| A4VG125EZ2DM1/32R-NZF02F011PH | R902055629 |
| A4VG125HD1D1/32L-NSF02F001D *AL* | R902060935 |
| A4VG125HD1D1/32L-NSF02F00XL-S *AL* | R902060986 |
| A4VG125HD1D1/32L-NSF02F021D *AL* | R902060936 |
| A4VG125HD1D1/32L-NSF02F691D *AL* | R902096257 |
| A4VG125HD1D1/32L-NZF02F021S *AL* | R902060925 |
| A4VG125HD1D2/32R-NAF02F021S *AL* | R902103620 |
| A4VG125HD1DT1/32L-NZF02F001D *AL* | R902060922 |
| A4VG125HD3D1/32L-NSF02F001D | R902125222 |
| A4VG125HD3D1/32L-NSF02F00XL-S | R902125233 |
| A4VG125HD3D1/32L-NSF02F021D | R902125223 |
| A4VG125HD3D1/32L-NSF02F071D | R902125216 |
| A4VG125HD3D1/32L-NZF02F001S | R902125207 |
| A4VG125HD3D1/32L-NZF02F041D | R902125211 |
| A4VG125HD3D1/32R-NSF02F001D | R902125210 |
| A4VG125HD3D1/32R-NSF02F021D | R902133354 |
| A4VG125HD3D1/32R-NSF02F021L | R902133251 |
| A4VG125HD3D1/32R-NZF02F001D | R902125209 |
| A4VG125HD3D2/32L-NZF02F041P-S | R902129478 |
| A4VG125HD3D2/32R-NAF02F021S | R902136132 |
| A4VG125HD3D2/32R-NSF02F021P | R902125253 |
| A4VG125HD3D2/32R-NSF02F071S-E | R902092922 |
| A4VG125HD3D2/32R-NTF02F691P | R902125252 |
| A4VG125HD3DM1/32L-NZF02F001D | R902134201 |
| A4VG125HD3DM1/32R-NZF02F001D | R902125214 |
| A4VG125HD3DM1/32R-NZF02F011D | R902125236 |
| A4VG125HD3DM1/32R-NZF02F021S | R902129389 |
| A4VG125HD3DMT1/32L-NZF02F001S | R902125269 |
| A4VG125HD3DT1/32L-NSF02F011S | R902125265 |
| A4VG125HD3DT1/32L-NZF02F001D | R902125218 |
| A4VG125HD3DT1/32L-NZF02F001S | R902125228 |
| A4VG125HD3DT2/32L-NZF02F001S-S | R902129405 |
| A4VG125HD9MT1/32R-NSF02F691S-S | R902125976 |
| A4VG125HD9MT1/32R-NSF02F691S-S | R902125588 |
| A4VG125HWD1/32L-NAF02F041S | R902024046 |
| A4VG125HWD1/32L-NAF02F071S | R902075824 |
| A4VG125HWD1/32L-NSF02F001D | R902029016 |
| A4VG125HWD1/32L-NSF02F003D | R902044673 |
| A4VG125HWD1/32L-NSF02F003P | R902067090 |
| A4VG125HWD1/32L-NSF02F023P | R902076880 |
| A4VG125HWD1/32L-NSF02N001E | R902104237 |
| A4VG125HWD1/32L-NZF02F001D | R902032116 |
| A4VG125HWD1/32L-NZF02F001S | R902024257 |
| A4VG125HWD1/32L-NZF02F021S | R902090765 |
| A4VG125HWD1/32L-NZF02F071S | R902053090 |
| A4VG125HWD1/32R-NAF02F011S | R902032141 |
| A4VG125HWD1/32R-NAF02F071D | R902071554 |
| A4VG125HWD1/32R-NAF02K071E | R902024045 |
| A4VG125HWD1/32R-NSF02F001S | R902026325 |
| A4VG125HWD1/32R-NSF02F011S | R902024050 |
| A4VG125HWD1/32R-NSF02F021S | R902064980 |
| A4VG125HWD1/32R-NSF02F041P | R902055547 |
| A4VG125HWD1/32R-NSF02F071D | R902048156 |
| A4VG125HWD1/32R-NSF02K691E | R902067487 |
| A4VG125HWD1/32R-NZF02F001D | R902050091 |
| A4VG125HWD1/32R-NZF02F001S | R902019716 |
| A4VG125HWD1/32R-NZF02F021P | R902079737 |
| A4VG125HWD1/32R-NZF02F021S | R902024262 |
| A4VG125HWD1/32R-NZF02F041D-ES | R902092718 |
| A4VG125HWD1/32R-NZF02F071D | R902041090 |
| A4VG125HWD1/32R-NZF02F071D-ES | R902092509 |
| A4VG125HWD2/32R-NSF02F011S | R902067480 |
| A4VG125HWD2/32R-NSF02F071K | R902085732 |
| A4VG125HWD2/32R-NZF02F071S | R902118457 |
| A4VG125HWD3L/32R-NZF02F001P | R902048671 |
| A4VG125HWD3L/32R-NZF02F071K | R902063240 |
| A4VG125HWDM1/32L-NSF02F001S | R902048959 |
| A4VG125HWDM1/32L-NSF02F021F | R902027679 |
| A4VG125HWDM1/32L-NZF02F001D | R902024072 |
| A4VG125HWDM1/32L-NZF02F021D | R902039384 |
| A4VG125HWDM1/32L-NZF02F041F | R902024074 |
| A4VG125HWDM1/32R-NSF02F001S | R902051388 |
| A4VG125HWDM1/32R-NSF02F021F | R902027678 |
| A4VG125HWDM2/32L-NZF02F001D | R902026725 |
| A4VG125HWDM3L/32R-NZF02F021S | R902031037 |
| A4VG125HWDT1/32L-NSF02F011D | R902067479 |
| A4VG125HWDT1/32R-NAF02F001S | R902056447 |
| A4VG125HWDT1/32R-NSF02F001S | R902064991 |
| A4VG125HWDT1/32R-NSF02F021S | R902072873 |
| A4VG125HWDT1/32R-NSF02F041F | R902076639 |
| A4VG125HWDT1/32R-NZF02F001S | R902037829 |
| A4VG125HWDT1/32R-NZF02F011S | R902039163 |
| A4VG125NVD1/32L-NAF02F021D | R902087072 |
| A4VG125NVD1/32L-NZF02F001L | R902037240 |
| A4VG125NVD1/32R-NSF02F021D | R902044842 |
| A4VG125NVD1/32R-NSF02F691S | R902044820 |
| A4VG125NVD1/32R-NZF02F001S | R902024227 |
| A4VG125NVDT1/32L-NZF02F021S-S | R902023832 |
| A4VG125NVDT1/32R-NZF02F021S-S | R902023804 |
| A4VG140DA2DM8/32R-NSF02F071MH | R902079755 |
| A4VG140DE2D1/32R-NAF02F021DP-S | R902104835 |
| A4VG140EP2D1/32R-NAF02F021DP *AL* | R902120381 |
| A4VG140EP2D1/32R-NAF02F691FH-S *AL* | R902102136 |
| A4VG140EP2DM1/32L-NZF02F00XLP-S *AL* | R902083344 |
| A4VG140EP2DT1/32L-NAF02F691SX-S *AL* | R902077868 |
| A4VG140EP4D1/32L-NSF02F001FP | R902146055 |
| A4VG140EP4D1/32R-NAF02F691FH-S | R902123343 |
| A4VG140EP4DM1/32R-VZF02F001KP-S | R902125184 |
| A4VG140EP4DX/32L-NZF02F021LP-S | R902125077 |
| A4VG145HW1D0000/40ALND6T11F0000AF00-0C | R902146691 |
| A4VG180DA1D3L/32R-NZD02F001SH | R902076965 |
| A4VG180DA2D2/32L-NSD02F001DT | R902120369 |
| A4VG180DA2D2/32L-NSD02F691LH | R902149573 |
| A4VG180DA2D2/32L-NSD02F691LH | R902070069 |
| A4VG180DA2D2/32L-NTD02F691DH | R902119298 |
| A4VG180DA2D2/32L-NZD02F001DH | R902053777 |
| A4VG180DA2D2/32L-NZD02F001LH | R902079951 |
| A4VG180DA2D2/32L-NZD02F001SH | R902089539 |
| A4VG180DA2D2/32L-NZD02F041SH | R902066151 |
| A4VG180DA2D2/32L-NZD02F071SH | R902088321 |
| A4VG180DA2D2/32L-NZD02F721LH | R902070068 |
| A4VG180DA2D2/32R-NSD02F021DH | R902053094 |
| A4VG180DA2D2/32R-NSD02F691DH | R902081926 |
| A4VG180DA2D2/32R-NSD02F691LH | R902070052 |
| A4VG180DA2D2/32R-NTD02F691DH | R902099983 |
| A4VG180DA2D2/32R-NTD02F721DH | R902053093 |
| A4VG180DA2D2/32R-NZD02F001LH | R902068018 |
| A4VG180DA2D2/32R-NZD02F001SH | R902053780 |
| A4VG180DA2D2/32R-NZD02F011SH | R902053781 |
| A4VG180DA2D2/32R-NZD02F021SH | R902053783 |
| A4VG180DA2D2/32R-NZD02F041LH | R902083824 |
| A4VG180DA2D2/32R-NZD02F041SH | R902074290 |
| A4VG180DA2D2/32R-NZD02F071LH | R902053785 |
| A4VG180DA2D2/32R-NZD02F691LH | R902053786 |
| A4VG180DA2D2/32R-NZD02F721DH | R902079934 |
| A4VG180DA2D2/32R-NZD02F721LH | R902070051 |
| A4VG180DA2D3L/32R-NSD02F011SH | R902053787 |
| A4VG180DA2D3L/32R-NTD02F721SH | R902053788 |
| A4VG180DA2D3L/32R-NZD02F001SH | R902053789 |
| A4VG180DA2D4/32R-NSD02F021SH | R902053790 |
| A4VG180DA2D5R/32R-NZD02F021DH | R902074131 |
| A4VG180DA2D7/32L-NTD02F721SH | R902088175 |
| A4VG180DA2D7/32R-NSD02F021LH | R902074551 |
| A4VG180DA2D7/32R-NSD02F071DH | R902070453 |
| A4VG180DA2D7/32R-NSD02F071DT *AL* | R902088019 |
| A4VG180DA2D7/32R-NTD02F721DH | R902070452 |
| A4VG180DA2D7/32R-NTD02F721DT *AL* | R902088018 |
| A4VG180DA2D8/32L-NZD02F001LH | R902079955 |
| A4VG180DA2D8/32R-NSD02F021LH | R902066475 |
| A4VG180DA2D8/32R-NSD02F021MH | R902057991 |
| A4VG180DA2D8/32R-NZD02F721LH | R902087062 |
| A4VG180DA2DM2/32R-NSD02F691DH | R902104163 |
| A4VG180DA2DM2/32R-NZD02F021DH | R902053771 |
| A4VG180DA2DM2/32R-NZD02F021SH | R902053772 |
| A4VG180DA2DM2/32R-NZD02F071DH | R902066726 |
| A4VG180DA2DM3L/32R-NTD02F721SH | R902074175 |
| A4VG180DA2DM4/32R-NSD02F071MH | R902053773 |
| A4VG180DA2DM8/32R-NSD02F021MH | R902117435 |
| A4VG180DA2DM8/32R-NSD02F041MH | R902053774 |
| A4VG180DA2DMT3L/32R-NZD02F001SH | R902079911 |
| A4VG180DA2DT2/32L-NZD02F001DH | R902053775 |
| A4VG180DA2DT2/32L-NZD02F021SH-S | R902079687 |
| A4VG180DA2DT2/32R-NTD02F721SH | R902089150 |
| A4VG180DA2DT2/32R-NZD02F021SH-S | R902079679 |
| A4VG180DA2DT2/32R-NZD02F071SH | R902090882 |
| A4VG180DA2DT7/32L-NZ02F001SH | R902090768 |
| A4VG180DA2DT8/32R-NZD02F071SH | R902053776 |
| A4VG180DGD1/32L-NZD02F071D | R902074667 |
| A4VG180DGD1/32R-NSD02F001F | R902090725 |
| A4VG180DGD1/32R-NTD02F021S | R902074248 |
| A4VG180DGD1/32R-NTD02F041S | R902083149 |
| A4VG180DGD1/32R-NZD02F001S | R902037008 |
| A4VG180DGD1/32R-NZD02F021S | R902037672 |
| A4VG180DGD2/32R-NTD02F021S | R902133011 |
| A4VG180DGD2/32R-NZD02F001S | R902037010 |
| A4VG180DGD2/32R-NZD02F021S | R902037673 |
| A4VG180DGDM1/32R-NSD02F001D | R902066717 |
| A4VG180DGDM1/32R-NSD02F011S | R902074176 |
| A4VG180DGDMT1/32L-NZD02F021D | R902032252 |
| A4VG180DGDT1/32L-NZD02F041S | R902076863 |
| A4VG180DGDT2/32L-NSD02F041S | R902074292 |
| A4VG180DWDMT1/32R-NSD02F001D-S | R902106372 |
| A4VG180EP0MT1/32R-NSD02F021SP-ES | R902137492 |
| A4VG180EP2D1/32L-NZD02F001SH *AL* | R902058624 |
| A4VG180EP2D1/32R-NSD02F001DP *AL* | R902112792 |
| A4VG180EP2D1/32R-NZD02F001DH *AL* | R902058662 |
| A4VG180EP2D1/32R-NZD02F001SH *AL* | R902058815 |
| A4VG180EP2D1/32R-NZD02F691LP *AL* | R902094334 |
| A4VG180EP2D2/32L-NZD02F001SH *AL* | R902058646 |
| A4VG180EP2D2/32R-NZD02F041SH *AL* | R902058817 |
| A4VG180EP2DM1/32R-NSD02F001DH *AL* | R902058674 |
| A4VG180EP2DM1/32R-NZD02F001DH *AL* | R902058636 |
| A4VG180EP2DMT1/32R-NZD02K021EX-S *AL* | R902089268 |
| A4VG180EP2DT2/32R-NZD02F691SH *AL* | R902061646 |
| A4VG180EP2MT1/32R-NSD02F021SP-ES *AL* | R902134028 |
| A4VG180EP2MT1/32R-NSD02F721SP-ES *AL* | R902134310 |
| A4VG180EP3D1/32R-NZD02F001DH | R902134375 |
| A4VG180EP4D1/32L-NSD02F001BP | R902131388 |
| A4VG180EP4D1/32L-NSD02F021DP | R902133358 |
| A4VG180EP4D1/32L-NSD02F071DP | R902131905 |
| A4VG180EP4D1/32L-NSD02F721PP | R902133355 |
| A4VG180EP4D1/32L-NZD02F001SH | R902125615 |
| A4VG180EP4D1/32L-NZD02F001SP | R902138804 |
| A4VG180EP4D1/32L-NZD02F011DH | R902131873 |
| A4VG180EP4D1/32L-NZD02F071DH | R902125755 |
| A4VG180EP4D1/32R-NSD02F001DH | R902149737 |
| A4VG180EP4D1/32R-NSD02F001DP | R902129723 |
| A4VG180EP4D1/32R-NSD02F021DP | R902129179 |
| A4VG180EP4D1/32R-NSD02F041DP | R902129732 |
| A4VG180EP4D1/32R-NSD02F721LP | R902134180 |
| A4VG180EP4D1/32R-NZD02F001DH | R902125639 |
| A4VG180EP4D1/32R-NZD02F001SH | R902125666 |
| A4VG180EP4D1/32R-NZD02F001SP | R902136172 |
| A4VG180EP4D1/32R-NZD02F001SRP | R902138944 |
| A4VG180EP4D1/32R-NZD02F011SH | R902137288 |
| A4VG180EP4D1/32R-NZD02F011SP | R902136051 |
| A4VG180EP4D2/32L-NZD02F001DH | R902125740 |
| A4VG180EP4D2/32R-NSD02F021BP-S | R902129134 |
| A4VG180EP4D2/32R-NSD02F041BP-S | R902129141 |
| A4VG180EP4D2/32R-NZD02F071SH-S | R902133325 |
| A4VG180EP4DM1/32L-NSD02K071EH *SV* | R902125723 |
| A4VG180EP4DM1/32L-NZD02F001DH | R902125625 |
| A4VG180EP4DM1/32L-NZD02K721EH | R902125722 |
| A4VG180EP4DM1/32L-NZD02KXXXEH-S | R902133284 |
| A4VG180EP4DM1/32L-NZD02N00XEH-S | R902133282 |
| A4VG180EP4DM1/32R-NSD02F001DH | R902125648 |
| A4VG180EP4DM1/32R-NSD02F011KH | R902131814 |
| A4VG180EP4DM1/32R-NSD02F021DH | R902125733 |
| A4VG180EP4DM1/32R-NSD02F071BP | R902134321 |
| A4VG180EP4DM1/32R-NZD02F001DH | R902125624 |
| A4VG180EP4DM1/32R-NZD02F021DH | R902125619 |
| A4VG180EP4DMT1/32L-NSD02F001DH | R902129910 |
| A4VG180EP4DMT1/32L-NSD02F071DH | R902125763 |
| A4VG180EP4DMT1/32L-NSD02F691DH | R902125779 |
| A4VG180EP4DMT1/32L-NSD02N001EH | R902125757 |
| A4VG180EP4DMT1/32L-NZD02K013EH | R902146492 |
| A4VG180EP4DMT1/32L-NZD02K723EH | R902146490 |
| A4VG180EP4DMT1/32R-NSD02F011DH | R902129915 |
| A4VG180EP4DMT1/32R-NSD02F071DH | R902125793 |
| A4VG180EP4DMT1/32R-NSD02F691DH | R902125780 |
| A4VG180EP4DMT2/32L-NZD02F001SH | R902134103 |
| A4VG180EP4DMT2/32R-NZD02F071MH | R902125706 |
| A4VG180EP4DT1/32L-NSD02F021DH | R902125710 |
| A4VG180EP4DT1/32L-NSD02F041DP | R902133310 |
| A4VG180EP4DT1/32L-NZD02F001PP | R902138600 |
| A4VG180EP4DT1/32L-NZD02F001SH-S | R902129543 |
| A4VG180EP4DT1/32L-NZD02F011SH-S | R902129548 |
| A4VG180EP4DT1/32L-NZD02F011ST | R902133210 |
| A4VG180EP4DT1/32L-NZD02F021SH-S | R902129547 |
| A4VG180EP4DT1/32R-NSD02F021SH | R902125790 |
| A4VG180EP4DT1/32R-NTD02F721SH | R902125707 |
| A4VG180EP4DT1/32R-NZD02F001SH-S | R902129592 |
| A4VG180EP4DT1/32R-NZD02F01XSH-S | R902133273 |
| A4VG180EP4DT2/32L-NZD02F001SH-S | R902125659 |
| A4VG180EP4DT2/32L-NZD02F011BH | R902137091 |
| A4VG180EP4DT2/32L-NZD02F021BH | R902137089 |
| A4VG180EP4DT2/32L-NZD02F691SH | R902146045 |
| A4VG180EP4DT2/32R-NZD02F691SH | R902125698 |
| A4VG180EP4MT1/32L-NSD02F071SP-S | R902129920 |
| A4VG180EP4MT1/32R-NSD02F041SP-S | R902129919 |
| A4VG180EZ1DM1/32R-NZD02F011SH | R902072718 |
| A4VG180EZ2D1/32L-NSD02F001LH | R902053766 |
| A4VG180EZ2D1/32L-NSD02F021MH | R902053768 |
| A4VG180EZ2D1/32L-NSD02F071MH | R902053769 |
| A4VG180EZ2D1/32L-NSD02F691MH | R902062993 |
| A4VG180EZ2D1/32R-NZD02F001SH | R902068456 |
| A4VG180EZ2D1/32R-NZD02F041SH | R902074836 |
| A4VG180EZ2D1/32R-NZD02F071SP | R902108427 |
| A4VG180EZ2DM1/32L-NZD02F001SH | R902053763 |
| A4VG180EZ2DM1/32L-NZD02F691FH | R902053764 |
| A4VG180EZ2DM1/32R-NZD02F011SH | R902072861 |
| A4VG180HD1D1/32L-NSD02F001D *AL* | R902058927 |
| A4VG180HD1D1/32L-NSD02F021D *AL* | R902058932 |
| A4VG180HD1D1/32L-NSD02F721D *AL* | R902061494 |
| A4VG180HD1D2/32R-NTD02F021S *AL* | R902127071 |
| A4VG180HD1DM1/32R-NZD02F001D *AL* | R902058928 |
| A4VG180HD1DT1/32L-NZD02F001S *AL* | R902060720 |
| A4VG180HD1DT1/32L-NZD02F021S *AL* | R902058931 |
| A4VG180HD1MT1/32R-NSD02F021S-S *AL* | R902072784 |
| A4VG180HD3D1/32L-NSD02F001D | R902129761 |
| A4VG180HD3D1/32L-NSD02F021D | R902129764 |
| A4VG180HD3D1/32L-NSD02F041D | R902129895 |
| A4VG180HD3D1/32R-NSD02F001D | R902129759 |
| A4VG180HD3D1/32R-NZD02F001L | R902129828 |
| A4VG180HD3D1/32R-NZD02F001P | R902149839 |
| A4VG180HD3D2/32R-NTD02F021S | R902129897 |
| A4VG180HD3DM1/32L-NSD02F021D | R902136370 |
| A4VG180HD3DM1/32R-NSD02F071M | R902134358 |
| A4VG180HD3DM1/32R-NZD02F001D | R902129762 |
| A4VG180HD3DM1/32R-NZD02F011D | R902133263 |
| A4VG180HD3DM1/32R-NZD02F021S | R902129378 |
| A4VG180HD3DM1/32R-VSD02F001P-S | R902138976 |
| A4VG180HD3DMT1/32R-NZD02K021E | R902129894 |
| A4VG180HD3DT1/32L-NZD02F001S | R902129780 |
| A4VG180HD3DT1/32R-NZD02F01XS-S | R902129801 |
| A4VG180HD3DT1/32R-NZD02F021S | R902129768 |
| A4VG180HD9MT1/32R-NZD02F021S-S | R902138924 |
| A4VG180HD9XMT1/32R-NSD02F011F-ES | R902129892 |
| A4VG180HDMT1/32R-NZD02F021S-S | R902032677 |
| A4VG180HWD1/32L-NSD02F011D | R902048849 |
| A4VG180HWD1/32L-NZD02F011S | R902026253 |
| A4VG180HWD1/32R-NSD02F001P | R902040821 |
| A4VG180HWD1/32R-NSD02F001S | R902037787 |
| A4VG180HWD1/32R-NSD02F011D | R902048859 |
| A4VG180HWD1/32R-NSD02F021S | R902026115 |
| A4VG180HWD1/32R-NZD02F001P | R902089849 |
| A4VG180HWD1/32R-NZD02F001S | R902026252 |
| A4VG180HWD1/32R-NZD02F003S | R902041897 |
| A4VG180HWD1/32R-NZD02F071S | R902084856 |
| A4VG180HWDM1/32R-NSD02F001D | R902104165 |
| A4VG180HWDM2/32R-NZD02F021S | R902044033 |
| A4VG180HWDMT1/32R-NZD02F021S | R902046499 |
| A4VG180HWDT1/32L-NZD02F011S | R902025445 |
| A4VG180HWDT1/32R-NSD02F001S | R902057968 |
| A4VG180HWDT1/32R-NTD02F721S | R902057967 |
| A4VG180NVD1/32R-NSD02F021P | R902033965 |
| A4VG180NVD1/32R-NZD02F001L | R902068016 |
| A4VG180NVD1/32R-NZD02F001S | R902026214 |
| A4VG180NVDM1/32R-NTD02F021D | R902112927 |
| A4VG180NVDT1/32L-NZD02F021S-S | R902081251 |
| A4VG180NVDT1/32R-NZD02F021S-S | R902081217 |
| A4VG250DA2D2/32L-NSD10F001DH | R902088441 |
| A4VG250DA2D2/32L-NZD10F001DH | R902087008 |
| A4VG250DA2D2/32R-NSD10F001DH | R902074407 |
| A4VG250DA2D2/32R-NSD10F001DP | R902119321 |
| A4VG250DA2D2/32R-NSD10F001SH | R902053794 |
| A4VG250DA2D2/32R-NSD10F071DH | R902079693 |
| A4VG250DA2D2/32R-NSD10F691DH | R902079805 |
| A4VG250DA2D2/32R-NTD10F071DH | R902117246 |
| A4VG250DA2D2/32R-NZD10F001DH | R902105090 |
| A4VG250DA2D2/32R-NZD10F721DH | R902079806 |
| A4VG250DA2D8/32R-NSD10F071DH | R902074327 |
| A4VG250DA2D8/32R-NSD10F071SH | R902071906 |
| A4VG250DA2D8/32R-NZD10F721DH | R902097416 |
| A4VG250DA2D8/32R-NZD10F721SH-S | R902077698 |
| A4VG250DA2DM2/32R-NSD10F003SH | R902066196 |
| A4VG250DA2DM2/32R-NZD10F001DH | R902057663 |
| A4VG250DA2DM8/32R-NZD10F691DH | R902133265 |
| A4VG250DA2DM8/32R-NZD10F721DH | R902117319 |
| A4VG250DA2DT2/32L-NSD10F001DH | R902079803 |
| A4VG250DA2DT2/32R-NZD10F011DH | R902079964 |
| A4VG250EP2D1/32L-NSD10F021SP *AL* | R902102409 |
| A4VG250EP2D1/32L-NSD10F071SP *AL* | R902102396 |
| A4VG250EP2D1/32R-NSD10F001DH-S *AL* | R902102080 |
| A4VG250EP2D1/32R-NSD10F001DP *AL* | R902120477 |
| A4VG250EP2D1/32R-NSD10F071DP *AL* | R902119323 |
| A4VG250EP2D1/32R-NSD10K011EH-S *AL* | R902061342 |
| A4VG250EP2D1/32R-NZD10F001DH *AL* | R902058748 |
| A4VG250EP2DM1/32L-NZD10N003EH-S *AL* | R902127094 |
| A4VG250EP2DM1/32R-NSD10F001DH *AL* | R902059314 |
| A4VG250EP2DM1/32R-NSD10K071EH *AL* | R902105262 |
| A4VG250EP2DM1/32R-NZD10F001DH-S *AL* | R902064275 |
| A4VG250EP2DM1/32R-NZD10K02XEH-S *AL* | R902127015 |
| A4VG250EP2DMT1/32R-NTD10F691DH *AL* | R902103925 |
| A4VG250EP2DMT2/32L-NZD10F021DH *AL* | R902094371 |
| A4VG250EP2DT1/32L-NSD10F011DH *AL* | R902117379 |
| A4VG250EP2DT1/32L-NZD10F001DH *AL* | R902059312 |
| A4VG250EP2DT1/32L-NZD10F001SH-S *AL* | R902075757 |
| A4VG250EP2DT1/32L-NZD10F023SH-S *AL* | R902089180 |
| A4VG250EP3D1/32R-NTD10F071DP | R902137212 |
| A4VG250EP3D1/32R-NTD10F691SH | R902146060 |
| A4VG250EP4D1/32L-NSD10F041DP | R902134106 |
| A4VG250EP4D1/32L-NSD10F721DP | R902133361 |
| A4VG250EP4D1/32L-NTD10F721DH | R902128232 |
| A4VG250EP4D1/32L-NZD10F001SH | R902128183 |
| A4VG250EP4D1/32L-NZD10F00XDT-S | R902134249 |
| A4VG250EP4D1/32R-NSD10F001DH | R902128224 |
| A4VG250EP4D1/32R-NSD10F001DP | R902128445 |
| A4VG250EP4D1/32R-NSD10F021DP | R902131079 |
| A4VG250EP4D1/32R-NSD10F071DP | R902128442 |
| A4VG250EP4D1/32R-NSD10K011EH-S | R902128358 |
| A4VG250EP4D1/32R-NTD10F721DH | R902128189 |
| A4VG250EP4D1/32R-NTD10K691EH-S | R902128369 |
| A4VG250EP4D1/32R-NZD10F001DH | R902128159 |
| A4VG250EP4D1/32R-NZD10F001SH | R902128150 |
| A4VG250EP4D1/32R-NZD10F001SP | R902128426 |
| A4VG250EP4D1/32R-NZD10F00XDH-S | R902137060 |
| A4VG250EP4D1/32R-NZD10F041SH | R902128156 |
| A4VG250EP4D1/32R-NZD10F071DH | R902128155 |
| A4VG250EP4D1/32R-NZD10F691DP | R902128424 |
| A4VG250EP4D2/32L-NZD10F021DH | R902128287 |
| A4VG250EP4D2/32R-NZD10F011DH | R902138516 |
| A4VG250EP4DM1/32L-NSD10K07XEH-S | R902128250 |
| A4VG250EP4DM1/32L-NSD10K07XEX-S | R902128419 |
| A4VG250EP4DM1/32L-NZD10N003EH-S | R902128400 |
| A4VG250EP4DM1/32R-NSD10F001DH | R902128177 |
| A4VG250EP4DM1/32R-NZD10F001DH-S | R902128362 |
| A4VG250EP4DM1/32R-NZD10F721DH | R902128289 |
| A4VG250EP4DM1/32R-NZD10K02XEH-S | R902128397 |
| A4VG250EP4DMT1/32L-NSD10F041DH | R902128275 |
| A4VG250EP4DMT1/32L-NZD10F001DH | R902128182 |
| A4VG250EP4DMT1/32L-NZD10N00XEH-S | R902128353 |
| A4VG250EP4DMT1/32R-NSD10F021SP | R902128448 |
| A4VG250EP4DMT1/32R-NTD10F691DH | R902128281 |
| A4VG250EP4DMT1/32R-NZD10K041EP | R902138699 |
| A4VG250EP4DMT1/32R-NZD10N001EP | R902128429 |
| A4VG250EP4DMT2/32R-NZD10F041DH | R902128175 |
| A4VG250EP4DT1/32L-NZD10F001DH-S | R902128376 |
| A4VG250EP4DT1/32L-NZD10F001SH-S | R902128394 |
| A4VG250EP4DT1/32L-NZD10F00XDH-S | R902128265 |
| A4VG250EP4DT1/32L-NZD10F011DP | R902131537 |
| A4VG250EP4DT1/32L-NZD10F011SH-S | R902128383 |
| A4VG250EP4DT1/32R-NSD10F011DP | R902128444 |
| A4VG250EP4DT1/32R-NZD10F001SH-S | R902131896 |
| A4VG250EP4DT1/32R-NZD10F011SH | R902128279 |
| A4VG250EP4DT1/32R-NZD10F021SH | R902128163 |
| A4VG250EP4DT1/32R-NZD10F023SH-S | R902128257 |
| A4VG250EP4DT2/32R-NZD10F071DH | R902149628 |
| A4VG250EZ1D1/32R-NZD10F011DH | R902053792 |
| A4VG250EZ2D1/32R-NSD10F001SH | R902069446 |
| A4VG250EZ2D1/32R-NZD10F001DH | R902089000 |
| A4VG250EZ2DM1/32R-NSD10F071DH | R902072883 |
| A4VG250EZ2DM1/32R-NZD10F001DH | R902061982 |
| A4VG250EZ2DM1/32R-NZD10F691SH | R902066476 |
| A4VG250HD1D1/32L-NSD10F001D *AL* | R902060781 |
| A4VG250HD1D1/32L-NSD10F021D *AL* | R902060782 |
| A4VG250HD1D1/32R-NSD10F001D *AL* | R902060770 |
| A4VG250HD1D1/32R-NZD10F001D *AL* | R902069418 |
| A4VG250HD1DT1/32L-NSD10F001S *AL* | R902104966 |
| A4VG250HD1DT1/32R-NSD10F001S *AL* | R902100674 |
| A4VG250HD3D1/32L-NSD10F001D | R902128469 |
| A4VG250HD3D1/32L-NSD10F041D | R902134324 |
| A4VG250HD3D1/32L-NSD10F071D | R902131364 |
| A4VG250HD3D1/32L-NZD10F001S | R902128479 |
| A4VG250HD3D1/32R-NSD10F001D | R902131510 |
| A4VG250HD3D1/32R-NSD10F021S | R902128461 |
| A4VG250HD3D1/32R-NSD10F691D | R902128467 |
| A4VG250HD3D1/32R-NSD10K011E-S | R902128478 |
| A4VG250HD3D1/32R-NTD10F691D | R902128496 |
| A4VG250HD3D1/32R-NZD10F001D | R902128480 |
| A4VG250HD3D1/32R-NZD10F001S | R902128465 |
| A4VG250HD3D1/32R-NZD10F011D | R902131820 |
| A4VG250HD3D1/32R-NZD10F721D | R902131508 |
| A4VG250HD3DM1/32R-NZD10F021S | R902129419 |
| A4VG250HD3DMT1/32R-NSD10F071D | R902129552 |
| A4VG250HD3DT1/32L-NZD10F001S-S | R902128482 |
| A4VG250HD3DT1/32R-NSD10F001S | R902129553 |
| A4VG250HWD1/32L-NSD10F001D | R902079280 |
| A4VG250HWD1/32L-NSD10F001S | R902083007 |
| A4VG250HWD1/32L-NSD10F021D | R902080244 |
| A4VG250HWD1/32R-NZD10F001D | R902031349 |
| A4VG250HWD1/32R-NZD10F001S | R902031348 |
| A4VG250HWD1/32R-NZD10F011S | R902027577 |
| A4VG250HWD1/32R-NZD10F041S | R902076867 |
| A4VG250HWD1/32R-NZD10F691D | R902030322 |
| A4VG250HWD1/32R-NZD10F691S | R902068422 |
| A4VG250HWDT1/32R-NSD10F001S | R902074370 |
| A4VG250HWDT1/32R-NTD10F721S | R902074369 |
| A4VG250HWDT1/32R-NZD10F001S | R902030330 |
| A4VG250HWDT1/32R-NZD10F021S | R902037376 |
| A4VG250NVD1/32L-NTD10F021D | R902033751 |
| A4VG250NVD1/32L-NZD10F001S | R902105380 |
| A4VG250NVD1/32L-NZD10K071E | R902079973 |
| A4VG250NVD1/32R-NZD10F001S | R902048019 |
| A4VG250NVDM1/32L-NTD10F021D | R902044536 |
| A4VG250NVDM1/32R-NZD10F071D | R902011220 |
| A4VG250NVDT1/32R-NZD10F001D | R902112892 |
| A4VG28DA1D2/32R-NSC10F025SH-S | R902079721 |
| A4VG28DA1D2/32R-NZC10F005SH | R902052587 |
| A4VG28DA1D2/32R-NZC10F015SH | R902052589 |
| A4VG28DA1D3L/32R-NSC10F015SH-S | R902118390 |
| A4VG28DA1D3R/32R-NSC10K015EH | R902067099 |
| A4VG28DA1D3R/32R-NZC10F015SH | R902052599 |
| A4VG28DA1D8/32R-NSC10F015SP-ES | R902129399 |
| A4VG28DA1D8/32R-NZC10F015DP | R902112943 |
| A4VG28DA1DT2/32R-NSC10F015SH | R902052584 |
| A4VG28DA1DT3L/32R-NSC10K015EH | R902067417 |
| A4VG28DA2D2/32R-NSC10F015SH | R902052603 |
| A4VG28DA2D2/32R-NZC10F005SH | R902052605 |
| A4VG28DGD1/32R-NSC10F003S | R902022100 |
| A4VG28DGDT1/32R-NSC10K013E | R902103976 |
| A4VG28DGDT1/32R-NSC10K043E | R902099864 |
| A4VG28EP3D1/32R-NSC10F045SH | R902110567 |
| A4VG28EP3DM2/32R-NZC10F015SH | R902110563 |
| A4VG28EP3DT1/32L-NSC10F015SH-S | R902110570 |
| A4VG28EP3DT2/32R-NSC10F005SH | R902110556 |
| A4VG28EP4D1/32L-NSC10F003SP | R902131778 |
| A4VG28EP4D1/32L-NSC10F015SH | R902110661 |
| A4VG28EP4D1/32L-NZC10F013SH | R902110616 |
| A4VG28EP4D1/32L-NZC10F025ST | R902110587 |
| A4VG28EP4D1/32L-NZC10F043SP | R902131776 |
| A4VG28EP4D1/32L-NZC10F045SH | R902110677 |
| A4VG28EP4D1/32R-NSC10F005DH | R902110629 |
| A4VG28EP4D1/32R-NSC10F005DP | R902110707 |
| A4VG28EP4D1/32R-NSC10F005SH | R902110604 |
| A4VG28EP4D1/32R-NSC10F006DRH | R902110681 |
| A4VG28EP4D1/32R-NSC10F015SH | R902110605 |
| A4VG28EP4D1/32R-NSC10F023SP | R902110705 |
| A4VG28EP4D1/32R-NSC10F025DH | R902110607 |
| A4VG28EP4D1/32R-NSC10K026EP | R902120443 |
| A4VG28EP4D1/32R-NZC10F005SH | R902110633 |
| A4VG28EP4D1/32R-NZC10F015SH | R902110653 |
| A4VG28EP4DM1/32L-NSC10F003DH | R902110667 |
| A4VG28EP4DM1/32L-NSC10F003SH | R902110673 |
| A4VG28EP4DM1/32L-NSC10F023SH | R902110687 |
| A4VG28EP4DMT1/32L-NSC10N005EP | R902138722 |
| A4VG28EP4DMT1/32R-NSC10F015DH | R902136488 |
| A4VG28EP4DT1/32L-NSC10F005SH | R902110641 |
| A4VG28EP4DT1/32R-NSC10F005SH | R902110627 |
| A4VG28EP4DT1/32R-NSC10N005EH | R902119003 |
| A4VG28EZ2DM1/32R-NSC10N003EH | R902074211 |
| A4VG28HD3D1/32R-NSC10F015S | R902110709 |
| A4VG28HD3D1/32R-NZC10F003D | R902122231 |
| A4VG28HD3D1/32R-NZC10F005D | R902110752 |
| A4VG28HD3D1/32R-NZC10F005S | R902110743 |
| A4VG28HD3D1/32R-NZC10F006S-S | R902110739 |
| A4VG28HD3DM2/32R-NZC10F015S | R902110736 |
| A4VG28HD3DT1/32L-NSC10F015S | R902110751 |
| A4VG28HD3DT1/32R-NSC10F005S | R902110728 |
| A4VG28HD3DT1/32R-NSC10F025S | R902110750 |
| A4VG28HWD1/32L-NSC10F015D | R902138878 |
| A4VG28HWD1/32R-NSC10F015S | R902019574 |
| A4VG28HWD1/32R-NSC10F044D | R902061779 |
| A4VG28HWD1/32R-NSC10K015E | R902067499 |
| A4VG28HWD1/32R-NSC10K045E | R902067498 |
| A4VG28HWD3R/32R-NZC10F015S | R902102282 |
| A4VG28HWDL1/32R-NSC10F005S | R902131722 |
| A4VG28HWDL1/32R-NSC10N005E-S | R902097789 |
| A4VG28HWDL1/32R-NZC10F015S | R902120332 |
| A4VG28NVDT1/32L-NSC10F005S | R902018980 |
| A4VG28NVDT1/32R-NSC10F005S | R902018981 |
| A4VG40DA1D2/32R-NAC02F025SQ | R902089459 |
| A4VG40DA1D2/32R-NAC02F025ST *AL* | R902084522 |
| A4VG40DA1D2/32R-NSC02F015SH | R902053638 |
| A4VG40DA1D2/32R-NZC02F005SH | R902112684 |
| A4VG40DA1D2/32R-NZC02F005SP | R902131987 |
| A4VG40DA1D2/32R-NZC02F013SH | R902074322 |
| A4VG40DA1D3L/32R-NZC02F005FH | R902131571 |
| A4VG40DA1D4/32R-NZC02F025SH | R902079999 |
| A4VG40DA1D8/32R-NAC02F005SH | R902074052 |
| A4VG40DA1D8/32R-NZC02F005LT *AL* | R902102237 |
| A4VG40DA1D8/32R-NZC02F015SH | R902053724 |
| A4VG40DA1DT2/32R-NZC02F015SH-S | R902053631 |
| A4VG40DA1DT4/32R-NZC02F015SH-S | R902123633 |
| A4VG40DA2D7/32R-NZC02F025LH | R902066197 |
| A4VG40DA2DT2/32R-NZC02F015SH | R902053729 |
| A4VG40DGD1/32L-NZC02F003S | R902019954 |
| A4VG40DGD2/32R-NSC02F015S | R902019978 |
| A4VG40DGD2/32R-NZC02F015S | R902031128 |
| A4VG40EP3D1/32L-NAC02F005SH | R902146249 |
| A4VG40EP3D1/32L-NUC02F003SH | R902110837 |
| A4VG40EP3D1/32L-NZC02F093SH | R902110833 |
| A4VG40EP3D1/32L-NZC02F095SH-S | R902110835 |
| A4VG40EP3D1/32R-NAC02K015EH | R902110830 |
| A4VG40EP3D1/32R-NSC02F013FH | R902110781 |
| A4VG40EP3D1/32R-NSC02F015SP | R902111133 |
| A4VG40EP3DM1/32R-NSC02F005SP | R902110828 |
| A4VG40EP3DM2/32R-NAC02F093SH | R902110825 |
| A4VG40EP3DM2/32R-NZC02F025SH | R902110780 |
| A4VG40EP3DM3L/32R-NUC02F025SH | R902110820 |
| A4VG40EP4D1/32L-NAC02F025SH | R902131780 |
| A4VG40EP4D1/32L-NAC02F045FT-S | R902110850 |
| A4VG40EP4D1/32L-NAC02F045PH | R902111031 |
| A4VG40EP4D1/32L-NAC02F095PH | R902111054 |
| A4VG40EP4D1/32L-NSC02F005SP | R902111140 |
| A4VG40EP4D1/32L-NSC02F025FH | R902111083 |
| A4VG40EP4D1/32L-NSC02F025PH | R902110911 |
| A4VG40EP4D1/32L-NUC02F025PH | R902111030 |
| A4VG40EP4D1/32L-NZC02F005DP | R902138595 |
| A4VG40EP4D1/32L-NZC02F005FH | R902110946 |
| A4VG40EP4D1/32R-NAC02F095SP | R902138581 |
| A4VG40EP4D1/32R-NSC02F003DP | R902131081 |
| A4VG40EP4D1/32R-NSC02F005DH | R902110910 |
| A4VG40EP4D1/32R-NSC02F005DP | R902123684 |
| A4VG40EP4D1/32R-NSC02F015SP | R902134217 |
| A4VG40EP4D1/32R-NSC02F045DH | R902111037 |
| A4VG40EP4D1/32R-NSC02F095PP | R902111144 |
| A4VG40EP4D1/32R-NSC02N003EP | R902117218 |
| A4VG40EP4D1/32R-NUC02F005SH | R902110928 |
| A4VG40EP4D1/32R-NUC02F005SP | R902138585 |
| A4VG40EP4D1/32R-NUC02F015PP | R902111145 |
| A4VG40EP4D1/32R-NZC02F003SP | R902137001 |
| A4VG40EP4D1/32R-NZC02F005DH | R902110919 |
| A4VG40EP4D1/32R-NZC02F005DP | R902138584 |
| A4VG40EP4D1/32R-NZC02F005SH | R902110909 |
| A4VG40EP4D1/32R-NZC02F045DH | R902110937 |
| A4VG40EP4D2/32R-NZC02F013FH | R902110908 |
| A4VG40EP4DM1/32L-NAC02F025DH | R902111063 |
| A4VG40EP4DM1/32L-NAC02F093PH | R902111012 |
| A4VG40EP4DM1/32L-NSC02F043DH | R902110917 |
| A4VG40EP4DM1/32L-NZC02F003DH | R902110943 |
| A4VG40EP4DM1/32L-NZC02F003SH | R902110890 |
| A4VG40EP4DM1/32R-NAC02F013PH | R902110948 |
| A4VG40EP4DM1/32R-NAC02F015PH | R902111102 |
| A4VG40EP4DM1/32R-NAC02F093PH | R902111010 |
| A4VG40EP4DM1/32R-NSC02F005DH | R902111047 |
| A4VG40EP4DM1/32R-NSC02F005DP | R902138660 |
| A4VG40EP4DM1/32R-NSC02F005SP | R902134291 |
| A4VG40EP4DM1/32R-NSC02F013PH-S | R902131111 |
| A4VG40EP4DM1/32R-NSC02F025PH | R902111065 |
| A4VG40EP4DM1/32R-NSC02F025PT-S | R902111125 |
| A4VG40EP4DM1/32R-NUC02F023PH | R902111094 |
| A4VG40EP4DM1/32R-NZC02F003DH | R902111086 |
| A4VG40EP4DM1/32R-NZC02F003FH | R902110891 |
| A4VG40EP4DMT1/32L-NSC02F015PH | R902131883 |
| A4VG40EP4DT1/32L-NZC02F005SH | R902123843 |
| A4VG40EP4DT1/32L-NZC02F045SH | R902120215 |
| A4VG40EP4DT1/32L-NZX02F015SH-S | R902110921 |
| A4VG40EP4DT1/32L-NZX02F025SH-S | R902110920 |
| A4VG40EP4DT1/32R-NZC02F005SH | R902123845 |
| A4VG40EP4DT1/32R-NZC02F013DH | R902110895 |
| A4VG40EZ1DM1/32R-NSC02N003EH-ES | R902133059 |
| A4VG40EZ1DM1/32R-NSC02N003EH-ES | R902136038 |
| A4VG40EZ2D1/32R-NSC02F003SH | R902097006 |
| A4VG40EZ2D1/32R-NSC03F003SH | R902120228 |
| A4VG40EZ2D1/32R-NZC02F015SH | R902097673 |
| A4VG40EZ2DM1/32R-NSC02F005DH | R902072898 |
| A4VG40HD3D1/32L-NSC02F006F | R902111180 |
| A4VG40HD3D1/32L-NSC02F00XL-S | R902111192 |
| A4VG40HD3D1/32L-NSC02F015P | R902111200 |
| A4VG40HD3D1/32R-NSC02F023D | R902131344 |
| A4VG40HD3D1/32R-NSC02F025S | R902111163 |
| A4VG40HD3D1/32R-NSC02K015E | R902136130 |
| A4VG40HD3D1/32R-NSC02K095E | R902111161 |
| A4VG40HD3D1/32R-NUC02K015E | R902111164 |
| A4VG40HD3D1/32R-NZC02F003D | R902120041 |
| A4VG40HD3D1/32R-NZC02F005D | R902131627 |
| A4VG40HD3D1/32R-NZC02F006D | R902111190 |
| A4VG40HD3D2/32R-NAC02F095K | R902111236 |
| A4VG40HD3D2/32R-NUC02F005K | R902117485 |
| A4VG40HD3D2/32R-NZC02F013S | R902111195 |
| A4VG40HD3D2/32R-NZC02F023S | R902111154 |
| A4VG40HD3DM1/32R-NSC02F045M | R902111173 |
| A4VG40HD3DM1/32R-NSC02F046P | R902111228 |
| A4VG40HD3DM2/32R-NSC02F016M | R902111231 |
| A4VG40HD3DT1/32L-NAC02F043D | R902111178 |
| A4VG40HD3DT1/32R-NSC02F025M | R902111207 |
| A4VG40HD3DT2/32R-NZC02F015S | R902120194 |
| A4VG40HWD1/32L-NSC02F003D | R902067355 |
| A4VG40HWD1/32R-NSC02F003D | R902020728 |
| A4VG40HWD2/32R-NZC02F013S | R902021034 |
| A4VG40NVDM1/32L-NAC02F023L | R902037396 |
| A4VG40NVDT1/32L-NZC02F015S-S | R902019985 |
| A4VG40NVDT1/32R-NZC02F015S-S | R902019963 |
| A4VG56DA1D2/32L-NSC02F016SH | R902055073 |
| A4VG56DA1D2/32L-NZC02F005SP | R902136420 |
| A4VG56DA1D2/32R-NAC02F025SH | R902074357 |
| A4VG56DA1D2/32R-NAC02F075SH-S | R902056865 |
| A4VG56DA1D2/32R-NSC02F005SH | R902074181 |
| A4VG56DA1D2/32R-NTC02F003SH | R902055084 |
| A4VG56DA1D2/32R-NTC02F025SH | R902076706 |
| A4VG56DA1D2/32R-NZC02F005FQ-E | R902117149 |
| A4VG56DA1D2/32R-NZC02F005SH-S | R902055089 |
| A4VG56DA1D2/32R-NZC02F015SH | R902075761 |
| A4VG56DA1D2/32R-NZC02F023SH | R902055094 |
| A4VG56DA1D2/32R-NZC02F023SH-S | R902055096 |
| A4VG56DA1D2/32R-NZC02F025FH | R902055102 |
| A4VG56DA1D2/32R-NZC02F025SH | R902055105 |
| A4VG56DA1D3L/32R-NSC02F013DH | R902055109 |
| A4VG56DA1D3L/32R-NZC02F005FH | R902131822 |
| A4VG56DA1D3L/32R-NZC02F013SH | R902055112 |
| A4VG56DA1D3L/32R-NZC02F015DH | R902055114 |
| A4VG56DA1D3L/32R-NZC02F015SH | R902055115 |
| A4VG56DA1D3L/32R-NZC02F023SH | R902055116 |
| A4VG56DA1D3L/32R-NZC02F025SH | R902055119 |
| A4VG56DA1D3L/32R-NZC02F025SH-S | R902061278 |
| A4VG56DA1D3R/32R-NAC02F025FH | R902055125 |
| A4VG56DA1D3R/32R-NSC02F025SH | R902055126 |
| A4VG56DA1D3R/32R-NZC02F025SH | R902055132 |
| A4VG56DA1D4/32R-NAC02F075SH | R902055134 |
| A4VG56DA1D4/32R-NZC02F005FH | R902112820 |
| A4VG56DA1D4/32R-NZC02F005SH | R902055135 |
| A4VG56DA1D4/32R-NZC02F013FH | R902055136 |
| A4VG56DA1D4/32R-NZC02F015SH-S | R902071997 |
| A4VG56DA1D4/32R-NZC02F025SH | R902055139 |
| A4VG56DA1D4/32R-NZC02F025SH | R902085991 |
| A4VG56DA1D7/32R-NAC02F045SH-S | R902094108 |
| A4VG56DA1D7/32R-NAC02F075SH | R902088173 |
| A4VG56DA1D7/32R-NZC02F005SH | R902055151 |
| A4VG56DA1D7/32R-NZC02F025LH | R902055154 |
| A4VG56DA1D7/32R-NZC02F025SQ | R902112696 |
| A4VG56DA1D7/32R-NZC03F005SH-ES | R902117306 |
| A4VG56DA1D7/32R-NZC03F025SH-S | R902117296 |
| A4VG56DA1D8/32R-NAC02F005SH | R902055161 |
| A4VG56DA1D8/32R-NAC02F015ST *AL* | R902079568 |
| A4VG56DA1D8/32R-NAC02F045SH | R902055163 |
| A4VG56DA1D8/32R-NAC02F075SH | R902068439 |
| A4VG56DA1D8/32R-NSC02F015SH | R902055164 |
| A4VG56DA1D8/32R-NSC02F025SH | R902055165 |
| A4VG56DA1D8/32R-NSC02F045MH | R902072726 |
| A4VG56DA1D8/32R-NTC02F015SH | R902055167 |
| A4VG56DA1D8/32R-NTC02F025SH | R902055168 |
| A4VG56DA1D8/32R-NZC02F005SH | R902055170 |
| A4VG56DA1D8/32R-NZC02F015SH | R902055173 |
| A4VG56DA1D8/32R-NZC02F015SH | R902055174 |
| A4VG56DA1D8/32R-NZC02F025SH | R902055182 |
| A4VG56DA1D8/32R-NZC02F025SH | R902055179 |
| A4VG56DA1D8/32R-NZC02F025SH | R902055180 |
| A4VG56DA1DM2/32R-NAC02F025PH | R902087822 |
| A4VG56DA1DM2/32R-NZC02F015PH | R902085616 |
| A4VG56DA1DM3R/32R-NAC02F045FH | R902118153 |
| A4VG56DA1DT2/32L-NZC02F025SH-S | R902055062 |
| A4VG56DA1DT2/32R-NAC02F075SH-S | R902127376 |
| A4VG56DA1DT2/32R-NZC02F025SH-S | R902055064 |
| A4VG56DA1DT3L/32R-NZC02F025SH | R902055066 |
| A4VG56DA1DT4/32R-NZC02F023SH | R902055067 |
| A4VG56DA1DT4/32R-NZC02F025SH | R902055068 |
| A4VG56DA2D2/32L-NSC02F005DH | R902055199 |
| A4VG56DA2D2/32L-NZC02F005SH | R902055200 |
| A4VG56DA2D2/32R-NSC02F005SH | R902055203 |
| A4VG56DA2D2/32R-NSC02F045MH | R902055207 |
| A4VG56DA2D2/32R-NSC02F075DH | R902067079 |
| A4VG56DA2D2/32R-NTC02F045SH | R902118401 |
| A4VG56DA2D2/32R-NTC02F073SH | R902055208 |
| A4VG56DA2D2/32R-NZC02F005SH | R902055209 |
| A4VG56DA2D2/32R-NZC02F015LH | R902055212 |
| A4VG56DA2D2/32R-NZC02F015SH | R902079875 |
| A4VG56DA2D2/32R-NZC02F015SH-S | R902055213 |
| A4VG56DA2D2/32R-NZC02F025SH | R902094333 |
| A4VG56DA2D3L/32R-NZC02F005SH | R902072803 |
| A4VG56DA2D3L/32R-NZC02F023SH | R902120341 |
| A4VG56DA2D3R/32R-NZC02F045SH | R902055217 |
| A4VG56DA2D4/32R-NAC02F075SH | R902067074 |
| A4VG56DA2D4/32R-NZC02F015SH | R902102187 |
| A4VG56DA2D8/32R-NAC02F075SH | R902055218 |
| A4VG56DA2D8/32R-NSC02F025MH | R902055219 |
| A4VG56DA2DM2/32R-NAC02F075SH | R902088379 |
| A4VG56DA2DM4/32R-NZC02F015SH | R902075609 |
| A4VG56DA2DT2/32L-NSC02F025SH | R902055190 |
| A4VG56DA2DT2/32L-NZC02F005SH | R902055191 |
| A4VG56DA2DT2/32L-NZC02F015SH | R902055192 |
| A4VG56DA2DT2/32R-NZC02F005SH | R902055193 |
| A4VG56DA2DT3L/32R-NZC02F045PH | R902055194 |
| A4VG56DA2DT3L/32R-NZC02F045SH | R902055195 |
| A4VG56DA2DT3R/32R-NAC02F043SH | R902055196 |
| A4VG56DA2DT4/32R-NZC02F005FH | R902090986 |
| A4VG56DA2DT7/32R-NZC02F025SH | R902055197 |
| A4VG56DGD1/32L-NSC02F045D | R902026724 |
| A4VG56DGD1/32R-NAC02F075S | R902028338 |
| A4VG56DGD1/32R-NSC02F005S | R902019821 |
| A4VG56DGD1/32R-NSC02F015S | R902105151 |
| A4VG56DGD1/32R-NZC02F005S | R902032204 |
| A4VG56DGD1/32R-NZC02F015S | R902019834 |
| A4VG56DGD2/32L-NSC02F023S | R902079606 |
| A4VG56DGD2/32R-NAC02F013S | R902069491 |
| A4VG56DGD2/32R-NSC02F023S | R902019810 |
| A4VG56DGD2/32R-NZC02F005S | R902036468 |
| A4VG56DGD2/32R-NZC02F015S | R902036470 |
| A4VG56DGDM1/32L-NSC02F005S | R902029064 |
| A4VG56DGDM1/32R-NAC02F075P | R902119078 |
| A4VG56DGDM1/32R-NSC02F005S | R902066925 |
| A4VG56DGDM1/32R-NSC02F045P | R902119077 |
| A4VG56DGDM1/32R-NSC02F075D | R902029065 |
| A4VG56DGDMT1/32R-NSC02K015E | R902029150 |
| A4VG56DGDT1/32R-NSC02F005B | R902149735 |
| A4VG56DGDT1/32R-NSC02F075B | R902146087 |
| A4VG56DWDT1/32R-NZC02F003D-S | R902042592 |
| A4VG56EP3D1/32L-NSC02F003SH | R902111347 |
| A4VG56EP3D1/32L-NTC02F073SH | R902111369 |
| A4VG56EP3D1/32L-NZC02F003SH | R902111346 |
| A4VG56EP3D1/32R-NAC02F073SH | R902111394 |
| A4VG56EP3D1/32R-NSC02F023SH | R902111416 |
| A4VG56EP3D1/32R-NSC02F043FH | R902111454 |
| A4VG56EP3D1/32R-NSC02F073FH | R902111356 |
| A4VG56EP3D1/32R-NZC02F003DH | R902111435 |
| A4VG56EP3D3L/32R-NSC02F023SH | R902112688 |
| A4VG56EP3D3L/32R-NSC02F043SH | R902111393 |
| A4VG56EP3D3L/32R-NSC02F043SH | R902110953 |
| A4VG56EP3D3L/32R-NSC02F043SH-E | R902092923 |
| A4VG56EP3D3L/32R-NZC02F025SH | R902111340 |
| A4VG56EP3DT1/32R-NZC02F075SH | R902120150 |
| A4VG56EP4D1/32L-NAC02F003DH | R902111516 |
| A4VG56EP4D1/32L-NAC02F005DH | R902111670 |
| A4VG56EP4D1/32L-NAC02F073SP | R902131386 |
| A4VG56EP4D1/32L-NAC02F075LH | R902111668 |
| A4VG56EP4D1/32L-NAC02F075SP | R902131969 |
| A4VG56EP4D1/32L-NAC02K025EP | R902111805 |
| A4VG56EP4D1/32L-NSC02F005LH | R902111637 |
| A4VG56EP4D1/32L-NSC02F013SP | R902111807 |
| A4VG56EP4D1/32L-NSC02F023DP | R902134204 |
| A4VG56EP4D1/32L-NSC02F025SP | R902117080 |
| A4VG56EP4D1/32L-NTC02F045SH | R902111710 |
| A4VG56EP4D1/32L-NZC02F003SH | R902111533 |
| A4VG56EP4D1/32L-NZC02F013SP | R902111823 |
| A4VG56EP4D1/32L-NZC02F043SP | R902111817 |
| A4VG56EP4D1/32R-NAC02F005LH | R902111713 |
| A4VG56EP4D1/32R-NAC02F045DH | R902111704 |
| A4VG56EP4D1/32R-NAC02F075SH | R902111625 |
| A4VG56EP4D1/32R-NAC02F075SP | R902118408 |
| A4VG56EP4D1/32R-NSC02F003DH | R902111521 |
| A4VG56EP4D1/32R-NSC02F003DP | R902120094 |
| A4VG56EP4D1/32R-NSC02F003PH | R902111644 |
| A4VG56EP4D1/32R-NSC02F005DH | R902111509 |
| A4VG56EP4D1/32R-NSC02F013SP | R902111809 |
| A4VG56EP4D1/32R-NSC02F015DH | R902111629 |
| A4VG56EP4D1/32R-NSC02F015SH | R902111528 |
| A4VG56EP4D1/32R-NSC02F023DP | R902123579 |
| A4VG56EP4D1/32R-NSC02F025SP | R902118409 |
| A4VG56EP4D1/32R-NSC02F043DH | R902111586 |
| A4VG56EP4D1/32R-NSC02F075DH | R902111508 |
| A4VG56EP4D1/32R-NTC02F073SP | R902111810 |
| A4VG56EP4D1/32R-NTC02F075SH | R902111591 |
| A4VG56EP4D1/32R-NZC02F003FH | R902111594 |
| A4VG56EP4D1/32R-NZC02F003SH | R902111532 |
| A4VG56EP4D1/32R-NZC02F003SP | R902111808 |
| A4VG56EP4D1/32R-NZC02F005DP | R902118495 |
| A4VG56EP4D1/32R-NZC02F005SH | R902111583 |
| A4VG56EP4D1/32R-NZC02F006DH | R902111751 |
| A4VG56EP4D1/32R-NZC02F023DP | R902138551 |
| A4VG56EP4D2/32L-NSC02F075FH | R902111702 |
| A4VG56EP4D2/32R-NSC02F005BP-S | R902129126 |
| A4VG56EP4D2/32R-NZC02F005SH | R902111584 |
| A4VG56EP4D2/32R-NZC02F015SH | R902111517 |
| A4VG56EP4D2/32R-NZC02F045PH | R902111717 |
| A4VG56EP4DM1/32L-NSC02F005FH | R902112738 |
| A4VG56EP4DM1/32L-NSC02F015SH | R902111582 |
| A4VG56EP4DM1/32R-NSC02F025PH | R902111724 |
| A4VG56EP4DM1/32R-NZC02F006DH | R902129209 |
| A4VG56EP4DM1/32R-NZC02F075FH | R902118125 |
| A4VG56EP4DM2/32R-NZC02F015SH | R902111559 |
| A4VG56EP4DT1/32L-NAC02F013DH | R902111545 |
| A4VG56EP4DT1/32L-NSC02F005SP | R902136397 |
| A4VG56EP4DT1/32L-NZC02F013SH | R902120148 |
| A4VG56EP4DT1/32R-NAC02F005BP-S | R902133198 |
| A4VG56EP4DT1/32R-NAC02F075BP | R902149733 |
| A4VG56EP4DT1/32R-NSC02F005BP | R902149706 |
| A4VG56EP4DT1/32R-NSC02N003EH | R902111616 |
| A4VG56EP4DT1/32R-NTC02F075BP-S | R902146089 |
| A4VG56EP4DT2/32L-NZC02F015SH | R902146058 |
| A4VG56EP4DT7/32R-NAC02F075SP | R902149849 |
| A4VG56EP4DT7/32R-NSC02F015SP | R902149851 |
| A4VG56EZ1D1/32R-NSC02F003DH | R902055017 |
| A4VG56EZ1D1/32R-NSC02F023SH | R902055018 |
| A4VG56EZ1D1/32R-NSC02F025SH | R902053291 |
| A4VG56EZ1DM1/32R-NZC02F023SH | R902055016 |
| A4VG56EZ2D1/32L-NZC02F003SH | R902055036 |
| A4VG56EZ2D1/32L-NZC02F005SH | R902083151 |
| A4VG56EZ2D1/32R-NSC02F015SH | R902055037 |
| A4VG56EZ2D1/32R-NZC02F013SH | R902055053 |
| A4VG56EZ2DM1/32L-NSC02F003DH | R902053368 |
| A4VG56EZ2DM1/32L-NSC02F003FH | R902066499 |
| A4VG56EZ2DM1/32L-NSC02F023SH | R902055025 |
| A4VG56EZ2DM1/32R-NSC02F003FH | R902087039 |
| A4VG56EZ2DM1/32R-NSC02F003FH *AL* | R902083944 |
| A4VG56EZ2DM1/32R-NSC02F004SH | R902055026 |
| A4VG56EZ2DM1/32R-NSC02F005DH | R902066728 |
| A4VG56EZ2DM1/32R-NSC02F005SP-S | R902131629 |
| A4VG56EZ2DM1/32R-NSC02F013FH | R902068430 |
| A4VG56EZ2DM1/32R-NSC02F013LH | R902068492 |
| A4VG56EZ2DM1/32R-NSC02F013SH | R902068406 |
| A4VG56EZ2DM1/32R-NSC02F023SH | R902066704 |
| A4VG56EZ2DT1/32L-NSC02F003SH | R902055033 |
| A4VG56HD3D1/32L-NSC02F003D | R902111880 |
| A4VG56HD3D1/32L-NSC02F00XL-S | R902111945 |
| A4VG56HD3D1/32L-NSC02F01XL-S | R902111981 |
| A4VG56HD3D1/32L-NSC02F023D | R902111866 |
| A4VG56HD3D1/32L-NSC02F073D | R902111867 |
| A4VG56HD3D1/32L-NTC02F015F | R902111938 |
| A4VG56HD3D1/32L-NTC02F025F | R902111937 |
| A4VG56HD3D1/32L-NZC02F003S | R902111983 |
| A4VG56HD3D1/32L-NZC02F005S | R902131527 |
| A4VG56HD3D1/32R-NSC02F003D | R902111872 |
| A4VG56HD3D1/32R-NSC02F003F | R902111941 |
| A4VG56HD3D1/32R-NSC02F025S | R902111904 |
| A4VG56HD3D1/32R-NSC02F045S | R902111912 |
| A4VG56HD3D1/32R-NZC02F003D | R902111976 |
| A4VG56HD3D1/32R-NZC02F005S | R902111957 |
| A4VG56HD3D1/32R-NZC02F025S | R902117336 |
| A4VG56HD3D2/32R-NZC02F005S | R902111891 |
| A4VG56HD3D2/32R-NZC02F015S | R902111861 |
| A4VG56HD3D2/32R-NZC02F045S | R902111929 |
| A4VG56HD3DM1/32R-NZC02F013D-E | R902092924 |
| A4VG56HD3DM2/32R-NSC02F026M | R902111980 |
| A4VG56HD3DMT1/32L-NSC02F003D | R902111869 |
| A4VG56HD3DMT1/32L-NSC02F045S | R902112477 |
| A4VG56HD3DMT1/32L-NTC02F015P | R902137297 |
| A4VG56HD3DMT1/32R-NZC02F005D | R902111908 |
| A4VG56HD3DT1/32L-NAC02F043D | R902111985 |
| A4VG56HD3DT1/32R-NZC02F015L | R902111927 |
| A4VG56HD3DT1/32R-NZC02F025S | R902111868 |
| A4VG56HD3DT2/32R-NSC02F025S | R902111986 |
| A4VG56HWD1/32L-NAC02F023S | R902021198 |
| A4VG56HWD1/32L-NAC02F043S | R902021200 |
| A4VG56HWD1/32L-NZC02F003S | R902021192 |
| A4VG56HWD1/32L-NZC02F023S | R902021197 |
| A4VG56HWD1/32R-NAC02F013S | R902020865 |
| A4VG56HWD1/32R-NAC02F043D | R902068274 |
| A4VG56HWD1/32R-NAC02F043S | R902021199 |
| A4VG56HWD1/32R-NSC02F003D | R902020665 |
| A4VG56HWD1/32R-NSC02F003S | R902050087 |
| A4VG56HWD1/32R-NSC02F005S | R902020681 |
| A4VG56HWD1/32R-NSC02F015S | R902020682 |
| A4VG56HWD1/32R-NSC02F025S | R902034655 |
| A4VG56HWD1/32R-NZC02F003S | R902021191 |
| A4VG56HWD1/32R-NZC02F005L | R902074496 |
| A4VG56HWD1/32R-NZC02F005S | R902020855 |
| A4VG56HWD1/32R-NZC02F013S | R902021193 |
| A4VG56HWD1/32R-NZC02F015S | R902028097 |
| A4VG56HWD1/32R-NZC02N003E | R902055527 |
| A4VG56HWD2/32R-NAC02F073S | R902149588 |
| A4VG56HWD2/32R-NAC02F075S | R902034654 |
| A4VG56HWD2/32R-NSC02F025L | R902029396 |
| A4VG56HWD2/32R-NZC02F003S | R902080089 |
| A4VG56HWD2/32R-NZC02F005S | R902036476 |
| A4VG56HWD2/32R-NZC02F015S | R902021449 |
| A4VG56HWD3L/32L-NZC02F045S | R902066527 |
| A4VG56HWD3L/32R-NTC02F023P | R902075760 |
| A4VG56HWD3L/32R-NTC02F023P | R902053274 |
| A4VG56HWD3L/32R-NTC02F025P | R902074000 |
| A4VG56HWD3L/32R-NZC02F003D | R902020688 |
| A4VG56HWD3L/32R-NZC02F003S | R902020649 |
| A4VG56HWD3L/32R-NZC02F005D | R902030054 |
| A4VG56HWD3L/32R-NZC02F005F | R902044475 |
| A4VG56HWD3L/32R-NZC02F043S | R902021203 |
| A4VG56HWDL1/32L-NSC02F005S | R902131807 |
| A4VG56HWDLT1/32R-NZC02K045E | R902117175 |
| A4VG56HWDLT1/32R-NZC02N003E | R902117191 |
| A4VG56HWDM1/32R-NSC02F003P | R902051171 |
| A4VG56HWDM1/32R-NSC02F003S | R902020690 |
| A4VG56HWDM1/32R-NSC02F005S | R902066522 |
| A4VG56HWDM2/32R-NAC02F073S | R902020656 |
| A4VG56HWDT1/32R-NAC02F075F | R902039239 |
| A4VG56HWDT1/32R-NSC02F005F | R902039238 |
| A4VG56HWDT1/32R-NSC02F005S | R902074212 |
| A4VG56HWDT1/32R-NZC02F015D | R902020680 |
| A4VG56HWDT1/32R-NZC02F016K | R902108182 |
| A4VG56HWDT1/32R-NZC02F025S | R902118307 |
| A4VG56HWDT1/32R-NZC02F045D | R902146350 |
| A4VG56HWDT1/32R-NZC02F045S | R902020694 |
| A4VG56NVD1/32R-NZC02F003S | R902021154 |
| A4VG56NVDM1/32R-NSC02F023S | R902048141 |
| A4VG56NVDM1/32R-NSC02F025S | R902074321 |
| A4VG56NVDM1/32R-NSC02F025S | R902071982 |
| A4VG56NVDT1/32L-NZC02F025S-S | R902019830 |
| A4VG56NVDT1/32L-NZC02F045S-S | R902028052 |
| A4VG56NVDT1/32R-NZC02F025S-S | R902019812 |
| A4VG71DA1D2/32R-NAF02F001DQ | R902096442 |
| A4VG71DA1D2/32R-NAF02F021BP | R902131753 |
| A4VG71DA1D2/32R-NAF02F021FP | R902122106 |
| A4VG71DA1D2/32R-NAF02F021SH | R902055299 |
| A4VG71DA1D2/32R-NAF02F041SH | R902085674 |
| A4VG71DA1D2/32R-NSF02F011PP | R902089470 |
| A4VG71DA1D2/32R-NSF02F021PH | R902062981 |
| A4VG71DA1D2/32R-NTF02F071SH | R902055302 |
| A4VG71DA1D2/32R-NZF02F001SH-S | R902055306 |
| A4VG71DA1D2/32R-NZF02F011SH | R902070468 |
| A4VG71DA1D2/32R-NZF02F021BP-S | R902120347 |
| A4VG71DA1D2/32R-NZF02F021PH | R902061820 |
| A4VG71DA1D2/32R-NZF02F021SH | R902099510 |
| A4VG71DA1D2/32R-NZF02F021SH-S | R902055309 |
| A4VG71DA1D2/32R-NZF02F021SP-S | R902118172 |
| A4VG71DA1D2/32R-NZF02F021SQ | R902136173 |
| A4VG71DA1D2/32R-NZF02F021ST *AL* | R902072879 |
| A4VG71DA1D2/32R-NZF02F041DH | R902055313 |
| A4VG71DA1D2/32R-NZF02F041FH | R902087092 |
| A4VG71DA1D2/32R-NZF02F041SH | R902055314 |
| A4VG71DA1D2/32R-NZF02F041SH | R902099508 |
| A4VG71DA1D2/32R-NZF02F071SH | R902055315 |
| A4VG71DA1D3L/32R-NZF02F021FH | R902068043 |
| A4VG71DA1D3L/32R-NZF02F021PH | R902055319 |
| A4VG71DA1D3L/32R-NZF02F021SH | R902055322 |
| A4VG71DA1D3L/32R-NZF02F021SH | R902055320 |
| A4VG71DA1D3L/32R-NZF02F041FH | R902055324 |
| A4VG71DA1D3L/32R-NZF02F041SH | R902055325 |
| A4VG71DA1D3R/32R-NZF02F011SH *AL* | R902106387 |
| A4VG71DA1D3R/32R-NZF02F021FH | R902055326 |
| A4VG71DA1D3R/32R-NZF02F021SH | R902089266 |
| A4VG71DA1D3R/32R-NZF02F021SH | R902076906 |
| A4VG71DA1D3R/32R-NZF02F041SH | R902055329 |
| A4VG71DA1D4/32R-NTF02F001SH | R902055331 |
| A4VG71DA1D4/32R-NZF02F001SH | R902055332 |
| A4VG71DA1D4/32R-NZF02F021DH | R902087940 |
| A4VG71DA1D4/32R-NZF02F021FH | R902072783 |
| A4VG71DA1D4/32R-NZF02F021SH | R902055334 |
| A4VG71DA1D4/32R-NZF02F041SH | R902108219 |
| A4VG71DA1D4/32R-NZF02F071SH | R902096146 |
| A4VG71DA1D7/32R-NAF02F021LH | R902055336 |
| A4VG71DA1D7/32R-NSF02F041SH | R902055338 |
| A4VG71DA1D7/32R-NZF02F001SH | R902055339 |
| A4VG71DA1D7/32R-NZF02F011SH | R902055345 |
| A4VG71DA1D7/32R-NZF02F021SH | R902055346 |
| A4VG71DA1D7/32R-NZF02F041DH | R902064361 |
| A4VG71DA1D7/32R-NZF02F041SH | R902096355 |
| A4VG71DA1D8/32R-NAF02F001LT *AL* | R902087711 |
| A4VG71DA1D8/32R-NSF02F021BP | R902131523 |
| A4VG71DA1D8/32R-NTF02F001SP | R902118137 |
| A4VG71DA1D8/32R-NZF02F001SH | R902055351 |
| A4VG71DA1D8/32R-NZF02F011SH | R902053219 |
| A4VG71DA1D8/32R-NZF02F021SH | R902055359 |
| A4VG71DA1D8/32R-NZF02F021ST *AL* | R902081463 |
| A4VG71DA1D8/32R-NZF02F041LH | R902055364 |
| A4VG71DA1D8/32R-NZF02F041SH | R902146147 |
| A4VG71DA1D8/32R-NZF02F071SH | R902138655 |
| A4VG71DA1DM2/32R-NZF02F001FH | R902074048 |
| A4VG71DA1DM2/32R-NZF02F021FH | R902094065 |
| A4VG71DA1DM2/32R-NZF02F041DH | R902059258 |
| A4VG71DA1DM4/32R-NZF02F001FH | R902056236 |
| A4VG71DA1DM8/32R-NSF02F041MH | R902097376 |
| A4VG71DA1DM8/32R-NZF02F001SH | R902066934 |
| A4VG71DA1DM8/32R-NZF02F011SH | R902055290 |
| A4VG71DA1DM8/32R-NZF02F021FP | R902102083 |
| A4VG71DA1DT2/32L-NTF02F021SH | R902055291 |
| A4VG71DA1DT3L/32R-NZF02F021FH | R902112830 |
| A4VG71DA1DT3L/32R-NZF02F021SH | R902094443 |
| A4VG71DA1DT4/32R-NZF02F001DH | R902089043 |
| A4VG71DA1DT7/32R-NZF02F021FH | R902055294 |
| A4VG71DA1DT7/32R-NZF02F021FH-S | R902055295 |
| A4VG71DA2D2/32L-NAF02F001SH | R902059456 |
| A4VG71DA2D2/32L-NSF02F071LH | R902071915 |
| A4VG71DA2D2/32L-NSF02F071SH | R902069486 |
| A4VG71DA2D2/32L-NTF02F021SH | R902058781 |
| A4VG71DA2D2/32R-NAF02F041SP | R902089657 |
| A4VG71DA2D2/32R-NSF02F001DH | R902063237 |
| A4VG71DA2D2/32R-NSF02F001FH | R902055377 |
| A4VG71DA2D2/32R-NSF02F021DH | R902074003 |
| A4VG71DA2D2/32R-NSF02F021SH | R902055380 |
| A4VG71DA2D2/32R-NSF02F021SH-S | R902089352 |
| A4VG71DA2D2/32R-NTF02F021SH | R902064999 |
| A4VG71DA2D2/32R-NZF02F001DH | R902055382 |
| A4VG71DA2D2/32R-NZF02F001SH | R902055383 |
| A4VG71DA2D2/32R-NZF02F011SH | R902055385 |
| A4VG71DA2D2/32R-NZF02F021FH | R902074081 |
| A4VG71DA2D2/32R-NZF02F021SH | R902055387 |
| A4VG71DA2D2/32R-NZF02F041SP | R902106120 |
| A4VG71DA2D3L/32L-NZF02F001SP | R902138545 |
| A4VG71DA2D3L/32R-NZF02F021FH | R902055388 |
| A4VG71DA2D3R/32R-NSF02F001LH | R902066167 |
| A4VG71DA2D3R/32R-NSF02F021SH | R902055389 |
| A4VG71DA2D3R/32R-NSF02F071FH | R902079783 |
| A4VG71DA2D3R/32R-NSF02F071KH | R902081103 |
| A4VG71DA2D3R/32R-NZF02F001SH | R902070405 |
| A4VG71DA2D4/32R-NZF02F001PH | R902055390 |
| A4VG71DA2D4/32R-NZF02F001SH | R902055391 |
| A4VG71DA2D4/32R-NZF02F011FH | R902062559 |
| A4VG71DA2D7/32R-NAF02F021LH | R902055392 |
| A4VG71DA2D7/32R-NZF02F021SH | R902055393 |
| A4VG71DA2D7/32R-NZF02F021SP | R902085521 |
| A4VG71DA2D8/32L-NZF02F001DH-S | R902055394 |
| A4VG71DA2D8/32R-NAF02F021FH | R902055395 |
| A4VG71DA2D8/32R-NSF02F021MH | R902066702 |
| A4VG71DA2D8/32R-NZF02F011SH | R902103782 |
| A4VG71DA2DM2/32R-NZF02F021DH | R902072864 |
| A4VG71DA2DM2/32R-NZF02F041DH | R902061431 |
| A4VG71DA2DM8/32R-NSF02F041BH | R902149719 |
| A4VG71DA2DT2/32L-NAF02F071LH | R902074123 |
| A4VG71DA2DT2/32L-NZF02F001LH | R902079866 |
| A4VG71DA2DT2/32L-NZF02F011LH | R902079867 |
| A4VG71DA2DT2/32L-NZF02F021SH-S | R902055369 |
| A4VG71DA2DT2/32R-NSF02F041MH | R902055373 |
| A4VG71DA2DT2/32R-NZF02F021SH-S | R902055374 |
| A4VG71DA2DT7/32R-NZF02F021SH | R902055376 |
| A4VG71DA2DT8/32R-NAF02F071SH | R902074324 |
| A4VG71DE1D1/32R-NZF02F041SP-S | R902112809 |
| A4VG71DGD1/32L-NSF02F001F | R902050234 |
| A4VG71DGD1/32L-NSF02F001L | R902041339 |
| A4VG71DGD1/32L-NSF02F021D | R902074668 |
| A4VG71DGD1/32R-NSF02F001S | R902022066 |
| A4VG71DGD1/32R-NTF02F041M | R902097294 |
| A4VG71DGD1/32R-NZF02F001S | R902022052 |
| A4VG71DGD1/32R-NZF02F011S | R902036478 |
| A4VG71DGD1/32R-NZF02F021S | R902036480 |
| A4VG71DGD1/32R-NZF02F041S | R902131623 |
| A4VG71DGD2/32R-NSF02F011S | R902022070 |
| A4VG71DGD2/32R-NZF02F001S | R902036482 |
| A4VG71DGD2/32R-NZF02F011S | R902022084 |
| A4VG71DGD2/32R-NZF02F021S | R902022055 |
| A4VG71DGD2/32R-NZF02F041S | R902149626 |
| A4VG71DGDM1/32R-NSF02F001S-S | R902022085 |
| A4VG71DGDM1/32R-NSF02F021S-S | R902081811 |
| A4VG71DGDT1/32L-NTF02F021S | R902041224 |
| A4VG71DWDMT1/32R-NSF02F021P-S | R902106203 |
| A4VG71EP3D1/32R-NAF02F041FP | R902113168 |
| A4VG71EP3D1/32R-NAF02F071DP | R902133122 |
| A4VG71EP3D1/32R-NSF02F001FP | R902137257 |
| A4VG71EP3D1/32R-NZF02F011SH | R902112202 |
| A4VG71EP3D3L/32R-NZF02F021SH | R902112269 |
| A4VG71EP3DM2/32R-NAF02F071SH | R902112192 |
| A4VG71EP3DM2/32R-NZF02F071SH | R902112249 |
| A4VG71EP3DM3L/32R-NZF02F021SH | R902112250 |
| A4VG71EP3DT1/32R-NAF02F071FP | R902118298 |
| A4VG71EP4D1/32L-NAF02F021FH | R902112437 |
| A4VG71EP4D1/32L-NAF02F041FH | R902112393 |
| A4VG71EP4D1/32L-NSF02F001DH | R902112290 |
| A4VG71EP4D1/32L-NSF02F001DP | R902136365 |
| A4VG71EP4D1/32L-NSF02F001FH | R902112360 |
| A4VG71EP4D1/32L-NSF02F001PP | R902113146 |
| A4VG71EP4D1/32L-NSF02F021FH | R902112412 |
| A4VG71EP4D1/32L-NSF02F021SH | R902112449 |
| A4VG71EP4D1/32L-NSF02F071DP | R902134126 |
| A4VG71EP4D1/32L-NTF02F001SH-S | R902113036 |
| A4VG71EP4D1/32L-NZF02F001DH | R902112367 |
| A4VG71EP4D1/32L-NZF02F001SH | R902112442 |
| A4VG71EP4D1/32L-NZF02F001SP | R902119026 |
| A4VG71EP4D1/32L-NZF02F011SP | R902118435 |
| A4VG71EP4D1/32R-NAF02F071DH | R902112317 |
| A4VG71EP4D1/32R-NAF02F071PP | R902119294 |
| A4VG71EP4D1/32R-NAF02F071SH-S | R902112303 |
| A4VG71EP4D1/32R-NSF02F001DH | R902112292 |
| A4VG71EP4D1/32R-NSF02F001DH-S | R902113040 |
| A4VG71EP4D1/32R-NSF02F001DP | R902113150 |
| A4VG71EP4D1/32R-NSF02F001SH | R902112297 |
| A4VG71EP4D1/32R-NSF02F001SP | R902113135 |
| A4VG71EP4D1/32R-NSF02F011DH | R902112316 |
| A4VG71EP4D1/32R-NSF02F011FP | R902113140 |
| A4VG71EP4D1/32R-NSF02F021DP | R902122004 |
| A4VG71EP4D1/32R-NSF02F021SH | R902112301 |
| A4VG71EP4D1/32R-NSF02F041DH | R902112423 |
| A4VG71EP4D1/32R-NSF02F041PH | R902112351 |
| A4VG71EP4D1/32R-NSF02F041SH | R902112324 |
| A4VG71EP4D1/32R-NTF02K021EH-S | R902112420 |
| A4VG71EP4D1/32R-NZF02F001DH | R902112287 |
| A4VG71EP4D1/32R-NZF02F001FH | R902112305 |
| A4VG71EP4D1/32R-NZF02F001LH | R902112314 |
| A4VG71EP4D1/32R-NZF02F001SH | R902112315 |
| A4VG71EP4D1/32R-NZF02F001SP | R902117372 |
| A4VG71EP4D1/32R-NZF02F011DH | R902113005 |
| A4VG71EP4D1/32R-NZF02F011SH | R902112298 |
| A4VG71EP4D1/32R-NZF02F021BP | R902138544 |
| A4VG71EP4D1/32R-NZF02F071DH | R902112387 |
| A4VG71EP4D1/32R-NZF02F071FP | R902113153 |
| A4VG71EP4D1/32R-NZF10F001DH-S | R902113055 |
| A4VG71EP4D1/32R-XSF02N00XEH-S | R902113075 |
| A4VG71EP4D2/32L-NSF02F001DH | R902112429 |
| A4VG71EP4D2/32L-NZF02F001DH | R902112428 |
| A4VG71EP4D8/32L-NSF02F001SH | R902117484 |
| A4VG71EP4DM1/32L-NSF02F001FH | R902113018 |
| A4VG71EP4DM1/32L-NSF02F001SH | R902112331 |
| A4VG71EP4DM1/32L-NSF02F011FH | R902113006 |
| A4VG71EP4DM1/32L-NSF02F011SH | R902112338 |
| A4VG71EP4DM1/32L-NZF02F001DH | R902112293 |
| A4VG71EP4DM1/32R-NAF02F011PH | R902113046 |
| A4VG71EP4DM1/32R-NSF02F021DH | R902137167 |
| A4VG71EP4DM1/32R-NZF02F001DH | R902112407 |
| A4VG71EP4DM1/32R-NZF02F011DH | R902113007 |
| A4VG71EP4DMT2/32R-NTF02F021DP | R902133313 |
| A4VG71EP4DT1/32L-NSF13F011SP-S | R902137357 |
| A4VG71EP4DT1/32L-NZF02F021FH | R902120152 |
| A4VG71EP4DT1/32R-NAF02F071DP | R902120087 |
| A4VG71EP4DT1/32R-NSF02F001DP | R902120088 |
| A4VG71EP4DT1/32R-NSF02F011FP | R902113137 |
| A4VG71EP4DT1/32R-NSF13F011SP-S | R902137355 |
| A4VG71EP4DT1/32R-NZF02F001SH | R902131490 |
| A4VG71EP4DT1/32R-NZF02F011DH | R902112441 |
| A4VG71EP4DT1/32R-NZF02F023SH-S | R902113028 |
| A4VG71EP4DT1/32R-NZF02F071SH | R902120154 |
| A4VG71EZ1D1/32R-NAF02F041BP | R902146110 |
| A4VG71EZ1D1/32R-NSF02F001SH | R902146240 |
| A4VG71EZ1D1/32R-NSF02F021SH | R902053290 |
| A4VG71EZ1DM1/32R-NSF02F021SH | R902096142 |
| A4VG71EZ1DT1/32R-NSF02F001SH | R902103913 |
| A4VG71EZ2D1/32L-NZF02F021SH | R902055266 |
| A4VG71EZ2D1/32R-NAF02F021DH | R902070469 |
| A4VG71EZ2D1/32R-NSF02F011SH | R902055267 |
| A4VG71EZ2DM1/32L-NAF02F011SH | R902064080 |
| A4VG71EZ2DM1/32L-NZF02F021S *GU* | R902018540 |
| A4VG71EZ2DM1/32L-NZF02F021SH | R902053110 |
| A4VG71EZ2DM1/32R-NSF02F001DQ | R902131812 |
| A4VG71EZ2DM1/32R-NSF02F011FH | R902072768 |
| A4VG71EZ2DM1/32R-NSF02F021SH | R902068428 |
| A4VG71EZ2DM1/32R-NSF02K021EH | R902074468 |
| A4VG71EZ2DM1/32R-NZF02F071LH | R902073327 |
| A4VG71EZ2DM1/32R-NZF02F071PH | R902053088 |
| A4VG71HD3D1/32L-NSF02F001D | R902113196 |
| A4VG71HD3D1/32L-NSF02F001L | R902113304 |
| A4VG71HD3D1/32L-NSF02F00XL-S | R902113257 |
| A4VG71HD3D1/32L-NSF02F01XL-S | R902113305 |
| A4VG71HD3D1/32L-NSF02F021D | R902113192 |
| A4VG71HD3D1/32L-NSF02F071D | R902113212 |
| A4VG71HD3D1/32L-NZF02F011D | R902113265 |
| A4VG71HD3D1/32L-NZF02F021D | R902113201 |
| A4VG71HD3D1/32R-NSF02F001D | R902113191 |
| A4VG71HD3D1/32R-NSF02F021D | R902113197 |
| A4VG71HD3D1/32R-NZF02F001S | R902113204 |
| A4VG71HD3D2/32L-NZF02F001D | R902113202 |
| A4VG71HD3D2/32R-NSF02F001F | R902113234 |
| A4VG71HD3D2/32R-NZF02F003F | R902113235 |
| A4VG71HD3DM1/32R-NZF02F001F | R902113199 |
| A4VG71HD3DMT1/32L-NTF02F011P | R902137302 |
| A4VG71HD3DMT1/32L-NTF02F011S | R902117452 |
| A4VG71HD3DT1/32L-NSF02F001D | R902113246 |
| A4VG71HD3DT1/32L-NZF02F001S | R902113240 |
| A4VG71HD3DT1/32L-NZF02F021S | R902113270 |
| A4VG71HD3DT1/32L-NZF02F041D | R902113237 |
| A4VG71HD3DT1/32R-NSF02F001S | R902113264 |
| A4VG71HD3DT1/32R-NZF02F011P | R902113285 |
| A4VG71HD3DT2/32L-NZF02F021S | R902113225 |
| A4VG71HWD1/32L-NSF02F001D | R902022358 |
| A4VG71HWD1/32L-NSF02F001P | R902076877 |
| A4VG71HWD1/32L-NSF02F001S | R902022650 |
| A4VG71HWD1/32L-NSF02F041S | R902037296 |
| A4VG71HWD1/32L-NTF02F001S | R902037864 |
| A4VG71HWD1/32L-NTF02F071S | R902022396 |
| A4VG71HWD1/32L-NZF02F001F | R902022664 |
| A4VG71HWD1/32L-NZF02F021S | R902022656 |
| A4VG71HWD1/32R-NAF02F011S | R902032142 |
| A4VG71HWD1/32R-NAF02F021S | R902022655 |
| A4VG71HWD1/32R-NSF02F001D | R902087045 |
| A4VG71HWD1/32R-NSF02F001P | R902069481 |
| A4VG71HWD1/32R-NSF02F001S | R902022647 |
| A4VG71HWD1/32R-NSF02F021S | R902022370 |
| A4VG71HWD1/32R-NTF02F021P | R902022379 |
| A4VG71HWD1/32R-NTF02F041S | R902064732 |
| A4VG71HWD1/32R-NTF02F071S | R902055573 |
| A4VG71HWD1/32R-NZF02F001D | R902046942 |
| A4VG71HWD1/32R-NZF02F001S | R902022645 |
| A4VG71HWD1/32R-NZF02F011S | R902022651 |
| A4VG71HWD1/32R-NZF02F021S | R902022654 |
| A4VG71HWD1/32R-NZF02K041E | R902076653 |
| A4VG71HWD2/32L-NZF02F011D | R902032118 |
| A4VG71HWD2/32L-NZF02F011S | R902022659 |
| A4VG71HWD2/32R-NSF02F001S | R902022371 |
| A4VG71HWD2/32R-NSF02F041D | R902071555 |
| A4VG71HWD2/32R-NSF02F071S | R902059034 |
| A4VG71HWD2/32R-NZF02F001S | R902036490 |
| A4VG71HWD2/32R-NZF02F011S | R902036492 |
| A4VG71HWD2/32R-NZF02F021S | R902022660 |
| A4VG71HWD2/32R-NZF02F071P | R902085703 |
| A4VG71HWD2/32R-NZF02F071S | R902022661 |
| A4VG71HWD3L/32R-NTF02F021P | R902053275 |
| A4VG71HWD3L/32R-NZF02F001P | R902044369 |
| A4VG71HWD3L/32R-NZF02F001P | R902074238 |
| A4VG71HWD3L/32R-NZF02F001S | R902022375 |
| A4VG71HWDL1/32R-NTF02F071S | R902146263 |
| A4VG71HWDM1/32L-NSF02F001S | R902046726 |
| A4VG71HWDM1/32R-NSF02F001S | R902061644 |
| A4VG71HWDM1/32R-NTF02F041S | R902022353 |
| A4VG71HWDM1/32R-NZF02F071S | R902023036 |
| A4VG71HWDM2/32R-NSF02F071S | R902023227 |
| A4VG71HWDM2/32R-NZF02F021S | R902046304 |
| A4VG71HWDM2/32R-NZF02F071S | R902046353 |
| A4VG71HWDM3L/32R-NZF02F021S | R902031038 |
| A4VG71HWDM3L/32R-NZF02F071S | R902033599 |
| A4VG71HWDMT1/32R-NAF02F021D | R902081356 |
| A4VG71HWDT1/32L-NAF02F001S | R902083451 |
| A4VG71HWDT1/32L-NAF02F011D | R902081221 |
| A4VG71HWDT1/32L-NAF02F011S | R902083390 |
| A4VG71HWDT1/32L-NZF02F001S | R902022832 |
| A4VG71HWDT1/32R-NAF02F021S | R902094373 |
| A4VG71HWDT1/32R-NAF02F071S | R902077704 |
| A4VG71HWDT1/32R-NAF02K071E | R902044172 |
| A4VG71HWDT1/32R-NSF02F001S | R902037429 |
| A4VG71HWDT1/32R-NTF02K071E | R902096312 |
| A4VG71HWDT1/32R-NTF02KXX1E-ES | R902092499 |
| A4VG71HWDT1/32R-NZF02F011S | R902041412 |
| A4VG71HWDT1/32R-NZF02F023S | R902041136 |
| A4VG71HWDT1/32R-NZF02F041D | R902079984 |
| A4VG71NVD1/32L-NZF02F001D | R902022077 |
| A4VG71NVD1/32R-NZF02F001S | R902022604 |
| A4VG71NVDM1/32R-NSF02F021S | R902074229 |
| A4VG71NVDT1/32L-NZF02F021D | R902088310 |
| A4VG71NVDT1/32L-NZF02F021S-S | R902022075 |
| A4VG71NVDT1/32R-NZF02F021S-S | R902022054 |
| A4VG90DA1D2/32L-NSF02F001SH | R902056020 |
| A4VG90DA1D2/32L-NZF02F021SH | R902079607 |
| A4VG90DA1D2/32L-NZF02F041FH | R902073267 |
| A4VG90DA1D2/32R-NAF02F041SH | R902062585 |
| A4VG90DA1D2/32R-NAF02F071DH | R902064073 |
| A4VG90DA1D2/32R-NSF02F011SH | R902056021 |
| A4VG90DA1D2/32R-NSF02F021PH | R902118171 |
| A4VG90DA1D2/32R-NSF02F021SH | R902056023 |
| A4VG90DA1D2/32R-NZF02F001SH | R902069490 |
| A4VG90DA1D2/32R-NZF02F041FH | R902074923 |
| A4VG90DA1D3L/32L-NZF02F021FH | R902056028 |
| A4VG90DA1D3L/32R-NZF02F021SH | R902056029 |
| A4VG90DA1D3L/32R-NZF02F021SH | R902056031 |
| A4VG90DA1D4/32R-NAF02F041MH | R902084542 |
| A4VG90DA1D4/32R-NZF02F021SH | R902056036 |
| A4VG90DA1D4/32R-NZF02F021SH | R902056037 |
| A4VG90DA1D7/32R-NZF02F011SH | R902056042 |
| A4VG90DA1D8/32R-NAF02F001SH | R902056047 |
| A4VG90DA1D8/32R-NSF02F021MH | R902056048 |
| A4VG90DA1D8/32R-NSF02F071MH | R902064989 |
| A4VG90DA1D8/32R-NZF02F001LH | R902066721 |
| A4VG90DA1D8/32R-NZF02F011MH | R902069485 |
| A4VG90DA1D8/32R-NZF02F011SH | R902056049 |
| A4VG90DA1D8/32R-NZF02F021SH | R902117301 |
| A4VG90DA1D8/32R-NZF02F021SH *AL* | R902056050 |
| A4VG90DA1D8/32R-NZF02F071SH | R902056058 |
| A4VG90DA1DM3L/32R-NZF02F041SH | R902068471 |
| A4VG90DA1DM8/32R-NSF02F021FH | R902056009 |
| A4VG90DA1DM8/32R-NSF02F071MH | R902084864 |
| A4VG90DA1DMT2/32R-NZF02F021FH | R902056007 |
| A4VG90DA1DMT4/32R-NZF02F021FH | R902056008 |
| A4VG90DA1DT2/32R-NZF02F001SH | R902056010 |
| A4VG90DA1DT4/32R-NZF02F021FH | R902056011 |
| A4VG90DA1DT4/32R-NZF02F021SH | R902056012 |
| A4VG90DA1DT7/32R-NZF02F021FH | R902150723 |
| A4VG90DA1DT8/32R-NZF02F021DH | R902056013 |
| A4VG90DA2D2/32L-NAF02F071SH | R902056883 |
| A4VG90DA2D2/32L-NSF02F011SH | R902056076 |
| A4VG90DA2D2/32L-NZF02F001DH | R902056077 |
| A4VG90DA2D2/32L-NZF02F001LH | R902079766 |
| A4VG90DA2D2/32L-NZF02F001SH | R902062595 |
| A4VG90DA2D2/32L-NZF02F021DH | R902103873 |
| A4VG90DA2D2/32L-NZF02F041SH | R902056078 |
| A4VG90DA2D2/32L-NZF02F071SH | R902062599 |
| A4VG90DA2D2/32L-NZX02F011DH-S | R902056079 |
| A4VG90DA2D2/32R-NAF02F001SH | R902056083 |
| A4VG90DA2D2/32R-NAF02F021FH | R902056085 |
| A4VG90DA2D2/32R-NAF02F021SH | R902080401 |
| A4VG90DA2D2/32R-NAF02F071DH | R902062628 |
| A4VG90DA2D2/32R-NAF02F071SH | R902056086 |
| A4VG90DA2D2/32R-NAF02F731SH | R902056088 |
| A4VG90DA2D2/32R-NSF02F001DH | R902066943 |
| A4VG90DA2D2/32R-NSF02F001SH | R902056089 |
| A4VG90DA2D2/32R-NSF02F011DH | R902056090 |
| A4VG90DA2D2/32R-NSF02F021SH | R902053366 |
| A4VG90DA2D2/32R-NSF02F041DH | R902079892 |
| A4VG90DA2D2/32R-NSF02F041SH | R902056093 |
| A4VG90DA2D2/32R-NSF02F071SH | R902056094 |
| A4VG90DA2D2/32R-NZF02F001SH | R902056097 |
| A4VG90DA2D2/32R-NZF02F011SH | R902074253 |
| A4VG90DA2D2/32R-NZF02F021DH | R902056101 |
| A4VG90DA2D2/32R-NZF02F021SH | R902056102 |
| A4VG90DA2D2/32R-NZF02F041SH | R902056107 |
| A4VG90DA2D2/32R-NZF02F071FH | R902056110 |
| A4VG90DA2D2/32R-NZF02F071LH | R902056111 |
| A4VG90DA2D2/32R-NZF02F071SH | R902056112 |
| A4VG90DA2D2/32R-NZX02F021SH-ES | R902120426 |
| A4VG90DA2D3L/32R-NAF02F071SH | R902064352 |
| A4VG90DA2D3L/32R-NZF02F001SH | R902056117 |
| A4VG90DA2D4/32R-NZF02F001SH | R902062877 |
| A4VG90DA2D8/32L-NZF02F021BP | R902137395 |
| A4VG90DA2D8/32R-NSF02F021MH | R902083227 |
| A4VG90DA2D8/32R-NSF02F021MH | R902056124 |
| A4VG90DA2D8/32R-NSF02F071SH | R902056125 |
| A4VG90DA2D8/32R-NZF02F011KH | R902056126 |
| A4VG90DA2D8/32R-NZF02F021SH | R902056127 |
| A4VG90DA2D8/32R-NZF02F041SH | R902071691 |
| A4VG90DA2DM2/32R-NSF02F071SH | R902073309 |
| A4VG90DA2DM2/32R-NZF02F021DH | R902061495 |
| A4VG90DA2DM2/32R-NZF02F041SH | R902070095 |
| A4VG90DA2DM8/32R-NSF02F021MH | R902074086 |
| A4VG90DA2DM8/32R-NSF02F071MH | R902089637 |
| A4VG90DA2DT2/32L-NAF02F001SH | R902056062 |
| A4VG90DA2DT2/32L-NAF02F071SH | R902056063 |
| A4VG90DA2DT2/32L-NZF02F001SH | R902104084 |
| A4VG90DA2DT2/32L-NZF02F011LH | R902076895 |
| A4VG90DA2DT2/32L-NZF02F021SH-S | R902056064 |
| A4VG90DA2DT2/32L-NZF02F071LH | R902076897 |
| A4VG90DA2DT2/32R-NZF02F001LH | R902074126 |
| A4VG90DA2DT2/32R-NZF02F001SH | R902072796 |
| A4VG90DA2DT2/32R-NZF02F011LH | R902069424 |
| A4VG90DA2DT2/32R-NZF02F021SH-S | R902056068 |
| A4VG90DA2DT2/32R-NZF02K021EH | R902076520 |
| A4VG90DA2DT4/32R-NZF02F001SH | R902105274 |
| A4VG90DA2DT8/32R-NAF02F731SH | R902084777 |
| A4VG90DGD1/32L-NSF02F011S | R902074680 |
| A4VG90DGD1/32L-NSF02F021S | R902076615 |
| A4VG90DGD1/32L-NSF02F071S | R902044152 |
| A4VG90DGD1/32L-NZF02F001S | R902081442 |
| A4VG90DGD1/32L-NZF02F021M | R902072731 |
| A4VG90DGD1/32L-NZF02F021S | R902063322 |
| A4VG90DGD1/32R-NSF02F001M | R902094359 |
| A4VG90DGD1/32R-NSF02F021S | R902023115 |
| A4VG90DGD1/32R-NZF02F001S | R902023103 |
| A4VG90DGD1/32R-NZF02F011S | R902066746 |
| A4VG90DGD1/32R-NZF02F021S | R902036494 |
| A4VG90DGD2/32L-NSF02F001S | R902048767 |
| A4VG90DGD2/32R-NAF02F001S | R902068295 |
| A4VG90DGD2/32R-NAF02F071S | R902033727 |
| A4VG90DGD2/32R-NZF02F001S | R902036496 |
| A4VG90DGD2/32R-NZF02F021S | R902036498 |
| A4VG90DGDM1/32L-NSF02F001D | R902053205 |
| A4VG90DGDM1/32L-NSF02F021D | R902053206 |
| A4VG90DGDT1/32R-NSF02F071S | R902087462 |
| A4VG90DGDT1/32R-NZF02F011S | R902066946 |
| A4VG90DGDT1/32R-NZF02F021S | R902062565 |
| A4VG90EP2D1/32R-NZF02F001DH *AL* | R902058008 |
| A4VG90EP2DM1/32L-NSF02F001FH-S *AL* | R902087108 |
| A4VG90EP2DM1/32R-NZF02F001DH *AL* | R902058056 |
| A4VG90EP2DM1/32R-NZF02F001SH *AL* | R902058012 |
| A4VG90EP2DT1/32L-NZF02F021FH *AL* | R902058002 |
| A4VG90EP2DT1/32R-NZF02F001DH-E *AL* | R902092851 |
| A4VG90EP2DT1/32R-NZF02F021SH *AL* | R902094151 |
| A4VG90EP2MT1/32L-NSD10F011SGT-S *AL* | R902070431 |
| A4VG90EP3D1/32L-NZF02F001SH | R902146251 |
| A4VG90EP3D1/32R-NZF02F071SH | R902146242 |
| A4VG90EP3D7/32R-NZF02F041SH | R902122703 |
| A4VG90EP4D1/32L-NZF02F001SH | R902116959 |
| A4VG90EP4D1/32L-NZF02F011DP | R902136001 |
| A4VG90EP4D1/32L-NZF02F011KP | R902138681 |
| A4VG90EP4D1/32R-NAF02F731DP | R902149563 |
| A4VG90EP4D1/32R-NSF02F041KH | R902116965 |
| A4VG90EP4D1/32R-NZF02F001DH | R902116947 |
| A4VG90EP4D1/32R-NZF02F001DH | R902122562 |
| A4VG90EP4D1/32R-NZF02F001MH | R902122520 |
| A4VG90EP4D1/32R-NZF02F001SH | R902116958 |
| A4VG90EP4D1/32R-NZF02F001SP | R902131272 |
| A4VG90EP4D1/32R-NZF02F011DP | R902149565 |
| A4VG90EP4D2/32L-NZF02F001DH | R902116990 |
| A4VG90EP4DM1/32L-NAF02F071PH | R902131879 |
| A4VG90EP4DM1/32L-NSF02F001SH-S | R902116987 |
| A4VG90EP4DM1/32L-NSF02F003PP | R902129407 |
| A4VG90EP4DM1/32L-NSF02F011SH-S | R902116986 |
| A4VG90EP4DM1/32L-NZF02F001SH | R902122525 |
| A4VG90EP4DM1/32R-NSF02F011SH-S | R902116988 |
| A4VG90EP4DM1/32R-NZF02F001DH | R902116972 |
| A4VG90EP4DM1/32R-NZF02F011DH | R902134409 |
| A4VG90EP4DT1/32L-NAF02F001DH | R902122540 |
| A4VG90EP4DT1/32L-NAF02F001DH-S | R902122607 |
| A4VG90EP4DT1/32L-NSF02F071SH-S | R902122576 |
| A4VG90EP4DT1/32L-NZF02F001SH-S | R902122648 |
| A4VG90EP4DT1/32L-NZF02F021FH | R902116943 |
| A4VG90EP4DT1/32L-NZF02F021SH | R902122603 |
| A4VG90EP4DT1/32L-NZF02F021SH-S | R902122656 |
| A4VG90EP4DT1/32R-NAF02F001DH-S | R902122608 |
| A4VG90EP4DT1/32R-NAF02F011SH | R902125854 |
| A4VG90EP4DT1/32R-NAF02F071DH-S | R902122616 |
| A4VG90EP4DT1/32R-NZF02F001DH | R902122586 |
| A4VG90EP4DT1/32R-NZF02F001DH-E | R902136168 |
| A4VG90EP4DT1/32R-NZF02F001SH-S | R902122650 |
| A4VG90EP4DT2/32L-NZF02F011SH | R902146041 |
| A4VG90EZ1DMT1/32R-NZF02F021FH | R902055227 |
| A4VG90EZ1DT1/32L-NAF02F011SH | R902072936 |
| A4VG90EZ2D1/32L-NAF02F021DH | R902075915 |
| A4VG90EZ2D1/32R-NAF02F041DH | R902087136 |
| A4VG90EZ2D1/32R-NAF02F071PP | R902108402 |
| A4VG90EZ2D1/32R-NSF02F001SH | R902055242 |
| A4VG90EZ2D1/32R-NZF02F011DH | R902052916 |
| A4VG90EZ2DM1/32L-NSF02F001SH | R902079598 |
| A4VG90EZ2DM1/32R-NSF02F071LH | R902055228 |
| A4VG90EZ2DM1/32R-NZF02F001SH | R902064088 |
| A4VG90EZ2DM1/32R-NZF02F001SP-S | R902131631 |
| A4VG90EZ2DM1/32R-NZF02F011PH | R902055230 |
| A4VG90EZ2DT1/32L-NAF02F011SH | R902066927 |
| A4VG90EZ2DT1/32R-NSF02F001PH | R902055233 |
| A4VG90EZ2DT1/32R-NZF02F011SH | R902064270 |
| A4VG90HD1D1/32L-NSF02F00XL-S *AL* | R902061501 |
| A4VG90HD1D1/32R-NZF02F001S *AL* | R902059646 |
| A4VG90HD1DMT1/32L-NZF02F021L-S *AL* | R902100625 |
| A4VG90HD1DT1/32L-NSF02F00XL-S *AL* | R902074425 |
| A4VG90HD1DT2/32L-NZF02F001S *AL* | R902074337 |
| A4VG90HD1DT2/32L-NZF02F021S *AL* | R902110959 |
| A4VG90HD3D1/32L-NSF02F001D | R902131530 |
| A4VG90HD3D1/32L-NSF02F00XL-S | R902122831 |
| A4VG90HD3D1/32L-NZF02F021D | R902122817 |
| A4VG90HD3D1/32R-NSF02F731D | R902122881 |
| A4VG90HD3D1/32R-NSF02FXX1S-S | R902122826 |
| A4VG90HD3D1/32R-NZF02F071D | R902122882 |
| A4VG90HD3D2/32R-NAF02F071D | R902131129 |
| A4VG90HD3DM1/32R-NSF02F041B | R902149596 |
| A4VG90HD3DT1/32L-NZF02F021L | R902122833 |
| A4VG90HWD1/32L-NAF02F021M | R902044976 |
| A4VG90HWD1/32L-NSF02F001D | R902023331 |
| A4VG90HWD1/32L-NSF02F001S | R902023332 |
| A4VG90HWD1/32L-NSF02N001E | R902079726 |
| A4VG90HWD1/32L-NZF02F001S | R902023559 |
| A4VG90HWD1/32L-NZF02F011M | R902089057 |
| A4VG90HWD1/32L-NZF02F011S | R902023291 |
| A4VG90HWD1/32L-NZF02F021S | R902023563 |
| A4VG90HWD1/32L-NZF02F041S | R902023564 |
| A4VG90HWD1/32R-NAF02F011F | R902067405 |
| A4VG90HWD1/32R-NAF02F011S | R902033771 |
| A4VG90HWD1/32R-NAF02F021P | R902106041 |
| A4VG90HWD1/32R-NAF02F731S | R902023565 |
| A4VG90HWD1/32R-NSF02F001D | R902026983 |
| A4VG90HWD1/32R-NSF02F001S | R902023309 |
| A4VG90HWD1/32R-NSF02F021D | R902030323 |
| A4VG90HWD1/32R-NSF02F041P | R902085701 |
| A4VG90HWD1/32R-NSF02F071P | R902079914 |
| A4VG90HWD1/32R-NSF02N001E | R902089928 |
| A4VG90HWD1/32R-NZF02F001D | R902042862 |
| A4VG90HWD1/32R-NZF02F001F | R902069480 |
| A4VG90HWD1/32R-NZF02F001S | R902023557 |
| A4VG90HWD1/32R-NZF02F021S | R902023561 |
| A4VG90HWD1/32R-NZF02F071S | R902064070 |
| A4VG90HWD2/32L-NZF02F001S | R902026711 |
| A4VG90HWD2/32L-NZF02F041M | R902089058 |
| A4VG90HWD2/32R-NAF02F041L | R902074025 |
| A4VG90HWD2/32R-NSF02F001D | R902039115 |
| A4VG90HWD2/32R-NSF02F001S | R902023311 |
| A4VG90HWD2/32R-NSF02F021D | R902089229 |
| A4VG90HWD2/32R-NSF02F731S | R902048619 |
| A4VG90HWD2/32R-NZF02F001S | R902023567 |
| A4VG90HWD2/32R-NZF02F021S | R902037000 |
| A4VG90HWD2/32R-NZF02F071S | R902088221 |
| A4VG90HWD3L/32L-NZF02F001S | R902023295 |
| A4VG90HWD3L/32L-NZF02F001S | R902074489 |
| A4VG90HWD3L/32R-NZF02F011S | R902061624 |
| A4VG90HWD3R/32R-NZF02F011S | R902055731 |
| A4VG90HWDL1/32R-NAF02F071D-S | R902104338 |
| A4VG90HWDM1/32R-NSF02F001S | R902087595 |
| A4VG90HWDM1/32R-NSF02F021F | R902027680 |
| A4VG90HWDM1/32R-NZF02F021S | R902023300 |
| A4VG90HWDM1/32R-NZF02F071S | R902048142 |
| A4VG90HWDM1/32R-NZF02N001E | R902133437 |
| A4VG90HWDM2/32R-NZF02F071S | R902066918 |
| A4VG90HWDM3L/32R-NZF02F041S | R902031039 |
| A4VG90HWDM3L/32R-NZF02F071S | R902052883 |
| A4VG90HWDMT1/32L-NSF02F011S | R902064707 |
| A4VG90HWDMT1/32R-NSF02F011S | R902072801 |
| A4VG90HWDMT1/32R-NSF02F071S | R902072802 |
| A4VG90HWDMT1/32R-NZF02F001S | R902023335 |
| A4VG90HWDMT1/32R-NZF02F041S | R902023326 |
| A4VG90HWDT1/32L-NSF02F001S | R902037489 |
| A4VG90HWDT1/32L-NZF02F001S | R902074032 |
| A4VG90HWDT1/32L-NZF02F021S | R902037827 |
| A4VG90HWDT1/32R-NAF02K071E | R902044508 |
| A4VG90HWDT1/32R-NSF02F001S | R902037426 |
| A4VG90HWDT1/32R-NSF02F041F | R902068001 |
| A4VG90HWDT1/32R-NSF02F071S | R902063224 |
| A4VG90HWDT1/32R-NZF02F021S | R902112689 |
| A4VG90HWDT1/32R-NZF02F041S | R902037252 |
| A4VG90HWDT1/32R-NZF02F071S | R902103912 |
| A4VG90NVD1/32L-NZF02F001S | R902079216 |
| A4VG90NVD1/32L-NZF02F071S | R902080333 |
| A4VG90NVD1/32R-NZF02F001D | R902061429 |
| A4VG90NVD1/32R-NZF02F001S | R902023524 |
| A4VG90NVDT1/32L-NZF02F021S-S | R902023119 |
| A4VG90NVDT1/32R-NZF02F021S-S | R902023102 |
| A4VG90NVDT1/32R-NZF02F041F | R902083782 |
| AA4VG105EP1D1/32R-NXF52F021FC-S *AL* | R902120284 |
| AA4VG105EP1D1/32R-NXF52F021FRC-S *AL* | R902120285 |
| AA4VG105EP1DMT1/32L-NSF52F021DP-ES *AL* | R902117107 |
| AA4VG105EP1DMT1/32R-NSF52F021DP-ES *AL* | R902117106 |
| AA4VG105EP3D1/32R-NXF52F021FC-S | R902138673 |
| AA4VG105EP3D1/32R-NXF52F021FRC-S | R902122735 |
| AA4VG105EP3D1/32R-NXF52F021FRC-S | R902136242 |
| AA4VG125DA1D2/32L-NSF52F001SH | R902055398 |
| AA4VG125DA1D2/32L-NSF52F011SH | R902055399 |
| AA4VG125DA1D2/32L-NSF52F021PH | R902072907 |
| AA4VG125DA1D2/32R-NSF52F001DH | R902055402 |
| AA4VG125DA1D2/32R-NSF52F071DH | R902064813 |
| AA4VG125DA1D7/32L-NSF52F001PH | R902055403 |
| AA4VG125DA1D8/32L-NSF52F001DH | R902055404 |
| AA4VG125DA2D2/32R-NSF52F071DH | R902055407 |
| AA4VG125DA2D2/32R-NSF52F071PH | R902055408 |
| AA4VG125DA2DM2/32L-NSF52F001SH | R902055405 |
| AA4VG125DA2DT2/32L-NSF52F001MP | R902112945 |
| AA4VG125EP1D1/32R-NSF52F021FC-S *AL* | R902137050 |
| AA4VG125EP1D1/32R-NSF52F021FC-S *AL* | R902120286 |
| AA4VG125EP1D1/32R-NSF52F021FRC-S *AL* | R902120287 |
| AA4VG125EP1D1/32R-NSF52F691LH *AL* | R902106151 |
| AA4VG125EP3D1/32L-NSF52F001FH | R902136296 |
| AA4VG125EP3D1/32R-NSF52F021FC-S | R902138605 |
| AA4VG125EP3D1/32R-NSF52F021FRC-S | R902123126 |
| AA4VG125EP3D1/32R-NSF52F691LH | R902125026 |
| AA4VG125EP3DM1/32L-NSF52F001DH | R902123482 |
| AA4VG125EP3DT1/32L-NTF53F691SRP-S | R902146004 |
| AA4VG125EP4D1/32L-NSF52F071SP | R902134139 |
| AA4VG125EP4D1/32L-PTF52F071LP-ES | R902125118 |
| AA4VG125EP4D1/32R-NSF52F001FP | R902125097 |
| AA4VG125EP4DMT1/32R-NSF52F001SP | R902149830 |
| AA4VG125EZ1D1/32L-NSF52F041PH | R902061502 |
| AA4VG125EZ1D1/32L-NSF52F691LH | R902074385 |
| AA4VG125EZ1D1/32R-NSF52F691LH | R902080343 |
| AA4VG125EZ1DM1/32L-NSF52F001FH | R902055616 |
| AA4VG125EZ2D1/32L-NSF52F071SH | R902055621 |
| AA4VG125EZ2D1/32R-NTF52F041LQ | R902090916 |
| AA4VG125HD3DT1/32R-NSF52F021D | R902125374 |
| AA4VG125HWD1/32L-NSF52F001D | R902024048 |
| AA4VG125HWD1/32L-NSF52F021D | R902029496 |
| AA4VG125HWD1/32R-NSF52F021D | R902044087 |
| AA4VG125HWD1/32R-NSF52F071D | R902029497 |
| AA4VG125HWD1/32R-NSF52F691L | R902070455 |
| AA4VG125HWD1/32R-NTF52F041S | R902074188 |
| AA4VG125HWDL1/32R-NSF52F691F | R902099899 |
| AA4VG125HWDT1/32L-NSF52F001D | R902024056 |
| AA4VG125HWDT1/32L-NSF52F001F | R902024064 |
| AA4VG125HWDT1/32L-NSF52F001S | R902034731 |
| AA4VG125HWDT1/32L-NTF52F021D | R902097418 |
| AA4VG125HWDT1/32R-NSF52F001D | R902072974 |
| AA4VG140EP3D1/32R-NSF52F041FRC-S | R902137101 |
| AA4VG140HWD1/32L-NSF52F001F-ES | R902129149 |
| AA4VG180DA2D2/32R-NSD52F071DH | R902053770 |
| AA4VG180DWD1/32L-NSD52F071D-ES | R902092401 |
| AA4VG180EP2D1/32L-NSD52F001DRP-S *AL* | R902112606 |
| AA4VG180EP4DMT1/32R-NSD52F011DH | R902129918 |
| AA4VG180EP4DT1/32L-NSD52F001MP | R902129709 |
| AA4VG180EP4DT1/32R-NSD52F001DH-S | R902125752 |
| AA4VG180EP4DT1/32R-NVD52F721DH-S | R902125751 |
| AA4VG180EZ1D1/32R-NTD52F691LH | R902083419 |
| AA4VG180EZ2DM1/32R-NSD52F001DH | R902053757 |
| AA4VG180HWDL1/32L-NSD52F691F | R902102444 |
| AA4VG180HWDM1/32L-NTD52F021D | R902034677 |
| AA4VG180HWDM1/32L-PSD52F021L | R902055545 |
| AA4VG180HWDM1/32R-NSD52F071F | R902026109 |
| AA4VG180HWDT1/32L-NSD52F001F | R902024439 |
| AA4VG180NVD1/32L-NSD52F001S | R902026216 |
| AA4VG180NVD1/32R-NSD52F001S | R902026215 |
| AA4VG180NVDM1/32L-NSD52N001E | R902026011 |
| AA4VG180NVDM1/32R-NSD52N001E | R902026010 |
| AA4VG250DA2D2/32R-NSD60F071DH | R902053793 |
| AA4VG250DWDMT1/32L-NSD60F071S-ES | R902099930 |
| AA4VG250EP4D1/32R-NSD60F001DH | R902128151 |
| AA4VG250HWDM1/32L-NSD60F001D | R902015478 |
| AA4VG28EP3D1/32R-NSC60F005SH | R902110560 |
| AA4VG28EP3D1/32R-NSC60F006SH | R902138926 |
| AA4VG28EP3D1/32R-NXC60F023SRP-ES | R902127325 |
| AA4VG28EP4D1/32R-NSC60K013EP | R902133336 |
| AA4VG28EP4DM1/32R-NSC60F013DH | R902110680 |
| AA4VG28HD3D1/32R-NSC60F045S | R902149584 |
| AA4VG28HWD1/32L-NSC60F005S | R902019577 |
| AA4VG28HWD1/32L-NSC60F043S | R902119031 |
| AA4VG28HWD1/32R-NSC60F005S | R902079571 |
| AA4VG40DA1D2/32R-NSC52F015DH | R902053626 |
| AA4VG40DA1DT2/32R-NSC52F015PH | R902061597 |
| AA4VG40DA1DT4/32R-NSC52F025SH | R902087132 |
| AA4VG40DGD1/32L-NSC52K025E | R902023877 |
| AA4VG40EP4D1/32R-NSC52F006PH | R902138845 |
| AA4VG40EZ2DM1/32R-NSC52F005DH | R902053746 |
| AA4VG40HWD1/32L-NSC52F005D | R902020745 |
| AA4VG40HWD1/32L-NSC52F023D | R902087748 |
| AA4VG40HWDM1/32R-NSC52F006D | R902020766 |
| AA4VG40HWDT1/32R-NSC52F003F | R902020764 |
| AA4VG40NVDM1/32W-NSC52K094E-S | R902022386 |
| AA4VG40NVDM1/32W-NUC52K094E-S | R902022385 |
| AA4VG40NVDM1/32W-NUC52N004E-S | R902022387 |
| AA4VG56DA1D2/32R-NSC52F003DH | R902055050 |
| AA4VG56DA1D2/32R-NSC52F003SH | R902055051 |
| AA4VG56DA1D4/32R-NSC52F025SH | R902053256 |
| AA4VG56DA1D4/32R-NTC52F025SH | R902055054 |
| AA4VG56DGD1/32L-NSC52F003D | R902149519 |
| AA4VG56DGD1/32L-NSC52F005S | R902046859 |
| AA4VG56EP3D1/32L-NSC52F003DH | R902111434 |
| AA4VG56EP3D1/32R-NSC52F005DH-S | R902111431 |
| AA4VG56EP4D1/32L-NSC52F004DH | R902111621 |
| AA4VG56EP4D1/32R-NSC52K014EP | R902133330 |
| AA4VG56EP4DT1/32R-NSC52F003DP | R902120449 |
| AA4VG56EP4DT1/32R-NSC52F004DH | R902111732 |
| AA4VG56HD3D1/32R-NSC52F043D | R902112877 |
| AA4VG56HD3DM1/32R-NSC52F004D | R902118154 |
| AA4VG56HD3DT1/32L-NSC52F024S | R902146135 |
| AA4VG56HWD1/32L-NSC52F003D | R902020669 |
| AA4VG56HWD1/32L-NSC52F005S | R902030007 |
| AA4VG56HWD1/32L-NSC52F015D | R902030400 |
| AA4VG56HWD1/32L-NSC52F025F | R902020693 |
| AA4VG56HWD1/32L-NSC52F073F | R902021349 |
| AA4VG56HWD1/32L-NTC52F003S | R902020663 |
| AA4VG56HWD1/32R-NSC52F003D | R902023042 |
| AA4VG56HWD1/32R-NSC52F003F | R902021348 |
| AA4VG56HWD1/32R-NSC52F003S | R902074269 |
| AA4VG56HWD1/32R-NSC52F013D | R902020670 |
| AA4VG56HWD1/32R-NSC52F015S | R902022768 |
| AA4VG56HWD1/32R-NSC52F016D | R902072782 |
| AA4VG56HWD1/32R-NSC52F025D | R902044128 |
| AA4VG56HWD1/32R-NSC52F025S | R902020662 |
| AA4VG56HWD1/32R-NSC52F075F | R902020686 |
| AA4VG56HWD1/32R-NSC52F075S | R902021347 |
| AA4VG56HWD2/32R-NSC52F003D | R902051324 |
| AA4VG56HWDM1/32R-NSC52F005D | R902032466 |
| AA4VG56HWDT1/32L-NSC52F025D | R902053022 |
| AA4VG56HWDT1/32R-NSC52F025F | R902032095 |
| AA4VG71DA1D2/32L-NSF52F001FH | R902055279 |
| AA4VG71DA1D4/32R-NSF52F001SH | R902055283 |
| AA4VG71DA1D4/32R-NSF52F021FH | R902055285 |
| AA4VG71DA1DT2/32L-NSF52F001LH | R902053207 |
| AA4VG71DA1DT2/32R-NTF52F071PH | R902055278 |
| AA4VG71DGDT1/32L-NSF52F001L | R902052903 |
| AA4VG71EP3D1/32L-NSF52F001PH | R902119041 |
| AA4VG71EP3D1/32L-NSF52F021DH | R902112229 |
| AA4VG71EP3D1/32L-NSF52F041DH | R902112241 |
| AA4VG71EP3D1/32R-NSF52F001DH | R902112193 |
| AA4VG71EP3D1/32R-NSF52F001DP | R902120166 |
| AA4VG71EP3DM1/32L-NSF52F001PH-S | R902113097 |
| AA4VG71EP3DT1/32L-NSF52F001LH | R902112233 |
| AA4VG71EP4DMT1/32L-NSF52F071DH | R902113039 |
| AA4VG71EZ1D1/32L-NSF52F001DH | R902062880 |
| AA4VG71EZ1D1/32R-NSF52F071FH | R902055256 |
| AA4VG71EZ1DM1/32L-NSF52F041DH | R902062879 |
| AA4VG71HD3D1/32L-NSF52F001S | R902113329 |
| AA4VG71HD3D1/32L-NSF52F021D | R902113350 |
| AA4VG71HD3D1/32R-NSF52F001D | R902113324 |
| AA4VG71HD3D1/32R-NSF52F001S | R902113328 |
| AA4VG71HD3DM1/32R-NSF52F001F | R902113359 |
| AA4VG71HD3DT1/32R-NSF52F021D | R902113351 |
| AA4VG71HWD1/32L-NSF52F001S | R902022649 |
| AA4VG71HWD1/32L-NSF52F021D | R902007823 |
| AA4VG71HWD1/32L-NSF52F071D | R902022392 |
| AA4VG71HWD1/32L-NTF52F001S | R902022351 |
| AA4VG71HWD1/32R-NSF52F001P | R902028170 |
| AA4VG71HWD1/32R-NSF52F001S | R902022646 |
| AA4VG71HWD1/32R-NSF52F011S | R902022652 |
| AA4VG71HWD1/32R-NSF52F021D | R902022391 |
| AA4VG71HWD1/32R-NSF52F071S | R902097410 |
| AA4VG71HWD1/32R-NTF52F071S | R902041795 |
| AA4VG71HWDM1/32R-NSF52F001D | R902046751 |
| AA4VG71HWDT1/32L-NSF52F001D | R902079724 |
| AA4VG71HWDT1/32L-NSF52F001S | R902088309 |
| AA4VG71HWDT1/32R-NSF52F001F | R902048302 |
| AA4VG71HWDT1/32R-NSF52F011F | R902032049 |
| AA4VG71HWDT1/32R-NTF52F071S | R902046856 |
| AA4VG71NVD1/32L-NSF52F001S | R902022606 |
| AA4VG71NVD1/32L-NSF52N001E | R902036017 |
| AA4VG90DA1D2/32R-NSF52F041SC | R902069192 |
| AA4VG90DA1D2/32R-NSF52F071SH | R902063243 |
| AA4VG90DA1D2/32R-NUF52F001SC | R902069191 |
| AA4VG90DA1D2/32R-NUF52F001SH | R902063245 |
| AA4VG90DA1D8/32R-NSF52F021SH | R902056002 |
| AA4VG90DA1DT2/32L-NSF52F001LH | R902072723 |
| AA4VG90DA2D2/32R-NSF52F071DH | R902058957 |
| AA4VG90DA2D2/32R-NSF52F071KP | R902131021 |
| AA4VG90DGD1/32R-NSF52F071D | R902058359 |
| AA4VG90DGDM1/32L-NSF52F001D | R902096026 |
| AA4VG90EP3D1/32L-NSF52F001BP | R902136313 |
| AA4VG90EP3D1/32R-NSF52F001LH | R902137372 |
| AA4VG90EP3D1/32R-NSF52F071BP | R902136307 |
| AA4VG90EP4D1/32R-NSF52F071DH | R902116954 |
| AA4VG90EP4D1/32R-NSF52F071FP-S | R902122742 |
| AA4VG90EZ1DM1/32L-NUF52F001DH | R902055529 |
| AA4VG90EZ1DM1/32L-NUF52F041DH | R902055221 |
| AA4VG90EZ1DMT1/32L-NUF52F021DH | R902081560 |
| AA4VG90EZ2D1/32R-NSF52F021FH | R902081733 |
| AA4VG90EZ2DM1/32R-NSF52F071DH | R902055225 |
| AA4VG90HD3D1/32L-NSF52F011B | R902131574 |
| AA4VG90HD3D1/32L-NSF52F021B | R902131533 |
| AA4VG90HD3DT1/32R-NSF52F021D | R902146065 |
| AA4VG90HWD1/32L-NSF52F001D | R902023304 |
| AA4VG90HWD1/32L-NSF52F001S | R902026548 |
| AA4VG90HWD1/32L-NSF52F011D | R902094352 |
| AA4VG90HWD1/32L-NSF52F041D | R902026510 |
| AA4VG90HWD1/32L-NUF52F001D | R902023328 |
| AA4VG90HWD1/32L-NZF52F001S | R902041066 |
| AA4VG90HWD1/32R-NSF52F001D | R902023303 |
| AA4VG90HWD1/32R-NSF52F001L | R902070454 |
| AA4VG90HWD1/32R-NSF52F011S | R902023560 |
| AA4VG90HWD1/32R-NSF52F021S | R902023562 |
| AA4VG90HWD1/32R-NSF52F041D | R902023315 |
| AA4VG90HWD2/32R-NSF52F021P | R902023323 |
| AA4VG90HWDMT1/32L-NSF52F001D | R902050358 |
| AA4VG90HWDT1/32L-NSF52F001D | R902087465 |
| AA4VG90HWDT2/32L-NUF52F001S | R902021426 |
| AA4VG90HWDX2/32R-NSF52F001D-ES | R902092577 |
| AA4VG90NVD1/32L-NSF52F001S | R902023526 |
| AA4VG90NVD1/32R-NSF52F071D | R902072956 |
- Интегрированный подпиточный насос для подвода рабочей жидкости в контур управления
- Изменение направления движения потока при изменении угла наклона шайбы с возвратом в нейтральное положение
- Предохранительные клапаны с интегрированной функцией подпитки
- В серийном исполнении с регулируемой отсечкой давления
- Клапан ограничения давления подпитки
- Проходной вал для установки дополнительных насосов до такого же номинального размера
- Многочисленные варианты регуляторов
- Исполнение с наклонной шайбой
| A4VG105EP4D1/32R-NZF02F001SH-S | R902122726 |
| A4VG110EV2DPR00/40MRND6V81FC6S7AD00-0 | R902136765 |
| A4VG125DA1D2/32L-NZF02F021FH | R902085567 |
| A4VG125DA1D2/32R-NSF02F001SH | R902061546 |
| A4VG125DA1D2/32R-NTF02F691SH | R902061545 |
| A4VG125DA1D2/32R-NZF02F011SH | R902055416 |
| A4VG125DA1D2/32R-NZF02F041FH | R902087236 |
| A4VG125DA1D2/32R-NZF02F041SH | R902070408 |
| A4VG125DA1D3L/32R-NSF02F071SH | R902096063 |
| A4VG125DA1D4/32R-NZF02F021SH | R902117081 |
| A4VG125DA1D8/32L-NZF02F011SH | R902074149 |
| A4VG125DA1D8/32L-NZF02F011SH | R902055432 |
| A4VG125DA1D8/32R-NSF02F011SH | R902071923 |
| A4VG125DA1D8/32R-NSF02F011SP | R902138960 |
| A4VG125DA1D8/32R-NSF02F071DH | R902133208 |
| A4VG125DA1D8/32R-NZF02F021SH | R902055435 |
| A4VG125DA1DM4/32R-NAF02F041SH | R902055411 |
| A4VG125DA1DM8/32R-NSF02F071MH | R902108028 |
| A4VG125DA1DMT4/32R-NZF02F021FH | R902055409 |
| A4VG125DA1DMT8/32R-NZF02F021DH | R902055410 |
| A4VG125DA1DMT8/32R-NZF02F021FH | R902064335 |
| A4VG125DA1DT7/32R-NZF02F021FH | R902150733 |
| A4VG125DA2D2/32L-NAF02F001SH | R902067432 |
| A4VG125DA2D2/32L-NAF02F011DH | R902068045 |
| A4VG125DA2D2/32L-NAF02F021DH | R902072933 |
| A4VG125DA2D2/32L-NAF02F021DT *AL* | R902120367 |
| A4VG125DA2D2/32L-NAF02F691DH | R902119296 |
| A4VG125DA2D2/32L-NZF02F001DH | R902055463 |
| A4VG125DA2D2/32L-NZF02F001SH | R902055464 |
| A4VG125DA2D2/32L-NZF02F011SH | R902055466 |
| A4VG125DA2D2/32L-NZF02F021SH | R902055467 |
| A4VG125DA2D2/32L-NZF02F041SH | R902055470 |
| A4VG125DA2D2/32L-NZF02F071SH | R902053363 |
| A4VG125DA2D2/32R-NAF02F021DH | R902066526 |
| A4VG125DA2D2/32R-NAF02F021DT | R902079860 |
| A4VG125DA2D2/32R-NAF02F021SH | R902074465 |
| A4VG125DA2D2/32R-NAF02F691DH | R902099776 |
| A4VG125DA2D2/32R-NAF02F691SH | R902055477 |
| A4VG125DA2D2/32R-NSF02F001DH | R902066945 |
| A4VG125DA2D2/32R-NSF02F001DH-S | R902055481 |
| A4VG125DA2D2/32R-NSF02F001DP | R902106293 |
| A4VG125DA2D2/32R-NSF02F001SH | R902062535 |
| A4VG125DA2D2/32R-NSF02F011DH | R902067360 |
| A4VG125DA2D2/32R-NSF02F021DP | R902108036 |
| A4VG125DA2D2/32R-NSF02F021LH | R902108350 |
| A4VG125DA2D2/32R-NSF02F021SH | R902055482 |
| A4VG125DA2D2/32R-NSF02F041DH | R902079912 |
| A4VG125DA2D2/32R-NSF02F041PH | R902061636 |
| A4VG125DA2D2/32R-NSF02F071DP | R902131917 |
| A4VG125DA2D2/32R-NSF02F071LH | R902064370 |
| A4VG125DA2D2/32R-NSF02F071PH | R902055535 |
| A4VG125DA2D2/32R-NSF02F071SH | R902055484 |
| A4VG125DA2D2/32R-NSF02F691DP | R902120442 |
| A4VG125DA2D2/32R-NSF02F691SH | R902055485 |
| A4VG125DA2D2/32R-NTF02F691SH | R902062534 |
| A4VG125DA2D2/32R-NZF02F011SH | R902055489 |
| A4VG125DA2D2/32R-NZF02F021FH | R902055490 |
| A4VG125DA2D2/32R-NZF02F041LH | R902074328 |
| A4VG125DA2D2/32R-NZF02F041SH | R902055495 |
| A4VG125DA2D2/32R-NZF02F071SH | R902055496 |
| A4VG125DA2D2/32R-NZF02K021EH | R902085796 |
| A4VG125DA2D3L/32R-NAF02F041SH | R902055499 |
| A4VG125DA2D4/32R-NZF02F001SH | R902055601 |
| A4VG125DA2D4/32R-NZF02F011SH | R902105154 |
| A4VG125DA2D7/32L-NZF02F071SH | R902055603 |
| A4VG125DA2D7/32R-NZF02F011SH | R902063239 |
| A4VG125DA2D7/32R-NZF02F021SH | R902055604 |
| A4VG125DA2D7/32R-NZF02F021SP | R902085522 |
| A4VG125DA2D7/32R-NZF02F691SH | R902055605 |
| A4VG125DA2D8/32L-NZF02F001LH | R902055606 |
| A4VG125DA2D8/32R-NAF02F011SH | R902072798 |
| A4VG125DA2D8/32R-NAF02F011SH | R902055607 |
| A4VG125DA2D8/32R-NAF02F021SH | R902055608 |
| A4VG125DA2D8/32R-NAF02F691LH | R902090736 |
| A4VG125DA2D8/32R-NSF02F001FH | R902061934 |
| A4VG125DA2D8/32R-NSF02F041MH | R902074388 |
| A4VG125DA2D8/32R-NSF02F071MH | R902068455 |
| A4VG125DA2D8/32R-NSF02F071PH | R902055609 |
| A4VG125DA2D8/32R-NTF02F071FP | R902120398 |
| A4VG125DA2D8/32R-NZF02F011SH | R902055611 |
| A4VG125DA2D8/32R-NZF02F071SH | R902055612 |
| A4VG125DA2DM2/32R-NZF02F071DH | R902055531 |
| A4VG125DA2DM2/32R-NZF02F071FH | R902072975 |
| A4VG125DA2DM2/32R-NZF02F691DH | R902064072 |
| A4VG125DA2DM4/32R-NAF02F071MH | R902055439 |
| A4VG125DA2DM4/32R-NZF02F021PH | R902146095 |
| A4VG125DA2DM8/32R-NAF02F011SH | R902055441 |
| A4VG125DA2DM8/32R-NSF02F071MH | R902112748 |
| A4VG125DA2DMT2/32L-NZF02F001SH | R902055436 |
| A4VG125DA2DMT4/32R-NAF02F041DH | R902055437 |
| A4VG125DA2DMT7/32L-NZF02F021LH-S | R902090860 |
| A4VG125DA2DMT7/32R-NZF02F021SH | R902063326 |
| A4VG125DA2DMT8/32L-NSF02F021LH | R902072769 |
| A4VG125DA2DMT8/32R-NZF02F021DH | R902055438 |
| A4VG125DA2DT2/32L-NSF02F001DH | R902074396 |
| A4VG125DA2DT2/32L-NZF02F001DH | R902055442 |
| A4VG125DA2DT2/32L-NZF02F001SH | R902069354 |
| A4VG125DA2DT2/32L-NZF02F021SH-S | R902055443 |
| A4VG125DA2DT2/32L-NZF02F691SH | R902075529 |
| A4VG125DA2DT2/32R-NAF02F691SH | R902055449 |
| A4VG125DA2DT2/32R-NSF02F021SH | R902055450 |
| A4VG125DA2DT2/32R-NZF02F021SH-S | R902055451 |
| A4VG125DA2DT2/32R-NZF02F071SH | R902055453 |
| A4VG125DA2DT2/32R-NZF02F691SH | R902055454 |
| A4VG125DA2DT3L/32L-NZF02F691SH | R902055457 |
| A4VG125DE1D1/32R-NZF02F071FP | R902110502 |
| A4VG125DGD1/32L-NSF02F001D | R902031130 |
| A4VG125DGD1/32L-NSF02F011S | R902074028 |
| A4VG125DGD1/32L-NSF02F041S | R902042869 |
| A4VG125DGD1/32L-NZF02F021L | R902089061 |
| A4VG125DGD1/32L-NZF02F021S | R902023817 |
| A4VG125DGD1/32R-NSF02F001K | R902097468 |
| A4VG125DGD1/32R-NSF02F001S | R902050168 |
| A4VG125DGD1/32R-NSF02F011P | R902034849 |
| A4VG125DGD2/32R-NZF02F001S | R902037002 |
| A4VG125DGD2/32R-NZF02F021S | R902037004 |
| A4VG125DGDM1/32R-NZF02F011S | R902031131 |
| A4VG125DGDMT1/32R-NSF02F001S | R902085817 |
| A4VG125DGDT2/32R-NAF02F041D | R902063216 |
| A4VG125EP2D1/32L-NZF02F001SH *AL* | R902057829 |
| A4VG125EP2D1/32R-NSF02F001DP *AL* | R902120450 |
| A4VG125EP2D1/32R-NSF02F001LP *AL* | R902094310 |
| A4VG125EP2D1/32R-NSF02F021DP *AL* | R902108443 |
| A4VG125EP2D1/32R-NSF02F021KH *AL* | R902057816 |
| A4VG125EP2D1/32R-NSF02F071FH *AL* | R902100787 |
| A4VG125EP2D1/32R-NSF02F691LP *AL* | R902094332 |
| A4VG125EP2D1/32R-NZF02F001FH *AL* | R902080243 |
| A4VG125EP2D2/32L-NSF02F021FH *AL* | R902120040 |
| A4VG125EP2D2/32L-NZF02F021SH *AL* | R902057835 |
| A4VG125EP2D7/32L-NZF02F001DH *AL* | R902061154 |
| A4VG125EP2DT1/32L-NZF02F023SH *AL* | R902097005 |
| A4VG125EP2DT1/32R-NTF02F071BP *AL* | R902104642 |
| A4VG125EP3D1/32L-NZF02F001FP | R902146062 |
| A4VG125EP3D1/32R-NZF02F041SH | R902136018 |
| A4VG125EP3D2/32R-NZF02F041DH | R902125024 |
| A4VG125EP3DM1/32R-NAF02F071DP | R902133113 |
| A4VG125EP4D1/32L-NSF02F001BP | R902131372 |
| A4VG125EP4D1/32L-NSF02F001LH | R902133218 |
| A4VG125EP4D1/32L-NSF02F001LP | R902134182 |
| A4VG125EP4D1/32L-NSF02F001SH | R902123165 |
| A4VG125EP4D1/32L-NSF02F011LH | R902131786 |
| A4VG125EP4D1/32L-NSF02F021PP | R902133359 |
| A4VG125EP4D1/32L-NSF02F691DP | R902133245 |
| A4VG125EP4D1/32L-NZF02F001DH | R902123164 |
| A4VG125EP4D1/32L-NZF02F001DP | R902134467 |
| A4VG125EP4D1/32L-NZF02F001KP | R902138679 |
| A4VG125EP4D1/32L-NZF02F001SH | R902123169 |
| A4VG125EP4D1/32L-NZF02F021DH | R902123163 |
| A4VG125EP4D1/32L-NZX02F01XDT-S | R902134354 |
| A4VG125EP4D1/32L-NZX02N00XET-S | R902134463 |
| A4VG125EP4D1/32R-NAF02F021DH | R902123198 |
| A4VG125EP4D1/32R-NAF02F021DP | R902125137 |
| A4VG125EP4D1/32R-NAF02F021SP | R902149552 |
| A4VG125EP4D1/32R-NSF02F001DH | R902123191 |
| A4VG125EP4D1/32R-NSF02F001KH | R902123158 |
| A4VG125EP4D1/32R-NSF02F001SP | R902133402 |
| A4VG125EP4D1/32R-NSF02F021BP | R902138858 |
| A4VG125EP4D1/32R-NSF02F021DP | R902125116 |
| A4VG125EP4D1/32R-NSF02F021FH | R902149688 |
| A4VG125EP4D1/32R-NSF02F021KH | R902123390 |
| A4VG125EP4D1/32R-NSF02F071DP | R902131055 |
| A4VG125EP4D1/32R-NSF02F691PP | R902127282 |
| A4VG125EP4D1/32R-NTF02F691BP | R902138860 |
| A4VG125EP4D1/32R-NZF02F001DH | R902123157 |
| A4VG125EP4D1/32R-NZF02F001DH-ES | R902123443 |
| A4VG125EP4D1/32R-NZF02F001LH-S | R902123410 |
| A4VG125EP4D1/32R-NZF02F001MH | R902128103 |
| A4VG125EP4D1/32R-NZF02F001SH | R902123162 |
| A4VG125EP4D1/32R-NZF02F001SP | R902125102 |
| A4VG125EP4D1/32R-NZF02F691SH | R902146488 |
| A4VG125EP4D2/32L-NSF02F021FH | R902123386 |
| A4VG125EP4D2/32L-NSF02F691SP | R902136166 |
| A4VG125EP4D2/32L-NZF02F001DH-S | R902136165 |
| A4VG125EP4D7/32L-NZF02F001DH | R902125041 |
| A4VG125EP4D7/32L-NZF02F011DH | R902133452 |
| A4VG125EP4DM1/32L-NSF02F001DH | R902131637 |
| A4VG125EP4DM1/32L-NSF02F001PP | R902125117 |
| A4VG125EP4DM1/32L-NZF02F001DH | R902123166 |
| A4VG125EP4DM1/32L-VZF02F001PP-S | R902125183 |
| A4VG125EP4DM1/32R-NSF02F021DH | R902123276 |
| A4VG125EP4DM1/32R-NZF02F001DH | R902123207 |
| A4VG125EP4DM1/32R-NZF02F001DP | R902125114 |
| A4VG125EP4DM1/32R-NZF02F001MH-E | R902128104 |
| A4VG125EP4DM1/32R-NZF02F011SH | R902136284 |
| A4VG125EP4DM1/32R-NZF02F691DH | R902136443 |
| A4VG125EP4DM1/32R-VZF02F001PP-S | R902125185 |
| A4VG125EP4DM2/32R-NZF02F021DH | R902131663 |
| A4VG125EP4DMT1/32R-NZF02F001DH | R902123307 |
| A4VG125EP4DMT1/32R-NZF02F001DP-S | R902129172 |
| A4VG125EP4DMT1/32R-NZF02F001SH-S | R902137486 |
| A4VG125EP4DMT2/32L-NZF02F071MH | R902123147 |
| A4VG125EP4DT1/32L-NZF02F001SH-S | R902123430 |
| A4VG125EP4DT1/32L-NZF02F011ST | R902136481 |
| A4VG125EP4DT1/32L-NZF02F023SH | R902123325 |
| A4VG125EP4DT1/32R-NAF02F011SH | R902123344 |
| A4VG125EP4DT1/32R-NZF02F001BP | R902131609 |
| A4VG125EP4DT1/32R-NZF02F00XDH-S | R902123361 |
| A4VG125EP4DT1/32R-NZF02F023SH | R902123153 |
| A4VG125EP4DT2/32L-NSF02F021SH | R902146228 |
| A4VG125EP4DT2/32L-NZF02F011SH | R902146043 |
| A4VG125EP4DT2/32R-NZF02F001SH-S | R902125494 |
| A4VG125EP4DT2/32R-NZF02F021LH | R902131465 |
| A4VG125EP4DT2/32R-NZF02F021SH | R902131564 |
| A4VG125EP4DT2/32R-NZF02F041LH | R902128486 |
| A4VG125EP4DT2/32R-NZF02F071LH | R902137062 |
| A4VG125EZ1D1/32L-NZF02F001FH | R902055622 |
| A4VG125EZ1D1/32R-NZF02F011DH | R902055627 |
| A4VG125EZ2D1/32L-NSF02F001SH | R902055636 |
| A4VG125EZ2D1/32R-NSF02F001DH | R902120039 |
| A4VG125EZ2D1/32R-NZF02F001DH | R902083342 |
| A4VG125EZ2DM1/32R-NAF02F071MH | R902055628 |
| A4VG125EZ2DM1/32R-NSF02F001SH | R902074655 |
| A4VG125EZ2DM1/32R-NZF02F001FH | R902053063 |
| A4VG125EZ2DM1/32R-NZF02F011PH | R902055629 |
| A4VG125HD1D1/32L-NSF02F001D *AL* | R902060935 |
| A4VG125HD1D1/32L-NSF02F00XL-S *AL* | R902060986 |
| A4VG125HD1D1/32L-NSF02F021D *AL* | R902060936 |
| A4VG125HD1D1/32L-NSF02F691D *AL* | R902096257 |
| A4VG125HD1D1/32L-NZF02F021S *AL* | R902060925 |
| A4VG125HD1D2/32R-NAF02F021S *AL* | R902103620 |
| A4VG125HD1DT1/32L-NZF02F001D *AL* | R902060922 |
| A4VG125HD3D1/32L-NSF02F001D | R902125222 |
| A4VG125HD3D1/32L-NSF02F00XL-S | R902125233 |
| A4VG125HD3D1/32L-NSF02F021D | R902125223 |
| A4VG125HD3D1/32L-NSF02F071D | R902125216 |
| A4VG125HD3D1/32L-NZF02F001S | R902125207 |
| A4VG125HD3D1/32L-NZF02F041D | R902125211 |
| A4VG125HD3D1/32R-NSF02F001D | R902125210 |
| A4VG125HD3D1/32R-NSF02F021D | R902133354 |
| A4VG125HD3D1/32R-NSF02F021L | R902133251 |
| A4VG125HD3D1/32R-NZF02F001D | R902125209 |
| A4VG125HD3D2/32L-NZF02F041P-S | R902129478 |
| A4VG125HD3D2/32R-NAF02F021S | R902136132 |
| A4VG125HD3D2/32R-NSF02F021P | R902125253 |
| A4VG125HD3D2/32R-NSF02F071S-E | R902092922 |
| A4VG125HD3D2/32R-NTF02F691P | R902125252 |
| A4VG125HD3DM1/32L-NZF02F001D | R902134201 |
| A4VG125HD3DM1/32R-NZF02F001D | R902125214 |
| A4VG125HD3DM1/32R-NZF02F011D | R902125236 |
| A4VG125HD3DM1/32R-NZF02F021S | R902129389 |
| A4VG125HD3DMT1/32L-NZF02F001S | R902125269 |
| A4VG125HD3DT1/32L-NSF02F011S | R902125265 |
| A4VG125HD3DT1/32L-NZF02F001D | R902125218 |
| A4VG125HD3DT1/32L-NZF02F001S | R902125228 |
| A4VG125HD3DT2/32L-NZF02F001S-S | R902129405 |
| A4VG125HD9MT1/32R-NSF02F691S-S | R902125976 |
| A4VG125HD9MT1/32R-NSF02F691S-S | R902125588 |
| A4VG125HWD1/32L-NAF02F041S | R902024046 |
| A4VG125HWD1/32L-NAF02F071S | R902075824 |
| A4VG125HWD1/32L-NSF02F001D | R902029016 |
| A4VG125HWD1/32L-NSF02F003D | R902044673 |
| A4VG125HWD1/32L-NSF02F003P | R902067090 |
| A4VG125HWD1/32L-NSF02F023P | R902076880 |
| A4VG125HWD1/32L-NSF02N001E | R902104237 |
| A4VG125HWD1/32L-NZF02F001D | R902032116 |
| A4VG125HWD1/32L-NZF02F001S | R902024257 |
| A4VG125HWD1/32L-NZF02F021S | R902090765 |
| A4VG125HWD1/32L-NZF02F071S | R902053090 |
| A4VG125HWD1/32R-NAF02F011S | R902032141 |
| A4VG125HWD1/32R-NAF02F071D | R902071554 |
| A4VG125HWD1/32R-NAF02K071E | R902024045 |
| A4VG125HWD1/32R-NSF02F001S | R902026325 |
| A4VG125HWD1/32R-NSF02F011S | R902024050 |
| A4VG125HWD1/32R-NSF02F021S | R902064980 |
| A4VG125HWD1/32R-NSF02F041P | R902055547 |
| A4VG125HWD1/32R-NSF02F071D | R902048156 |
| A4VG125HWD1/32R-NSF02K691E | R902067487 |
| A4VG125HWD1/32R-NZF02F001D | R902050091 |
| A4VG125HWD1/32R-NZF02F001S | R902019716 |
| A4VG125HWD1/32R-NZF02F021P | R902079737 |
| A4VG125HWD1/32R-NZF02F021S | R902024262 |
| A4VG125HWD1/32R-NZF02F041D-ES | R902092718 |
| A4VG125HWD1/32R-NZF02F071D | R902041090 |
| A4VG125HWD1/32R-NZF02F071D-ES | R902092509 |
| A4VG125HWD2/32R-NSF02F011S | R902067480 |
| A4VG125HWD2/32R-NSF02F071K | R902085732 |
| A4VG125HWD2/32R-NZF02F071S | R902118457 |
| A4VG125HWD3L/32R-NZF02F001P | R902048671 |
| A4VG125HWD3L/32R-NZF02F071K | R902063240 |
| A4VG125HWDM1/32L-NSF02F001S | R902048959 |
| A4VG125HWDM1/32L-NSF02F021F | R902027679 |
| A4VG125HWDM1/32L-NZF02F001D | R902024072 |
| A4VG125HWDM1/32L-NZF02F021D | R902039384 |
| A4VG125HWDM1/32L-NZF02F041F | R902024074 |
| A4VG125HWDM1/32R-NSF02F001S | R902051388 |
| A4VG125HWDM1/32R-NSF02F021F | R902027678 |
| A4VG125HWDM2/32L-NZF02F001D | R902026725 |
| A4VG125HWDM3L/32R-NZF02F021S | R902031037 |
| A4VG125HWDT1/32L-NSF02F011D | R902067479 |
| A4VG125HWDT1/32R-NAF02F001S | R902056447 |
| A4VG125HWDT1/32R-NSF02F001S | R902064991 |
| A4VG125HWDT1/32R-NSF02F021S | R902072873 |
| A4VG125HWDT1/32R-NSF02F041F | R902076639 |
| A4VG125HWDT1/32R-NZF02F001S | R902037829 |
| A4VG125HWDT1/32R-NZF02F011S | R902039163 |
| A4VG125NVD1/32L-NAF02F021D | R902087072 |
| A4VG125NVD1/32L-NZF02F001L | R902037240 |
| A4VG125NVD1/32R-NSF02F021D | R902044842 |
| A4VG125NVD1/32R-NSF02F691S | R902044820 |
| A4VG125NVD1/32R-NZF02F001S | R902024227 |
| A4VG125NVDT1/32L-NZF02F021S-S | R902023832 |
| A4VG125NVDT1/32R-NZF02F021S-S | R902023804 |
| A4VG140DA2DM8/32R-NSF02F071MH | R902079755 |
| A4VG140DE2D1/32R-NAF02F021DP-S | R902104835 |
| A4VG140EP2D1/32R-NAF02F021DP *AL* | R902120381 |
| A4VG140EP2D1/32R-NAF02F691FH-S *AL* | R902102136 |
| A4VG140EP2DM1/32L-NZF02F00XLP-S *AL* | R902083344 |
| A4VG140EP2DT1/32L-NAF02F691SX-S *AL* | R902077868 |
| A4VG140EP4D1/32L-NSF02F001FP | R902146055 |
| A4VG140EP4D1/32R-NAF02F691FH-S | R902123343 |
| A4VG140EP4DM1/32R-VZF02F001KP-S | R902125184 |
| A4VG140EP4DX/32L-NZF02F021LP-S | R902125077 |
| A4VG145HW1D0000/40ALND6T11F0000AF00-0C | R902146691 |
| A4VG180DA1D3L/32R-NZD02F001SH | R902076965 |
| A4VG180DA2D2/32L-NSD02F001DT | R902120369 |
| A4VG180DA2D2/32L-NSD02F691LH | R902149573 |
| A4VG180DA2D2/32L-NSD02F691LH | R902070069 |
| A4VG180DA2D2/32L-NTD02F691DH | R902119298 |
| A4VG180DA2D2/32L-NZD02F001DH | R902053777 |
| A4VG180DA2D2/32L-NZD02F001LH | R902079951 |
| A4VG180DA2D2/32L-NZD02F001SH | R902089539 |
| A4VG180DA2D2/32L-NZD02F041SH | R902066151 |
| A4VG180DA2D2/32L-NZD02F071SH | R902088321 |
| A4VG180DA2D2/32L-NZD02F721LH | R902070068 |
| A4VG180DA2D2/32R-NSD02F021DH | R902053094 |
| A4VG180DA2D2/32R-NSD02F691DH | R902081926 |
| A4VG180DA2D2/32R-NSD02F691LH | R902070052 |
| A4VG180DA2D2/32R-NTD02F691DH | R902099983 |
| A4VG180DA2D2/32R-NTD02F721DH | R902053093 |
| A4VG180DA2D2/32R-NZD02F001LH | R902068018 |
| A4VG180DA2D2/32R-NZD02F001SH | R902053780 |
| A4VG180DA2D2/32R-NZD02F011SH | R902053781 |
| A4VG180DA2D2/32R-NZD02F021SH | R902053783 |
| A4VG180DA2D2/32R-NZD02F041LH | R902083824 |
| A4VG180DA2D2/32R-NZD02F041SH | R902074290 |
| A4VG180DA2D2/32R-NZD02F071LH | R902053785 |
| A4VG180DA2D2/32R-NZD02F691LH | R902053786 |
| A4VG180DA2D2/32R-NZD02F721DH | R902079934 |
| A4VG180DA2D2/32R-NZD02F721LH | R902070051 |
| A4VG180DA2D3L/32R-NSD02F011SH | R902053787 |
| A4VG180DA2D3L/32R-NTD02F721SH | R902053788 |
| A4VG180DA2D3L/32R-NZD02F001SH | R902053789 |
| A4VG180DA2D4/32R-NSD02F021SH | R902053790 |
| A4VG180DA2D5R/32R-NZD02F021DH | R902074131 |
| A4VG180DA2D7/32L-NTD02F721SH | R902088175 |
| A4VG180DA2D7/32R-NSD02F021LH | R902074551 |
| A4VG180DA2D7/32R-NSD02F071DH | R902070453 |
| A4VG180DA2D7/32R-NSD02F071DT *AL* | R902088019 |
| A4VG180DA2D7/32R-NTD02F721DH | R902070452 |
| A4VG180DA2D7/32R-NTD02F721DT *AL* | R902088018 |
| A4VG180DA2D8/32L-NZD02F001LH | R902079955 |
| A4VG180DA2D8/32R-NSD02F021LH | R902066475 |
| A4VG180DA2D8/32R-NSD02F021MH | R902057991 |
| A4VG180DA2D8/32R-NZD02F721LH | R902087062 |
| A4VG180DA2DM2/32R-NSD02F691DH | R902104163 |
| A4VG180DA2DM2/32R-NZD02F021DH | R902053771 |
| A4VG180DA2DM2/32R-NZD02F021SH | R902053772 |
| A4VG180DA2DM2/32R-NZD02F071DH | R902066726 |
| A4VG180DA2DM3L/32R-NTD02F721SH | R902074175 |
| A4VG180DA2DM4/32R-NSD02F071MH | R902053773 |
| A4VG180DA2DM8/32R-NSD02F021MH | R902117435 |
| A4VG180DA2DM8/32R-NSD02F041MH | R902053774 |
| A4VG180DA2DMT3L/32R-NZD02F001SH | R902079911 |
| A4VG180DA2DT2/32L-NZD02F001DH | R902053775 |
| A4VG180DA2DT2/32L-NZD02F021SH-S | R902079687 |
| A4VG180DA2DT2/32R-NTD02F721SH | R902089150 |
| A4VG180DA2DT2/32R-NZD02F021SH-S | R902079679 |
| A4VG180DA2DT2/32R-NZD02F071SH | R902090882 |
| A4VG180DA2DT7/32L-NZ02F001SH | R902090768 |
| A4VG180DA2DT8/32R-NZD02F071SH | R902053776 |
| A4VG180DGD1/32L-NZD02F071D | R902074667 |
| A4VG180DGD1/32R-NSD02F001F | R902090725 |
| A4VG180DGD1/32R-NTD02F021S | R902074248 |
| A4VG180DGD1/32R-NTD02F041S | R902083149 |
| A4VG180DGD1/32R-NZD02F001S | R902037008 |
| A4VG180DGD1/32R-NZD02F021S | R902037672 |
| A4VG180DGD2/32R-NTD02F021S | R902133011 |
| A4VG180DGD2/32R-NZD02F001S | R902037010 |
| A4VG180DGD2/32R-NZD02F021S | R902037673 |
| A4VG180DGDM1/32R-NSD02F001D | R902066717 |
| A4VG180DGDM1/32R-NSD02F011S | R902074176 |
| A4VG180DGDMT1/32L-NZD02F021D | R902032252 |
| A4VG180DGDT1/32L-NZD02F041S | R902076863 |
| A4VG180DGDT2/32L-NSD02F041S | R902074292 |
| A4VG180DWDMT1/32R-NSD02F001D-S | R902106372 |
| A4VG180EP0MT1/32R-NSD02F021SP-ES | R902137492 |
| A4VG180EP2D1/32L-NZD02F001SH *AL* | R902058624 |
| A4VG180EP2D1/32R-NSD02F001DP *AL* | R902112792 |
| A4VG180EP2D1/32R-NZD02F001DH *AL* | R902058662 |
| A4VG180EP2D1/32R-NZD02F001SH *AL* | R902058815 |
| A4VG180EP2D1/32R-NZD02F691LP *AL* | R902094334 |
| A4VG180EP2D2/32L-NZD02F001SH *AL* | R902058646 |
| A4VG180EP2D2/32R-NZD02F041SH *AL* | R902058817 |
| A4VG180EP2DM1/32R-NSD02F001DH *AL* | R902058674 |
| A4VG180EP2DM1/32R-NZD02F001DH *AL* | R902058636 |
| A4VG180EP2DMT1/32R-NZD02K021EX-S *AL* | R902089268 |
| A4VG180EP2DT2/32R-NZD02F691SH *AL* | R902061646 |
| A4VG180EP2MT1/32R-NSD02F021SP-ES *AL* | R902134028 |
| A4VG180EP2MT1/32R-NSD02F721SP-ES *AL* | R902134310 |
| A4VG180EP3D1/32R-NZD02F001DH | R902134375 |
| A4VG180EP4D1/32L-NSD02F001BP | R902131388 |
| A4VG180EP4D1/32L-NSD02F021DP | R902133358 |
| A4VG180EP4D1/32L-NSD02F071DP | R902131905 |
| A4VG180EP4D1/32L-NSD02F721PP | R902133355 |
| A4VG180EP4D1/32L-NZD02F001SH | R902125615 |
| A4VG180EP4D1/32L-NZD02F001SP | R902138804 |
| A4VG180EP4D1/32L-NZD02F011DH | R902131873 |
| A4VG180EP4D1/32L-NZD02F071DH | R902125755 |
| A4VG180EP4D1/32R-NSD02F001DH | R902149737 |
| A4VG180EP4D1/32R-NSD02F001DP | R902129723 |
| A4VG180EP4D1/32R-NSD02F021DP | R902129179 |
| A4VG180EP4D1/32R-NSD02F041DP | R902129732 |
| A4VG180EP4D1/32R-NSD02F721LP | R902134180 |
| A4VG180EP4D1/32R-NZD02F001DH | R902125639 |
| A4VG180EP4D1/32R-NZD02F001SH | R902125666 |
| A4VG180EP4D1/32R-NZD02F001SP | R902136172 |
| A4VG180EP4D1/32R-NZD02F001SRP | R902138944 |
| A4VG180EP4D1/32R-NZD02F011SH | R902137288 |
| A4VG180EP4D1/32R-NZD02F011SP | R902136051 |
| A4VG180EP4D2/32L-NZD02F001DH | R902125740 |
| A4VG180EP4D2/32R-NSD02F021BP-S | R902129134 |
| A4VG180EP4D2/32R-NSD02F041BP-S | R902129141 |
| A4VG180EP4D2/32R-NZD02F071SH-S | R902133325 |
| A4VG180EP4DM1/32L-NSD02K071EH *SV* | R902125723 |
| A4VG180EP4DM1/32L-NZD02F001DH | R902125625 |
| A4VG180EP4DM1/32L-NZD02K721EH | R902125722 |
| A4VG180EP4DM1/32L-NZD02KXXXEH-S | R902133284 |
| A4VG180EP4DM1/32L-NZD02N00XEH-S | R902133282 |
| A4VG180EP4DM1/32R-NSD02F001DH | R902125648 |
| A4VG180EP4DM1/32R-NSD02F011KH | R902131814 |
| A4VG180EP4DM1/32R-NSD02F021DH | R902125733 |
| A4VG180EP4DM1/32R-NSD02F071BP | R902134321 |
| A4VG180EP4DM1/32R-NZD02F001DH | R902125624 |
| A4VG180EP4DM1/32R-NZD02F021DH | R902125619 |
| A4VG180EP4DMT1/32L-NSD02F001DH | R902129910 |
| A4VG180EP4DMT1/32L-NSD02F071DH | R902125763 |
| A4VG180EP4DMT1/32L-NSD02F691DH | R902125779 |
| A4VG180EP4DMT1/32L-NSD02N001EH | R902125757 |
| A4VG180EP4DMT1/32L-NZD02K013EH | R902146492 |
| A4VG180EP4DMT1/32L-NZD02K723EH | R902146490 |
| A4VG180EP4DMT1/32R-NSD02F011DH | R902129915 |
| A4VG180EP4DMT1/32R-NSD02F071DH | R902125793 |
| A4VG180EP4DMT1/32R-NSD02F691DH | R902125780 |
| A4VG180EP4DMT2/32L-NZD02F001SH | R902134103 |
| A4VG180EP4DMT2/32R-NZD02F071MH | R902125706 |
| A4VG180EP4DT1/32L-NSD02F021DH | R902125710 |
| A4VG180EP4DT1/32L-NSD02F041DP | R902133310 |
| A4VG180EP4DT1/32L-NZD02F001PP | R902138600 |
| A4VG180EP4DT1/32L-NZD02F001SH-S | R902129543 |
| A4VG180EP4DT1/32L-NZD02F011SH-S | R902129548 |
| A4VG180EP4DT1/32L-NZD02F011ST | R902133210 |
| A4VG180EP4DT1/32L-NZD02F021SH-S | R902129547 |
| A4VG180EP4DT1/32R-NSD02F021SH | R902125790 |
| A4VG180EP4DT1/32R-NTD02F721SH | R902125707 |
| A4VG180EP4DT1/32R-NZD02F001SH-S | R902129592 |
| A4VG180EP4DT1/32R-NZD02F01XSH-S | R902133273 |
| A4VG180EP4DT2/32L-NZD02F001SH-S | R902125659 |
| A4VG180EP4DT2/32L-NZD02F011BH | R902137091 |
| A4VG180EP4DT2/32L-NZD02F021BH | R902137089 |
| A4VG180EP4DT2/32L-NZD02F691SH | R902146045 |
| A4VG180EP4DT2/32R-NZD02F691SH | R902125698 |
| A4VG180EP4MT1/32L-NSD02F071SP-S | R902129920 |
| A4VG180EP4MT1/32R-NSD02F041SP-S | R902129919 |
| A4VG180EZ1DM1/32R-NZD02F011SH | R902072718 |
| A4VG180EZ2D1/32L-NSD02F001LH | R902053766 |
| A4VG180EZ2D1/32L-NSD02F021MH | R902053768 |
| A4VG180EZ2D1/32L-NSD02F071MH | R902053769 |
| A4VG180EZ2D1/32L-NSD02F691MH | R902062993 |
| A4VG180EZ2D1/32R-NZD02F001SH | R902068456 |
| A4VG180EZ2D1/32R-NZD02F041SH | R902074836 |
| A4VG180EZ2D1/32R-NZD02F071SP | R902108427 |
| A4VG180EZ2DM1/32L-NZD02F001SH | R902053763 |
| A4VG180EZ2DM1/32L-NZD02F691FH | R902053764 |
| A4VG180EZ2DM1/32R-NZD02F011SH | R902072861 |
| A4VG180HD1D1/32L-NSD02F001D *AL* | R902058927 |
| A4VG180HD1D1/32L-NSD02F021D *AL* | R902058932 |
| A4VG180HD1D1/32L-NSD02F721D *AL* | R902061494 |
| A4VG180HD1D2/32R-NTD02F021S *AL* | R902127071 |
| A4VG180HD1DM1/32R-NZD02F001D *AL* | R902058928 |
| A4VG180HD1DT1/32L-NZD02F001S *AL* | R902060720 |
| A4VG180HD1DT1/32L-NZD02F021S *AL* | R902058931 |
| A4VG180HD1MT1/32R-NSD02F021S-S *AL* | R902072784 |
| A4VG180HD3D1/32L-NSD02F001D | R902129761 |
| A4VG180HD3D1/32L-NSD02F021D | R902129764 |
| A4VG180HD3D1/32L-NSD02F041D | R902129895 |
| A4VG180HD3D1/32R-NSD02F001D | R902129759 |
| A4VG180HD3D1/32R-NZD02F001L | R902129828 |
| A4VG180HD3D1/32R-NZD02F001P | R902149839 |
| A4VG180HD3D2/32R-NTD02F021S | R902129897 |
| A4VG180HD3DM1/32L-NSD02F021D | R902136370 |
| A4VG180HD3DM1/32R-NSD02F071M | R902134358 |
| A4VG180HD3DM1/32R-NZD02F001D | R902129762 |
| A4VG180HD3DM1/32R-NZD02F011D | R902133263 |
| A4VG180HD3DM1/32R-NZD02F021S | R902129378 |
| A4VG180HD3DM1/32R-VSD02F001P-S | R902138976 |
| A4VG180HD3DMT1/32R-NZD02K021E | R902129894 |
| A4VG180HD3DT1/32L-NZD02F001S | R902129780 |
| A4VG180HD3DT1/32R-NZD02F01XS-S | R902129801 |
| A4VG180HD3DT1/32R-NZD02F021S | R902129768 |
| A4VG180HD9MT1/32R-NZD02F021S-S | R902138924 |
| A4VG180HD9XMT1/32R-NSD02F011F-ES | R902129892 |
| A4VG180HDMT1/32R-NZD02F021S-S | R902032677 |
| A4VG180HWD1/32L-NSD02F011D | R902048849 |
| A4VG180HWD1/32L-NZD02F011S | R902026253 |
| A4VG180HWD1/32R-NSD02F001P | R902040821 |
| A4VG180HWD1/32R-NSD02F001S | R902037787 |
| A4VG180HWD1/32R-NSD02F011D | R902048859 |
| A4VG180HWD1/32R-NSD02F021S | R902026115 |
| A4VG180HWD1/32R-NZD02F001P | R902089849 |
| A4VG180HWD1/32R-NZD02F001S | R902026252 |
| A4VG180HWD1/32R-NZD02F003S | R902041897 |
| A4VG180HWD1/32R-NZD02F071S | R902084856 |
| A4VG180HWDM1/32R-NSD02F001D | R902104165 |
| A4VG180HWDM2/32R-NZD02F021S | R902044033 |
| A4VG180HWDMT1/32R-NZD02F021S | R902046499 |
| A4VG180HWDT1/32L-NZD02F011S | R902025445 |
| A4VG180HWDT1/32R-NSD02F001S | R902057968 |
| A4VG180HWDT1/32R-NTD02F721S | R902057967 |
| A4VG180NVD1/32R-NSD02F021P | R902033965 |
| A4VG180NVD1/32R-NZD02F001L | R902068016 |
| A4VG180NVD1/32R-NZD02F001S | R902026214 |
| A4VG180NVDM1/32R-NTD02F021D | R902112927 |
| A4VG180NVDT1/32L-NZD02F021S-S | R902081251 |
| A4VG180NVDT1/32R-NZD02F021S-S | R902081217 |
| A4VG250DA2D2/32L-NSD10F001DH | R902088441 |
| A4VG250DA2D2/32L-NZD10F001DH | R902087008 |
| A4VG250DA2D2/32R-NSD10F001DH | R902074407 |
| A4VG250DA2D2/32R-NSD10F001DP | R902119321 |
| A4VG250DA2D2/32R-NSD10F001SH | R902053794 |
| A4VG250DA2D2/32R-NSD10F071DH | R902079693 |
| A4VG250DA2D2/32R-NSD10F691DH | R902079805 |
| A4VG250DA2D2/32R-NTD10F071DH | R902117246 |
| A4VG250DA2D2/32R-NZD10F001DH | R902105090 |
| A4VG250DA2D2/32R-NZD10F721DH | R902079806 |
| A4VG250DA2D8/32R-NSD10F071DH | R902074327 |
| A4VG250DA2D8/32R-NSD10F071SH | R902071906 |
| A4VG250DA2D8/32R-NZD10F721DH | R902097416 |
| A4VG250DA2D8/32R-NZD10F721SH-S | R902077698 |
| A4VG250DA2DM2/32R-NSD10F003SH | R902066196 |
| A4VG250DA2DM2/32R-NZD10F001DH | R902057663 |
| A4VG250DA2DM8/32R-NZD10F691DH | R902133265 |
| A4VG250DA2DM8/32R-NZD10F721DH | R902117319 |
| A4VG250DA2DT2/32L-NSD10F001DH | R902079803 |
| A4VG250DA2DT2/32R-NZD10F011DH | R902079964 |
| A4VG250EP2D1/32L-NSD10F021SP *AL* | R902102409 |
| A4VG250EP2D1/32L-NSD10F071SP *AL* | R902102396 |
| A4VG250EP2D1/32R-NSD10F001DH-S *AL* | R902102080 |
| A4VG250EP2D1/32R-NSD10F001DP *AL* | R902120477 |
| A4VG250EP2D1/32R-NSD10F071DP *AL* | R902119323 |
| A4VG250EP2D1/32R-NSD10K011EH-S *AL* | R902061342 |
| A4VG250EP2D1/32R-NZD10F001DH *AL* | R902058748 |
| A4VG250EP2DM1/32L-NZD10N003EH-S *AL* | R902127094 |
| A4VG250EP2DM1/32R-NSD10F001DH *AL* | R902059314 |
| A4VG250EP2DM1/32R-NSD10K071EH *AL* | R902105262 |
| A4VG250EP2DM1/32R-NZD10F001DH-S *AL* | R902064275 |
| A4VG250EP2DM1/32R-NZD10K02XEH-S *AL* | R902127015 |
| A4VG250EP2DMT1/32R-NTD10F691DH *AL* | R902103925 |
| A4VG250EP2DMT2/32L-NZD10F021DH *AL* | R902094371 |
| A4VG250EP2DT1/32L-NSD10F011DH *AL* | R902117379 |
| A4VG250EP2DT1/32L-NZD10F001DH *AL* | R902059312 |
| A4VG250EP2DT1/32L-NZD10F001SH-S *AL* | R902075757 |
| A4VG250EP2DT1/32L-NZD10F023SH-S *AL* | R902089180 |
| A4VG250EP3D1/32R-NTD10F071DP | R902137212 |
| A4VG250EP3D1/32R-NTD10F691SH | R902146060 |
| A4VG250EP4D1/32L-NSD10F041DP | R902134106 |
| A4VG250EP4D1/32L-NSD10F721DP | R902133361 |
| A4VG250EP4D1/32L-NTD10F721DH | R902128232 |
| A4VG250EP4D1/32L-NZD10F001SH | R902128183 |
| A4VG250EP4D1/32L-NZD10F00XDT-S | R902134249 |
| A4VG250EP4D1/32R-NSD10F001DH | R902128224 |
| A4VG250EP4D1/32R-NSD10F001DP | R902128445 |
| A4VG250EP4D1/32R-NSD10F021DP | R902131079 |
| A4VG250EP4D1/32R-NSD10F071DP | R902128442 |
| A4VG250EP4D1/32R-NSD10K011EH-S | R902128358 |
| A4VG250EP4D1/32R-NTD10F721DH | R902128189 |
| A4VG250EP4D1/32R-NTD10K691EH-S | R902128369 |
| A4VG250EP4D1/32R-NZD10F001DH | R902128159 |
| A4VG250EP4D1/32R-NZD10F001SH | R902128150 |
| A4VG250EP4D1/32R-NZD10F001SP | R902128426 |
| A4VG250EP4D1/32R-NZD10F00XDH-S | R902137060 |
| A4VG250EP4D1/32R-NZD10F041SH | R902128156 |
| A4VG250EP4D1/32R-NZD10F071DH | R902128155 |
| A4VG250EP4D1/32R-NZD10F691DP | R902128424 |
| A4VG250EP4D2/32L-NZD10F021DH | R902128287 |
| A4VG250EP4D2/32R-NZD10F011DH | R902138516 |
| A4VG250EP4DM1/32L-NSD10K07XEH-S | R902128250 |
| A4VG250EP4DM1/32L-NSD10K07XEX-S | R902128419 |
| A4VG250EP4DM1/32L-NZD10N003EH-S | R902128400 |
| A4VG250EP4DM1/32R-NSD10F001DH | R902128177 |
| A4VG250EP4DM1/32R-NZD10F001DH-S | R902128362 |
| A4VG250EP4DM1/32R-NZD10F721DH | R902128289 |
| A4VG250EP4DM1/32R-NZD10K02XEH-S | R902128397 |
| A4VG250EP4DMT1/32L-NSD10F041DH | R902128275 |
| A4VG250EP4DMT1/32L-NZD10F001DH | R902128182 |
| A4VG250EP4DMT1/32L-NZD10N00XEH-S | R902128353 |
| A4VG250EP4DMT1/32R-NSD10F021SP | R902128448 |
| A4VG250EP4DMT1/32R-NTD10F691DH | R902128281 |
| A4VG250EP4DMT1/32R-NZD10K041EP | R902138699 |
| A4VG250EP4DMT1/32R-NZD10N001EP | R902128429 |
| A4VG250EP4DMT2/32R-NZD10F041DH | R902128175 |
| A4VG250EP4DT1/32L-NZD10F001DH-S | R902128376 |
| A4VG250EP4DT1/32L-NZD10F001SH-S | R902128394 |
| A4VG250EP4DT1/32L-NZD10F00XDH-S | R902128265 |
| A4VG250EP4DT1/32L-NZD10F011DP | R902131537 |
| A4VG250EP4DT1/32L-NZD10F011SH-S | R902128383 |
| A4VG250EP4DT1/32R-NSD10F011DP | R902128444 |
| A4VG250EP4DT1/32R-NZD10F001SH-S | R902131896 |
| A4VG250EP4DT1/32R-NZD10F011SH | R902128279 |
| A4VG250EP4DT1/32R-NZD10F021SH | R902128163 |
| A4VG250EP4DT1/32R-NZD10F023SH-S | R902128257 |
| A4VG250EP4DT2/32R-NZD10F071DH | R902149628 |
| A4VG250EZ1D1/32R-NZD10F011DH | R902053792 |
| A4VG250EZ2D1/32R-NSD10F001SH | R902069446 |
| A4VG250EZ2D1/32R-NZD10F001DH | R902089000 |
| A4VG250EZ2DM1/32R-NSD10F071DH | R902072883 |
| A4VG250EZ2DM1/32R-NZD10F001DH | R902061982 |
| A4VG250EZ2DM1/32R-NZD10F691SH | R902066476 |
| A4VG250HD1D1/32L-NSD10F001D *AL* | R902060781 |
| A4VG250HD1D1/32L-NSD10F021D *AL* | R902060782 |
| A4VG250HD1D1/32R-NSD10F001D *AL* | R902060770 |
| A4VG250HD1D1/32R-NZD10F001D *AL* | R902069418 |
| A4VG250HD1DT1/32L-NSD10F001S *AL* | R902104966 |
| A4VG250HD1DT1/32R-NSD10F001S *AL* | R902100674 |
| A4VG250HD3D1/32L-NSD10F001D | R902128469 |
| A4VG250HD3D1/32L-NSD10F041D | R902134324 |
| A4VG250HD3D1/32L-NSD10F071D | R902131364 |
| A4VG250HD3D1/32L-NZD10F001S | R902128479 |
| A4VG250HD3D1/32R-NSD10F001D | R902131510 |
| A4VG250HD3D1/32R-NSD10F021S | R902128461 |
| A4VG250HD3D1/32R-NSD10F691D | R902128467 |
| A4VG250HD3D1/32R-NSD10K011E-S | R902128478 |
| A4VG250HD3D1/32R-NTD10F691D | R902128496 |
| A4VG250HD3D1/32R-NZD10F001D | R902128480 |
| A4VG250HD3D1/32R-NZD10F001S | R902128465 |
| A4VG250HD3D1/32R-NZD10F011D | R902131820 |
| A4VG250HD3D1/32R-NZD10F721D | R902131508 |
| A4VG250HD3DM1/32R-NZD10F021S | R902129419 |
| A4VG250HD3DMT1/32R-NSD10F071D | R902129552 |
| A4VG250HD3DT1/32L-NZD10F001S-S | R902128482 |
| A4VG250HD3DT1/32R-NSD10F001S | R902129553 |
| A4VG250HWD1/32L-NSD10F001D | R902079280 |
| A4VG250HWD1/32L-NSD10F001S | R902083007 |
| A4VG250HWD1/32L-NSD10F021D | R902080244 |
| A4VG250HWD1/32R-NZD10F001D | R902031349 |
| A4VG250HWD1/32R-NZD10F001S | R902031348 |
| A4VG250HWD1/32R-NZD10F011S | R902027577 |
| A4VG250HWD1/32R-NZD10F041S | R902076867 |
| A4VG250HWD1/32R-NZD10F691D | R902030322 |
| A4VG250HWD1/32R-NZD10F691S | R902068422 |
| A4VG250HWDT1/32R-NSD10F001S | R902074370 |
| A4VG250HWDT1/32R-NTD10F721S | R902074369 |
| A4VG250HWDT1/32R-NZD10F001S | R902030330 |
| A4VG250HWDT1/32R-NZD10F021S | R902037376 |
| A4VG250NVD1/32L-NTD10F021D | R902033751 |
| A4VG250NVD1/32L-NZD10F001S | R902105380 |
| A4VG250NVD1/32L-NZD10K071E | R902079973 |
| A4VG250NVD1/32R-NZD10F001S | R902048019 |
| A4VG250NVDM1/32L-NTD10F021D | R902044536 |
| A4VG250NVDM1/32R-NZD10F071D | R902011220 |
| A4VG250NVDT1/32R-NZD10F001D | R902112892 |
| A4VG28DA1D2/32R-NSC10F025SH-S | R902079721 |
| A4VG28DA1D2/32R-NZC10F005SH | R902052587 |
| A4VG28DA1D2/32R-NZC10F015SH | R902052589 |
| A4VG28DA1D3L/32R-NSC10F015SH-S | R902118390 |
| A4VG28DA1D3R/32R-NSC10K015EH | R902067099 |
| A4VG28DA1D3R/32R-NZC10F015SH | R902052599 |
| A4VG28DA1D8/32R-NSC10F015SP-ES | R902129399 |
| A4VG28DA1D8/32R-NZC10F015DP | R902112943 |
| A4VG28DA1DT2/32R-NSC10F015SH | R902052584 |
| A4VG28DA1DT3L/32R-NSC10K015EH | R902067417 |
| A4VG28DA2D2/32R-NSC10F015SH | R902052603 |
| A4VG28DA2D2/32R-NZC10F005SH | R902052605 |
| A4VG28DGD1/32R-NSC10F003S | R902022100 |
| A4VG28DGDT1/32R-NSC10K013E | R902103976 |
| A4VG28DGDT1/32R-NSC10K043E | R902099864 |
| A4VG28EP3D1/32R-NSC10F045SH | R902110567 |
| A4VG28EP3DM2/32R-NZC10F015SH | R902110563 |
| A4VG28EP3DT1/32L-NSC10F015SH-S | R902110570 |
| A4VG28EP3DT2/32R-NSC10F005SH | R902110556 |
| A4VG28EP4D1/32L-NSC10F003SP | R902131778 |
| A4VG28EP4D1/32L-NSC10F015SH | R902110661 |
| A4VG28EP4D1/32L-NZC10F013SH | R902110616 |
| A4VG28EP4D1/32L-NZC10F025ST | R902110587 |
| A4VG28EP4D1/32L-NZC10F043SP | R902131776 |
| A4VG28EP4D1/32L-NZC10F045SH | R902110677 |
| A4VG28EP4D1/32R-NSC10F005DH | R902110629 |
| A4VG28EP4D1/32R-NSC10F005DP | R902110707 |
| A4VG28EP4D1/32R-NSC10F005SH | R902110604 |
| A4VG28EP4D1/32R-NSC10F006DRH | R902110681 |
| A4VG28EP4D1/32R-NSC10F015SH | R902110605 |
| A4VG28EP4D1/32R-NSC10F023SP | R902110705 |
| A4VG28EP4D1/32R-NSC10F025DH | R902110607 |
| A4VG28EP4D1/32R-NSC10K026EP | R902120443 |
| A4VG28EP4D1/32R-NZC10F005SH | R902110633 |
| A4VG28EP4D1/32R-NZC10F015SH | R902110653 |
| A4VG28EP4DM1/32L-NSC10F003DH | R902110667 |
| A4VG28EP4DM1/32L-NSC10F003SH | R902110673 |
| A4VG28EP4DM1/32L-NSC10F023SH | R902110687 |
| A4VG28EP4DMT1/32L-NSC10N005EP | R902138722 |
| A4VG28EP4DMT1/32R-NSC10F015DH | R902136488 |
| A4VG28EP4DT1/32L-NSC10F005SH | R902110641 |
| A4VG28EP4DT1/32R-NSC10F005SH | R902110627 |
| A4VG28EP4DT1/32R-NSC10N005EH | R902119003 |
| A4VG28EZ2DM1/32R-NSC10N003EH | R902074211 |
| A4VG28HD3D1/32R-NSC10F015S | R902110709 |
| A4VG28HD3D1/32R-NZC10F003D | R902122231 |
| A4VG28HD3D1/32R-NZC10F005D | R902110752 |
| A4VG28HD3D1/32R-NZC10F005S | R902110743 |
| A4VG28HD3D1/32R-NZC10F006S-S | R902110739 |
| A4VG28HD3DM2/32R-NZC10F015S | R902110736 |
| A4VG28HD3DT1/32L-NSC10F015S | R902110751 |
| A4VG28HD3DT1/32R-NSC10F005S | R902110728 |
| A4VG28HD3DT1/32R-NSC10F025S | R902110750 |
| A4VG28HWD1/32L-NSC10F015D | R902138878 |
| A4VG28HWD1/32R-NSC10F015S | R902019574 |
| A4VG28HWD1/32R-NSC10F044D | R902061779 |
| A4VG28HWD1/32R-NSC10K015E | R902067499 |
| A4VG28HWD1/32R-NSC10K045E | R902067498 |
| A4VG28HWD3R/32R-NZC10F015S | R902102282 |
| A4VG28HWDL1/32R-NSC10F005S | R902131722 |
| A4VG28HWDL1/32R-NSC10N005E-S | R902097789 |
| A4VG28HWDL1/32R-NZC10F015S | R902120332 |
| A4VG28NVDT1/32L-NSC10F005S | R902018980 |
| A4VG28NVDT1/32R-NSC10F005S | R902018981 |
| A4VG40DA1D2/32R-NAC02F025SQ | R902089459 |
| A4VG40DA1D2/32R-NAC02F025ST *AL* | R902084522 |
| A4VG40DA1D2/32R-NSC02F015SH | R902053638 |
| A4VG40DA1D2/32R-NZC02F005SH | R902112684 |
| A4VG40DA1D2/32R-NZC02F005SP | R902131987 |
| A4VG40DA1D2/32R-NZC02F013SH | R902074322 |
| A4VG40DA1D3L/32R-NZC02F005FH | R902131571 |
| A4VG40DA1D4/32R-NZC02F025SH | R902079999 |
| A4VG40DA1D8/32R-NAC02F005SH | R902074052 |
| A4VG40DA1D8/32R-NZC02F005LT *AL* | R902102237 |
| A4VG40DA1D8/32R-NZC02F015SH | R902053724 |
| A4VG40DA1DT2/32R-NZC02F015SH-S | R902053631 |
| A4VG40DA1DT4/32R-NZC02F015SH-S | R902123633 |
| A4VG40DA2D7/32R-NZC02F025LH | R902066197 |
| A4VG40DA2DT2/32R-NZC02F015SH | R902053729 |
| A4VG40DGD1/32L-NZC02F003S | R902019954 |
| A4VG40DGD2/32R-NSC02F015S | R902019978 |
| A4VG40DGD2/32R-NZC02F015S | R902031128 |
| A4VG40EP3D1/32L-NAC02F005SH | R902146249 |
| A4VG40EP3D1/32L-NUC02F003SH | R902110837 |
| A4VG40EP3D1/32L-NZC02F093SH | R902110833 |
| A4VG40EP3D1/32L-NZC02F095SH-S | R902110835 |
| A4VG40EP3D1/32R-NAC02K015EH | R902110830 |
| A4VG40EP3D1/32R-NSC02F013FH | R902110781 |
| A4VG40EP3D1/32R-NSC02F015SP | R902111133 |
| A4VG40EP3DM1/32R-NSC02F005SP | R902110828 |
| A4VG40EP3DM2/32R-NAC02F093SH | R902110825 |
| A4VG40EP3DM2/32R-NZC02F025SH | R902110780 |
| A4VG40EP3DM3L/32R-NUC02F025SH | R902110820 |
| A4VG40EP4D1/32L-NAC02F025SH | R902131780 |
| A4VG40EP4D1/32L-NAC02F045FT-S | R902110850 |
| A4VG40EP4D1/32L-NAC02F045PH | R902111031 |
| A4VG40EP4D1/32L-NAC02F095PH | R902111054 |
| A4VG40EP4D1/32L-NSC02F005SP | R902111140 |
| A4VG40EP4D1/32L-NSC02F025FH | R902111083 |
| A4VG40EP4D1/32L-NSC02F025PH | R902110911 |
| A4VG40EP4D1/32L-NUC02F025PH | R902111030 |
| A4VG40EP4D1/32L-NZC02F005DP | R902138595 |
| A4VG40EP4D1/32L-NZC02F005FH | R902110946 |
| A4VG40EP4D1/32R-NAC02F095SP | R902138581 |
| A4VG40EP4D1/32R-NSC02F003DP | R902131081 |
| A4VG40EP4D1/32R-NSC02F005DH | R902110910 |
| A4VG40EP4D1/32R-NSC02F005DP | R902123684 |
| A4VG40EP4D1/32R-NSC02F015SP | R902134217 |
| A4VG40EP4D1/32R-NSC02F045DH | R902111037 |
| A4VG40EP4D1/32R-NSC02F095PP | R902111144 |
| A4VG40EP4D1/32R-NSC02N003EP | R902117218 |
| A4VG40EP4D1/32R-NUC02F005SH | R902110928 |
| A4VG40EP4D1/32R-NUC02F005SP | R902138585 |
| A4VG40EP4D1/32R-NUC02F015PP | R902111145 |
| A4VG40EP4D1/32R-NZC02F003SP | R902137001 |
| A4VG40EP4D1/32R-NZC02F005DH | R902110919 |
| A4VG40EP4D1/32R-NZC02F005DP | R902138584 |
| A4VG40EP4D1/32R-NZC02F005SH | R902110909 |
| A4VG40EP4D1/32R-NZC02F045DH | R902110937 |
| A4VG40EP4D2/32R-NZC02F013FH | R902110908 |
| A4VG40EP4DM1/32L-NAC02F025DH | R902111063 |
| A4VG40EP4DM1/32L-NAC02F093PH | R902111012 |
| A4VG40EP4DM1/32L-NSC02F043DH | R902110917 |
| A4VG40EP4DM1/32L-NZC02F003DH | R902110943 |
| A4VG40EP4DM1/32L-NZC02F003SH | R902110890 |
| A4VG40EP4DM1/32R-NAC02F013PH | R902110948 |
| A4VG40EP4DM1/32R-NAC02F015PH | R902111102 |
| A4VG40EP4DM1/32R-NAC02F093PH | R902111010 |
| A4VG40EP4DM1/32R-NSC02F005DH | R902111047 |
| A4VG40EP4DM1/32R-NSC02F005DP | R902138660 |
| A4VG40EP4DM1/32R-NSC02F005SP | R902134291 |
| A4VG40EP4DM1/32R-NSC02F013PH-S | R902131111 |
| A4VG40EP4DM1/32R-NSC02F025PH | R902111065 |
| A4VG40EP4DM1/32R-NSC02F025PT-S | R902111125 |
| A4VG40EP4DM1/32R-NUC02F023PH | R902111094 |
| A4VG40EP4DM1/32R-NZC02F003DH | R902111086 |
| A4VG40EP4DM1/32R-NZC02F003FH | R902110891 |
| A4VG40EP4DMT1/32L-NSC02F015PH | R902131883 |
| A4VG40EP4DT1/32L-NZC02F005SH | R902123843 |
| A4VG40EP4DT1/32L-NZC02F045SH | R902120215 |
| A4VG40EP4DT1/32L-NZX02F015SH-S | R902110921 |
| A4VG40EP4DT1/32L-NZX02F025SH-S | R902110920 |
| A4VG40EP4DT1/32R-NZC02F005SH | R902123845 |
| A4VG40EP4DT1/32R-NZC02F013DH | R902110895 |
| A4VG40EZ1DM1/32R-NSC02N003EH-ES | R902133059 |
| A4VG40EZ1DM1/32R-NSC02N003EH-ES | R902136038 |
| A4VG40EZ2D1/32R-NSC02F003SH | R902097006 |
| A4VG40EZ2D1/32R-NSC03F003SH | R902120228 |
| A4VG40EZ2D1/32R-NZC02F015SH | R902097673 |
| A4VG40EZ2DM1/32R-NSC02F005DH | R902072898 |
| A4VG40HD3D1/32L-NSC02F006F | R902111180 |
| A4VG40HD3D1/32L-NSC02F00XL-S | R902111192 |
| A4VG40HD3D1/32L-NSC02F015P | R902111200 |
| A4VG40HD3D1/32R-NSC02F023D | R902131344 |
| A4VG40HD3D1/32R-NSC02F025S | R902111163 |
| A4VG40HD3D1/32R-NSC02K015E | R902136130 |
| A4VG40HD3D1/32R-NSC02K095E | R902111161 |
| A4VG40HD3D1/32R-NUC02K015E | R902111164 |
| A4VG40HD3D1/32R-NZC02F003D | R902120041 |
| A4VG40HD3D1/32R-NZC02F005D | R902131627 |
| A4VG40HD3D1/32R-NZC02F006D | R902111190 |
| A4VG40HD3D2/32R-NAC02F095K | R902111236 |
| A4VG40HD3D2/32R-NUC02F005K | R902117485 |
| A4VG40HD3D2/32R-NZC02F013S | R902111195 |
| A4VG40HD3D2/32R-NZC02F023S | R902111154 |
| A4VG40HD3DM1/32R-NSC02F045M | R902111173 |
| A4VG40HD3DM1/32R-NSC02F046P | R902111228 |
| A4VG40HD3DM2/32R-NSC02F016M | R902111231 |
| A4VG40HD3DT1/32L-NAC02F043D | R902111178 |
| A4VG40HD3DT1/32R-NSC02F025M | R902111207 |
| A4VG40HD3DT2/32R-NZC02F015S | R902120194 |
| A4VG40HWD1/32L-NSC02F003D | R902067355 |
| A4VG40HWD1/32R-NSC02F003D | R902020728 |
| A4VG40HWD2/32R-NZC02F013S | R902021034 |
| A4VG40NVDM1/32L-NAC02F023L | R902037396 |
| A4VG40NVDT1/32L-NZC02F015S-S | R902019985 |
| A4VG40NVDT1/32R-NZC02F015S-S | R902019963 |
| A4VG56DA1D2/32L-NSC02F016SH | R902055073 |
| A4VG56DA1D2/32L-NZC02F005SP | R902136420 |
| A4VG56DA1D2/32R-NAC02F025SH | R902074357 |
| A4VG56DA1D2/32R-NAC02F075SH-S | R902056865 |
| A4VG56DA1D2/32R-NSC02F005SH | R902074181 |
| A4VG56DA1D2/32R-NTC02F003SH | R902055084 |
| A4VG56DA1D2/32R-NTC02F025SH | R902076706 |
| A4VG56DA1D2/32R-NZC02F005FQ-E | R902117149 |
| A4VG56DA1D2/32R-NZC02F005SH-S | R902055089 |
| A4VG56DA1D2/32R-NZC02F015SH | R902075761 |
| A4VG56DA1D2/32R-NZC02F023SH | R902055094 |
| A4VG56DA1D2/32R-NZC02F023SH-S | R902055096 |
| A4VG56DA1D2/32R-NZC02F025FH | R902055102 |
| A4VG56DA1D2/32R-NZC02F025SH | R902055105 |
| A4VG56DA1D3L/32R-NSC02F013DH | R902055109 |
| A4VG56DA1D3L/32R-NZC02F005FH | R902131822 |
| A4VG56DA1D3L/32R-NZC02F013SH | R902055112 |
| A4VG56DA1D3L/32R-NZC02F015DH | R902055114 |
| A4VG56DA1D3L/32R-NZC02F015SH | R902055115 |
| A4VG56DA1D3L/32R-NZC02F023SH | R902055116 |
| A4VG56DA1D3L/32R-NZC02F025SH | R902055119 |
| A4VG56DA1D3L/32R-NZC02F025SH-S | R902061278 |
| A4VG56DA1D3R/32R-NAC02F025FH | R902055125 |
| A4VG56DA1D3R/32R-NSC02F025SH | R902055126 |
| A4VG56DA1D3R/32R-NZC02F025SH | R902055132 |
| A4VG56DA1D4/32R-NAC02F075SH | R902055134 |
| A4VG56DA1D4/32R-NZC02F005FH | R902112820 |
| A4VG56DA1D4/32R-NZC02F005SH | R902055135 |
| A4VG56DA1D4/32R-NZC02F013FH | R902055136 |
| A4VG56DA1D4/32R-NZC02F015SH-S | R902071997 |
| A4VG56DA1D4/32R-NZC02F025SH | R902055139 |
| A4VG56DA1D4/32R-NZC02F025SH | R902085991 |
| A4VG56DA1D7/32R-NAC02F045SH-S | R902094108 |
| A4VG56DA1D7/32R-NAC02F075SH | R902088173 |
| A4VG56DA1D7/32R-NZC02F005SH | R902055151 |
| A4VG56DA1D7/32R-NZC02F025LH | R902055154 |
| A4VG56DA1D7/32R-NZC02F025SQ | R902112696 |
| A4VG56DA1D7/32R-NZC03F005SH-ES | R902117306 |
| A4VG56DA1D7/32R-NZC03F025SH-S | R902117296 |
| A4VG56DA1D8/32R-NAC02F005SH | R902055161 |
| A4VG56DA1D8/32R-NAC02F015ST *AL* | R902079568 |
| A4VG56DA1D8/32R-NAC02F045SH | R902055163 |
| A4VG56DA1D8/32R-NAC02F075SH | R902068439 |
| A4VG56DA1D8/32R-NSC02F015SH | R902055164 |
| A4VG56DA1D8/32R-NSC02F025SH | R902055165 |
| A4VG56DA1D8/32R-NSC02F045MH | R902072726 |
| A4VG56DA1D8/32R-NTC02F015SH | R902055167 |
| A4VG56DA1D8/32R-NTC02F025SH | R902055168 |
| A4VG56DA1D8/32R-NZC02F005SH | R902055170 |
| A4VG56DA1D8/32R-NZC02F015SH | R902055173 |
| A4VG56DA1D8/32R-NZC02F015SH | R902055174 |
| A4VG56DA1D8/32R-NZC02F025SH | R902055182 |
| A4VG56DA1D8/32R-NZC02F025SH | R902055179 |
| A4VG56DA1D8/32R-NZC02F025SH | R902055180 |
| A4VG56DA1DM2/32R-NAC02F025PH | R902087822 |
| A4VG56DA1DM2/32R-NZC02F015PH | R902085616 |
| A4VG56DA1DM3R/32R-NAC02F045FH | R902118153 |
| A4VG56DA1DT2/32L-NZC02F025SH-S | R902055062 |
| A4VG56DA1DT2/32R-NAC02F075SH-S | R902127376 |
| A4VG56DA1DT2/32R-NZC02F025SH-S | R902055064 |
| A4VG56DA1DT3L/32R-NZC02F025SH | R902055066 |
| A4VG56DA1DT4/32R-NZC02F023SH | R902055067 |
| A4VG56DA1DT4/32R-NZC02F025SH | R902055068 |
| A4VG56DA2D2/32L-NSC02F005DH | R902055199 |
| A4VG56DA2D2/32L-NZC02F005SH | R902055200 |
| A4VG56DA2D2/32R-NSC02F005SH | R902055203 |
| A4VG56DA2D2/32R-NSC02F045MH | R902055207 |
| A4VG56DA2D2/32R-NSC02F075DH | R902067079 |
| A4VG56DA2D2/32R-NTC02F045SH | R902118401 |
| A4VG56DA2D2/32R-NTC02F073SH | R902055208 |
| A4VG56DA2D2/32R-NZC02F005SH | R902055209 |
| A4VG56DA2D2/32R-NZC02F015LH | R902055212 |
| A4VG56DA2D2/32R-NZC02F015SH | R902079875 |
| A4VG56DA2D2/32R-NZC02F015SH-S | R902055213 |
| A4VG56DA2D2/32R-NZC02F025SH | R902094333 |
| A4VG56DA2D3L/32R-NZC02F005SH | R902072803 |
| A4VG56DA2D3L/32R-NZC02F023SH | R902120341 |
| A4VG56DA2D3R/32R-NZC02F045SH | R902055217 |
| A4VG56DA2D4/32R-NAC02F075SH | R902067074 |
| A4VG56DA2D4/32R-NZC02F015SH | R902102187 |
| A4VG56DA2D8/32R-NAC02F075SH | R902055218 |
| A4VG56DA2D8/32R-NSC02F025MH | R902055219 |
| A4VG56DA2DM2/32R-NAC02F075SH | R902088379 |
| A4VG56DA2DM4/32R-NZC02F015SH | R902075609 |
| A4VG56DA2DT2/32L-NSC02F025SH | R902055190 |
| A4VG56DA2DT2/32L-NZC02F005SH | R902055191 |
| A4VG56DA2DT2/32L-NZC02F015SH | R902055192 |
| A4VG56DA2DT2/32R-NZC02F005SH | R902055193 |
| A4VG56DA2DT3L/32R-NZC02F045PH | R902055194 |
| A4VG56DA2DT3L/32R-NZC02F045SH | R902055195 |
| A4VG56DA2DT3R/32R-NAC02F043SH | R902055196 |
| A4VG56DA2DT4/32R-NZC02F005FH | R902090986 |
| A4VG56DA2DT7/32R-NZC02F025SH | R902055197 |
| A4VG56DGD1/32L-NSC02F045D | R902026724 |
| A4VG56DGD1/32R-NAC02F075S | R902028338 |
| A4VG56DGD1/32R-NSC02F005S | R902019821 |
| A4VG56DGD1/32R-NSC02F015S | R902105151 |
| A4VG56DGD1/32R-NZC02F005S | R902032204 |
| A4VG56DGD1/32R-NZC02F015S | R902019834 |
| A4VG56DGD2/32L-NSC02F023S | R902079606 |
| A4VG56DGD2/32R-NAC02F013S | R902069491 |
| A4VG56DGD2/32R-NSC02F023S | R902019810 |
| A4VG56DGD2/32R-NZC02F005S | R902036468 |
| A4VG56DGD2/32R-NZC02F015S | R902036470 |
| A4VG56DGDM1/32L-NSC02F005S | R902029064 |
| A4VG56DGDM1/32R-NAC02F075P | R902119078 |
| A4VG56DGDM1/32R-NSC02F005S | R902066925 |
| A4VG56DGDM1/32R-NSC02F045P | R902119077 |
| A4VG56DGDM1/32R-NSC02F075D | R902029065 |
| A4VG56DGDMT1/32R-NSC02K015E | R902029150 |
| A4VG56DGDT1/32R-NSC02F005B | R902149735 |
| A4VG56DGDT1/32R-NSC02F075B | R902146087 |
| A4VG56DWDT1/32R-NZC02F003D-S | R902042592 |
| A4VG56EP3D1/32L-NSC02F003SH | R902111347 |
| A4VG56EP3D1/32L-NTC02F073SH | R902111369 |
| A4VG56EP3D1/32L-NZC02F003SH | R902111346 |
| A4VG56EP3D1/32R-NAC02F073SH | R902111394 |
| A4VG56EP3D1/32R-NSC02F023SH | R902111416 |
| A4VG56EP3D1/32R-NSC02F043FH | R902111454 |
| A4VG56EP3D1/32R-NSC02F073FH | R902111356 |
| A4VG56EP3D1/32R-NZC02F003DH | R902111435 |
| A4VG56EP3D3L/32R-NSC02F023SH | R902112688 |
| A4VG56EP3D3L/32R-NSC02F043SH | R902111393 |
| A4VG56EP3D3L/32R-NSC02F043SH | R902110953 |
| A4VG56EP3D3L/32R-NSC02F043SH-E | R902092923 |
| A4VG56EP3D3L/32R-NZC02F025SH | R902111340 |
| A4VG56EP3DT1/32R-NZC02F075SH | R902120150 |
| A4VG56EP4D1/32L-NAC02F003DH | R902111516 |
| A4VG56EP4D1/32L-NAC02F005DH | R902111670 |
| A4VG56EP4D1/32L-NAC02F073SP | R902131386 |
| A4VG56EP4D1/32L-NAC02F075LH | R902111668 |
| A4VG56EP4D1/32L-NAC02F075SP | R902131969 |
| A4VG56EP4D1/32L-NAC02K025EP | R902111805 |
| A4VG56EP4D1/32L-NSC02F005LH | R902111637 |
| A4VG56EP4D1/32L-NSC02F013SP | R902111807 |
| A4VG56EP4D1/32L-NSC02F023DP | R902134204 |
| A4VG56EP4D1/32L-NSC02F025SP | R902117080 |
| A4VG56EP4D1/32L-NTC02F045SH | R902111710 |
| A4VG56EP4D1/32L-NZC02F003SH | R902111533 |
| A4VG56EP4D1/32L-NZC02F013SP | R902111823 |
| A4VG56EP4D1/32L-NZC02F043SP | R902111817 |
| A4VG56EP4D1/32R-NAC02F005LH | R902111713 |
| A4VG56EP4D1/32R-NAC02F045DH | R902111704 |
| A4VG56EP4D1/32R-NAC02F075SH | R902111625 |
| A4VG56EP4D1/32R-NAC02F075SP | R902118408 |
| A4VG56EP4D1/32R-NSC02F003DH | R902111521 |
| A4VG56EP4D1/32R-NSC02F003DP | R902120094 |
| A4VG56EP4D1/32R-NSC02F003PH | R902111644 |
| A4VG56EP4D1/32R-NSC02F005DH | R902111509 |
| A4VG56EP4D1/32R-NSC02F013SP | R902111809 |
| A4VG56EP4D1/32R-NSC02F015DH | R902111629 |
| A4VG56EP4D1/32R-NSC02F015SH | R902111528 |
| A4VG56EP4D1/32R-NSC02F023DP | R902123579 |
| A4VG56EP4D1/32R-NSC02F025SP | R902118409 |
| A4VG56EP4D1/32R-NSC02F043DH | R902111586 |
| A4VG56EP4D1/32R-NSC02F075DH | R902111508 |
| A4VG56EP4D1/32R-NTC02F073SP | R902111810 |
| A4VG56EP4D1/32R-NTC02F075SH | R902111591 |
| A4VG56EP4D1/32R-NZC02F003FH | R902111594 |
| A4VG56EP4D1/32R-NZC02F003SH | R902111532 |
| A4VG56EP4D1/32R-NZC02F003SP | R902111808 |
| A4VG56EP4D1/32R-NZC02F005DP | R902118495 |
| A4VG56EP4D1/32R-NZC02F005SH | R902111583 |
| A4VG56EP4D1/32R-NZC02F006DH | R902111751 |
| A4VG56EP4D1/32R-NZC02F023DP | R902138551 |
| A4VG56EP4D2/32L-NSC02F075FH | R902111702 |
| A4VG56EP4D2/32R-NSC02F005BP-S | R902129126 |
| A4VG56EP4D2/32R-NZC02F005SH | R902111584 |
| A4VG56EP4D2/32R-NZC02F015SH | R902111517 |
| A4VG56EP4D2/32R-NZC02F045PH | R902111717 |
| A4VG56EP4DM1/32L-NSC02F005FH | R902112738 |
| A4VG56EP4DM1/32L-NSC02F015SH | R902111582 |
| A4VG56EP4DM1/32R-NSC02F025PH | R902111724 |
| A4VG56EP4DM1/32R-NZC02F006DH | R902129209 |
| A4VG56EP4DM1/32R-NZC02F075FH | R902118125 |
| A4VG56EP4DM2/32R-NZC02F015SH | R902111559 |
| A4VG56EP4DT1/32L-NAC02F013DH | R902111545 |
| A4VG56EP4DT1/32L-NSC02F005SP | R902136397 |
| A4VG56EP4DT1/32L-NZC02F013SH | R902120148 |
| A4VG56EP4DT1/32R-NAC02F005BP-S | R902133198 |
| A4VG56EP4DT1/32R-NAC02F075BP | R902149733 |
| A4VG56EP4DT1/32R-NSC02F005BP | R902149706 |
| A4VG56EP4DT1/32R-NSC02N003EH | R902111616 |
| A4VG56EP4DT1/32R-NTC02F075BP-S | R902146089 |
| A4VG56EP4DT2/32L-NZC02F015SH | R902146058 |
| A4VG56EP4DT7/32R-NAC02F075SP | R902149849 |
| A4VG56EP4DT7/32R-NSC02F015SP | R902149851 |
| A4VG56EZ1D1/32R-NSC02F003DH | R902055017 |
| A4VG56EZ1D1/32R-NSC02F023SH | R902055018 |
| A4VG56EZ1D1/32R-NSC02F025SH | R902053291 |
| A4VG56EZ1DM1/32R-NZC02F023SH | R902055016 |
| A4VG56EZ2D1/32L-NZC02F003SH | R902055036 |
| A4VG56EZ2D1/32L-NZC02F005SH | R902083151 |
| A4VG56EZ2D1/32R-NSC02F015SH | R902055037 |
| A4VG56EZ2D1/32R-NZC02F013SH | R902055053 |
| A4VG56EZ2DM1/32L-NSC02F003DH | R902053368 |
| A4VG56EZ2DM1/32L-NSC02F003FH | R902066499 |
| A4VG56EZ2DM1/32L-NSC02F023SH | R902055025 |
| A4VG56EZ2DM1/32R-NSC02F003FH | R902087039 |
| A4VG56EZ2DM1/32R-NSC02F003FH *AL* | R902083944 |
| A4VG56EZ2DM1/32R-NSC02F004SH | R902055026 |
| A4VG56EZ2DM1/32R-NSC02F005DH | R902066728 |
| A4VG56EZ2DM1/32R-NSC02F005SP-S | R902131629 |
| A4VG56EZ2DM1/32R-NSC02F013FH | R902068430 |
| A4VG56EZ2DM1/32R-NSC02F013LH | R902068492 |
| A4VG56EZ2DM1/32R-NSC02F013SH | R902068406 |
| A4VG56EZ2DM1/32R-NSC02F023SH | R902066704 |
| A4VG56EZ2DT1/32L-NSC02F003SH | R902055033 |
| A4VG56HD3D1/32L-NSC02F003D | R902111880 |
| A4VG56HD3D1/32L-NSC02F00XL-S | R902111945 |
| A4VG56HD3D1/32L-NSC02F01XL-S | R902111981 |
| A4VG56HD3D1/32L-NSC02F023D | R902111866 |
| A4VG56HD3D1/32L-NSC02F073D | R902111867 |
| A4VG56HD3D1/32L-NTC02F015F | R902111938 |
| A4VG56HD3D1/32L-NTC02F025F | R902111937 |
| A4VG56HD3D1/32L-NZC02F003S | R902111983 |
| A4VG56HD3D1/32L-NZC02F005S | R902131527 |
| A4VG56HD3D1/32R-NSC02F003D | R902111872 |
| A4VG56HD3D1/32R-NSC02F003F | R902111941 |
| A4VG56HD3D1/32R-NSC02F025S | R902111904 |
| A4VG56HD3D1/32R-NSC02F045S | R902111912 |
| A4VG56HD3D1/32R-NZC02F003D | R902111976 |
| A4VG56HD3D1/32R-NZC02F005S | R902111957 |
| A4VG56HD3D1/32R-NZC02F025S | R902117336 |
| A4VG56HD3D2/32R-NZC02F005S | R902111891 |
| A4VG56HD3D2/32R-NZC02F015S | R902111861 |
| A4VG56HD3D2/32R-NZC02F045S | R902111929 |
| A4VG56HD3DM1/32R-NZC02F013D-E | R902092924 |
| A4VG56HD3DM2/32R-NSC02F026M | R902111980 |
| A4VG56HD3DMT1/32L-NSC02F003D | R902111869 |
| A4VG56HD3DMT1/32L-NSC02F045S | R902112477 |
| A4VG56HD3DMT1/32L-NTC02F015P | R902137297 |
| A4VG56HD3DMT1/32R-NZC02F005D | R902111908 |
| A4VG56HD3DT1/32L-NAC02F043D | R902111985 |
| A4VG56HD3DT1/32R-NZC02F015L | R902111927 |
| A4VG56HD3DT1/32R-NZC02F025S | R902111868 |
| A4VG56HD3DT2/32R-NSC02F025S | R902111986 |
| A4VG56HWD1/32L-NAC02F023S | R902021198 |
| A4VG56HWD1/32L-NAC02F043S | R902021200 |
| A4VG56HWD1/32L-NZC02F003S | R902021192 |
| A4VG56HWD1/32L-NZC02F023S | R902021197 |
| A4VG56HWD1/32R-NAC02F013S | R902020865 |
| A4VG56HWD1/32R-NAC02F043D | R902068274 |
| A4VG56HWD1/32R-NAC02F043S | R902021199 |
| A4VG56HWD1/32R-NSC02F003D | R902020665 |
| A4VG56HWD1/32R-NSC02F003S | R902050087 |
| A4VG56HWD1/32R-NSC02F005S | R902020681 |
| A4VG56HWD1/32R-NSC02F015S | R902020682 |
| A4VG56HWD1/32R-NSC02F025S | R902034655 |
| A4VG56HWD1/32R-NZC02F003S | R902021191 |
| A4VG56HWD1/32R-NZC02F005L | R902074496 |
| A4VG56HWD1/32R-NZC02F005S | R902020855 |
| A4VG56HWD1/32R-NZC02F013S | R902021193 |
| A4VG56HWD1/32R-NZC02F015S | R902028097 |
| A4VG56HWD1/32R-NZC02N003E | R902055527 |
| A4VG56HWD2/32R-NAC02F073S | R902149588 |
| A4VG56HWD2/32R-NAC02F075S | R902034654 |
| A4VG56HWD2/32R-NSC02F025L | R902029396 |
| A4VG56HWD2/32R-NZC02F003S | R902080089 |
| A4VG56HWD2/32R-NZC02F005S | R902036476 |
| A4VG56HWD2/32R-NZC02F015S | R902021449 |
| A4VG56HWD3L/32L-NZC02F045S | R902066527 |
| A4VG56HWD3L/32R-NTC02F023P | R902075760 |
| A4VG56HWD3L/32R-NTC02F023P | R902053274 |
| A4VG56HWD3L/32R-NTC02F025P | R902074000 |
| A4VG56HWD3L/32R-NZC02F003D | R902020688 |
| A4VG56HWD3L/32R-NZC02F003S | R902020649 |
| A4VG56HWD3L/32R-NZC02F005D | R902030054 |
| A4VG56HWD3L/32R-NZC02F005F | R902044475 |
| A4VG56HWD3L/32R-NZC02F043S | R902021203 |
| A4VG56HWDL1/32L-NSC02F005S | R902131807 |
| A4VG56HWDLT1/32R-NZC02K045E | R902117175 |
| A4VG56HWDLT1/32R-NZC02N003E | R902117191 |
| A4VG56HWDM1/32R-NSC02F003P | R902051171 |
| A4VG56HWDM1/32R-NSC02F003S | R902020690 |
| A4VG56HWDM1/32R-NSC02F005S | R902066522 |
| A4VG56HWDM2/32R-NAC02F073S | R902020656 |
| A4VG56HWDT1/32R-NAC02F075F | R902039239 |
| A4VG56HWDT1/32R-NSC02F005F | R902039238 |
| A4VG56HWDT1/32R-NSC02F005S | R902074212 |
| A4VG56HWDT1/32R-NZC02F015D | R902020680 |
| A4VG56HWDT1/32R-NZC02F016K | R902108182 |
| A4VG56HWDT1/32R-NZC02F025S | R902118307 |
| A4VG56HWDT1/32R-NZC02F045D | R902146350 |
| A4VG56HWDT1/32R-NZC02F045S | R902020694 |
| A4VG56NVD1/32R-NZC02F003S | R902021154 |
| A4VG56NVDM1/32R-NSC02F023S | R902048141 |
| A4VG56NVDM1/32R-NSC02F025S | R902074321 |
| A4VG56NVDM1/32R-NSC02F025S | R902071982 |
| A4VG56NVDT1/32L-NZC02F025S-S | R902019830 |
| A4VG56NVDT1/32L-NZC02F045S-S | R902028052 |
| A4VG56NVDT1/32R-NZC02F025S-S | R902019812 |
| A4VG71DA1D2/32R-NAF02F001DQ | R902096442 |
| A4VG71DA1D2/32R-NAF02F021BP | R902131753 |
| A4VG71DA1D2/32R-NAF02F021FP | R902122106 |
| A4VG71DA1D2/32R-NAF02F021SH | R902055299 |
| A4VG71DA1D2/32R-NAF02F041SH | R902085674 |
| A4VG71DA1D2/32R-NSF02F011PP | R902089470 |
| A4VG71DA1D2/32R-NSF02F021PH | R902062981 |
| A4VG71DA1D2/32R-NTF02F071SH | R902055302 |
| A4VG71DA1D2/32R-NZF02F001SH-S | R902055306 |
| A4VG71DA1D2/32R-NZF02F011SH | R902070468 |
| A4VG71DA1D2/32R-NZF02F021BP-S | R902120347 |
| A4VG71DA1D2/32R-NZF02F021PH | R902061820 |
| A4VG71DA1D2/32R-NZF02F021SH | R902099510 |
| A4VG71DA1D2/32R-NZF02F021SH-S | R902055309 |
| A4VG71DA1D2/32R-NZF02F021SP-S | R902118172 |
| A4VG71DA1D2/32R-NZF02F021SQ | R902136173 |
| A4VG71DA1D2/32R-NZF02F021ST *AL* | R902072879 |
| A4VG71DA1D2/32R-NZF02F041DH | R902055313 |
| A4VG71DA1D2/32R-NZF02F041FH | R902087092 |
| A4VG71DA1D2/32R-NZF02F041SH | R902055314 |
| A4VG71DA1D2/32R-NZF02F041SH | R902099508 |
| A4VG71DA1D2/32R-NZF02F071SH | R902055315 |
| A4VG71DA1D3L/32R-NZF02F021FH | R902068043 |
| A4VG71DA1D3L/32R-NZF02F021PH | R902055319 |
| A4VG71DA1D3L/32R-NZF02F021SH | R902055322 |
| A4VG71DA1D3L/32R-NZF02F021SH | R902055320 |
| A4VG71DA1D3L/32R-NZF02F041FH | R902055324 |
| A4VG71DA1D3L/32R-NZF02F041SH | R902055325 |
| A4VG71DA1D3R/32R-NZF02F011SH *AL* | R902106387 |
| A4VG71DA1D3R/32R-NZF02F021FH | R902055326 |
| A4VG71DA1D3R/32R-NZF02F021SH | R902089266 |
| A4VG71DA1D3R/32R-NZF02F021SH | R902076906 |
| A4VG71DA1D3R/32R-NZF02F041SH | R902055329 |
| A4VG71DA1D4/32R-NTF02F001SH | R902055331 |
| A4VG71DA1D4/32R-NZF02F001SH | R902055332 |
| A4VG71DA1D4/32R-NZF02F021DH | R902087940 |
| A4VG71DA1D4/32R-NZF02F021FH | R902072783 |
| A4VG71DA1D4/32R-NZF02F021SH | R902055334 |
| A4VG71DA1D4/32R-NZF02F041SH | R902108219 |
| A4VG71DA1D4/32R-NZF02F071SH | R902096146 |
| A4VG71DA1D7/32R-NAF02F021LH | R902055336 |
| A4VG71DA1D7/32R-NSF02F041SH | R902055338 |
| A4VG71DA1D7/32R-NZF02F001SH | R902055339 |
| A4VG71DA1D7/32R-NZF02F011SH | R902055345 |
| A4VG71DA1D7/32R-NZF02F021SH | R902055346 |
| A4VG71DA1D7/32R-NZF02F041DH | R902064361 |
| A4VG71DA1D7/32R-NZF02F041SH | R902096355 |
| A4VG71DA1D8/32R-NAF02F001LT *AL* | R902087711 |
| A4VG71DA1D8/32R-NSF02F021BP | R902131523 |
| A4VG71DA1D8/32R-NTF02F001SP | R902118137 |
| A4VG71DA1D8/32R-NZF02F001SH | R902055351 |
| A4VG71DA1D8/32R-NZF02F011SH | R902053219 |
| A4VG71DA1D8/32R-NZF02F021SH | R902055359 |
| A4VG71DA1D8/32R-NZF02F021ST *AL* | R902081463 |
| A4VG71DA1D8/32R-NZF02F041LH | R902055364 |
| A4VG71DA1D8/32R-NZF02F041SH | R902146147 |
| A4VG71DA1D8/32R-NZF02F071SH | R902138655 |
| A4VG71DA1DM2/32R-NZF02F001FH | R902074048 |
| A4VG71DA1DM2/32R-NZF02F021FH | R902094065 |
| A4VG71DA1DM2/32R-NZF02F041DH | R902059258 |
| A4VG71DA1DM4/32R-NZF02F001FH | R902056236 |
| A4VG71DA1DM8/32R-NSF02F041MH | R902097376 |
| A4VG71DA1DM8/32R-NZF02F001SH | R902066934 |
| A4VG71DA1DM8/32R-NZF02F011SH | R902055290 |
| A4VG71DA1DM8/32R-NZF02F021FP | R902102083 |
| A4VG71DA1DT2/32L-NTF02F021SH | R902055291 |
| A4VG71DA1DT3L/32R-NZF02F021FH | R902112830 |
| A4VG71DA1DT3L/32R-NZF02F021SH | R902094443 |
| A4VG71DA1DT4/32R-NZF02F001DH | R902089043 |
| A4VG71DA1DT7/32R-NZF02F021FH | R902055294 |
| A4VG71DA1DT7/32R-NZF02F021FH-S | R902055295 |
| A4VG71DA2D2/32L-NAF02F001SH | R902059456 |
| A4VG71DA2D2/32L-NSF02F071LH | R902071915 |
| A4VG71DA2D2/32L-NSF02F071SH | R902069486 |
| A4VG71DA2D2/32L-NTF02F021SH | R902058781 |
| A4VG71DA2D2/32R-NAF02F041SP | R902089657 |
| A4VG71DA2D2/32R-NSF02F001DH | R902063237 |
| A4VG71DA2D2/32R-NSF02F001FH | R902055377 |
| A4VG71DA2D2/32R-NSF02F021DH | R902074003 |
| A4VG71DA2D2/32R-NSF02F021SH | R902055380 |
| A4VG71DA2D2/32R-NSF02F021SH-S | R902089352 |
| A4VG71DA2D2/32R-NTF02F021SH | R902064999 |
| A4VG71DA2D2/32R-NZF02F001DH | R902055382 |
| A4VG71DA2D2/32R-NZF02F001SH | R902055383 |
| A4VG71DA2D2/32R-NZF02F011SH | R902055385 |
| A4VG71DA2D2/32R-NZF02F021FH | R902074081 |
| A4VG71DA2D2/32R-NZF02F021SH | R902055387 |
| A4VG71DA2D2/32R-NZF02F041SP | R902106120 |
| A4VG71DA2D3L/32L-NZF02F001SP | R902138545 |
| A4VG71DA2D3L/32R-NZF02F021FH | R902055388 |
| A4VG71DA2D3R/32R-NSF02F001LH | R902066167 |
| A4VG71DA2D3R/32R-NSF02F021SH | R902055389 |
| A4VG71DA2D3R/32R-NSF02F071FH | R902079783 |
| A4VG71DA2D3R/32R-NSF02F071KH | R902081103 |
| A4VG71DA2D3R/32R-NZF02F001SH | R902070405 |
| A4VG71DA2D4/32R-NZF02F001PH | R902055390 |
| A4VG71DA2D4/32R-NZF02F001SH | R902055391 |
| A4VG71DA2D4/32R-NZF02F011FH | R902062559 |
| A4VG71DA2D7/32R-NAF02F021LH | R902055392 |
| A4VG71DA2D7/32R-NZF02F021SH | R902055393 |
| A4VG71DA2D7/32R-NZF02F021SP | R902085521 |
| A4VG71DA2D8/32L-NZF02F001DH-S | R902055394 |
| A4VG71DA2D8/32R-NAF02F021FH | R902055395 |
| A4VG71DA2D8/32R-NSF02F021MH | R902066702 |
| A4VG71DA2D8/32R-NZF02F011SH | R902103782 |
| A4VG71DA2DM2/32R-NZF02F021DH | R902072864 |
| A4VG71DA2DM2/32R-NZF02F041DH | R902061431 |
| A4VG71DA2DM8/32R-NSF02F041BH | R902149719 |
| A4VG71DA2DT2/32L-NAF02F071LH | R902074123 |
| A4VG71DA2DT2/32L-NZF02F001LH | R902079866 |
| A4VG71DA2DT2/32L-NZF02F011LH | R902079867 |
| A4VG71DA2DT2/32L-NZF02F021SH-S | R902055369 |
| A4VG71DA2DT2/32R-NSF02F041MH | R902055373 |
| A4VG71DA2DT2/32R-NZF02F021SH-S | R902055374 |
| A4VG71DA2DT7/32R-NZF02F021SH | R902055376 |
| A4VG71DA2DT8/32R-NAF02F071SH | R902074324 |
| A4VG71DE1D1/32R-NZF02F041SP-S | R902112809 |
| A4VG71DGD1/32L-NSF02F001F | R902050234 |
| A4VG71DGD1/32L-NSF02F001L | R902041339 |
| A4VG71DGD1/32L-NSF02F021D | R902074668 |
| A4VG71DGD1/32R-NSF02F001S | R902022066 |
| A4VG71DGD1/32R-NTF02F041M | R902097294 |
| A4VG71DGD1/32R-NZF02F001S | R902022052 |
| A4VG71DGD1/32R-NZF02F011S | R902036478 |
| A4VG71DGD1/32R-NZF02F021S | R902036480 |
| A4VG71DGD1/32R-NZF02F041S | R902131623 |
| A4VG71DGD2/32R-NSF02F011S | R902022070 |
| A4VG71DGD2/32R-NZF02F001S | R902036482 |
| A4VG71DGD2/32R-NZF02F011S | R902022084 |
| A4VG71DGD2/32R-NZF02F021S | R902022055 |
| A4VG71DGD2/32R-NZF02F041S | R902149626 |
| A4VG71DGDM1/32R-NSF02F001S-S | R902022085 |
| A4VG71DGDM1/32R-NSF02F021S-S | R902081811 |
| A4VG71DGDT1/32L-NTF02F021S | R902041224 |
| A4VG71DWDMT1/32R-NSF02F021P-S | R902106203 |
| A4VG71EP3D1/32R-NAF02F041FP | R902113168 |
| A4VG71EP3D1/32R-NAF02F071DP | R902133122 |
| A4VG71EP3D1/32R-NSF02F001FP | R902137257 |
| A4VG71EP3D1/32R-NZF02F011SH | R902112202 |
| A4VG71EP3D3L/32R-NZF02F021SH | R902112269 |
| A4VG71EP3DM2/32R-NAF02F071SH | R902112192 |
| A4VG71EP3DM2/32R-NZF02F071SH | R902112249 |
| A4VG71EP3DM3L/32R-NZF02F021SH | R902112250 |
| A4VG71EP3DT1/32R-NAF02F071FP | R902118298 |
| A4VG71EP4D1/32L-NAF02F021FH | R902112437 |
| A4VG71EP4D1/32L-NAF02F041FH | R902112393 |
| A4VG71EP4D1/32L-NSF02F001DH | R902112290 |
| A4VG71EP4D1/32L-NSF02F001DP | R902136365 |
| A4VG71EP4D1/32L-NSF02F001FH | R902112360 |
| A4VG71EP4D1/32L-NSF02F001PP | R902113146 |
| A4VG71EP4D1/32L-NSF02F021FH | R902112412 |
| A4VG71EP4D1/32L-NSF02F021SH | R902112449 |
| A4VG71EP4D1/32L-NSF02F071DP | R902134126 |
| A4VG71EP4D1/32L-NTF02F001SH-S | R902113036 |
| A4VG71EP4D1/32L-NZF02F001DH | R902112367 |
| A4VG71EP4D1/32L-NZF02F001SH | R902112442 |
| A4VG71EP4D1/32L-NZF02F001SP | R902119026 |
| A4VG71EP4D1/32L-NZF02F011SP | R902118435 |
| A4VG71EP4D1/32R-NAF02F071DH | R902112317 |
| A4VG71EP4D1/32R-NAF02F071PP | R902119294 |
| A4VG71EP4D1/32R-NAF02F071SH-S | R902112303 |
| A4VG71EP4D1/32R-NSF02F001DH | R902112292 |
| A4VG71EP4D1/32R-NSF02F001DH-S | R902113040 |
| A4VG71EP4D1/32R-NSF02F001DP | R902113150 |
| A4VG71EP4D1/32R-NSF02F001SH | R902112297 |
| A4VG71EP4D1/32R-NSF02F001SP | R902113135 |
| A4VG71EP4D1/32R-NSF02F011DH | R902112316 |
| A4VG71EP4D1/32R-NSF02F011FP | R902113140 |
| A4VG71EP4D1/32R-NSF02F021DP | R902122004 |
| A4VG71EP4D1/32R-NSF02F021SH | R902112301 |
| A4VG71EP4D1/32R-NSF02F041DH | R902112423 |
| A4VG71EP4D1/32R-NSF02F041PH | R902112351 |
| A4VG71EP4D1/32R-NSF02F041SH | R902112324 |
| A4VG71EP4D1/32R-NTF02K021EH-S | R902112420 |
| A4VG71EP4D1/32R-NZF02F001DH | R902112287 |
| A4VG71EP4D1/32R-NZF02F001FH | R902112305 |
| A4VG71EP4D1/32R-NZF02F001LH | R902112314 |
| A4VG71EP4D1/32R-NZF02F001SH | R902112315 |
| A4VG71EP4D1/32R-NZF02F001SP | R902117372 |
| A4VG71EP4D1/32R-NZF02F011DH | R902113005 |
| A4VG71EP4D1/32R-NZF02F011SH | R902112298 |
| A4VG71EP4D1/32R-NZF02F021BP | R902138544 |
| A4VG71EP4D1/32R-NZF02F071DH | R902112387 |
| A4VG71EP4D1/32R-NZF02F071FP | R902113153 |
| A4VG71EP4D1/32R-NZF10F001DH-S | R902113055 |
| A4VG71EP4D1/32R-XSF02N00XEH-S | R902113075 |
| A4VG71EP4D2/32L-NSF02F001DH | R902112429 |
| A4VG71EP4D2/32L-NZF02F001DH | R902112428 |
| A4VG71EP4D8/32L-NSF02F001SH | R902117484 |
| A4VG71EP4DM1/32L-NSF02F001FH | R902113018 |
| A4VG71EP4DM1/32L-NSF02F001SH | R902112331 |
| A4VG71EP4DM1/32L-NSF02F011FH | R902113006 |
| A4VG71EP4DM1/32L-NSF02F011SH | R902112338 |
| A4VG71EP4DM1/32L-NZF02F001DH | R902112293 |
| A4VG71EP4DM1/32R-NAF02F011PH | R902113046 |
| A4VG71EP4DM1/32R-NSF02F021DH | R902137167 |
| A4VG71EP4DM1/32R-NZF02F001DH | R902112407 |
| A4VG71EP4DM1/32R-NZF02F011DH | R902113007 |
| A4VG71EP4DMT2/32R-NTF02F021DP | R902133313 |
| A4VG71EP4DT1/32L-NSF13F011SP-S | R902137357 |
| A4VG71EP4DT1/32L-NZF02F021FH | R902120152 |
| A4VG71EP4DT1/32R-NAF02F071DP | R902120087 |
| A4VG71EP4DT1/32R-NSF02F001DP | R902120088 |
| A4VG71EP4DT1/32R-NSF02F011FP | R902113137 |
| A4VG71EP4DT1/32R-NSF13F011SP-S | R902137355 |
| A4VG71EP4DT1/32R-NZF02F001SH | R902131490 |
| A4VG71EP4DT1/32R-NZF02F011DH | R902112441 |
| A4VG71EP4DT1/32R-NZF02F023SH-S | R902113028 |
| A4VG71EP4DT1/32R-NZF02F071SH | R902120154 |
| A4VG71EZ1D1/32R-NAF02F041BP | R902146110 |
| A4VG71EZ1D1/32R-NSF02F001SH | R902146240 |
| A4VG71EZ1D1/32R-NSF02F021SH | R902053290 |
| A4VG71EZ1DM1/32R-NSF02F021SH | R902096142 |
| A4VG71EZ1DT1/32R-NSF02F001SH | R902103913 |
| A4VG71EZ2D1/32L-NZF02F021SH | R902055266 |
| A4VG71EZ2D1/32R-NAF02F021DH | R902070469 |
| A4VG71EZ2D1/32R-NSF02F011SH | R902055267 |
| A4VG71EZ2DM1/32L-NAF02F011SH | R902064080 |
| A4VG71EZ2DM1/32L-NZF02F021S *GU* | R902018540 |
| A4VG71EZ2DM1/32L-NZF02F021SH | R902053110 |
| A4VG71EZ2DM1/32R-NSF02F001DQ | R902131812 |
| A4VG71EZ2DM1/32R-NSF02F011FH | R902072768 |
| A4VG71EZ2DM1/32R-NSF02F021SH | R902068428 |
| A4VG71EZ2DM1/32R-NSF02K021EH | R902074468 |
| A4VG71EZ2DM1/32R-NZF02F071LH | R902073327 |
| A4VG71EZ2DM1/32R-NZF02F071PH | R902053088 |
| A4VG71HD3D1/32L-NSF02F001D | R902113196 |
| A4VG71HD3D1/32L-NSF02F001L | R902113304 |
| A4VG71HD3D1/32L-NSF02F00XL-S | R902113257 |
| A4VG71HD3D1/32L-NSF02F01XL-S | R902113305 |
| A4VG71HD3D1/32L-NSF02F021D | R902113192 |
| A4VG71HD3D1/32L-NSF02F071D | R902113212 |
| A4VG71HD3D1/32L-NZF02F011D | R902113265 |
| A4VG71HD3D1/32L-NZF02F021D | R902113201 |
| A4VG71HD3D1/32R-NSF02F001D | R902113191 |
| A4VG71HD3D1/32R-NSF02F021D | R902113197 |
| A4VG71HD3D1/32R-NZF02F001S | R902113204 |
| A4VG71HD3D2/32L-NZF02F001D | R902113202 |
| A4VG71HD3D2/32R-NSF02F001F | R902113234 |
| A4VG71HD3D2/32R-NZF02F003F | R902113235 |
| A4VG71HD3DM1/32R-NZF02F001F | R902113199 |
| A4VG71HD3DMT1/32L-NTF02F011P | R902137302 |
| A4VG71HD3DMT1/32L-NTF02F011S | R902117452 |
| A4VG71HD3DT1/32L-NSF02F001D | R902113246 |
| A4VG71HD3DT1/32L-NZF02F001S | R902113240 |
| A4VG71HD3DT1/32L-NZF02F021S | R902113270 |
| A4VG71HD3DT1/32L-NZF02F041D | R902113237 |
| A4VG71HD3DT1/32R-NSF02F001S | R902113264 |
| A4VG71HD3DT1/32R-NZF02F011P | R902113285 |
| A4VG71HD3DT2/32L-NZF02F021S | R902113225 |
| A4VG71HWD1/32L-NSF02F001D | R902022358 |
| A4VG71HWD1/32L-NSF02F001P | R902076877 |
| A4VG71HWD1/32L-NSF02F001S | R902022650 |
| A4VG71HWD1/32L-NSF02F041S | R902037296 |
| A4VG71HWD1/32L-NTF02F001S | R902037864 |
| A4VG71HWD1/32L-NTF02F071S | R902022396 |
| A4VG71HWD1/32L-NZF02F001F | R902022664 |
| A4VG71HWD1/32L-NZF02F021S | R902022656 |
| A4VG71HWD1/32R-NAF02F011S | R902032142 |
| A4VG71HWD1/32R-NAF02F021S | R902022655 |
| A4VG71HWD1/32R-NSF02F001D | R902087045 |
| A4VG71HWD1/32R-NSF02F001P | R902069481 |
| A4VG71HWD1/32R-NSF02F001S | R902022647 |
| A4VG71HWD1/32R-NSF02F021S | R902022370 |
| A4VG71HWD1/32R-NTF02F021P | R902022379 |
| A4VG71HWD1/32R-NTF02F041S | R902064732 |
| A4VG71HWD1/32R-NTF02F071S | R902055573 |
| A4VG71HWD1/32R-NZF02F001D | R902046942 |
| A4VG71HWD1/32R-NZF02F001S | R902022645 |
| A4VG71HWD1/32R-NZF02F011S | R902022651 |
| A4VG71HWD1/32R-NZF02F021S | R902022654 |
| A4VG71HWD1/32R-NZF02K041E | R902076653 |
| A4VG71HWD2/32L-NZF02F011D | R902032118 |
| A4VG71HWD2/32L-NZF02F011S | R902022659 |
| A4VG71HWD2/32R-NSF02F001S | R902022371 |
| A4VG71HWD2/32R-NSF02F041D | R902071555 |
| A4VG71HWD2/32R-NSF02F071S | R902059034 |
| A4VG71HWD2/32R-NZF02F001S | R902036490 |
| A4VG71HWD2/32R-NZF02F011S | R902036492 |
| A4VG71HWD2/32R-NZF02F021S | R902022660 |
| A4VG71HWD2/32R-NZF02F071P | R902085703 |
| A4VG71HWD2/32R-NZF02F071S | R902022661 |
| A4VG71HWD3L/32R-NTF02F021P | R902053275 |
| A4VG71HWD3L/32R-NZF02F001P | R902044369 |
| A4VG71HWD3L/32R-NZF02F001P | R902074238 |
| A4VG71HWD3L/32R-NZF02F001S | R902022375 |
| A4VG71HWDL1/32R-NTF02F071S | R902146263 |
| A4VG71HWDM1/32L-NSF02F001S | R902046726 |
| A4VG71HWDM1/32R-NSF02F001S | R902061644 |
| A4VG71HWDM1/32R-NTF02F041S | R902022353 |
| A4VG71HWDM1/32R-NZF02F071S | R902023036 |
| A4VG71HWDM2/32R-NSF02F071S | R902023227 |
| A4VG71HWDM2/32R-NZF02F021S | R902046304 |
| A4VG71HWDM2/32R-NZF02F071S | R902046353 |
| A4VG71HWDM3L/32R-NZF02F021S | R902031038 |
| A4VG71HWDM3L/32R-NZF02F071S | R902033599 |
| A4VG71HWDMT1/32R-NAF02F021D | R902081356 |
| A4VG71HWDT1/32L-NAF02F001S | R902083451 |
| A4VG71HWDT1/32L-NAF02F011D | R902081221 |
| A4VG71HWDT1/32L-NAF02F011S | R902083390 |
| A4VG71HWDT1/32L-NZF02F001S | R902022832 |
| A4VG71HWDT1/32R-NAF02F021S | R902094373 |
| A4VG71HWDT1/32R-NAF02F071S | R902077704 |
| A4VG71HWDT1/32R-NAF02K071E | R902044172 |
| A4VG71HWDT1/32R-NSF02F001S | R902037429 |
| A4VG71HWDT1/32R-NTF02K071E | R902096312 |
| A4VG71HWDT1/32R-NTF02KXX1E-ES | R902092499 |
| A4VG71HWDT1/32R-NZF02F011S | R902041412 |
| A4VG71HWDT1/32R-NZF02F023S | R902041136 |
| A4VG71HWDT1/32R-NZF02F041D | R902079984 |
| A4VG71NVD1/32L-NZF02F001D | R902022077 |
| A4VG71NVD1/32R-NZF02F001S | R902022604 |
| A4VG71NVDM1/32R-NSF02F021S | R902074229 |
| A4VG71NVDT1/32L-NZF02F021D | R902088310 |
| A4VG71NVDT1/32L-NZF02F021S-S | R902022075 |
| A4VG71NVDT1/32R-NZF02F021S-S | R902022054 |
| A4VG90DA1D2/32L-NSF02F001SH | R902056020 |
| A4VG90DA1D2/32L-NZF02F021SH | R902079607 |
| A4VG90DA1D2/32L-NZF02F041FH | R902073267 |
| A4VG90DA1D2/32R-NAF02F041SH | R902062585 |
| A4VG90DA1D2/32R-NAF02F071DH | R902064073 |
| A4VG90DA1D2/32R-NSF02F011SH | R902056021 |
| A4VG90DA1D2/32R-NSF02F021PH | R902118171 |
| A4VG90DA1D2/32R-NSF02F021SH | R902056023 |
| A4VG90DA1D2/32R-NZF02F001SH | R902069490 |
| A4VG90DA1D2/32R-NZF02F041FH | R902074923 |
| A4VG90DA1D3L/32L-NZF02F021FH | R902056028 |
| A4VG90DA1D3L/32R-NZF02F021SH | R902056029 |
| A4VG90DA1D3L/32R-NZF02F021SH | R902056031 |
| A4VG90DA1D4/32R-NAF02F041MH | R902084542 |
| A4VG90DA1D4/32R-NZF02F021SH | R902056036 |
| A4VG90DA1D4/32R-NZF02F021SH | R902056037 |
| A4VG90DA1D7/32R-NZF02F011SH | R902056042 |
| A4VG90DA1D8/32R-NAF02F001SH | R902056047 |
| A4VG90DA1D8/32R-NSF02F021MH | R902056048 |
| A4VG90DA1D8/32R-NSF02F071MH | R902064989 |
| A4VG90DA1D8/32R-NZF02F001LH | R902066721 |
| A4VG90DA1D8/32R-NZF02F011MH | R902069485 |
| A4VG90DA1D8/32R-NZF02F011SH | R902056049 |
| A4VG90DA1D8/32R-NZF02F021SH | R902117301 |
| A4VG90DA1D8/32R-NZF02F021SH *AL* | R902056050 |
| A4VG90DA1D8/32R-NZF02F071SH | R902056058 |
| A4VG90DA1DM3L/32R-NZF02F041SH | R902068471 |
| A4VG90DA1DM8/32R-NSF02F021FH | R902056009 |
| A4VG90DA1DM8/32R-NSF02F071MH | R902084864 |
| A4VG90DA1DMT2/32R-NZF02F021FH | R902056007 |
| A4VG90DA1DMT4/32R-NZF02F021FH | R902056008 |
| A4VG90DA1DT2/32R-NZF02F001SH | R902056010 |
| A4VG90DA1DT4/32R-NZF02F021FH | R902056011 |
| A4VG90DA1DT4/32R-NZF02F021SH | R902056012 |
| A4VG90DA1DT7/32R-NZF02F021FH | R902150723 |
| A4VG90DA1DT8/32R-NZF02F021DH | R902056013 |
| A4VG90DA2D2/32L-NAF02F071SH | R902056883 |
| A4VG90DA2D2/32L-NSF02F011SH | R902056076 |
| A4VG90DA2D2/32L-NZF02F001DH | R902056077 |
| A4VG90DA2D2/32L-NZF02F001LH | R902079766 |
| A4VG90DA2D2/32L-NZF02F001SH | R902062595 |
| A4VG90DA2D2/32L-NZF02F021DH | R902103873 |
| A4VG90DA2D2/32L-NZF02F041SH | R902056078 |
| A4VG90DA2D2/32L-NZF02F071SH | R902062599 |
| A4VG90DA2D2/32L-NZX02F011DH-S | R902056079 |
| A4VG90DA2D2/32R-NAF02F001SH | R902056083 |
| A4VG90DA2D2/32R-NAF02F021FH | R902056085 |
| A4VG90DA2D2/32R-NAF02F021SH | R902080401 |
| A4VG90DA2D2/32R-NAF02F071DH | R902062628 |
| A4VG90DA2D2/32R-NAF02F071SH | R902056086 |
| A4VG90DA2D2/32R-NAF02F731SH | R902056088 |
| A4VG90DA2D2/32R-NSF02F001DH | R902066943 |
| A4VG90DA2D2/32R-NSF02F001SH | R902056089 |
| A4VG90DA2D2/32R-NSF02F011DH | R902056090 |
| A4VG90DA2D2/32R-NSF02F021SH | R902053366 |
| A4VG90DA2D2/32R-NSF02F041DH | R902079892 |
| A4VG90DA2D2/32R-NSF02F041SH | R902056093 |
| A4VG90DA2D2/32R-NSF02F071SH | R902056094 |
| A4VG90DA2D2/32R-NZF02F001SH | R902056097 |
| A4VG90DA2D2/32R-NZF02F011SH | R902074253 |
| A4VG90DA2D2/32R-NZF02F021DH | R902056101 |
| A4VG90DA2D2/32R-NZF02F021SH | R902056102 |
| A4VG90DA2D2/32R-NZF02F041SH | R902056107 |
| A4VG90DA2D2/32R-NZF02F071FH | R902056110 |
| A4VG90DA2D2/32R-NZF02F071LH | R902056111 |
| A4VG90DA2D2/32R-NZF02F071SH | R902056112 |
| A4VG90DA2D2/32R-NZX02F021SH-ES | R902120426 |
| A4VG90DA2D3L/32R-NAF02F071SH | R902064352 |
| A4VG90DA2D3L/32R-NZF02F001SH | R902056117 |
| A4VG90DA2D4/32R-NZF02F001SH | R902062877 |
| A4VG90DA2D8/32L-NZF02F021BP | R902137395 |
| A4VG90DA2D8/32R-NSF02F021MH | R902083227 |
| A4VG90DA2D8/32R-NSF02F021MH | R902056124 |
| A4VG90DA2D8/32R-NSF02F071SH | R902056125 |
| A4VG90DA2D8/32R-NZF02F011KH | R902056126 |
| A4VG90DA2D8/32R-NZF02F021SH | R902056127 |
| A4VG90DA2D8/32R-NZF02F041SH | R902071691 |
| A4VG90DA2DM2/32R-NSF02F071SH | R902073309 |
| A4VG90DA2DM2/32R-NZF02F021DH | R902061495 |
| A4VG90DA2DM2/32R-NZF02F041SH | R902070095 |
| A4VG90DA2DM8/32R-NSF02F021MH | R902074086 |
| A4VG90DA2DM8/32R-NSF02F071MH | R902089637 |
| A4VG90DA2DT2/32L-NAF02F001SH | R902056062 |
| A4VG90DA2DT2/32L-NAF02F071SH | R902056063 |
| A4VG90DA2DT2/32L-NZF02F001SH | R902104084 |
| A4VG90DA2DT2/32L-NZF02F011LH | R902076895 |
| A4VG90DA2DT2/32L-NZF02F021SH-S | R902056064 |
| A4VG90DA2DT2/32L-NZF02F071LH | R902076897 |
| A4VG90DA2DT2/32R-NZF02F001LH | R902074126 |
| A4VG90DA2DT2/32R-NZF02F001SH | R902072796 |
| A4VG90DA2DT2/32R-NZF02F011LH | R902069424 |
| A4VG90DA2DT2/32R-NZF02F021SH-S | R902056068 |
| A4VG90DA2DT2/32R-NZF02K021EH | R902076520 |
| A4VG90DA2DT4/32R-NZF02F001SH | R902105274 |
| A4VG90DA2DT8/32R-NAF02F731SH | R902084777 |
| A4VG90DGD1/32L-NSF02F011S | R902074680 |
| A4VG90DGD1/32L-NSF02F021S | R902076615 |
| A4VG90DGD1/32L-NSF02F071S | R902044152 |
| A4VG90DGD1/32L-NZF02F001S | R902081442 |
| A4VG90DGD1/32L-NZF02F021M | R902072731 |
| A4VG90DGD1/32L-NZF02F021S | R902063322 |
| A4VG90DGD1/32R-NSF02F001M | R902094359 |
| A4VG90DGD1/32R-NSF02F021S | R902023115 |
| A4VG90DGD1/32R-NZF02F001S | R902023103 |
| A4VG90DGD1/32R-NZF02F011S | R902066746 |
| A4VG90DGD1/32R-NZF02F021S | R902036494 |
| A4VG90DGD2/32L-NSF02F001S | R902048767 |
| A4VG90DGD2/32R-NAF02F001S | R902068295 |
| A4VG90DGD2/32R-NAF02F071S | R902033727 |
| A4VG90DGD2/32R-NZF02F001S | R902036496 |
| A4VG90DGD2/32R-NZF02F021S | R902036498 |
| A4VG90DGDM1/32L-NSF02F001D | R902053205 |
| A4VG90DGDM1/32L-NSF02F021D | R902053206 |
| A4VG90DGDT1/32R-NSF02F071S | R902087462 |
| A4VG90DGDT1/32R-NZF02F011S | R902066946 |
| A4VG90DGDT1/32R-NZF02F021S | R902062565 |
| A4VG90EP2D1/32R-NZF02F001DH *AL* | R902058008 |
| A4VG90EP2DM1/32L-NSF02F001FH-S *AL* | R902087108 |
| A4VG90EP2DM1/32R-NZF02F001DH *AL* | R902058056 |
| A4VG90EP2DM1/32R-NZF02F001SH *AL* | R902058012 |
| A4VG90EP2DT1/32L-NZF02F021FH *AL* | R902058002 |
| A4VG90EP2DT1/32R-NZF02F001DH-E *AL* | R902092851 |
| A4VG90EP2DT1/32R-NZF02F021SH *AL* | R902094151 |
| A4VG90EP2MT1/32L-NSD10F011SGT-S *AL* | R902070431 |
| A4VG90EP3D1/32L-NZF02F001SH | R902146251 |
| A4VG90EP3D1/32R-NZF02F071SH | R902146242 |
| A4VG90EP3D7/32R-NZF02F041SH | R902122703 |
| A4VG90EP4D1/32L-NZF02F001SH | R902116959 |
| A4VG90EP4D1/32L-NZF02F011DP | R902136001 |
| A4VG90EP4D1/32L-NZF02F011KP | R902138681 |
| A4VG90EP4D1/32R-NAF02F731DP | R902149563 |
| A4VG90EP4D1/32R-NSF02F041KH | R902116965 |
| A4VG90EP4D1/32R-NZF02F001DH | R902116947 |
| A4VG90EP4D1/32R-NZF02F001DH | R902122562 |
| A4VG90EP4D1/32R-NZF02F001MH | R902122520 |
| A4VG90EP4D1/32R-NZF02F001SH | R902116958 |
| A4VG90EP4D1/32R-NZF02F001SP | R902131272 |
| A4VG90EP4D1/32R-NZF02F011DP | R902149565 |
| A4VG90EP4D2/32L-NZF02F001DH | R902116990 |
| A4VG90EP4DM1/32L-NAF02F071PH | R902131879 |
| A4VG90EP4DM1/32L-NSF02F001SH-S | R902116987 |
| A4VG90EP4DM1/32L-NSF02F003PP | R902129407 |
| A4VG90EP4DM1/32L-NSF02F011SH-S | R902116986 |
| A4VG90EP4DM1/32L-NZF02F001SH | R902122525 |
| A4VG90EP4DM1/32R-NSF02F011SH-S | R902116988 |
| A4VG90EP4DM1/32R-NZF02F001DH | R902116972 |
| A4VG90EP4DM1/32R-NZF02F011DH | R902134409 |
| A4VG90EP4DT1/32L-NAF02F001DH | R902122540 |
| A4VG90EP4DT1/32L-NAF02F001DH-S | R902122607 |
| A4VG90EP4DT1/32L-NSF02F071SH-S | R902122576 |
| A4VG90EP4DT1/32L-NZF02F001SH-S | R902122648 |
| A4VG90EP4DT1/32L-NZF02F021FH | R902116943 |
| A4VG90EP4DT1/32L-NZF02F021SH | R902122603 |
| A4VG90EP4DT1/32L-NZF02F021SH-S | R902122656 |
| A4VG90EP4DT1/32R-NAF02F001DH-S | R902122608 |
| A4VG90EP4DT1/32R-NAF02F011SH | R902125854 |
| A4VG90EP4DT1/32R-NAF02F071DH-S | R902122616 |
| A4VG90EP4DT1/32R-NZF02F001DH | R902122586 |
| A4VG90EP4DT1/32R-NZF02F001DH-E | R902136168 |
| A4VG90EP4DT1/32R-NZF02F001SH-S | R902122650 |
| A4VG90EP4DT2/32L-NZF02F011SH | R902146041 |
| A4VG90EZ1DMT1/32R-NZF02F021FH | R902055227 |
| A4VG90EZ1DT1/32L-NAF02F011SH | R902072936 |
| A4VG90EZ2D1/32L-NAF02F021DH | R902075915 |
| A4VG90EZ2D1/32R-NAF02F041DH | R902087136 |
| A4VG90EZ2D1/32R-NAF02F071PP | R902108402 |
| A4VG90EZ2D1/32R-NSF02F001SH | R902055242 |
| A4VG90EZ2D1/32R-NZF02F011DH | R902052916 |
| A4VG90EZ2DM1/32L-NSF02F001SH | R902079598 |
| A4VG90EZ2DM1/32R-NSF02F071LH | R902055228 |
| A4VG90EZ2DM1/32R-NZF02F001SH | R902064088 |
| A4VG90EZ2DM1/32R-NZF02F001SP-S | R902131631 |
| A4VG90EZ2DM1/32R-NZF02F011PH | R902055230 |
| A4VG90EZ2DT1/32L-NAF02F011SH | R902066927 |
| A4VG90EZ2DT1/32R-NSF02F001PH | R902055233 |
| A4VG90EZ2DT1/32R-NZF02F011SH | R902064270 |
| A4VG90HD1D1/32L-NSF02F00XL-S *AL* | R902061501 |
| A4VG90HD1D1/32R-NZF02F001S *AL* | R902059646 |
| A4VG90HD1DMT1/32L-NZF02F021L-S *AL* | R902100625 |
| A4VG90HD1DT1/32L-NSF02F00XL-S *AL* | R902074425 |
| A4VG90HD1DT2/32L-NZF02F001S *AL* | R902074337 |
| A4VG90HD1DT2/32L-NZF02F021S *AL* | R902110959 |
| A4VG90HD3D1/32L-NSF02F001D | R902131530 |
| A4VG90HD3D1/32L-NSF02F00XL-S | R902122831 |
| A4VG90HD3D1/32L-NZF02F021D | R902122817 |
| A4VG90HD3D1/32R-NSF02F731D | R902122881 |
| A4VG90HD3D1/32R-NSF02FXX1S-S | R902122826 |
| A4VG90HD3D1/32R-NZF02F071D | R902122882 |
| A4VG90HD3D2/32R-NAF02F071D | R902131129 |
| A4VG90HD3DM1/32R-NSF02F041B | R902149596 |
| A4VG90HD3DT1/32L-NZF02F021L | R902122833 |
| A4VG90HWD1/32L-NAF02F021M | R902044976 |
| A4VG90HWD1/32L-NSF02F001D | R902023331 |
| A4VG90HWD1/32L-NSF02F001S | R902023332 |
| A4VG90HWD1/32L-NSF02N001E | R902079726 |
| A4VG90HWD1/32L-NZF02F001S | R902023559 |
| A4VG90HWD1/32L-NZF02F011M | R902089057 |
| A4VG90HWD1/32L-NZF02F011S | R902023291 |
| A4VG90HWD1/32L-NZF02F021S | R902023563 |
| A4VG90HWD1/32L-NZF02F041S | R902023564 |
| A4VG90HWD1/32R-NAF02F011F | R902067405 |
| A4VG90HWD1/32R-NAF02F011S | R902033771 |
| A4VG90HWD1/32R-NAF02F021P | R902106041 |
| A4VG90HWD1/32R-NAF02F731S | R902023565 |
| A4VG90HWD1/32R-NSF02F001D | R902026983 |
| A4VG90HWD1/32R-NSF02F001S | R902023309 |
| A4VG90HWD1/32R-NSF02F021D | R902030323 |
| A4VG90HWD1/32R-NSF02F041P | R902085701 |
| A4VG90HWD1/32R-NSF02F071P | R902079914 |
| A4VG90HWD1/32R-NSF02N001E | R902089928 |
| A4VG90HWD1/32R-NZF02F001D | R902042862 |
| A4VG90HWD1/32R-NZF02F001F | R902069480 |
| A4VG90HWD1/32R-NZF02F001S | R902023557 |
| A4VG90HWD1/32R-NZF02F021S | R902023561 |
| A4VG90HWD1/32R-NZF02F071S | R902064070 |
| A4VG90HWD2/32L-NZF02F001S | R902026711 |
| A4VG90HWD2/32L-NZF02F041M | R902089058 |
| A4VG90HWD2/32R-NAF02F041L | R902074025 |
| A4VG90HWD2/32R-NSF02F001D | R902039115 |
| A4VG90HWD2/32R-NSF02F001S | R902023311 |
| A4VG90HWD2/32R-NSF02F021D | R902089229 |
| A4VG90HWD2/32R-NSF02F731S | R902048619 |
| A4VG90HWD2/32R-NZF02F001S | R902023567 |
| A4VG90HWD2/32R-NZF02F021S | R902037000 |
| A4VG90HWD2/32R-NZF02F071S | R902088221 |
| A4VG90HWD3L/32L-NZF02F001S | R902023295 |
| A4VG90HWD3L/32L-NZF02F001S | R902074489 |
| A4VG90HWD3L/32R-NZF02F011S | R902061624 |
| A4VG90HWD3R/32R-NZF02F011S | R902055731 |
| A4VG90HWDL1/32R-NAF02F071D-S | R902104338 |
| A4VG90HWDM1/32R-NSF02F001S | R902087595 |
| A4VG90HWDM1/32R-NSF02F021F | R902027680 |
| A4VG90HWDM1/32R-NZF02F021S | R902023300 |
| A4VG90HWDM1/32R-NZF02F071S | R902048142 |
| A4VG90HWDM1/32R-NZF02N001E | R902133437 |
| A4VG90HWDM2/32R-NZF02F071S | R902066918 |
| A4VG90HWDM3L/32R-NZF02F041S | R902031039 |
| A4VG90HWDM3L/32R-NZF02F071S | R902052883 |
| A4VG90HWDMT1/32L-NSF02F011S | R902064707 |
| A4VG90HWDMT1/32R-NSF02F011S | R902072801 |
| A4VG90HWDMT1/32R-NSF02F071S | R902072802 |
| A4VG90HWDMT1/32R-NZF02F001S | R902023335 |
| A4VG90HWDMT1/32R-NZF02F041S | R902023326 |
| A4VG90HWDT1/32L-NSF02F001S | R902037489 |
| A4VG90HWDT1/32L-NZF02F001S | R902074032 |
| A4VG90HWDT1/32L-NZF02F021S | R902037827 |
| A4VG90HWDT1/32R-NAF02K071E | R902044508 |
| A4VG90HWDT1/32R-NSF02F001S | R902037426 |
| A4VG90HWDT1/32R-NSF02F041F | R902068001 |
| A4VG90HWDT1/32R-NSF02F071S | R902063224 |
| A4VG90HWDT1/32R-NZF02F021S | R902112689 |
| A4VG90HWDT1/32R-NZF02F041S | R902037252 |
| A4VG90HWDT1/32R-NZF02F071S | R902103912 |
| A4VG90NVD1/32L-NZF02F001S | R902079216 |
| A4VG90NVD1/32L-NZF02F071S | R902080333 |
| A4VG90NVD1/32R-NZF02F001D | R902061429 |
| A4VG90NVD1/32R-NZF02F001S | R902023524 |
| A4VG90NVDT1/32L-NZF02F021S-S | R902023119 |
| A4VG90NVDT1/32R-NZF02F021S-S | R902023102 |
| A4VG90NVDT1/32R-NZF02F041F | R902083782 |
| AA4VG105EP1D1/32R-NXF52F021FC-S *AL* | R902120284 |
| AA4VG105EP1D1/32R-NXF52F021FRC-S *AL* | R902120285 |
| AA4VG105EP1DMT1/32L-NSF52F021DP-ES *AL* | R902117107 |
| AA4VG105EP1DMT1/32R-NSF52F021DP-ES *AL* | R902117106 |
| AA4VG105EP3D1/32R-NXF52F021FC-S | R902138673 |
| AA4VG105EP3D1/32R-NXF52F021FRC-S | R902122735 |
| AA4VG105EP3D1/32R-NXF52F021FRC-S | R902136242 |
| AA4VG125DA1D2/32L-NSF52F001SH | R902055398 |
| AA4VG125DA1D2/32L-NSF52F011SH | R902055399 |
| AA4VG125DA1D2/32L-NSF52F021PH | R902072907 |
| AA4VG125DA1D2/32R-NSF52F001DH | R902055402 |
| AA4VG125DA1D2/32R-NSF52F071DH | R902064813 |
| AA4VG125DA1D7/32L-NSF52F001PH | R902055403 |
| AA4VG125DA1D8/32L-NSF52F001DH | R902055404 |
| AA4VG125DA2D2/32R-NSF52F071DH | R902055407 |
| AA4VG125DA2D2/32R-NSF52F071PH | R902055408 |
| AA4VG125DA2DM2/32L-NSF52F001SH | R902055405 |
| AA4VG125DA2DT2/32L-NSF52F001MP | R902112945 |
| AA4VG125EP1D1/32R-NSF52F021FC-S *AL* | R902137050 |
| AA4VG125EP1D1/32R-NSF52F021FC-S *AL* | R902120286 |
| AA4VG125EP1D1/32R-NSF52F021FRC-S *AL* | R902120287 |
| AA4VG125EP1D1/32R-NSF52F691LH *AL* | R902106151 |
| AA4VG125EP3D1/32L-NSF52F001FH | R902136296 |
| AA4VG125EP3D1/32R-NSF52F021FC-S | R902138605 |
| AA4VG125EP3D1/32R-NSF52F021FRC-S | R902123126 |
| AA4VG125EP3D1/32R-NSF52F691LH | R902125026 |
| AA4VG125EP3DM1/32L-NSF52F001DH | R902123482 |
| AA4VG125EP3DT1/32L-NTF53F691SRP-S | R902146004 |
| AA4VG125EP4D1/32L-NSF52F071SP | R902134139 |
| AA4VG125EP4D1/32L-PTF52F071LP-ES | R902125118 |
| AA4VG125EP4D1/32R-NSF52F001FP | R902125097 |
| AA4VG125EP4DMT1/32R-NSF52F001SP | R902149830 |
| AA4VG125EZ1D1/32L-NSF52F041PH | R902061502 |
| AA4VG125EZ1D1/32L-NSF52F691LH | R902074385 |
| AA4VG125EZ1D1/32R-NSF52F691LH | R902080343 |
| AA4VG125EZ1DM1/32L-NSF52F001FH | R902055616 |
| AA4VG125EZ2D1/32L-NSF52F071SH | R902055621 |
| AA4VG125EZ2D1/32R-NTF52F041LQ | R902090916 |
| AA4VG125HD3DT1/32R-NSF52F021D | R902125374 |
| AA4VG125HWD1/32L-NSF52F001D | R902024048 |
| AA4VG125HWD1/32L-NSF52F021D | R902029496 |
| AA4VG125HWD1/32R-NSF52F021D | R902044087 |
| AA4VG125HWD1/32R-NSF52F071D | R902029497 |
| AA4VG125HWD1/32R-NSF52F691L | R902070455 |
| AA4VG125HWD1/32R-NTF52F041S | R902074188 |
| AA4VG125HWDL1/32R-NSF52F691F | R902099899 |
| AA4VG125HWDT1/32L-NSF52F001D | R902024056 |
| AA4VG125HWDT1/32L-NSF52F001F | R902024064 |
| AA4VG125HWDT1/32L-NSF52F001S | R902034731 |
| AA4VG125HWDT1/32L-NTF52F021D | R902097418 |
| AA4VG125HWDT1/32R-NSF52F001D | R902072974 |
| AA4VG140EP3D1/32R-NSF52F041FRC-S | R902137101 |
| AA4VG140HWD1/32L-NSF52F001F-ES | R902129149 |
| AA4VG180DA2D2/32R-NSD52F071DH | R902053770 |
| AA4VG180DWD1/32L-NSD52F071D-ES | R902092401 |
| AA4VG180EP2D1/32L-NSD52F001DRP-S *AL* | R902112606 |
| AA4VG180EP4DMT1/32R-NSD52F011DH | R902129918 |
| AA4VG180EP4DT1/32L-NSD52F001MP | R902129709 |
| AA4VG180EP4DT1/32R-NSD52F001DH-S | R902125752 |
| AA4VG180EP4DT1/32R-NVD52F721DH-S | R902125751 |
| AA4VG180EZ1D1/32R-NTD52F691LH | R902083419 |
| AA4VG180EZ2DM1/32R-NSD52F001DH | R902053757 |
| AA4VG180HWDL1/32L-NSD52F691F | R902102444 |
| AA4VG180HWDM1/32L-NTD52F021D | R902034677 |
| AA4VG180HWDM1/32L-PSD52F021L | R902055545 |
| AA4VG180HWDM1/32R-NSD52F071F | R902026109 |
| AA4VG180HWDT1/32L-NSD52F001F | R902024439 |
| AA4VG180NVD1/32L-NSD52F001S | R902026216 |
| AA4VG180NVD1/32R-NSD52F001S | R902026215 |
| AA4VG180NVDM1/32L-NSD52N001E | R902026011 |
| AA4VG180NVDM1/32R-NSD52N001E | R902026010 |
| AA4VG250DA2D2/32R-NSD60F071DH | R902053793 |
| AA4VG250DWDMT1/32L-NSD60F071S-ES | R902099930 |
| AA4VG250EP4D1/32R-NSD60F001DH | R902128151 |
| AA4VG250HWDM1/32L-NSD60F001D | R902015478 |
| AA4VG28EP3D1/32R-NSC60F005SH | R902110560 |
| AA4VG28EP3D1/32R-NSC60F006SH | R902138926 |
| AA4VG28EP3D1/32R-NXC60F023SRP-ES | R902127325 |
| AA4VG28EP4D1/32R-NSC60K013EP | R902133336 |
| AA4VG28EP4DM1/32R-NSC60F013DH | R902110680 |
| AA4VG28HD3D1/32R-NSC60F045S | R902149584 |
| AA4VG28HWD1/32L-NSC60F005S | R902019577 |
| AA4VG28HWD1/32L-NSC60F043S | R902119031 |
| AA4VG28HWD1/32R-NSC60F005S | R902079571 |
| AA4VG40DA1D2/32R-NSC52F015DH | R902053626 |
| AA4VG40DA1DT2/32R-NSC52F015PH | R902061597 |
| AA4VG40DA1DT4/32R-NSC52F025SH | R902087132 |
| AA4VG40DGD1/32L-NSC52K025E | R902023877 |
| AA4VG40EP4D1/32R-NSC52F006PH | R902138845 |
| AA4VG40EZ2DM1/32R-NSC52F005DH | R902053746 |
| AA4VG40HWD1/32L-NSC52F005D | R902020745 |
| AA4VG40HWD1/32L-NSC52F023D | R902087748 |
| AA4VG40HWDM1/32R-NSC52F006D | R902020766 |
| AA4VG40HWDT1/32R-NSC52F003F | R902020764 |
| AA4VG40NVDM1/32W-NSC52K094E-S | R902022386 |
| AA4VG40NVDM1/32W-NUC52K094E-S | R902022385 |
| AA4VG40NVDM1/32W-NUC52N004E-S | R902022387 |
| AA4VG56DA1D2/32R-NSC52F003DH | R902055050 |
| AA4VG56DA1D2/32R-NSC52F003SH | R902055051 |
| AA4VG56DA1D4/32R-NSC52F025SH | R902053256 |
| AA4VG56DA1D4/32R-NTC52F025SH | R902055054 |
| AA4VG56DGD1/32L-NSC52F003D | R902149519 |
| AA4VG56DGD1/32L-NSC52F005S | R902046859 |
| AA4VG56EP3D1/32L-NSC52F003DH | R902111434 |
| AA4VG56EP3D1/32R-NSC52F005DH-S | R902111431 |
| AA4VG56EP4D1/32L-NSC52F004DH | R902111621 |
| AA4VG56EP4D1/32R-NSC52K014EP | R902133330 |
| AA4VG56EP4DT1/32R-NSC52F003DP | R902120449 |
| AA4VG56EP4DT1/32R-NSC52F004DH | R902111732 |
| AA4VG56HD3D1/32R-NSC52F043D | R902112877 |
| AA4VG56HD3DM1/32R-NSC52F004D | R902118154 |
| AA4VG56HD3DT1/32L-NSC52F024S | R902146135 |
| AA4VG56HWD1/32L-NSC52F003D | R902020669 |
| AA4VG56HWD1/32L-NSC52F005S | R902030007 |
| AA4VG56HWD1/32L-NSC52F015D | R902030400 |
| AA4VG56HWD1/32L-NSC52F025F | R902020693 |
| AA4VG56HWD1/32L-NSC52F073F | R902021349 |
| AA4VG56HWD1/32L-NTC52F003S | R902020663 |
| AA4VG56HWD1/32R-NSC52F003D | R902023042 |
| AA4VG56HWD1/32R-NSC52F003F | R902021348 |
| AA4VG56HWD1/32R-NSC52F003S | R902074269 |
| AA4VG56HWD1/32R-NSC52F013D | R902020670 |
| AA4VG56HWD1/32R-NSC52F015S | R902022768 |
| AA4VG56HWD1/32R-NSC52F016D | R902072782 |
| AA4VG56HWD1/32R-NSC52F025D | R902044128 |
| AA4VG56HWD1/32R-NSC52F025S | R902020662 |
| AA4VG56HWD1/32R-NSC52F075F | R902020686 |
| AA4VG56HWD1/32R-NSC52F075S | R902021347 |
| AA4VG56HWD2/32R-NSC52F003D | R902051324 |
| AA4VG56HWDM1/32R-NSC52F005D | R902032466 |
| AA4VG56HWDT1/32L-NSC52F025D | R902053022 |
| AA4VG56HWDT1/32R-NSC52F025F | R902032095 |
| AA4VG71DA1D2/32L-NSF52F001FH | R902055279 |
| AA4VG71DA1D4/32R-NSF52F001SH | R902055283 |
| AA4VG71DA1D4/32R-NSF52F021FH | R902055285 |
| AA4VG71DA1DT2/32L-NSF52F001LH | R902053207 |
| AA4VG71DA1DT2/32R-NTF52F071PH | R902055278 |
| AA4VG71DGDT1/32L-NSF52F001L | R902052903 |
| AA4VG71EP3D1/32L-NSF52F001PH | R902119041 |
| AA4VG71EP3D1/32L-NSF52F021DH | R902112229 |
| AA4VG71EP3D1/32L-NSF52F041DH | R902112241 |
| AA4VG71EP3D1/32R-NSF52F001DH | R902112193 |
| AA4VG71EP3D1/32R-NSF52F001DP | R902120166 |
| AA4VG71EP3DM1/32L-NSF52F001PH-S | R902113097 |
| AA4VG71EP3DT1/32L-NSF52F001LH | R902112233 |
| AA4VG71EP4DMT1/32L-NSF52F071DH | R902113039 |
| AA4VG71EZ1D1/32L-NSF52F001DH | R902062880 |
| AA4VG71EZ1D1/32R-NSF52F071FH | R902055256 |
| AA4VG71EZ1DM1/32L-NSF52F041DH | R902062879 |
| AA4VG71HD3D1/32L-NSF52F001S | R902113329 |
| AA4VG71HD3D1/32L-NSF52F021D | R902113350 |
| AA4VG71HD3D1/32R-NSF52F001D | R902113324 |
| AA4VG71HD3D1/32R-NSF52F001S | R902113328 |
| AA4VG71HD3DM1/32R-NSF52F001F | R902113359 |
| AA4VG71HD3DT1/32R-NSF52F021D | R902113351 |
| AA4VG71HWD1/32L-NSF52F001S | R902022649 |
| AA4VG71HWD1/32L-NSF52F021D | R902007823 |
| AA4VG71HWD1/32L-NSF52F071D | R902022392 |
| AA4VG71HWD1/32L-NTF52F001S | R902022351 |
| AA4VG71HWD1/32R-NSF52F001P | R902028170 |
| AA4VG71HWD1/32R-NSF52F001S | R902022646 |
| AA4VG71HWD1/32R-NSF52F011S | R902022652 |
| AA4VG71HWD1/32R-NSF52F021D | R902022391 |
| AA4VG71HWD1/32R-NSF52F071S | R902097410 |
| AA4VG71HWD1/32R-NTF52F071S | R902041795 |
| AA4VG71HWDM1/32R-NSF52F001D | R902046751 |
| AA4VG71HWDT1/32L-NSF52F001D | R902079724 |
| AA4VG71HWDT1/32L-NSF52F001S | R902088309 |
| AA4VG71HWDT1/32R-NSF52F001F | R902048302 |
| AA4VG71HWDT1/32R-NSF52F011F | R902032049 |
| AA4VG71HWDT1/32R-NTF52F071S | R902046856 |
| AA4VG71NVD1/32L-NSF52F001S | R902022606 |
| AA4VG71NVD1/32L-NSF52N001E | R902036017 |
| AA4VG90DA1D2/32R-NSF52F041SC | R902069192 |
| AA4VG90DA1D2/32R-NSF52F071SH | R902063243 |
| AA4VG90DA1D2/32R-NUF52F001SC | R902069191 |
| AA4VG90DA1D2/32R-NUF52F001SH | R902063245 |
| AA4VG90DA1D8/32R-NSF52F021SH | R902056002 |
| AA4VG90DA1DT2/32L-NSF52F001LH | R902072723 |
| AA4VG90DA2D2/32R-NSF52F071DH | R902058957 |
| AA4VG90DA2D2/32R-NSF52F071KP | R902131021 |
| AA4VG90DGD1/32R-NSF52F071D | R902058359 |
| AA4VG90DGDM1/32L-NSF52F001D | R902096026 |
| AA4VG90EP3D1/32L-NSF52F001BP | R902136313 |
| AA4VG90EP3D1/32R-NSF52F001LH | R902137372 |
| AA4VG90EP3D1/32R-NSF52F071BP | R902136307 |
| AA4VG90EP4D1/32R-NSF52F071DH | R902116954 |
| AA4VG90EP4D1/32R-NSF52F071FP-S | R902122742 |
| AA4VG90EZ1DM1/32L-NUF52F001DH | R902055529 |
| AA4VG90EZ1DM1/32L-NUF52F041DH | R902055221 |
| AA4VG90EZ1DMT1/32L-NUF52F021DH | R902081560 |
| AA4VG90EZ2D1/32R-NSF52F021FH | R902081733 |
| AA4VG90EZ2DM1/32R-NSF52F071DH | R902055225 |
| AA4VG90HD3D1/32L-NSF52F011B | R902131574 |
| AA4VG90HD3D1/32L-NSF52F021B | R902131533 |
| AA4VG90HD3DT1/32R-NSF52F021D | R902146065 |
| AA4VG90HWD1/32L-NSF52F001D | R902023304 |
| AA4VG90HWD1/32L-NSF52F001S | R902026548 |
| AA4VG90HWD1/32L-NSF52F011D | R902094352 |
| AA4VG90HWD1/32L-NSF52F041D | R902026510 |
| AA4VG90HWD1/32L-NUF52F001D | R902023328 |
| AA4VG90HWD1/32L-NZF52F001S | R902041066 |
| AA4VG90HWD1/32R-NSF52F001D | R902023303 |
| AA4VG90HWD1/32R-NSF52F001L | R902070454 |
| AA4VG90HWD1/32R-NSF52F011S | R902023560 |
| AA4VG90HWD1/32R-NSF52F021S | R902023562 |
| AA4VG90HWD1/32R-NSF52F041D | R902023315 |
| AA4VG90HWD2/32R-NSF52F021P | R902023323 |
| AA4VG90HWDMT1/32L-NSF52F001D | R902050358 |
| AA4VG90HWDT1/32L-NSF52F001D | R902087465 |
| AA4VG90HWDT2/32L-NUF52F001S | R902021426 |
| AA4VG90HWDX2/32R-NSF52F001D-ES | R902092577 |
| AA4VG90NVD1/32L-NSF52F001S | R902023526 |
| AA4VG90NVD1/32R-NSF52F071D | R902072956 |
- Описание
- Код заказа
- Технические характеристики
- Графики
- Размеры, мм
- Видео в категории
- Фото
- Дополнительно
- Интегрированный подпиточный насос для подвода рабочей жидкости в контур управления
- Изменение направления движения потока при изменении угла наклона шайбы с возвратом в нейтральное положение
- Предохранительные клапаны с интегрированной функцией подпитки
- В серийном исполнении с регулируемой отсечкой давления
- Клапан ограничения давления подпитки
- Проходной вал для установки дополнительных насосов до такого же номинального размера
- Многочисленные варианты регуляторов
- Исполнение с наклонной шайбой
| A4VG105EP4D1/32R-NZF02F001SH-S | R902122726 |
| A4VG110EV2DPR00/40MRND6V81FC6S7AD00-0 | R902136765 |
| A4VG125DA1D2/32L-NZF02F021FH | R902085567 |
| A4VG125DA1D2/32R-NSF02F001SH | R902061546 |
| A4VG125DA1D2/32R-NTF02F691SH | R902061545 |
| A4VG125DA1D2/32R-NZF02F011SH | R902055416 |
| A4VG125DA1D2/32R-NZF02F041FH | R902087236 |
| A4VG125DA1D2/32R-NZF02F041SH | R902070408 |
| A4VG125DA1D3L/32R-NSF02F071SH | R902096063 |
| A4VG125DA1D4/32R-NZF02F021SH | R902117081 |
| A4VG125DA1D8/32L-NZF02F011SH | R902074149 |
| A4VG125DA1D8/32L-NZF02F011SH | R902055432 |
| A4VG125DA1D8/32R-NSF02F011SH | R902071923 |
| A4VG125DA1D8/32R-NSF02F011SP | R902138960 |
| A4VG125DA1D8/32R-NSF02F071DH | R902133208 |
| A4VG125DA1D8/32R-NZF02F021SH | R902055435 |
| A4VG125DA1DM4/32R-NAF02F041SH | R902055411 |
| A4VG125DA1DM8/32R-NSF02F071MH | R902108028 |
| A4VG125DA1DMT4/32R-NZF02F021FH | R902055409 |
| A4VG125DA1DMT8/32R-NZF02F021DH | R902055410 |
| A4VG125DA1DMT8/32R-NZF02F021FH | R902064335 |
| A4VG125DA1DT7/32R-NZF02F021FH | R902150733 |
| A4VG125DA2D2/32L-NAF02F001SH | R902067432 |
| A4VG125DA2D2/32L-NAF02F011DH | R902068045 |
| A4VG125DA2D2/32L-NAF02F021DH | R902072933 |
| A4VG125DA2D2/32L-NAF02F021DT *AL* | R902120367 |
| A4VG125DA2D2/32L-NAF02F691DH | R902119296 |
| A4VG125DA2D2/32L-NZF02F001DH | R902055463 |
| A4VG125DA2D2/32L-NZF02F001SH | R902055464 |
| A4VG125DA2D2/32L-NZF02F011SH | R902055466 |
| A4VG125DA2D2/32L-NZF02F021SH | R902055467 |
| A4VG125DA2D2/32L-NZF02F041SH | R902055470 |
| A4VG125DA2D2/32L-NZF02F071SH | R902053363 |
| A4VG125DA2D2/32R-NAF02F021DH | R902066526 |
| A4VG125DA2D2/32R-NAF02F021DT | R902079860 |
| A4VG125DA2D2/32R-NAF02F021SH | R902074465 |
| A4VG125DA2D2/32R-NAF02F691DH | R902099776 |
| A4VG125DA2D2/32R-NAF02F691SH | R902055477 |
| A4VG125DA2D2/32R-NSF02F001DH | R902066945 |
| A4VG125DA2D2/32R-NSF02F001DH-S | R902055481 |
| A4VG125DA2D2/32R-NSF02F001DP | R902106293 |
| A4VG125DA2D2/32R-NSF02F001SH | R902062535 |
| A4VG125DA2D2/32R-NSF02F011DH | R902067360 |
| A4VG125DA2D2/32R-NSF02F021DP | R902108036 |
| A4VG125DA2D2/32R-NSF02F021LH | R902108350 |
| A4VG125DA2D2/32R-NSF02F021SH | R902055482 |
| A4VG125DA2D2/32R-NSF02F041DH | R902079912 |
| A4VG125DA2D2/32R-NSF02F041PH | R902061636 |
| A4VG125DA2D2/32R-NSF02F071DP | R902131917 |
| A4VG125DA2D2/32R-NSF02F071LH | R902064370 |
| A4VG125DA2D2/32R-NSF02F071PH | R902055535 |
| A4VG125DA2D2/32R-NSF02F071SH | R902055484 |
| A4VG125DA2D2/32R-NSF02F691DP | R902120442 |
| A4VG125DA2D2/32R-NSF02F691SH | R902055485 |
| A4VG125DA2D2/32R-NTF02F691SH | R902062534 |
| A4VG125DA2D2/32R-NZF02F011SH | R902055489 |
| A4VG125DA2D2/32R-NZF02F021FH | R902055490 |
| A4VG125DA2D2/32R-NZF02F041LH | R902074328 |
| A4VG125DA2D2/32R-NZF02F041SH | R902055495 |
| A4VG125DA2D2/32R-NZF02F071SH | R902055496 |
| A4VG125DA2D2/32R-NZF02K021EH | R902085796 |
| A4VG125DA2D3L/32R-NAF02F041SH | R902055499 |
| A4VG125DA2D4/32R-NZF02F001SH | R902055601 |
| A4VG125DA2D4/32R-NZF02F011SH | R902105154 |
| A4VG125DA2D7/32L-NZF02F071SH | R902055603 |
| A4VG125DA2D7/32R-NZF02F011SH | R902063239 |
| A4VG125DA2D7/32R-NZF02F021SH | R902055604 |
| A4VG125DA2D7/32R-NZF02F021SP | R902085522 |
| A4VG125DA2D7/32R-NZF02F691SH | R902055605 |
| A4VG125DA2D8/32L-NZF02F001LH | R902055606 |
| A4VG125DA2D8/32R-NAF02F011SH | R902072798 |
| A4VG125DA2D8/32R-NAF02F011SH | R902055607 |
| A4VG125DA2D8/32R-NAF02F021SH | R902055608 |
| A4VG125DA2D8/32R-NAF02F691LH | R902090736 |
| A4VG125DA2D8/32R-NSF02F001FH | R902061934 |
| A4VG125DA2D8/32R-NSF02F041MH | R902074388 |
| A4VG125DA2D8/32R-NSF02F071MH | R902068455 |
| A4VG125DA2D8/32R-NSF02F071PH | R902055609 |
| A4VG125DA2D8/32R-NTF02F071FP | R902120398 |
| A4VG125DA2D8/32R-NZF02F011SH | R902055611 |
| A4VG125DA2D8/32R-NZF02F071SH | R902055612 |
| A4VG125DA2DM2/32R-NZF02F071DH | R902055531 |
| A4VG125DA2DM2/32R-NZF02F071FH | R902072975 |
| A4VG125DA2DM2/32R-NZF02F691DH | R902064072 |
| A4VG125DA2DM4/32R-NAF02F071MH | R902055439 |
| A4VG125DA2DM4/32R-NZF02F021PH | R902146095 |
| A4VG125DA2DM8/32R-NAF02F011SH | R902055441 |
| A4VG125DA2DM8/32R-NSF02F071MH | R902112748 |
| A4VG125DA2DMT2/32L-NZF02F001SH | R902055436 |
| A4VG125DA2DMT4/32R-NAF02F041DH | R902055437 |
| A4VG125DA2DMT7/32L-NZF02F021LH-S | R902090860 |
| A4VG125DA2DMT7/32R-NZF02F021SH | R902063326 |
| A4VG125DA2DMT8/32L-NSF02F021LH | R902072769 |
| A4VG125DA2DMT8/32R-NZF02F021DH | R902055438 |
| A4VG125DA2DT2/32L-NSF02F001DH | R902074396 |
| A4VG125DA2DT2/32L-NZF02F001DH | R902055442 |
| A4VG125DA2DT2/32L-NZF02F001SH | R902069354 |
| A4VG125DA2DT2/32L-NZF02F021SH-S | R902055443 |
| A4VG125DA2DT2/32L-NZF02F691SH | R902075529 |
| A4VG125DA2DT2/32R-NAF02F691SH | R902055449 |
| A4VG125DA2DT2/32R-NSF02F021SH | R902055450 |
| A4VG125DA2DT2/32R-NZF02F021SH-S | R902055451 |
| A4VG125DA2DT2/32R-NZF02F071SH | R902055453 |
| A4VG125DA2DT2/32R-NZF02F691SH | R902055454 |
| A4VG125DA2DT3L/32L-NZF02F691SH | R902055457 |
| A4VG125DE1D1/32R-NZF02F071FP | R902110502 |
| A4VG125DGD1/32L-NSF02F001D | R902031130 |
| A4VG125DGD1/32L-NSF02F011S | R902074028 |
| A4VG125DGD1/32L-NSF02F041S | R902042869 |
| A4VG125DGD1/32L-NZF02F021L | R902089061 |
| A4VG125DGD1/32L-NZF02F021S | R902023817 |
| A4VG125DGD1/32R-NSF02F001K | R902097468 |
| A4VG125DGD1/32R-NSF02F001S | R902050168 |
| A4VG125DGD1/32R-NSF02F011P | R902034849 |
| A4VG125DGD2/32R-NZF02F001S | R902037002 |
| A4VG125DGD2/32R-NZF02F021S | R902037004 |
| A4VG125DGDM1/32R-NZF02F011S | R902031131 |
| A4VG125DGDMT1/32R-NSF02F001S | R902085817 |
| A4VG125DGDT2/32R-NAF02F041D | R902063216 |
| A4VG125EP2D1/32L-NZF02F001SH *AL* | R902057829 |
| A4VG125EP2D1/32R-NSF02F001DP *AL* | R902120450 |
| A4VG125EP2D1/32R-NSF02F001LP *AL* | R902094310 |
| A4VG125EP2D1/32R-NSF02F021DP *AL* | R902108443 |
| A4VG125EP2D1/32R-NSF02F021KH *AL* | R902057816 |
| A4VG125EP2D1/32R-NSF02F071FH *AL* | R902100787 |
| A4VG125EP2D1/32R-NSF02F691LP *AL* | R902094332 |
| A4VG125EP2D1/32R-NZF02F001FH *AL* | R902080243 |
| A4VG125EP2D2/32L-NSF02F021FH *AL* | R902120040 |
| A4VG125EP2D2/32L-NZF02F021SH *AL* | R902057835 |
| A4VG125EP2D7/32L-NZF02F001DH *AL* | R902061154 |
| A4VG125EP2DT1/32L-NZF02F023SH *AL* | R902097005 |
| A4VG125EP2DT1/32R-NTF02F071BP *AL* | R902104642 |
| A4VG125EP3D1/32L-NZF02F001FP | R902146062 |
| A4VG125EP3D1/32R-NZF02F041SH | R902136018 |
| A4VG125EP3D2/32R-NZF02F041DH | R902125024 |
| A4VG125EP3DM1/32R-NAF02F071DP | R902133113 |
| A4VG125EP4D1/32L-NSF02F001BP | R902131372 |
| A4VG125EP4D1/32L-NSF02F001LH | R902133218 |
| A4VG125EP4D1/32L-NSF02F001LP | R902134182 |
| A4VG125EP4D1/32L-NSF02F001SH | R902123165 |
| A4VG125EP4D1/32L-NSF02F011LH | R902131786 |
| A4VG125EP4D1/32L-NSF02F021PP | R902133359 |
| A4VG125EP4D1/32L-NSF02F691DP | R902133245 |
| A4VG125EP4D1/32L-NZF02F001DH | R902123164 |
| A4VG125EP4D1/32L-NZF02F001DP | R902134467 |
| A4VG125EP4D1/32L-NZF02F001KP | R902138679 |
| A4VG125EP4D1/32L-NZF02F001SH | R902123169 |
| A4VG125EP4D1/32L-NZF02F021DH | R902123163 |
| A4VG125EP4D1/32L-NZX02F01XDT-S | R902134354 |
| A4VG125EP4D1/32L-NZX02N00XET-S | R902134463 |
| A4VG125EP4D1/32R-NAF02F021DH | R902123198 |
| A4VG125EP4D1/32R-NAF02F021DP | R902125137 |
| A4VG125EP4D1/32R-NAF02F021SP | R902149552 |
| A4VG125EP4D1/32R-NSF02F001DH | R902123191 |
| A4VG125EP4D1/32R-NSF02F001KH | R902123158 |
| A4VG125EP4D1/32R-NSF02F001SP | R902133402 |
| A4VG125EP4D1/32R-NSF02F021BP | R902138858 |
| A4VG125EP4D1/32R-NSF02F021DP | R902125116 |
| A4VG125EP4D1/32R-NSF02F021FH | R902149688 |
| A4VG125EP4D1/32R-NSF02F021KH | R902123390 |
| A4VG125EP4D1/32R-NSF02F071DP | R902131055 |
| A4VG125EP4D1/32R-NSF02F691PP | R902127282 |
| A4VG125EP4D1/32R-NTF02F691BP | R902138860 |
| A4VG125EP4D1/32R-NZF02F001DH | R902123157 |
| A4VG125EP4D1/32R-NZF02F001DH-ES | R902123443 |
| A4VG125EP4D1/32R-NZF02F001LH-S | R902123410 |
| A4VG125EP4D1/32R-NZF02F001MH | R902128103 |
| A4VG125EP4D1/32R-NZF02F001SH | R902123162 |
| A4VG125EP4D1/32R-NZF02F001SP | R902125102 |
| A4VG125EP4D1/32R-NZF02F691SH | R902146488 |
| A4VG125EP4D2/32L-NSF02F021FH | R902123386 |
| A4VG125EP4D2/32L-NSF02F691SP | R902136166 |
| A4VG125EP4D2/32L-NZF02F001DH-S | R902136165 |
| A4VG125EP4D7/32L-NZF02F001DH | R902125041 |
| A4VG125EP4D7/32L-NZF02F011DH | R902133452 |
| A4VG125EP4DM1/32L-NSF02F001DH | R902131637 |
| A4VG125EP4DM1/32L-NSF02F001PP | R902125117 |
| A4VG125EP4DM1/32L-NZF02F001DH | R902123166 |
| A4VG125EP4DM1/32L-VZF02F001PP-S | R902125183 |
| A4VG125EP4DM1/32R-NSF02F021DH | R902123276 |
| A4VG125EP4DM1/32R-NZF02F001DH | R902123207 |
| A4VG125EP4DM1/32R-NZF02F001DP | R902125114 |
| A4VG125EP4DM1/32R-NZF02F001MH-E | R902128104 |
| A4VG125EP4DM1/32R-NZF02F011SH | R902136284 |
| A4VG125EP4DM1/32R-NZF02F691DH | R902136443 |
| A4VG125EP4DM1/32R-VZF02F001PP-S | R902125185 |
| A4VG125EP4DM2/32R-NZF02F021DH | R902131663 |
| A4VG125EP4DMT1/32R-NZF02F001DH | R902123307 |
| A4VG125EP4DMT1/32R-NZF02F001DP-S | R902129172 |
| A4VG125EP4DMT1/32R-NZF02F001SH-S | R902137486 |
| A4VG125EP4DMT2/32L-NZF02F071MH | R902123147 |
| A4VG125EP4DT1/32L-NZF02F001SH-S | R902123430 |
| A4VG125EP4DT1/32L-NZF02F011ST | R902136481 |
| A4VG125EP4DT1/32L-NZF02F023SH | R902123325 |
| A4VG125EP4DT1/32R-NAF02F011SH | R902123344 |
| A4VG125EP4DT1/32R-NZF02F001BP | R902131609 |
| A4VG125EP4DT1/32R-NZF02F00XDH-S | R902123361 |
| A4VG125EP4DT1/32R-NZF02F023SH | R902123153 |
| A4VG125EP4DT2/32L-NSF02F021SH | R902146228 |
| A4VG125EP4DT2/32L-NZF02F011SH | R902146043 |
| A4VG125EP4DT2/32R-NZF02F001SH-S | R902125494 |
| A4VG125EP4DT2/32R-NZF02F021LH | R902131465 |
| A4VG125EP4DT2/32R-NZF02F021SH | R902131564 |
| A4VG125EP4DT2/32R-NZF02F041LH | R902128486 |
| A4VG125EP4DT2/32R-NZF02F071LH | R902137062 |
| A4VG125EZ1D1/32L-NZF02F001FH | R902055622 |
| A4VG125EZ1D1/32R-NZF02F011DH | R902055627 |
| A4VG125EZ2D1/32L-NSF02F001SH | R902055636 |
| A4VG125EZ2D1/32R-NSF02F001DH | R902120039 |
| A4VG125EZ2D1/32R-NZF02F001DH | R902083342 |
| A4VG125EZ2DM1/32R-NAF02F071MH | R902055628 |
| A4VG125EZ2DM1/32R-NSF02F001SH | R902074655 |
| A4VG125EZ2DM1/32R-NZF02F001FH | R902053063 |
| A4VG125EZ2DM1/32R-NZF02F011PH | R902055629 |
| A4VG125HD1D1/32L-NSF02F001D *AL* | R902060935 |
| A4VG125HD1D1/32L-NSF02F00XL-S *AL* | R902060986 |
| A4VG125HD1D1/32L-NSF02F021D *AL* | R902060936 |
| A4VG125HD1D1/32L-NSF02F691D *AL* | R902096257 |
| A4VG125HD1D1/32L-NZF02F021S *AL* | R902060925 |
| A4VG125HD1D2/32R-NAF02F021S *AL* | R902103620 |
| A4VG125HD1DT1/32L-NZF02F001D *AL* | R902060922 |
| A4VG125HD3D1/32L-NSF02F001D | R902125222 |
| A4VG125HD3D1/32L-NSF02F00XL-S | R902125233 |
| A4VG125HD3D1/32L-NSF02F021D | R902125223 |
| A4VG125HD3D1/32L-NSF02F071D | R902125216 |
| A4VG125HD3D1/32L-NZF02F001S | R902125207 |
| A4VG125HD3D1/32L-NZF02F041D | R902125211 |
| A4VG125HD3D1/32R-NSF02F001D | R902125210 |
| A4VG125HD3D1/32R-NSF02F021D | R902133354 |
| A4VG125HD3D1/32R-NSF02F021L | R902133251 |
| A4VG125HD3D1/32R-NZF02F001D | R902125209 |
| A4VG125HD3D2/32L-NZF02F041P-S | R902129478 |
| A4VG125HD3D2/32R-NAF02F021S | R902136132 |
| A4VG125HD3D2/32R-NSF02F021P | R902125253 |
| A4VG125HD3D2/32R-NSF02F071S-E | R902092922 |
| A4VG125HD3D2/32R-NTF02F691P | R902125252 |
| A4VG125HD3DM1/32L-NZF02F001D | R902134201 |
| A4VG125HD3DM1/32R-NZF02F001D | R902125214 |
| A4VG125HD3DM1/32R-NZF02F011D | R902125236 |
| A4VG125HD3DM1/32R-NZF02F021S | R902129389 |
| A4VG125HD3DMT1/32L-NZF02F001S | R902125269 |
| A4VG125HD3DT1/32L-NSF02F011S | R902125265 |
| A4VG125HD3DT1/32L-NZF02F001D | R902125218 |
| A4VG125HD3DT1/32L-NZF02F001S | R902125228 |
| A4VG125HD3DT2/32L-NZF02F001S-S | R902129405 |
| A4VG125HD9MT1/32R-NSF02F691S-S | R902125976 |
| A4VG125HD9MT1/32R-NSF02F691S-S | R902125588 |
| A4VG125HWD1/32L-NAF02F041S | R902024046 |
| A4VG125HWD1/32L-NAF02F071S | R902075824 |
| A4VG125HWD1/32L-NSF02F001D | R902029016 |
| A4VG125HWD1/32L-NSF02F003D | R902044673 |
| A4VG125HWD1/32L-NSF02F003P | R902067090 |
| A4VG125HWD1/32L-NSF02F023P | R902076880 |
| A4VG125HWD1/32L-NSF02N001E | R902104237 |
| A4VG125HWD1/32L-NZF02F001D | R902032116 |
| A4VG125HWD1/32L-NZF02F001S | R902024257 |
| A4VG125HWD1/32L-NZF02F021S | R902090765 |
| A4VG125HWD1/32L-NZF02F071S | R902053090 |
| A4VG125HWD1/32R-NAF02F011S | R902032141 |
| A4VG125HWD1/32R-NAF02F071D | R902071554 |
| A4VG125HWD1/32R-NAF02K071E | R902024045 |
| A4VG125HWD1/32R-NSF02F001S | R902026325 |
| A4VG125HWD1/32R-NSF02F011S | R902024050 |
| A4VG125HWD1/32R-NSF02F021S | R902064980 |
| A4VG125HWD1/32R-NSF02F041P | R902055547 |
| A4VG125HWD1/32R-NSF02F071D | R902048156 |
| A4VG125HWD1/32R-NSF02K691E | R902067487 |
| A4VG125HWD1/32R-NZF02F001D | R902050091 |
| A4VG125HWD1/32R-NZF02F001S | R902019716 |
| A4VG125HWD1/32R-NZF02F021P | R902079737 |
| A4VG125HWD1/32R-NZF02F021S | R902024262 |
| A4VG125HWD1/32R-NZF02F041D-ES | R902092718 |
| A4VG125HWD1/32R-NZF02F071D | R902041090 |
| A4VG125HWD1/32R-NZF02F071D-ES | R902092509 |
| A4VG125HWD2/32R-NSF02F011S | R902067480 |
| A4VG125HWD2/32R-NSF02F071K | R902085732 |
| A4VG125HWD2/32R-NZF02F071S | R902118457 |
| A4VG125HWD3L/32R-NZF02F001P | R902048671 |
| A4VG125HWD3L/32R-NZF02F071K | R902063240 |
| A4VG125HWDM1/32L-NSF02F001S | R902048959 |
| A4VG125HWDM1/32L-NSF02F021F | R902027679 |
| A4VG125HWDM1/32L-NZF02F001D | R902024072 |
| A4VG125HWDM1/32L-NZF02F021D | R902039384 |
| A4VG125HWDM1/32L-NZF02F041F | R902024074 |
| A4VG125HWDM1/32R-NSF02F001S | R902051388 |
| A4VG125HWDM1/32R-NSF02F021F | R902027678 |
| A4VG125HWDM2/32L-NZF02F001D | R902026725 |
| A4VG125HWDM3L/32R-NZF02F021S | R902031037 |
| A4VG125HWDT1/32L-NSF02F011D | R902067479 |
| A4VG125HWDT1/32R-NAF02F001S | R902056447 |
| A4VG125HWDT1/32R-NSF02F001S | R902064991 |
| A4VG125HWDT1/32R-NSF02F021S | R902072873 |
| A4VG125HWDT1/32R-NSF02F041F | R902076639 |
| A4VG125HWDT1/32R-NZF02F001S | R902037829 |
| A4VG125HWDT1/32R-NZF02F011S | R902039163 |
| A4VG125NVD1/32L-NAF02F021D | R902087072 |
| A4VG125NVD1/32L-NZF02F001L | R902037240 |
| A4VG125NVD1/32R-NSF02F021D | R902044842 |
| A4VG125NVD1/32R-NSF02F691S | R902044820 |
| A4VG125NVD1/32R-NZF02F001S | R902024227 |
| A4VG125NVDT1/32L-NZF02F021S-S | R902023832 |
| A4VG125NVDT1/32R-NZF02F021S-S | R902023804 |
| A4VG140DA2DM8/32R-NSF02F071MH | R902079755 |
| A4VG140DE2D1/32R-NAF02F021DP-S | R902104835 |
| A4VG140EP2D1/32R-NAF02F021DP *AL* | R902120381 |
| A4VG140EP2D1/32R-NAF02F691FH-S *AL* | R902102136 |
| A4VG140EP2DM1/32L-NZF02F00XLP-S *AL* | R902083344 |
| A4VG140EP2DT1/32L-NAF02F691SX-S *AL* | R902077868 |
| A4VG140EP4D1/32L-NSF02F001FP | R902146055 |
| A4VG140EP4D1/32R-NAF02F691FH-S | R902123343 |
| A4VG140EP4DM1/32R-VZF02F001KP-S | R902125184 |
| A4VG140EP4DX/32L-NZF02F021LP-S | R902125077 |
| A4VG145HW1D0000/40ALND6T11F0000AF00-0C | R902146691 |
| A4VG180DA1D3L/32R-NZD02F001SH | R902076965 |
| A4VG180DA2D2/32L-NSD02F001DT | R902120369 |
| A4VG180DA2D2/32L-NSD02F691LH | R902149573 |
| A4VG180DA2D2/32L-NSD02F691LH | R902070069 |
| A4VG180DA2D2/32L-NTD02F691DH | R902119298 |
| A4VG180DA2D2/32L-NZD02F001DH | R902053777 |
| A4VG180DA2D2/32L-NZD02F001LH | R902079951 |
| A4VG180DA2D2/32L-NZD02F001SH | R902089539 |
| A4VG180DA2D2/32L-NZD02F041SH | R902066151 |
| A4VG180DA2D2/32L-NZD02F071SH | R902088321 |
| A4VG180DA2D2/32L-NZD02F721LH | R902070068 |
| A4VG180DA2D2/32R-NSD02F021DH | R902053094 |
| A4VG180DA2D2/32R-NSD02F691DH | R902081926 |
| A4VG180DA2D2/32R-NSD02F691LH | R902070052 |
| A4VG180DA2D2/32R-NTD02F691DH | R902099983 |
| A4VG180DA2D2/32R-NTD02F721DH | R902053093 |
| A4VG180DA2D2/32R-NZD02F001LH | R902068018 |
| A4VG180DA2D2/32R-NZD02F001SH | R902053780 |
| A4VG180DA2D2/32R-NZD02F011SH | R902053781 |
| A4VG180DA2D2/32R-NZD02F021SH | R902053783 |
| A4VG180DA2D2/32R-NZD02F041LH | R902083824 |
| A4VG180DA2D2/32R-NZD02F041SH | R902074290 |
| A4VG180DA2D2/32R-NZD02F071LH | R902053785 |
| A4VG180DA2D2/32R-NZD02F691LH | R902053786 |
| A4VG180DA2D2/32R-NZD02F721DH | R902079934 |
| A4VG180DA2D2/32R-NZD02F721LH | R902070051 |
| A4VG180DA2D3L/32R-NSD02F011SH | R902053787 |
| A4VG180DA2D3L/32R-NTD02F721SH | R902053788 |
| A4VG180DA2D3L/32R-NZD02F001SH | R902053789 |
| A4VG180DA2D4/32R-NSD02F021SH | R902053790 |
| A4VG180DA2D5R/32R-NZD02F021DH | R902074131 |
| A4VG180DA2D7/32L-NTD02F721SH | R902088175 |
| A4VG180DA2D7/32R-NSD02F021LH | R902074551 |
| A4VG180DA2D7/32R-NSD02F071DH | R902070453 |
| A4VG180DA2D7/32R-NSD02F071DT *AL* | R902088019 |
| A4VG180DA2D7/32R-NTD02F721DH | R902070452 |
| A4VG180DA2D7/32R-NTD02F721DT *AL* | R902088018 |
| A4VG180DA2D8/32L-NZD02F001LH | R902079955 |
| A4VG180DA2D8/32R-NSD02F021LH | R902066475 |
| A4VG180DA2D8/32R-NSD02F021MH | R902057991 |
| A4VG180DA2D8/32R-NZD02F721LH | R902087062 |
| A4VG180DA2DM2/32R-NSD02F691DH | R902104163 |
| A4VG180DA2DM2/32R-NZD02F021DH | R902053771 |
| A4VG180DA2DM2/32R-NZD02F021SH | R902053772 |
| A4VG180DA2DM2/32R-NZD02F071DH | R902066726 |
| A4VG180DA2DM3L/32R-NTD02F721SH | R902074175 |
| A4VG180DA2DM4/32R-NSD02F071MH | R902053773 |
| A4VG180DA2DM8/32R-NSD02F021MH | R902117435 |
| A4VG180DA2DM8/32R-NSD02F041MH | R902053774 |
| A4VG180DA2DMT3L/32R-NZD02F001SH | R902079911 |
| A4VG180DA2DT2/32L-NZD02F001DH | R902053775 |
| A4VG180DA2DT2/32L-NZD02F021SH-S | R902079687 |
| A4VG180DA2DT2/32R-NTD02F721SH | R902089150 |
| A4VG180DA2DT2/32R-NZD02F021SH-S | R902079679 |
| A4VG180DA2DT2/32R-NZD02F071SH | R902090882 |
| A4VG180DA2DT7/32L-NZ02F001SH | R902090768 |
| A4VG180DA2DT8/32R-NZD02F071SH | R902053776 |
| A4VG180DGD1/32L-NZD02F071D | R902074667 |
| A4VG180DGD1/32R-NSD02F001F | R902090725 |
| A4VG180DGD1/32R-NTD02F021S | R902074248 |
| A4VG180DGD1/32R-NTD02F041S | R902083149 |
| A4VG180DGD1/32R-NZD02F001S | R902037008 |
| A4VG180DGD1/32R-NZD02F021S | R902037672 |
| A4VG180DGD2/32R-NTD02F021S | R902133011 |
| A4VG180DGD2/32R-NZD02F001S | R902037010 |
| A4VG180DGD2/32R-NZD02F021S | R902037673 |
| A4VG180DGDM1/32R-NSD02F001D | R902066717 |
| A4VG180DGDM1/32R-NSD02F011S | R902074176 |
| A4VG180DGDMT1/32L-NZD02F021D | R902032252 |
| A4VG180DGDT1/32L-NZD02F041S | R902076863 |
| A4VG180DGDT2/32L-NSD02F041S | R902074292 |
| A4VG180DWDMT1/32R-NSD02F001D-S | R902106372 |
| A4VG180EP0MT1/32R-NSD02F021SP-ES | R902137492 |
| A4VG180EP2D1/32L-NZD02F001SH *AL* | R902058624 |
| A4VG180EP2D1/32R-NSD02F001DP *AL* | R902112792 |
| A4VG180EP2D1/32R-NZD02F001DH *AL* | R902058662 |
| A4VG180EP2D1/32R-NZD02F001SH *AL* | R902058815 |
| A4VG180EP2D1/32R-NZD02F691LP *AL* | R902094334 |
| A4VG180EP2D2/32L-NZD02F001SH *AL* | R902058646 |
| A4VG180EP2D2/32R-NZD02F041SH *AL* | R902058817 |
| A4VG180EP2DM1/32R-NSD02F001DH *AL* | R902058674 |
| A4VG180EP2DM1/32R-NZD02F001DH *AL* | R902058636 |
| A4VG180EP2DMT1/32R-NZD02K021EX-S *AL* | R902089268 |
| A4VG180EP2DT2/32R-NZD02F691SH *AL* | R902061646 |
| A4VG180EP2MT1/32R-NSD02F021SP-ES *AL* | R902134028 |
| A4VG180EP2MT1/32R-NSD02F721SP-ES *AL* | R902134310 |
| A4VG180EP3D1/32R-NZD02F001DH | R902134375 |
| A4VG180EP4D1/32L-NSD02F001BP | R902131388 |
| A4VG180EP4D1/32L-NSD02F021DP | R902133358 |
| A4VG180EP4D1/32L-NSD02F071DP | R902131905 |
| A4VG180EP4D1/32L-NSD02F721PP | R902133355 |
| A4VG180EP4D1/32L-NZD02F001SH | R902125615 |
| A4VG180EP4D1/32L-NZD02F001SP | R902138804 |
| A4VG180EP4D1/32L-NZD02F011DH | R902131873 |
| A4VG180EP4D1/32L-NZD02F071DH | R902125755 |
| A4VG180EP4D1/32R-NSD02F001DH | R902149737 |
| A4VG180EP4D1/32R-NSD02F001DP | R902129723 |
| A4VG180EP4D1/32R-NSD02F021DP | R902129179 |
| A4VG180EP4D1/32R-NSD02F041DP | R902129732 |
| A4VG180EP4D1/32R-NSD02F721LP | R902134180 |
| A4VG180EP4D1/32R-NZD02F001DH | R902125639 |
| A4VG180EP4D1/32R-NZD02F001SH | R902125666 |
| A4VG180EP4D1/32R-NZD02F001SP | R902136172 |
| A4VG180EP4D1/32R-NZD02F001SRP | R902138944 |
| A4VG180EP4D1/32R-NZD02F011SH | R902137288 |
| A4VG180EP4D1/32R-NZD02F011SP | R902136051 |
| A4VG180EP4D2/32L-NZD02F001DH | R902125740 |
| A4VG180EP4D2/32R-NSD02F021BP-S | R902129134 |
| A4VG180EP4D2/32R-NSD02F041BP-S | R902129141 |
| A4VG180EP4D2/32R-NZD02F071SH-S | R902133325 |
| A4VG180EP4DM1/32L-NSD02K071EH *SV* | R902125723 |
| A4VG180EP4DM1/32L-NZD02F001DH | R902125625 |
| A4VG180EP4DM1/32L-NZD02K721EH | R902125722 |
| A4VG180EP4DM1/32L-NZD02KXXXEH-S | R902133284 |
| A4VG180EP4DM1/32L-NZD02N00XEH-S | R902133282 |
| A4VG180EP4DM1/32R-NSD02F001DH | R902125648 |
| A4VG180EP4DM1/32R-NSD02F011KH | R902131814 |
| A4VG180EP4DM1/32R-NSD02F021DH | R902125733 |
| A4VG180EP4DM1/32R-NSD02F071BP | R902134321 |
| A4VG180EP4DM1/32R-NZD02F001DH | R902125624 |
| A4VG180EP4DM1/32R-NZD02F021DH | R902125619 |
| A4VG180EP4DMT1/32L-NSD02F001DH | R902129910 |
| A4VG180EP4DMT1/32L-NSD02F071DH | R902125763 |
| A4VG180EP4DMT1/32L-NSD02F691DH | R902125779 |
| A4VG180EP4DMT1/32L-NSD02N001EH | R902125757 |
| A4VG180EP4DMT1/32L-NZD02K013EH | R902146492 |
| A4VG180EP4DMT1/32L-NZD02K723EH | R902146490 |
| A4VG180EP4DMT1/32R-NSD02F011DH | R902129915 |
| A4VG180EP4DMT1/32R-NSD02F071DH | R902125793 |
| A4VG180EP4DMT1/32R-NSD02F691DH | R902125780 |
| A4VG180EP4DMT2/32L-NZD02F001SH | R902134103 |
| A4VG180EP4DMT2/32R-NZD02F071MH | R902125706 |
| A4VG180EP4DT1/32L-NSD02F021DH | R902125710 |
| A4VG180EP4DT1/32L-NSD02F041DP | R902133310 |
| A4VG180EP4DT1/32L-NZD02F001PP | R902138600 |
| A4VG180EP4DT1/32L-NZD02F001SH-S | R902129543 |
| A4VG180EP4DT1/32L-NZD02F011SH-S | R902129548 |
| A4VG180EP4DT1/32L-NZD02F011ST | R902133210 |
| A4VG180EP4DT1/32L-NZD02F021SH-S | R902129547 |
| A4VG180EP4DT1/32R-NSD02F021SH | R902125790 |
| A4VG180EP4DT1/32R-NTD02F721SH | R902125707 |
| A4VG180EP4DT1/32R-NZD02F001SH-S | R902129592 |
| A4VG180EP4DT1/32R-NZD02F01XSH-S | R902133273 |
| A4VG180EP4DT2/32L-NZD02F001SH-S | R902125659 |
| A4VG180EP4DT2/32L-NZD02F011BH | R902137091 |
| A4VG180EP4DT2/32L-NZD02F021BH | R902137089 |
| A4VG180EP4DT2/32L-NZD02F691SH | R902146045 |
| A4VG180EP4DT2/32R-NZD02F691SH | R902125698 |
| A4VG180EP4MT1/32L-NSD02F071SP-S | R902129920 |
| A4VG180EP4MT1/32R-NSD02F041SP-S | R902129919 |
| A4VG180EZ1DM1/32R-NZD02F011SH | R902072718 |
| A4VG180EZ2D1/32L-NSD02F001LH | R902053766 |
| A4VG180EZ2D1/32L-NSD02F021MH | R902053768 |
| A4VG180EZ2D1/32L-NSD02F071MH | R902053769 |
| A4VG180EZ2D1/32L-NSD02F691MH | R902062993 |
| A4VG180EZ2D1/32R-NZD02F001SH | R902068456 |
| A4VG180EZ2D1/32R-NZD02F041SH | R902074836 |
| A4VG180EZ2D1/32R-NZD02F071SP | R902108427 |
| A4VG180EZ2DM1/32L-NZD02F001SH | R902053763 |
| A4VG180EZ2DM1/32L-NZD02F691FH | R902053764 |
| A4VG180EZ2DM1/32R-NZD02F011SH | R902072861 |
| A4VG180HD1D1/32L-NSD02F001D *AL* | R902058927 |
| A4VG180HD1D1/32L-NSD02F021D *AL* | R902058932 |
| A4VG180HD1D1/32L-NSD02F721D *AL* | R902061494 |
| A4VG180HD1D2/32R-NTD02F021S *AL* | R902127071 |
| A4VG180HD1DM1/32R-NZD02F001D *AL* | R902058928 |
| A4VG180HD1DT1/32L-NZD02F001S *AL* | R902060720 |
| A4VG180HD1DT1/32L-NZD02F021S *AL* | R902058931 |
| A4VG180HD1MT1/32R-NSD02F021S-S *AL* | R902072784 |
| A4VG180HD3D1/32L-NSD02F001D | R902129761 |
| A4VG180HD3D1/32L-NSD02F021D | R902129764 |
| A4VG180HD3D1/32L-NSD02F041D | R902129895 |
| A4VG180HD3D1/32R-NSD02F001D | R902129759 |
| A4VG180HD3D1/32R-NZD02F001L | R902129828 |
| A4VG180HD3D1/32R-NZD02F001P | R902149839 |
| A4VG180HD3D2/32R-NTD02F021S | R902129897 |
| A4VG180HD3DM1/32L-NSD02F021D | R902136370 |
| A4VG180HD3DM1/32R-NSD02F071M | R902134358 |
| A4VG180HD3DM1/32R-NZD02F001D | R902129762 |
| A4VG180HD3DM1/32R-NZD02F011D | R902133263 |
| A4VG180HD3DM1/32R-NZD02F021S | R902129378 |
| A4VG180HD3DM1/32R-VSD02F001P-S | R902138976 |
| A4VG180HD3DMT1/32R-NZD02K021E | R902129894 |
| A4VG180HD3DT1/32L-NZD02F001S | R902129780 |
| A4VG180HD3DT1/32R-NZD02F01XS-S | R902129801 |
| A4VG180HD3DT1/32R-NZD02F021S | R902129768 |
| A4VG180HD9MT1/32R-NZD02F021S-S | R902138924 |
| A4VG180HD9XMT1/32R-NSD02F011F-ES | R902129892 |
| A4VG180HDMT1/32R-NZD02F021S-S | R902032677 |
| A4VG180HWD1/32L-NSD02F011D | R902048849 |
| A4VG180HWD1/32L-NZD02F011S | R902026253 |
| A4VG180HWD1/32R-NSD02F001P | R902040821 |
| A4VG180HWD1/32R-NSD02F001S | R902037787 |
| A4VG180HWD1/32R-NSD02F011D | R902048859 |
| A4VG180HWD1/32R-NSD02F021S | R902026115 |
| A4VG180HWD1/32R-NZD02F001P | R902089849 |
| A4VG180HWD1/32R-NZD02F001S | R902026252 |
| A4VG180HWD1/32R-NZD02F003S | R902041897 |
| A4VG180HWD1/32R-NZD02F071S | R902084856 |
| A4VG180HWDM1/32R-NSD02F001D | R902104165 |
| A4VG180HWDM2/32R-NZD02F021S | R902044033 |
| A4VG180HWDMT1/32R-NZD02F021S | R902046499 |
| A4VG180HWDT1/32L-NZD02F011S | R902025445 |
| A4VG180HWDT1/32R-NSD02F001S | R902057968 |
| A4VG180HWDT1/32R-NTD02F721S | R902057967 |
| A4VG180NVD1/32R-NSD02F021P | R902033965 |
| A4VG180NVD1/32R-NZD02F001L | R902068016 |
| A4VG180NVD1/32R-NZD02F001S | R902026214 |
| A4VG180NVDM1/32R-NTD02F021D | R902112927 |
| A4VG180NVDT1/32L-NZD02F021S-S | R902081251 |
| A4VG180NVDT1/32R-NZD02F021S-S | R902081217 |
| A4VG250DA2D2/32L-NSD10F001DH | R902088441 |
| A4VG250DA2D2/32L-NZD10F001DH | R902087008 |
| A4VG250DA2D2/32R-NSD10F001DH | R902074407 |
| A4VG250DA2D2/32R-NSD10F001DP | R902119321 |
| A4VG250DA2D2/32R-NSD10F001SH | R902053794 |
| A4VG250DA2D2/32R-NSD10F071DH | R902079693 |
| A4VG250DA2D2/32R-NSD10F691DH | R902079805 |
| A4VG250DA2D2/32R-NTD10F071DH | R902117246 |
| A4VG250DA2D2/32R-NZD10F001DH | R902105090 |
| A4VG250DA2D2/32R-NZD10F721DH | R902079806 |
| A4VG250DA2D8/32R-NSD10F071DH | R902074327 |
| A4VG250DA2D8/32R-NSD10F071SH | R902071906 |
| A4VG250DA2D8/32R-NZD10F721DH | R902097416 |
| A4VG250DA2D8/32R-NZD10F721SH-S | R902077698 |
| A4VG250DA2DM2/32R-NSD10F003SH | R902066196 |
| A4VG250DA2DM2/32R-NZD10F001DH | R902057663 |
| A4VG250DA2DM8/32R-NZD10F691DH | R902133265 |
| A4VG250DA2DM8/32R-NZD10F721DH | R902117319 |
| A4VG250DA2DT2/32L-NSD10F001DH | R902079803 |
| A4VG250DA2DT2/32R-NZD10F011DH | R902079964 |
| A4VG250EP2D1/32L-NSD10F021SP *AL* | R902102409 |
| A4VG250EP2D1/32L-NSD10F071SP *AL* | R902102396 |
| A4VG250EP2D1/32R-NSD10F001DH-S *AL* | R902102080 |
| A4VG250EP2D1/32R-NSD10F001DP *AL* | R902120477 |
| A4VG250EP2D1/32R-NSD10F071DP *AL* | R902119323 |
| A4VG250EP2D1/32R-NSD10K011EH-S *AL* | R902061342 |
| A4VG250EP2D1/32R-NZD10F001DH *AL* | R902058748 |
| A4VG250EP2DM1/32L-NZD10N003EH-S *AL* | R902127094 |
| A4VG250EP2DM1/32R-NSD10F001DH *AL* | R902059314 |
| A4VG250EP2DM1/32R-NSD10K071EH *AL* | R902105262 |
| A4VG250EP2DM1/32R-NZD10F001DH-S *AL* | R902064275 |
| A4VG250EP2DM1/32R-NZD10K02XEH-S *AL* | R902127015 |
| A4VG250EP2DMT1/32R-NTD10F691DH *AL* | R902103925 |
| A4VG250EP2DMT2/32L-NZD10F021DH *AL* | R902094371 |
| A4VG250EP2DT1/32L-NSD10F011DH *AL* | R902117379 |
| A4VG250EP2DT1/32L-NZD10F001DH *AL* | R902059312 |
| A4VG250EP2DT1/32L-NZD10F001SH-S *AL* | R902075757 |
| A4VG250EP2DT1/32L-NZD10F023SH-S *AL* | R902089180 |
| A4VG250EP3D1/32R-NTD10F071DP | R902137212 |
| A4VG250EP3D1/32R-NTD10F691SH | R902146060 |
| A4VG250EP4D1/32L-NSD10F041DP | R902134106 |
| A4VG250EP4D1/32L-NSD10F721DP | R902133361 |
| A4VG250EP4D1/32L-NTD10F721DH | R902128232 |
| A4VG250EP4D1/32L-NZD10F001SH | R902128183 |
| A4VG250EP4D1/32L-NZD10F00XDT-S | R902134249 |
| A4VG250EP4D1/32R-NSD10F001DH | R902128224 |
| A4VG250EP4D1/32R-NSD10F001DP | R902128445 |
| A4VG250EP4D1/32R-NSD10F021DP | R902131079 |
| A4VG250EP4D1/32R-NSD10F071DP | R902128442 |
| A4VG250EP4D1/32R-NSD10K011EH-S | R902128358 |
| A4VG250EP4D1/32R-NTD10F721DH | R902128189 |
| A4VG250EP4D1/32R-NTD10K691EH-S | R902128369 |
| A4VG250EP4D1/32R-NZD10F001DH | R902128159 |
| A4VG250EP4D1/32R-NZD10F001SH | R902128150 |
| A4VG250EP4D1/32R-NZD10F001SP | R902128426 |
| A4VG250EP4D1/32R-NZD10F00XDH-S | R902137060 |
| A4VG250EP4D1/32R-NZD10F041SH | R902128156 |
| A4VG250EP4D1/32R-NZD10F071DH | R902128155 |
| A4VG250EP4D1/32R-NZD10F691DP | R902128424 |
| A4VG250EP4D2/32L-NZD10F021DH | R902128287 |
| A4VG250EP4D2/32R-NZD10F011DH | R902138516 |
| A4VG250EP4DM1/32L-NSD10K07XEH-S | R902128250 |
| A4VG250EP4DM1/32L-NSD10K07XEX-S | R902128419 |
| A4VG250EP4DM1/32L-NZD10N003EH-S | R902128400 |
| A4VG250EP4DM1/32R-NSD10F001DH | R902128177 |
| A4VG250EP4DM1/32R-NZD10F001DH-S | R902128362 |
| A4VG250EP4DM1/32R-NZD10F721DH | R902128289 |
| A4VG250EP4DM1/32R-NZD10K02XEH-S | R902128397 |
| A4VG250EP4DMT1/32L-NSD10F041DH | R902128275 |
| A4VG250EP4DMT1/32L-NZD10F001DH | R902128182 |
| A4VG250EP4DMT1/32L-NZD10N00XEH-S | R902128353 |
| A4VG250EP4DMT1/32R-NSD10F021SP | R902128448 |
| A4VG250EP4DMT1/32R-NTD10F691DH | R902128281 |
| A4VG250EP4DMT1/32R-NZD10K041EP | R902138699 |
| A4VG250EP4DMT1/32R-NZD10N001EP | R902128429 |
| A4VG250EP4DMT2/32R-NZD10F041DH | R902128175 |
| A4VG250EP4DT1/32L-NZD10F001DH-S | R902128376 |
| A4VG250EP4DT1/32L-NZD10F001SH-S | R902128394 |
| A4VG250EP4DT1/32L-NZD10F00XDH-S | R902128265 |
| A4VG250EP4DT1/32L-NZD10F011DP | R902131537 |
| A4VG250EP4DT1/32L-NZD10F011SH-S | R902128383 |
| A4VG250EP4DT1/32R-NSD10F011DP | R902128444 |
| A4VG250EP4DT1/32R-NZD10F001SH-S | R902131896 |
| A4VG250EP4DT1/32R-NZD10F011SH | R902128279 |
| A4VG250EP4DT1/32R-NZD10F021SH | R902128163 |
| A4VG250EP4DT1/32R-NZD10F023SH-S | R902128257 |
| A4VG250EP4DT2/32R-NZD10F071DH | R902149628 |
| A4VG250EZ1D1/32R-NZD10F011DH | R902053792 |
| A4VG250EZ2D1/32R-NSD10F001SH | R902069446 |
| A4VG250EZ2D1/32R-NZD10F001DH | R902089000 |
| A4VG250EZ2DM1/32R-NSD10F071DH | R902072883 |
| A4VG250EZ2DM1/32R-NZD10F001DH | R902061982 |
| A4VG250EZ2DM1/32R-NZD10F691SH | R902066476 |
| A4VG250HD1D1/32L-NSD10F001D *AL* | R902060781 |
| A4VG250HD1D1/32L-NSD10F021D *AL* | R902060782 |
| A4VG250HD1D1/32R-NSD10F001D *AL* | R902060770 |
| A4VG250HD1D1/32R-NZD10F001D *AL* | R902069418 |
| A4VG250HD1DT1/32L-NSD10F001S *AL* | R902104966 |
| A4VG250HD1DT1/32R-NSD10F001S *AL* | R902100674 |
| A4VG250HD3D1/32L-NSD10F001D | R902128469 |
| A4VG250HD3D1/32L-NSD10F041D | R902134324 |
| A4VG250HD3D1/32L-NSD10F071D | R902131364 |
| A4VG250HD3D1/32L-NZD10F001S | R902128479 |
| A4VG250HD3D1/32R-NSD10F001D | R902131510 |
| A4VG250HD3D1/32R-NSD10F021S | R902128461 |
| A4VG250HD3D1/32R-NSD10F691D | R902128467 |
| A4VG250HD3D1/32R-NSD10K011E-S | R902128478 |
| A4VG250HD3D1/32R-NTD10F691D | R902128496 |
| A4VG250HD3D1/32R-NZD10F001D | R902128480 |
| A4VG250HD3D1/32R-NZD10F001S | R902128465 |
| A4VG250HD3D1/32R-NZD10F011D | R902131820 |
| A4VG250HD3D1/32R-NZD10F721D | R902131508 |
| A4VG250HD3DM1/32R-NZD10F021S | R902129419 |
| A4VG250HD3DMT1/32R-NSD10F071D | R902129552 |
| A4VG250HD3DT1/32L-NZD10F001S-S | R902128482 |
| A4VG250HD3DT1/32R-NSD10F001S | R902129553 |
| A4VG250HWD1/32L-NSD10F001D | R902079280 |
| A4VG250HWD1/32L-NSD10F001S | R902083007 |
| A4VG250HWD1/32L-NSD10F021D | R902080244 |
| A4VG250HWD1/32R-NZD10F001D | R902031349 |
| A4VG250HWD1/32R-NZD10F001S | R902031348 |
| A4VG250HWD1/32R-NZD10F011S | R902027577 |
| A4VG250HWD1/32R-NZD10F041S | R902076867 |
| A4VG250HWD1/32R-NZD10F691D | R902030322 |
| A4VG250HWD1/32R-NZD10F691S | R902068422 |
| A4VG250HWDT1/32R-NSD10F001S | R902074370 |
| A4VG250HWDT1/32R-NTD10F721S | R902074369 |
| A4VG250HWDT1/32R-NZD10F001S | R902030330 |
| A4VG250HWDT1/32R-NZD10F021S | R902037376 |
| A4VG250NVD1/32L-NTD10F021D | R902033751 |
| A4VG250NVD1/32L-NZD10F001S | R902105380 |
| A4VG250NVD1/32L-NZD10K071E | R902079973 |
| A4VG250NVD1/32R-NZD10F001S | R902048019 |
| A4VG250NVDM1/32L-NTD10F021D | R902044536 |
| A4VG250NVDM1/32R-NZD10F071D | R902011220 |
| A4VG250NVDT1/32R-NZD10F001D | R902112892 |
| A4VG28DA1D2/32R-NSC10F025SH-S | R902079721 |
| A4VG28DA1D2/32R-NZC10F005SH | R902052587 |
| A4VG28DA1D2/32R-NZC10F015SH | R902052589 |
| A4VG28DA1D3L/32R-NSC10F015SH-S | R902118390 |
| A4VG28DA1D3R/32R-NSC10K015EH | R902067099 |
| A4VG28DA1D3R/32R-NZC10F015SH | R902052599 |
| A4VG28DA1D8/32R-NSC10F015SP-ES | R902129399 |
| A4VG28DA1D8/32R-NZC10F015DP | R902112943 |
| A4VG28DA1DT2/32R-NSC10F015SH | R902052584 |
| A4VG28DA1DT3L/32R-NSC10K015EH | R902067417 |
| A4VG28DA2D2/32R-NSC10F015SH | R902052603 |
| A4VG28DA2D2/32R-NZC10F005SH | R902052605 |
| A4VG28DGD1/32R-NSC10F003S | R902022100 |
| A4VG28DGDT1/32R-NSC10K013E | R902103976 |
| A4VG28DGDT1/32R-NSC10K043E | R902099864 |
| A4VG28EP3D1/32R-NSC10F045SH | R902110567 |
| A4VG28EP3DM2/32R-NZC10F015SH | R902110563 |
| A4VG28EP3DT1/32L-NSC10F015SH-S | R902110570 |
| A4VG28EP3DT2/32R-NSC10F005SH | R902110556 |
| A4VG28EP4D1/32L-NSC10F003SP | R902131778 |
| A4VG28EP4D1/32L-NSC10F015SH | R902110661 |
| A4VG28EP4D1/32L-NZC10F013SH | R902110616 |
| A4VG28EP4D1/32L-NZC10F025ST | R902110587 |
| A4VG28EP4D1/32L-NZC10F043SP | R902131776 |
| A4VG28EP4D1/32L-NZC10F045SH | R902110677 |
| A4VG28EP4D1/32R-NSC10F005DH | R902110629 |
| A4VG28EP4D1/32R-NSC10F005DP | R902110707 |
| A4VG28EP4D1/32R-NSC10F005SH | R902110604 |
| A4VG28EP4D1/32R-NSC10F006DRH | R902110681 |
| A4VG28EP4D1/32R-NSC10F015SH | R902110605 |
| A4VG28EP4D1/32R-NSC10F023SP | R902110705 |
| A4VG28EP4D1/32R-NSC10F025DH | R902110607 |
| A4VG28EP4D1/32R-NSC10K026EP | R902120443 |
| A4VG28EP4D1/32R-NZC10F005SH | R902110633 |
| A4VG28EP4D1/32R-NZC10F015SH | R902110653 |
| A4VG28EP4DM1/32L-NSC10F003DH | R902110667 |
| A4VG28EP4DM1/32L-NSC10F003SH | R902110673 |
| A4VG28EP4DM1/32L-NSC10F023SH | R902110687 |
| A4VG28EP4DMT1/32L-NSC10N005EP | R902138722 |
| A4VG28EP4DMT1/32R-NSC10F015DH | R902136488 |
| A4VG28EP4DT1/32L-NSC10F005SH | R902110641 |
| A4VG28EP4DT1/32R-NSC10F005SH | R902110627 |
| A4VG28EP4DT1/32R-NSC10N005EH | R902119003 |
| A4VG28EZ2DM1/32R-NSC10N003EH | R902074211 |
| A4VG28HD3D1/32R-NSC10F015S | R902110709 |
| A4VG28HD3D1/32R-NZC10F003D | R902122231 |
| A4VG28HD3D1/32R-NZC10F005D | R902110752 |
| A4VG28HD3D1/32R-NZC10F005S | R902110743 |
| A4VG28HD3D1/32R-NZC10F006S-S | R902110739 |
| A4VG28HD3DM2/32R-NZC10F015S | R902110736 |
| A4VG28HD3DT1/32L-NSC10F015S | R902110751 |
| A4VG28HD3DT1/32R-NSC10F005S | R902110728 |
| A4VG28HD3DT1/32R-NSC10F025S | R902110750 |
| A4VG28HWD1/32L-NSC10F015D | R902138878 |
| A4VG28HWD1/32R-NSC10F015S | R902019574 |
| A4VG28HWD1/32R-NSC10F044D | R902061779 |
| A4VG28HWD1/32R-NSC10K015E | R902067499 |
| A4VG28HWD1/32R-NSC10K045E | R902067498 |
| A4VG28HWD3R/32R-NZC10F015S | R902102282 |
| A4VG28HWDL1/32R-NSC10F005S | R902131722 |
| A4VG28HWDL1/32R-NSC10N005E-S | R902097789 |
| A4VG28HWDL1/32R-NZC10F015S | R902120332 |
| A4VG28NVDT1/32L-NSC10F005S | R902018980 |
| A4VG28NVDT1/32R-NSC10F005S | R902018981 |
| A4VG40DA1D2/32R-NAC02F025SQ | R902089459 |
| A4VG40DA1D2/32R-NAC02F025ST *AL* | R902084522 |
| A4VG40DA1D2/32R-NSC02F015SH | R902053638 |
| A4VG40DA1D2/32R-NZC02F005SH | R902112684 |
| A4VG40DA1D2/32R-NZC02F005SP | R902131987 |
| A4VG40DA1D2/32R-NZC02F013SH | R902074322 |
| A4VG40DA1D3L/32R-NZC02F005FH | R902131571 |
| A4VG40DA1D4/32R-NZC02F025SH | R902079999 |
| A4VG40DA1D8/32R-NAC02F005SH | R902074052 |
| A4VG40DA1D8/32R-NZC02F005LT *AL* | R902102237 |
| A4VG40DA1D8/32R-NZC02F015SH | R902053724 |
| A4VG40DA1DT2/32R-NZC02F015SH-S | R902053631 |
| A4VG40DA1DT4/32R-NZC02F015SH-S | R902123633 |
| A4VG40DA2D7/32R-NZC02F025LH | R902066197 |
| A4VG40DA2DT2/32R-NZC02F015SH | R902053729 |
| A4VG40DGD1/32L-NZC02F003S | R902019954 |
| A4VG40DGD2/32R-NSC02F015S | R902019978 |
| A4VG40DGD2/32R-NZC02F015S | R902031128 |
| A4VG40EP3D1/32L-NAC02F005SH | R902146249 |
| A4VG40EP3D1/32L-NUC02F003SH | R902110837 |
| A4VG40EP3D1/32L-NZC02F093SH | R902110833 |
| A4VG40EP3D1/32L-NZC02F095SH-S | R902110835 |
| A4VG40EP3D1/32R-NAC02K015EH | R902110830 |
| A4VG40EP3D1/32R-NSC02F013FH | R902110781 |
| A4VG40EP3D1/32R-NSC02F015SP | R902111133 |
| A4VG40EP3DM1/32R-NSC02F005SP | R902110828 |
| A4VG40EP3DM2/32R-NAC02F093SH | R902110825 |
| A4VG40EP3DM2/32R-NZC02F025SH | R902110780 |
| A4VG40EP3DM3L/32R-NUC02F025SH | R902110820 |
| A4VG40EP4D1/32L-NAC02F025SH | R902131780 |
| A4VG40EP4D1/32L-NAC02F045FT-S | R902110850 |
| A4VG40EP4D1/32L-NAC02F045PH | R902111031 |
| A4VG40EP4D1/32L-NAC02F095PH | R902111054 |
| A4VG40EP4D1/32L-NSC02F005SP | R902111140 |
| A4VG40EP4D1/32L-NSC02F025FH | R902111083 |
| A4VG40EP4D1/32L-NSC02F025PH | R902110911 |
| A4VG40EP4D1/32L-NUC02F025PH | R902111030 |
| A4VG40EP4D1/32L-NZC02F005DP | R902138595 |
| A4VG40EP4D1/32L-NZC02F005FH | R902110946 |
| A4VG40EP4D1/32R-NAC02F095SP | R902138581 |
| A4VG40EP4D1/32R-NSC02F003DP | R902131081 |
| A4VG40EP4D1/32R-NSC02F005DH | R902110910 |
| A4VG40EP4D1/32R-NSC02F005DP | R902123684 |
| A4VG40EP4D1/32R-NSC02F015SP | R902134217 |
| A4VG40EP4D1/32R-NSC02F045DH | R902111037 |
| A4VG40EP4D1/32R-NSC02F095PP | R902111144 |
| A4VG40EP4D1/32R-NSC02N003EP | R902117218 |
| A4VG40EP4D1/32R-NUC02F005SH | R902110928 |
| A4VG40EP4D1/32R-NUC02F005SP | R902138585 |
| A4VG40EP4D1/32R-NUC02F015PP | R902111145 |
| A4VG40EP4D1/32R-NZC02F003SP | R902137001 |
| A4VG40EP4D1/32R-NZC02F005DH | R902110919 |
| A4VG40EP4D1/32R-NZC02F005DP | R902138584 |
| A4VG40EP4D1/32R-NZC02F005SH | R902110909 |
| A4VG40EP4D1/32R-NZC02F045DH | R902110937 |
| A4VG40EP4D2/32R-NZC02F013FH | R902110908 |
| A4VG40EP4DM1/32L-NAC02F025DH | R902111063 |
| A4VG40EP4DM1/32L-NAC02F093PH | R902111012 |
| A4VG40EP4DM1/32L-NSC02F043DH | R902110917 |
| A4VG40EP4DM1/32L-NZC02F003DH | R902110943 |
| A4VG40EP4DM1/32L-NZC02F003SH | R902110890 |
| A4VG40EP4DM1/32R-NAC02F013PH | R902110948 |
| A4VG40EP4DM1/32R-NAC02F015PH | R902111102 |
| A4VG40EP4DM1/32R-NAC02F093PH | R902111010 |
| A4VG40EP4DM1/32R-NSC02F005DH | R902111047 |
| A4VG40EP4DM1/32R-NSC02F005DP | R902138660 |
| A4VG40EP4DM1/32R-NSC02F005SP | R902134291 |
| A4VG40EP4DM1/32R-NSC02F013PH-S | R902131111 |
| A4VG40EP4DM1/32R-NSC02F025PH | R902111065 |
| A4VG40EP4DM1/32R-NSC02F025PT-S | R902111125 |
| A4VG40EP4DM1/32R-NUC02F023PH | R902111094 |
| A4VG40EP4DM1/32R-NZC02F003DH | R902111086 |
| A4VG40EP4DM1/32R-NZC02F003FH | R902110891 |
| A4VG40EP4DMT1/32L-NSC02F015PH | R902131883 |
| A4VG40EP4DT1/32L-NZC02F005SH | R902123843 |
| A4VG40EP4DT1/32L-NZC02F045SH | R902120215 |
| A4VG40EP4DT1/32L-NZX02F015SH-S | R902110921 |
| A4VG40EP4DT1/32L-NZX02F025SH-S | R902110920 |
| A4VG40EP4DT1/32R-NZC02F005SH | R902123845 |
| A4VG40EP4DT1/32R-NZC02F013DH | R902110895 |
| A4VG40EZ1DM1/32R-NSC02N003EH-ES | R902133059 |
| A4VG40EZ1DM1/32R-NSC02N003EH-ES | R902136038 |
| A4VG40EZ2D1/32R-NSC02F003SH | R902097006 |
| A4VG40EZ2D1/32R-NSC03F003SH | R902120228 |
| A4VG40EZ2D1/32R-NZC02F015SH | R902097673 |
| A4VG40EZ2DM1/32R-NSC02F005DH | R902072898 |
| A4VG40HD3D1/32L-NSC02F006F | R902111180 |
| A4VG40HD3D1/32L-NSC02F00XL-S | R902111192 |
| A4VG40HD3D1/32L-NSC02F015P | R902111200 |
| A4VG40HD3D1/32R-NSC02F023D | R902131344 |
| A4VG40HD3D1/32R-NSC02F025S | R902111163 |
| A4VG40HD3D1/32R-NSC02K015E | R902136130 |
| A4VG40HD3D1/32R-NSC02K095E | R902111161 |
| A4VG40HD3D1/32R-NUC02K015E | R902111164 |
| A4VG40HD3D1/32R-NZC02F003D | R902120041 |
| A4VG40HD3D1/32R-NZC02F005D | R902131627 |
| A4VG40HD3D1/32R-NZC02F006D | R902111190 |
| A4VG40HD3D2/32R-NAC02F095K | R902111236 |
| A4VG40HD3D2/32R-NUC02F005K | R902117485 |
| A4VG40HD3D2/32R-NZC02F013S | R902111195 |
| A4VG40HD3D2/32R-NZC02F023S | R902111154 |
| A4VG40HD3DM1/32R-NSC02F045M | R902111173 |
| A4VG40HD3DM1/32R-NSC02F046P | R902111228 |
| A4VG40HD3DM2/32R-NSC02F016M | R902111231 |
| A4VG40HD3DT1/32L-NAC02F043D | R902111178 |
| A4VG40HD3DT1/32R-NSC02F025M | R902111207 |
| A4VG40HD3DT2/32R-NZC02F015S | R902120194 |
| A4VG40HWD1/32L-NSC02F003D | R902067355 |
| A4VG40HWD1/32R-NSC02F003D | R902020728 |
| A4VG40HWD2/32R-NZC02F013S | R902021034 |
| A4VG40NVDM1/32L-NAC02F023L | R902037396 |
| A4VG40NVDT1/32L-NZC02F015S-S | R902019985 |
| A4VG40NVDT1/32R-NZC02F015S-S | R902019963 |
| A4VG56DA1D2/32L-NSC02F016SH | R902055073 |
| A4VG56DA1D2/32L-NZC02F005SP | R902136420 |
| A4VG56DA1D2/32R-NAC02F025SH | R902074357 |
| A4VG56DA1D2/32R-NAC02F075SH-S | R902056865 |
| A4VG56DA1D2/32R-NSC02F005SH | R902074181 |
| A4VG56DA1D2/32R-NTC02F003SH | R902055084 |
| A4VG56DA1D2/32R-NTC02F025SH | R902076706 |
| A4VG56DA1D2/32R-NZC02F005FQ-E | R902117149 |
| A4VG56DA1D2/32R-NZC02F005SH-S | R902055089 |
| A4VG56DA1D2/32R-NZC02F015SH | R902075761 |
| A4VG56DA1D2/32R-NZC02F023SH | R902055094 |
| A4VG56DA1D2/32R-NZC02F023SH-S | R902055096 |
| A4VG56DA1D2/32R-NZC02F025FH | R902055102 |
| A4VG56DA1D2/32R-NZC02F025SH | R902055105 |
| A4VG56DA1D3L/32R-NSC02F013DH | R902055109 |
| A4VG56DA1D3L/32R-NZC02F005FH | R902131822 |
| A4VG56DA1D3L/32R-NZC02F013SH | R902055112 |
| A4VG56DA1D3L/32R-NZC02F015DH | R902055114 |
| A4VG56DA1D3L/32R-NZC02F015SH | R902055115 |
| A4VG56DA1D3L/32R-NZC02F023SH | R902055116 |
| A4VG56DA1D3L/32R-NZC02F025SH | R902055119 |
| A4VG56DA1D3L/32R-NZC02F025SH-S | R902061278 |
| A4VG56DA1D3R/32R-NAC02F025FH | R902055125 |
| A4VG56DA1D3R/32R-NSC02F025SH | R902055126 |
| A4VG56DA1D3R/32R-NZC02F025SH | R902055132 |
| A4VG56DA1D4/32R-NAC02F075SH | R902055134 |
| A4VG56DA1D4/32R-NZC02F005FH | R902112820 |
| A4VG56DA1D4/32R-NZC02F005SH | R902055135 |
| A4VG56DA1D4/32R-NZC02F013FH | R902055136 |
| A4VG56DA1D4/32R-NZC02F015SH-S | R902071997 |
| A4VG56DA1D4/32R-NZC02F025SH | R902055139 |
| A4VG56DA1D4/32R-NZC02F025SH | R902085991 |
| A4VG56DA1D7/32R-NAC02F045SH-S | R902094108 |
| A4VG56DA1D7/32R-NAC02F075SH | R902088173 |
| A4VG56DA1D7/32R-NZC02F005SH | R902055151 |
| A4VG56DA1D7/32R-NZC02F025LH | R902055154 |
| A4VG56DA1D7/32R-NZC02F025SQ | R902112696 |
| A4VG56DA1D7/32R-NZC03F005SH-ES | R902117306 |
| A4VG56DA1D7/32R-NZC03F025SH-S | R902117296 |
| A4VG56DA1D8/32R-NAC02F005SH | R902055161 |
| A4VG56DA1D8/32R-NAC02F015ST *AL* | R902079568 |
| A4VG56DA1D8/32R-NAC02F045SH | R902055163 |
| A4VG56DA1D8/32R-NAC02F075SH | R902068439 |
| A4VG56DA1D8/32R-NSC02F015SH | R902055164 |
| A4VG56DA1D8/32R-NSC02F025SH | R902055165 |
| A4VG56DA1D8/32R-NSC02F045MH | R902072726 |
| A4VG56DA1D8/32R-NTC02F015SH | R902055167 |
| A4VG56DA1D8/32R-NTC02F025SH | R902055168 |
| A4VG56DA1D8/32R-NZC02F005SH | R902055170 |
| A4VG56DA1D8/32R-NZC02F015SH | R902055173 |
| A4VG56DA1D8/32R-NZC02F015SH | R902055174 |
| A4VG56DA1D8/32R-NZC02F025SH | R902055182 |
| A4VG56DA1D8/32R-NZC02F025SH | R902055179 |
| A4VG56DA1D8/32R-NZC02F025SH | R902055180 |
| A4VG56DA1DM2/32R-NAC02F025PH | R902087822 |
| A4VG56DA1DM2/32R-NZC02F015PH | R902085616 |
| A4VG56DA1DM3R/32R-NAC02F045FH | R902118153 |
| A4VG56DA1DT2/32L-NZC02F025SH-S | R902055062 |
| A4VG56DA1DT2/32R-NAC02F075SH-S | R902127376 |
| A4VG56DA1DT2/32R-NZC02F025SH-S | R902055064 |
| A4VG56DA1DT3L/32R-NZC02F025SH | R902055066 |
| A4VG56DA1DT4/32R-NZC02F023SH | R902055067 |
| A4VG56DA1DT4/32R-NZC02F025SH | R902055068 |
| A4VG56DA2D2/32L-NSC02F005DH | R902055199 |
| A4VG56DA2D2/32L-NZC02F005SH | R902055200 |
| A4VG56DA2D2/32R-NSC02F005SH | R902055203 |
| A4VG56DA2D2/32R-NSC02F045MH | R902055207 |
| A4VG56DA2D2/32R-NSC02F075DH | R902067079 |
| A4VG56DA2D2/32R-NTC02F045SH | R902118401 |
| A4VG56DA2D2/32R-NTC02F073SH | R902055208 |
| A4VG56DA2D2/32R-NZC02F005SH | R902055209 |
| A4VG56DA2D2/32R-NZC02F015LH | R902055212 |
| A4VG56DA2D2/32R-NZC02F015SH | R902079875 |
| A4VG56DA2D2/32R-NZC02F015SH-S | R902055213 |
| A4VG56DA2D2/32R-NZC02F025SH | R902094333 |
| A4VG56DA2D3L/32R-NZC02F005SH | R902072803 |
| A4VG56DA2D3L/32R-NZC02F023SH | R902120341 |
| A4VG56DA2D3R/32R-NZC02F045SH | R902055217 |
| A4VG56DA2D4/32R-NAC02F075SH | R902067074 |
| A4VG56DA2D4/32R-NZC02F015SH | R902102187 |
| A4VG56DA2D8/32R-NAC02F075SH | R902055218 |
| A4VG56DA2D8/32R-NSC02F025MH | R902055219 |
| A4VG56DA2DM2/32R-NAC02F075SH | R902088379 |
| A4VG56DA2DM4/32R-NZC02F015SH | R902075609 |
| A4VG56DA2DT2/32L-NSC02F025SH | R902055190 |
| A4VG56DA2DT2/32L-NZC02F005SH | R902055191 |
| A4VG56DA2DT2/32L-NZC02F015SH | R902055192 |
| A4VG56DA2DT2/32R-NZC02F005SH | R902055193 |
| A4VG56DA2DT3L/32R-NZC02F045PH | R902055194 |
| A4VG56DA2DT3L/32R-NZC02F045SH | R902055195 |
| A4VG56DA2DT3R/32R-NAC02F043SH | R902055196 |
| A4VG56DA2DT4/32R-NZC02F005FH | R902090986 |
| A4VG56DA2DT7/32R-NZC02F025SH | R902055197 |
| A4VG56DGD1/32L-NSC02F045D | R902026724 |
| A4VG56DGD1/32R-NAC02F075S | R902028338 |
| A4VG56DGD1/32R-NSC02F005S | R902019821 |
| A4VG56DGD1/32R-NSC02F015S | R902105151 |
| A4VG56DGD1/32R-NZC02F005S | R902032204 |
| A4VG56DGD1/32R-NZC02F015S | R902019834 |
| A4VG56DGD2/32L-NSC02F023S | R902079606 |
| A4VG56DGD2/32R-NAC02F013S | R902069491 |
| A4VG56DGD2/32R-NSC02F023S | R902019810 |
| A4VG56DGD2/32R-NZC02F005S | R902036468 |
| A4VG56DGD2/32R-NZC02F015S | R902036470 |
| A4VG56DGDM1/32L-NSC02F005S | R902029064 |
| A4VG56DGDM1/32R-NAC02F075P | R902119078 |
| A4VG56DGDM1/32R-NSC02F005S | R902066925 |
| A4VG56DGDM1/32R-NSC02F045P | R902119077 |
| A4VG56DGDM1/32R-NSC02F075D | R902029065 |
| A4VG56DGDMT1/32R-NSC02K015E | R902029150 |
| A4VG56DGDT1/32R-NSC02F005B | R902149735 |
| A4VG56DGDT1/32R-NSC02F075B | R902146087 |
| A4VG56DWDT1/32R-NZC02F003D-S | R902042592 |
| A4VG56EP3D1/32L-NSC02F003SH | R902111347 |
| A4VG56EP3D1/32L-NTC02F073SH | R902111369 |
| A4VG56EP3D1/32L-NZC02F003SH | R902111346 |
| A4VG56EP3D1/32R-NAC02F073SH | R902111394 |
| A4VG56EP3D1/32R-NSC02F023SH | R902111416 |
| A4VG56EP3D1/32R-NSC02F043FH | R902111454 |
| A4VG56EP3D1/32R-NSC02F073FH | R902111356 |
| A4VG56EP3D1/32R-NZC02F003DH | R902111435 |
| A4VG56EP3D3L/32R-NSC02F023SH | R902112688 |
| A4VG56EP3D3L/32R-NSC02F043SH | R902111393 |
| A4VG56EP3D3L/32R-NSC02F043SH | R902110953 |
| A4VG56EP3D3L/32R-NSC02F043SH-E | R902092923 |
| A4VG56EP3D3L/32R-NZC02F025SH | R902111340 |
| A4VG56EP3DT1/32R-NZC02F075SH | R902120150 |
| A4VG56EP4D1/32L-NAC02F003DH | R902111516 |
| A4VG56EP4D1/32L-NAC02F005DH | R902111670 |
| A4VG56EP4D1/32L-NAC02F073SP | R902131386 |
| A4VG56EP4D1/32L-NAC02F075LH | R902111668 |
| A4VG56EP4D1/32L-NAC02F075SP | R902131969 |
| A4VG56EP4D1/32L-NAC02K025EP | R902111805 |
| A4VG56EP4D1/32L-NSC02F005LH | R902111637 |
| A4VG56EP4D1/32L-NSC02F013SP | R902111807 |
| A4VG56EP4D1/32L-NSC02F023DP | R902134204 |
| A4VG56EP4D1/32L-NSC02F025SP | R902117080 |
| A4VG56EP4D1/32L-NTC02F045SH | R902111710 |
| A4VG56EP4D1/32L-NZC02F003SH | R902111533 |
| A4VG56EP4D1/32L-NZC02F013SP | R902111823 |
| A4VG56EP4D1/32L-NZC02F043SP | R902111817 |
| A4VG56EP4D1/32R-NAC02F005LH | R902111713 |
| A4VG56EP4D1/32R-NAC02F045DH | R902111704 |
| A4VG56EP4D1/32R-NAC02F075SH | R902111625 |
| A4VG56EP4D1/32R-NAC02F075SP | R902118408 |
| A4VG56EP4D1/32R-NSC02F003DH | R902111521 |
| A4VG56EP4D1/32R-NSC02F003DP | R902120094 |
| A4VG56EP4D1/32R-NSC02F003PH | R902111644 |
| A4VG56EP4D1/32R-NSC02F005DH | R902111509 |
| A4VG56EP4D1/32R-NSC02F013SP | R902111809 |
| A4VG56EP4D1/32R-NSC02F015DH | R902111629 |
| A4VG56EP4D1/32R-NSC02F015SH | R902111528 |
| A4VG56EP4D1/32R-NSC02F023DP | R902123579 |
| A4VG56EP4D1/32R-NSC02F025SP | R902118409 |
| A4VG56EP4D1/32R-NSC02F043DH | R902111586 |
| A4VG56EP4D1/32R-NSC02F075DH | R902111508 |
| A4VG56EP4D1/32R-NTC02F073SP | R902111810 |
| A4VG56EP4D1/32R-NTC02F075SH | R902111591 |
| A4VG56EP4D1/32R-NZC02F003FH | R902111594 |
| A4VG56EP4D1/32R-NZC02F003SH | R902111532 |
| A4VG56EP4D1/32R-NZC02F003SP | R902111808 |
| A4VG56EP4D1/32R-NZC02F005DP | R902118495 |
| A4VG56EP4D1/32R-NZC02F005SH | R902111583 |
| A4VG56EP4D1/32R-NZC02F006DH | R902111751 |
| A4VG56EP4D1/32R-NZC02F023DP | R902138551 |
| A4VG56EP4D2/32L-NSC02F075FH | R902111702 |
| A4VG56EP4D2/32R-NSC02F005BP-S | R902129126 |
| A4VG56EP4D2/32R-NZC02F005SH | R902111584 |
| A4VG56EP4D2/32R-NZC02F015SH | R902111517 |
| A4VG56EP4D2/32R-NZC02F045PH | R902111717 |
| A4VG56EP4DM1/32L-NSC02F005FH | R902112738 |
| A4VG56EP4DM1/32L-NSC02F015SH | R902111582 |
| A4VG56EP4DM1/32R-NSC02F025PH | R902111724 |
| A4VG56EP4DM1/32R-NZC02F006DH | R902129209 |
| A4VG56EP4DM1/32R-NZC02F075FH | R902118125 |
| A4VG56EP4DM2/32R-NZC02F015SH | R902111559 |
| A4VG56EP4DT1/32L-NAC02F013DH | R902111545 |
| A4VG56EP4DT1/32L-NSC02F005SP | R902136397 |
| A4VG56EP4DT1/32L-NZC02F013SH | R902120148 |
| A4VG56EP4DT1/32R-NAC02F005BP-S | R902133198 |
| A4VG56EP4DT1/32R-NAC02F075BP | R902149733 |
| A4VG56EP4DT1/32R-NSC02F005BP | R902149706 |
| A4VG56EP4DT1/32R-NSC02N003EH | R902111616 |
| A4VG56EP4DT1/32R-NTC02F075BP-S | R902146089 |
| A4VG56EP4DT2/32L-NZC02F015SH | R902146058 |
| A4VG56EP4DT7/32R-NAC02F075SP | R902149849 |
| A4VG56EP4DT7/32R-NSC02F015SP | R902149851 |
| A4VG56EZ1D1/32R-NSC02F003DH | R902055017 |
| A4VG56EZ1D1/32R-NSC02F023SH | R902055018 |
| A4VG56EZ1D1/32R-NSC02F025SH | R902053291 |
| A4VG56EZ1DM1/32R-NZC02F023SH | R902055016 |
| A4VG56EZ2D1/32L-NZC02F003SH | R902055036 |
| A4VG56EZ2D1/32L-NZC02F005SH | R902083151 |
| A4VG56EZ2D1/32R-NSC02F015SH | R902055037 |
| A4VG56EZ2D1/32R-NZC02F013SH | R902055053 |
| A4VG56EZ2DM1/32L-NSC02F003DH | R902053368 |
| A4VG56EZ2DM1/32L-NSC02F003FH | R902066499 |
| A4VG56EZ2DM1/32L-NSC02F023SH | R902055025 |
| A4VG56EZ2DM1/32R-NSC02F003FH | R902087039 |
| A4VG56EZ2DM1/32R-NSC02F003FH *AL* | R902083944 |
| A4VG56EZ2DM1/32R-NSC02F004SH | R902055026 |
| A4VG56EZ2DM1/32R-NSC02F005DH | R902066728 |
| A4VG56EZ2DM1/32R-NSC02F005SP-S | R902131629 |
| A4VG56EZ2DM1/32R-NSC02F013FH | R902068430 |
| A4VG56EZ2DM1/32R-NSC02F013LH | R902068492 |
| A4VG56EZ2DM1/32R-NSC02F013SH | R902068406 |
| A4VG56EZ2DM1/32R-NSC02F023SH | R902066704 |
| A4VG56EZ2DT1/32L-NSC02F003SH | R902055033 |
| A4VG56HD3D1/32L-NSC02F003D | R902111880 |
| A4VG56HD3D1/32L-NSC02F00XL-S | R902111945 |
| A4VG56HD3D1/32L-NSC02F01XL-S | R902111981 |
| A4VG56HD3D1/32L-NSC02F023D | R902111866 |
| A4VG56HD3D1/32L-NSC02F073D | R902111867 |
| A4VG56HD3D1/32L-NTC02F015F | R902111938 |
| A4VG56HD3D1/32L-NTC02F025F | R902111937 |
| A4VG56HD3D1/32L-NZC02F003S | R902111983 |
| A4VG56HD3D1/32L-NZC02F005S | R902131527 |
| A4VG56HD3D1/32R-NSC02F003D | R902111872 |
| A4VG56HD3D1/32R-NSC02F003F | R902111941 |
| A4VG56HD3D1/32R-NSC02F025S | R902111904 |
| A4VG56HD3D1/32R-NSC02F045S | R902111912 |
| A4VG56HD3D1/32R-NZC02F003D | R902111976 |
| A4VG56HD3D1/32R-NZC02F005S | R902111957 |
| A4VG56HD3D1/32R-NZC02F025S | R902117336 |
| A4VG56HD3D2/32R-NZC02F005S | R902111891 |
| A4VG56HD3D2/32R-NZC02F015S | R902111861 |
| A4VG56HD3D2/32R-NZC02F045S | R902111929 |
| A4VG56HD3DM1/32R-NZC02F013D-E | R902092924 |
| A4VG56HD3DM2/32R-NSC02F026M | R902111980 |
| A4VG56HD3DMT1/32L-NSC02F003D | R902111869 |
| A4VG56HD3DMT1/32L-NSC02F045S | R902112477 |
| A4VG56HD3DMT1/32L-NTC02F015P | R902137297 |
| A4VG56HD3DMT1/32R-NZC02F005D | R902111908 |
| A4VG56HD3DT1/32L-NAC02F043D | R902111985 |
| A4VG56HD3DT1/32R-NZC02F015L | R902111927 |
| A4VG56HD3DT1/32R-NZC02F025S | R902111868 |
| A4VG56HD3DT2/32R-NSC02F025S | R902111986 |
| A4VG56HWD1/32L-NAC02F023S | R902021198 |
| A4VG56HWD1/32L-NAC02F043S | R902021200 |
| A4VG56HWD1/32L-NZC02F003S | R902021192 |
| A4VG56HWD1/32L-NZC02F023S | R902021197 |
| A4VG56HWD1/32R-NAC02F013S | R902020865 |
| A4VG56HWD1/32R-NAC02F043D | R902068274 |
| A4VG56HWD1/32R-NAC02F043S | R902021199 |
| A4VG56HWD1/32R-NSC02F003D | R902020665 |
| A4VG56HWD1/32R-NSC02F003S | R902050087 |
| A4VG56HWD1/32R-NSC02F005S | R902020681 |
| A4VG56HWD1/32R-NSC02F015S | R902020682 |
| A4VG56HWD1/32R-NSC02F025S | R902034655 |
| A4VG56HWD1/32R-NZC02F003S | R902021191 |
| A4VG56HWD1/32R-NZC02F005L | R902074496 |
| A4VG56HWD1/32R-NZC02F005S | R902020855 |
| A4VG56HWD1/32R-NZC02F013S | R902021193 |
| A4VG56HWD1/32R-NZC02F015S | R902028097 |
| A4VG56HWD1/32R-NZC02N003E | R902055527 |
| A4VG56HWD2/32R-NAC02F073S | R902149588 |
| A4VG56HWD2/32R-NAC02F075S | R902034654 |
| A4VG56HWD2/32R-NSC02F025L | R902029396 |
| A4VG56HWD2/32R-NZC02F003S | R902080089 |
| A4VG56HWD2/32R-NZC02F005S | R902036476 |
| A4VG56HWD2/32R-NZC02F015S | R902021449 |
| A4VG56HWD3L/32L-NZC02F045S | R902066527 |
| A4VG56HWD3L/32R-NTC02F023P | R902075760 |
| A4VG56HWD3L/32R-NTC02F023P | R902053274 |
| A4VG56HWD3L/32R-NTC02F025P | R902074000 |
| A4VG56HWD3L/32R-NZC02F003D | R902020688 |
| A4VG56HWD3L/32R-NZC02F003S | R902020649 |
| A4VG56HWD3L/32R-NZC02F005D | R902030054 |
| A4VG56HWD3L/32R-NZC02F005F | R902044475 |
| A4VG56HWD3L/32R-NZC02F043S | R902021203 |
| A4VG56HWDL1/32L-NSC02F005S | R902131807 |
| A4VG56HWDLT1/32R-NZC02K045E | R902117175 |
| A4VG56HWDLT1/32R-NZC02N003E | R902117191 |
| A4VG56HWDM1/32R-NSC02F003P | R902051171 |
| A4VG56HWDM1/32R-NSC02F003S | R902020690 |
| A4VG56HWDM1/32R-NSC02F005S | R902066522 |
| A4VG56HWDM2/32R-NAC02F073S | R902020656 |
| A4VG56HWDT1/32R-NAC02F075F | R902039239 |
| A4VG56HWDT1/32R-NSC02F005F | R902039238 |
| A4VG56HWDT1/32R-NSC02F005S | R902074212 |
| A4VG56HWDT1/32R-NZC02F015D | R902020680 |
| A4VG56HWDT1/32R-NZC02F016K | R902108182 |
| A4VG56HWDT1/32R-NZC02F025S | R902118307 |
| A4VG56HWDT1/32R-NZC02F045D | R902146350 |
| A4VG56HWDT1/32R-NZC02F045S | R902020694 |
| A4VG56NVD1/32R-NZC02F003S | R902021154 |
| A4VG56NVDM1/32R-NSC02F023S | R902048141 |
| A4VG56NVDM1/32R-NSC02F025S | R902074321 |
| A4VG56NVDM1/32R-NSC02F025S | R902071982 |
| A4VG56NVDT1/32L-NZC02F025S-S | R902019830 |
| A4VG56NVDT1/32L-NZC02F045S-S | R902028052 |
| A4VG56NVDT1/32R-NZC02F025S-S | R902019812 |
| A4VG71DA1D2/32R-NAF02F001DQ | R902096442 |
| A4VG71DA1D2/32R-NAF02F021BP | R902131753 |
| A4VG71DA1D2/32R-NAF02F021FP | R902122106 |
| A4VG71DA1D2/32R-NAF02F021SH | R902055299 |
| A4VG71DA1D2/32R-NAF02F041SH | R902085674 |
| A4VG71DA1D2/32R-NSF02F011PP | R902089470 |
| A4VG71DA1D2/32R-NSF02F021PH | R902062981 |
| A4VG71DA1D2/32R-NTF02F071SH | R902055302 |
| A4VG71DA1D2/32R-NZF02F001SH-S | R902055306 |
| A4VG71DA1D2/32R-NZF02F011SH | R902070468 |
| A4VG71DA1D2/32R-NZF02F021BP-S | R902120347 |
| A4VG71DA1D2/32R-NZF02F021PH | R902061820 |
| A4VG71DA1D2/32R-NZF02F021SH | R902099510 |
| A4VG71DA1D2/32R-NZF02F021SH-S | R902055309 |
| A4VG71DA1D2/32R-NZF02F021SP-S | R902118172 |
| A4VG71DA1D2/32R-NZF02F021SQ | R902136173 |
| A4VG71DA1D2/32R-NZF02F021ST *AL* | R902072879 |
| A4VG71DA1D2/32R-NZF02F041DH | R902055313 |
| A4VG71DA1D2/32R-NZF02F041FH | R902087092 |
| A4VG71DA1D2/32R-NZF02F041SH | R902055314 |
| A4VG71DA1D2/32R-NZF02F041SH | R902099508 |
| A4VG71DA1D2/32R-NZF02F071SH | R902055315 |
| A4VG71DA1D3L/32R-NZF02F021FH | R902068043 |
| A4VG71DA1D3L/32R-NZF02F021PH | R902055319 |
| A4VG71DA1D3L/32R-NZF02F021SH | R902055322 |
| A4VG71DA1D3L/32R-NZF02F021SH | R902055320 |
| A4VG71DA1D3L/32R-NZF02F041FH | R902055324 |
| A4VG71DA1D3L/32R-NZF02F041SH | R902055325 |
| A4VG71DA1D3R/32R-NZF02F011SH *AL* | R902106387 |
| A4VG71DA1D3R/32R-NZF02F021FH | R902055326 |
| A4VG71DA1D3R/32R-NZF02F021SH | R902089266 |
| A4VG71DA1D3R/32R-NZF02F021SH | R902076906 |
| A4VG71DA1D3R/32R-NZF02F041SH | R902055329 |
| A4VG71DA1D4/32R-NTF02F001SH | R902055331 |
| A4VG71DA1D4/32R-NZF02F001SH | R902055332 |
| A4VG71DA1D4/32R-NZF02F021DH | R902087940 |
| A4VG71DA1D4/32R-NZF02F021FH | R902072783 |
| A4VG71DA1D4/32R-NZF02F021SH | R902055334 |
| A4VG71DA1D4/32R-NZF02F041SH | R902108219 |
| A4VG71DA1D4/32R-NZF02F071SH | R902096146 |
| A4VG71DA1D7/32R-NAF02F021LH | R902055336 |
| A4VG71DA1D7/32R-NSF02F041SH | R902055338 |
| A4VG71DA1D7/32R-NZF02F001SH | R902055339 |
| A4VG71DA1D7/32R-NZF02F011SH | R902055345 |
| A4VG71DA1D7/32R-NZF02F021SH | R902055346 |
| A4VG71DA1D7/32R-NZF02F041DH | R902064361 |
| A4VG71DA1D7/32R-NZF02F041SH | R902096355 |
| A4VG71DA1D8/32R-NAF02F001LT *AL* | R902087711 |
| A4VG71DA1D8/32R-NSF02F021BP | R902131523 |
| A4VG71DA1D8/32R-NTF02F001SP | R902118137 |
| A4VG71DA1D8/32R-NZF02F001SH | R902055351 |
| A4VG71DA1D8/32R-NZF02F011SH | R902053219 |
| A4VG71DA1D8/32R-NZF02F021SH | R902055359 |
| A4VG71DA1D8/32R-NZF02F021ST *AL* | R902081463 |
| A4VG71DA1D8/32R-NZF02F041LH | R902055364 |
| A4VG71DA1D8/32R-NZF02F041SH | R902146147 |
| A4VG71DA1D8/32R-NZF02F071SH | R902138655 |
| A4VG71DA1DM2/32R-NZF02F001FH | R902074048 |
| A4VG71DA1DM2/32R-NZF02F021FH | R902094065 |
| A4VG71DA1DM2/32R-NZF02F041DH | R902059258 |
| A4VG71DA1DM4/32R-NZF02F001FH | R902056236 |
| A4VG71DA1DM8/32R-NSF02F041MH | R902097376 |
| A4VG71DA1DM8/32R-NZF02F001SH | R902066934 |
| A4VG71DA1DM8/32R-NZF02F011SH | R902055290 |
| A4VG71DA1DM8/32R-NZF02F021FP | R902102083 |
| A4VG71DA1DT2/32L-NTF02F021SH | R902055291 |
| A4VG71DA1DT3L/32R-NZF02F021FH | R902112830 |
| A4VG71DA1DT3L/32R-NZF02F021SH | R902094443 |
| A4VG71DA1DT4/32R-NZF02F001DH | R902089043 |
| A4VG71DA1DT7/32R-NZF02F021FH | R902055294 |
| A4VG71DA1DT7/32R-NZF02F021FH-S | R902055295 |
| A4VG71DA2D2/32L-NAF02F001SH | R902059456 |
| A4VG71DA2D2/32L-NSF02F071LH | R902071915 |
| A4VG71DA2D2/32L-NSF02F071SH | R902069486 |
| A4VG71DA2D2/32L-NTF02F021SH | R902058781 |
| A4VG71DA2D2/32R-NAF02F041SP | R902089657 |
| A4VG71DA2D2/32R-NSF02F001DH | R902063237 |
| A4VG71DA2D2/32R-NSF02F001FH | R902055377 |
| A4VG71DA2D2/32R-NSF02F021DH | R902074003 |
| A4VG71DA2D2/32R-NSF02F021SH | R902055380 |
| A4VG71DA2D2/32R-NSF02F021SH-S | R902089352 |
| A4VG71DA2D2/32R-NTF02F021SH | R902064999 |
| A4VG71DA2D2/32R-NZF02F001DH | R902055382 |
| A4VG71DA2D2/32R-NZF02F001SH | R902055383 |
| A4VG71DA2D2/32R-NZF02F011SH | R902055385 |
| A4VG71DA2D2/32R-NZF02F021FH | R902074081 |
| A4VG71DA2D2/32R-NZF02F021SH | R902055387 |
| A4VG71DA2D2/32R-NZF02F041SP | R902106120 |
| A4VG71DA2D3L/32L-NZF02F001SP | R902138545 |
| A4VG71DA2D3L/32R-NZF02F021FH | R902055388 |
| A4VG71DA2D3R/32R-NSF02F001LH | R902066167 |
| A4VG71DA2D3R/32R-NSF02F021SH | R902055389 |
| A4VG71DA2D3R/32R-NSF02F071FH | R902079783 |
| A4VG71DA2D3R/32R-NSF02F071KH | R902081103 |
| A4VG71DA2D3R/32R-NZF02F001SH | R902070405 |
| A4VG71DA2D4/32R-NZF02F001PH | R902055390 |
| A4VG71DA2D4/32R-NZF02F001SH | R902055391 |
| A4VG71DA2D4/32R-NZF02F011FH | R902062559 |
| A4VG71DA2D7/32R-NAF02F021LH | R902055392 |
| A4VG71DA2D7/32R-NZF02F021SH | R902055393 |
| A4VG71DA2D7/32R-NZF02F021SP | R902085521 |
| A4VG71DA2D8/32L-NZF02F001DH-S | R902055394 |
| A4VG71DA2D8/32R-NAF02F021FH | R902055395 |
| A4VG71DA2D8/32R-NSF02F021MH | R902066702 |
| A4VG71DA2D8/32R-NZF02F011SH | R902103782 |
| A4VG71DA2DM2/32R-NZF02F021DH | R902072864 |
| A4VG71DA2DM2/32R-NZF02F041DH | R902061431 |
| A4VG71DA2DM8/32R-NSF02F041BH | R902149719 |
| A4VG71DA2DT2/32L-NAF02F071LH | R902074123 |
| A4VG71DA2DT2/32L-NZF02F001LH | R902079866 |
| A4VG71DA2DT2/32L-NZF02F011LH | R902079867 |
| A4VG71DA2DT2/32L-NZF02F021SH-S | R902055369 |
| A4VG71DA2DT2/32R-NSF02F041MH | R902055373 |
| A4VG71DA2DT2/32R-NZF02F021SH-S | R902055374 |
| A4VG71DA2DT7/32R-NZF02F021SH | R902055376 |
| A4VG71DA2DT8/32R-NAF02F071SH | R902074324 |
| A4VG71DE1D1/32R-NZF02F041SP-S | R902112809 |
| A4VG71DGD1/32L-NSF02F001F | R902050234 |
| A4VG71DGD1/32L-NSF02F001L | R902041339 |
| A4VG71DGD1/32L-NSF02F021D | R902074668 |
| A4VG71DGD1/32R-NSF02F001S | R902022066 |
| A4VG71DGD1/32R-NTF02F041M | R902097294 |
| A4VG71DGD1/32R-NZF02F001S | R902022052 |
| A4VG71DGD1/32R-NZF02F011S | R902036478 |
| A4VG71DGD1/32R-NZF02F021S | R902036480 |
| A4VG71DGD1/32R-NZF02F041S | R902131623 |
| A4VG71DGD2/32R-NSF02F011S | R902022070 |
| A4VG71DGD2/32R-NZF02F001S | R902036482 |
| A4VG71DGD2/32R-NZF02F011S | R902022084 |
| A4VG71DGD2/32R-NZF02F021S | R902022055 |
| A4VG71DGD2/32R-NZF02F041S | R902149626 |
| A4VG71DGDM1/32R-NSF02F001S-S | R902022085 |
| A4VG71DGDM1/32R-NSF02F021S-S | R902081811 |
| A4VG71DGDT1/32L-NTF02F021S | R902041224 |
| A4VG71DWDMT1/32R-NSF02F021P-S | R902106203 |
| A4VG71EP3D1/32R-NAF02F041FP | R902113168 |
| A4VG71EP3D1/32R-NAF02F071DP | R902133122 |
| A4VG71EP3D1/32R-NSF02F001FP | R902137257 |
| A4VG71EP3D1/32R-NZF02F011SH | R902112202 |
| A4VG71EP3D3L/32R-NZF02F021SH | R902112269 |
| A4VG71EP3DM2/32R-NAF02F071SH | R902112192 |
| A4VG71EP3DM2/32R-NZF02F071SH | R902112249 |
| A4VG71EP3DM3L/32R-NZF02F021SH | R902112250 |
| A4VG71EP3DT1/32R-NAF02F071FP | R902118298 |
| A4VG71EP4D1/32L-NAF02F021FH | R902112437 |
| A4VG71EP4D1/32L-NAF02F041FH | R902112393 |
| A4VG71EP4D1/32L-NSF02F001DH | R902112290 |
| A4VG71EP4D1/32L-NSF02F001DP | R902136365 |
| A4VG71EP4D1/32L-NSF02F001FH | R902112360 |
| A4VG71EP4D1/32L-NSF02F001PP | R902113146 |
| A4VG71EP4D1/32L-NSF02F021FH | R902112412 |
| A4VG71EP4D1/32L-NSF02F021SH | R902112449 |
| A4VG71EP4D1/32L-NSF02F071DP | R902134126 |
| A4VG71EP4D1/32L-NTF02F001SH-S | R902113036 |
| A4VG71EP4D1/32L-NZF02F001DH | R902112367 |
| A4VG71EP4D1/32L-NZF02F001SH | R902112442 |
| A4VG71EP4D1/32L-NZF02F001SP | R902119026 |
| A4VG71EP4D1/32L-NZF02F011SP | R902118435 |
| A4VG71EP4D1/32R-NAF02F071DH | R902112317 |
| A4VG71EP4D1/32R-NAF02F071PP | R902119294 |
| A4VG71EP4D1/32R-NAF02F071SH-S | R902112303 |
| A4VG71EP4D1/32R-NSF02F001DH | R902112292 |
| A4VG71EP4D1/32R-NSF02F001DH-S | R902113040 |
| A4VG71EP4D1/32R-NSF02F001DP | R902113150 |
| A4VG71EP4D1/32R-NSF02F001SH | R902112297 |
| A4VG71EP4D1/32R-NSF02F001SP | R902113135 |
| A4VG71EP4D1/32R-NSF02F011DH | R902112316 |
| A4VG71EP4D1/32R-NSF02F011FP | R902113140 |
| A4VG71EP4D1/32R-NSF02F021DP | R902122004 |
| A4VG71EP4D1/32R-NSF02F021SH | R902112301 |
| A4VG71EP4D1/32R-NSF02F041DH | R902112423 |
| A4VG71EP4D1/32R-NSF02F041PH | R902112351 |
| A4VG71EP4D1/32R-NSF02F041SH | R902112324 |
| A4VG71EP4D1/32R-NTF02K021EH-S | R902112420 |
| A4VG71EP4D1/32R-NZF02F001DH | R902112287 |
| A4VG71EP4D1/32R-NZF02F001FH | R902112305 |
| A4VG71EP4D1/32R-NZF02F001LH | R902112314 |
| A4VG71EP4D1/32R-NZF02F001SH | R902112315 |
| A4VG71EP4D1/32R-NZF02F001SP | R902117372 |
| A4VG71EP4D1/32R-NZF02F011DH | R902113005 |
| A4VG71EP4D1/32R-NZF02F011SH | R902112298 |
| A4VG71EP4D1/32R-NZF02F021BP | R902138544 |
| A4VG71EP4D1/32R-NZF02F071DH | R902112387 |
| A4VG71EP4D1/32R-NZF02F071FP | R902113153 |
| A4VG71EP4D1/32R-NZF10F001DH-S | R902113055 |
| A4VG71EP4D1/32R-XSF02N00XEH-S | R902113075 |
| A4VG71EP4D2/32L-NSF02F001DH | R902112429 |
| A4VG71EP4D2/32L-NZF02F001DH | R902112428 |
| A4VG71EP4D8/32L-NSF02F001SH | R902117484 |
| A4VG71EP4DM1/32L-NSF02F001FH | R902113018 |
| A4VG71EP4DM1/32L-NSF02F001SH | R902112331 |
| A4VG71EP4DM1/32L-NSF02F011FH | R902113006 |
| A4VG71EP4DM1/32L-NSF02F011SH | R902112338 |
| A4VG71EP4DM1/32L-NZF02F001DH | R902112293 |
| A4VG71EP4DM1/32R-NAF02F011PH | R902113046 |
| A4VG71EP4DM1/32R-NSF02F021DH | R902137167 |
| A4VG71EP4DM1/32R-NZF02F001DH | R902112407 |
| A4VG71EP4DM1/32R-NZF02F011DH | R902113007 |
| A4VG71EP4DMT2/32R-NTF02F021DP | R902133313 |
| A4VG71EP4DT1/32L-NSF13F011SP-S | R902137357 |
| A4VG71EP4DT1/32L-NZF02F021FH | R902120152 |
| A4VG71EP4DT1/32R-NAF02F071DP | R902120087 |
| A4VG71EP4DT1/32R-NSF02F001DP | R902120088 |
| A4VG71EP4DT1/32R-NSF02F011FP | R902113137 |
| A4VG71EP4DT1/32R-NSF13F011SP-S | R902137355 |
| A4VG71EP4DT1/32R-NZF02F001SH | R902131490 |
| A4VG71EP4DT1/32R-NZF02F011DH | R902112441 |
| A4VG71EP4DT1/32R-NZF02F023SH-S | R902113028 |
| A4VG71EP4DT1/32R-NZF02F071SH | R902120154 |
| A4VG71EZ1D1/32R-NAF02F041BP | R902146110 |
| A4VG71EZ1D1/32R-NSF02F001SH | R902146240 |
| A4VG71EZ1D1/32R-NSF02F021SH | R902053290 |
| A4VG71EZ1DM1/32R-NSF02F021SH | R902096142 |
| A4VG71EZ1DT1/32R-NSF02F001SH | R902103913 |
| A4VG71EZ2D1/32L-NZF02F021SH | R902055266 |
| A4VG71EZ2D1/32R-NAF02F021DH | R902070469 |
| A4VG71EZ2D1/32R-NSF02F011SH | R902055267 |
| A4VG71EZ2DM1/32L-NAF02F011SH | R902064080 |
| A4VG71EZ2DM1/32L-NZF02F021S *GU* | R902018540 |
| A4VG71EZ2DM1/32L-NZF02F021SH | R902053110 |
| A4VG71EZ2DM1/32R-NSF02F001DQ | R902131812 |
| A4VG71EZ2DM1/32R-NSF02F011FH | R902072768 |
| A4VG71EZ2DM1/32R-NSF02F021SH | R902068428 |
| A4VG71EZ2DM1/32R-NSF02K021EH | R902074468 |
| A4VG71EZ2DM1/32R-NZF02F071LH | R902073327 |
| A4VG71EZ2DM1/32R-NZF02F071PH | R902053088 |
| A4VG71HD3D1/32L-NSF02F001D | R902113196 |
| A4VG71HD3D1/32L-NSF02F001L | R902113304 |
| A4VG71HD3D1/32L-NSF02F00XL-S | R902113257 |
| A4VG71HD3D1/32L-NSF02F01XL-S | R902113305 |
| A4VG71HD3D1/32L-NSF02F021D | R902113192 |
| A4VG71HD3D1/32L-NSF02F071D | R902113212 |
| A4VG71HD3D1/32L-NZF02F011D | R902113265 |
| A4VG71HD3D1/32L-NZF02F021D | R902113201 |
| A4VG71HD3D1/32R-NSF02F001D | R902113191 |
| A4VG71HD3D1/32R-NSF02F021D | R902113197 |
| A4VG71HD3D1/32R-NZF02F001S | R902113204 |
| A4VG71HD3D2/32L-NZF02F001D | R902113202 |
| A4VG71HD3D2/32R-NSF02F001F | R902113234 |
| A4VG71HD3D2/32R-NZF02F003F | R902113235 |
| A4VG71HD3DM1/32R-NZF02F001F | R902113199 |
| A4VG71HD3DMT1/32L-NTF02F011P | R902137302 |
| A4VG71HD3DMT1/32L-NTF02F011S | R902117452 |
| A4VG71HD3DT1/32L-NSF02F001D | R902113246 |
| A4VG71HD3DT1/32L-NZF02F001S | R902113240 |
| A4VG71HD3DT1/32L-NZF02F021S | R902113270 |
| A4VG71HD3DT1/32L-NZF02F041D | R902113237 |
| A4VG71HD3DT1/32R-NSF02F001S | R902113264 |
| A4VG71HD3DT1/32R-NZF02F011P | R902113285 |
| A4VG71HD3DT2/32L-NZF02F021S | R902113225 |
| A4VG71HWD1/32L-NSF02F001D | R902022358 |
| A4VG71HWD1/32L-NSF02F001P | R902076877 |
| A4VG71HWD1/32L-NSF02F001S | R902022650 |
| A4VG71HWD1/32L-NSF02F041S | R902037296 |
| A4VG71HWD1/32L-NTF02F001S | R902037864 |
| A4VG71HWD1/32L-NTF02F071S | R902022396 |
| A4VG71HWD1/32L-NZF02F001F | R902022664 |
| A4VG71HWD1/32L-NZF02F021S | R902022656 |
| A4VG71HWD1/32R-NAF02F011S | R902032142 |
| A4VG71HWD1/32R-NAF02F021S | R902022655 |
| A4VG71HWD1/32R-NSF02F001D | R902087045 |
| A4VG71HWD1/32R-NSF02F001P | R902069481 |
| A4VG71HWD1/32R-NSF02F001S | R902022647 |
| A4VG71HWD1/32R-NSF02F021S | R902022370 |
| A4VG71HWD1/32R-NTF02F021P | R902022379 |
| A4VG71HWD1/32R-NTF02F041S | R902064732 |
| A4VG71HWD1/32R-NTF02F071S | R902055573 |
| A4VG71HWD1/32R-NZF02F001D | R902046942 |
| A4VG71HWD1/32R-NZF02F001S | R902022645 |
| A4VG71HWD1/32R-NZF02F011S | R902022651 |
| A4VG71HWD1/32R-NZF02F021S | R902022654 |
| A4VG71HWD1/32R-NZF02K041E | R902076653 |
| A4VG71HWD2/32L-NZF02F011D | R902032118 |
| A4VG71HWD2/32L-NZF02F011S | R902022659 |
| A4VG71HWD2/32R-NSF02F001S | R902022371 |
| A4VG71HWD2/32R-NSF02F041D | R902071555 |
| A4VG71HWD2/32R-NSF02F071S | R902059034 |
| A4VG71HWD2/32R-NZF02F001S | R902036490 |
| A4VG71HWD2/32R-NZF02F011S | R902036492 |
| A4VG71HWD2/32R-NZF02F021S | R902022660 |
| A4VG71HWD2/32R-NZF02F071P | R902085703 |
| A4VG71HWD2/32R-NZF02F071S | R902022661 |
| A4VG71HWD3L/32R-NTF02F021P | R902053275 |
| A4VG71HWD3L/32R-NZF02F001P | R902044369 |
| A4VG71HWD3L/32R-NZF02F001P | R902074238 |
| A4VG71HWD3L/32R-NZF02F001S | R902022375 |
| A4VG71HWDL1/32R-NTF02F071S | R902146263 |
| A4VG71HWDM1/32L-NSF02F001S | R902046726 |
| A4VG71HWDM1/32R-NSF02F001S | R902061644 |
| A4VG71HWDM1/32R-NTF02F041S | R902022353 |
| A4VG71HWDM1/32R-NZF02F071S | R902023036 |
| A4VG71HWDM2/32R-NSF02F071S | R902023227 |
| A4VG71HWDM2/32R-NZF02F021S | R902046304 |
| A4VG71HWDM2/32R-NZF02F071S | R902046353 |
| A4VG71HWDM3L/32R-NZF02F021S | R902031038 |
| A4VG71HWDM3L/32R-NZF02F071S | R902033599 |
| A4VG71HWDMT1/32R-NAF02F021D | R902081356 |
| A4VG71HWDT1/32L-NAF02F001S | R902083451 |
| A4VG71HWDT1/32L-NAF02F011D | R902081221 |
| A4VG71HWDT1/32L-NAF02F011S | R902083390 |
| A4VG71HWDT1/32L-NZF02F001S | R902022832 |
| A4VG71HWDT1/32R-NAF02F021S | R902094373 |
| A4VG71HWDT1/32R-NAF02F071S | R902077704 |
| A4VG71HWDT1/32R-NAF02K071E | R902044172 |
| A4VG71HWDT1/32R-NSF02F001S | R902037429 |
| A4VG71HWDT1/32R-NTF02K071E | R902096312 |
| A4VG71HWDT1/32R-NTF02KXX1E-ES | R902092499 |
| A4VG71HWDT1/32R-NZF02F011S | R902041412 |
| A4VG71HWDT1/32R-NZF02F023S | R902041136 |
| A4VG71HWDT1/32R-NZF02F041D | R902079984 |
| A4VG71NVD1/32L-NZF02F001D | R902022077 |
| A4VG71NVD1/32R-NZF02F001S | R902022604 |
| A4VG71NVDM1/32R-NSF02F021S | R902074229 |
| A4VG71NVDT1/32L-NZF02F021D | R902088310 |
| A4VG71NVDT1/32L-NZF02F021S-S | R902022075 |
| A4VG71NVDT1/32R-NZF02F021S-S | R902022054 |
| A4VG90DA1D2/32L-NSF02F001SH | R902056020 |
| A4VG90DA1D2/32L-NZF02F021SH | R902079607 |
| A4VG90DA1D2/32L-NZF02F041FH | R902073267 |
| A4VG90DA1D2/32R-NAF02F041SH | R902062585 |
| A4VG90DA1D2/32R-NAF02F071DH | R902064073 |
| A4VG90DA1D2/32R-NSF02F011SH | R902056021 |
| A4VG90DA1D2/32R-NSF02F021PH | R902118171 |
| A4VG90DA1D2/32R-NSF02F021SH | R902056023 |
| A4VG90DA1D2/32R-NZF02F001SH | R902069490 |
| A4VG90DA1D2/32R-NZF02F041FH | R902074923 |
| A4VG90DA1D3L/32L-NZF02F021FH | R902056028 |
| A4VG90DA1D3L/32R-NZF02F021SH | R902056029 |
| A4VG90DA1D3L/32R-NZF02F021SH | R902056031 |
| A4VG90DA1D4/32R-NAF02F041MH | R902084542 |
| A4VG90DA1D4/32R-NZF02F021SH | R902056036 |
| A4VG90DA1D4/32R-NZF02F021SH | R902056037 |
| A4VG90DA1D7/32R-NZF02F011SH | R902056042 |
| A4VG90DA1D8/32R-NAF02F001SH | R902056047 |
| A4VG90DA1D8/32R-NSF02F021MH | R902056048 |
| A4VG90DA1D8/32R-NSF02F071MH | R902064989 |
| A4VG90DA1D8/32R-NZF02F001LH | R902066721 |
| A4VG90DA1D8/32R-NZF02F011MH | R902069485 |
| A4VG90DA1D8/32R-NZF02F011SH | R902056049 |
| A4VG90DA1D8/32R-NZF02F021SH | R902117301 |
| A4VG90DA1D8/32R-NZF02F021SH *AL* | R902056050 |
| A4VG90DA1D8/32R-NZF02F071SH | R902056058 |
| A4VG90DA1DM3L/32R-NZF02F041SH | R902068471 |
| A4VG90DA1DM8/32R-NSF02F021FH | R902056009 |
| A4VG90DA1DM8/32R-NSF02F071MH | R902084864 |
| A4VG90DA1DMT2/32R-NZF02F021FH | R902056007 |
| A4VG90DA1DMT4/32R-NZF02F021FH | R902056008 |
| A4VG90DA1DT2/32R-NZF02F001SH | R902056010 |
| A4VG90DA1DT4/32R-NZF02F021FH | R902056011 |
| A4VG90DA1DT4/32R-NZF02F021SH | R902056012 |
| A4VG90DA1DT7/32R-NZF02F021FH | R902150723 |
| A4VG90DA1DT8/32R-NZF02F021DH | R902056013 |
| A4VG90DA2D2/32L-NAF02F071SH | R902056883 |
| A4VG90DA2D2/32L-NSF02F011SH | R902056076 |
| A4VG90DA2D2/32L-NZF02F001DH | R902056077 |
| A4VG90DA2D2/32L-NZF02F001LH | R902079766 |
| A4VG90DA2D2/32L-NZF02F001SH | R902062595 |
| A4VG90DA2D2/32L-NZF02F021DH | R902103873 |
| A4VG90DA2D2/32L-NZF02F041SH | R902056078 |
| A4VG90DA2D2/32L-NZF02F071SH | R902062599 |
| A4VG90DA2D2/32L-NZX02F011DH-S | R902056079 |
| A4VG90DA2D2/32R-NAF02F001SH | R902056083 |
| A4VG90DA2D2/32R-NAF02F021FH | R902056085 |
| A4VG90DA2D2/32R-NAF02F021SH | R902080401 |
| A4VG90DA2D2/32R-NAF02F071DH | R902062628 |
| A4VG90DA2D2/32R-NAF02F071SH | R902056086 |
| A4VG90DA2D2/32R-NAF02F731SH | R902056088 |
| A4VG90DA2D2/32R-NSF02F001DH | R902066943 |
| A4VG90DA2D2/32R-NSF02F001SH | R902056089 |
| A4VG90DA2D2/32R-NSF02F011DH | R902056090 |
| A4VG90DA2D2/32R-NSF02F021SH | R902053366 |
| A4VG90DA2D2/32R-NSF02F041DH | R902079892 |
| A4VG90DA2D2/32R-NSF02F041SH | R902056093 |
| A4VG90DA2D2/32R-NSF02F071SH | R902056094 |
| A4VG90DA2D2/32R-NZF02F001SH | R902056097 |
| A4VG90DA2D2/32R-NZF02F011SH | R902074253 |
| A4VG90DA2D2/32R-NZF02F021DH | R902056101 |
| A4VG90DA2D2/32R-NZF02F021SH | R902056102 |
| A4VG90DA2D2/32R-NZF02F041SH | R902056107 |
| A4VG90DA2D2/32R-NZF02F071FH | R902056110 |
| A4VG90DA2D2/32R-NZF02F071LH | R902056111 |
| A4VG90DA2D2/32R-NZF02F071SH | R902056112 |
| A4VG90DA2D2/32R-NZX02F021SH-ES | R902120426 |
| A4VG90DA2D3L/32R-NAF02F071SH | R902064352 |
| A4VG90DA2D3L/32R-NZF02F001SH | R902056117 |
| A4VG90DA2D4/32R-NZF02F001SH | R902062877 |
| A4VG90DA2D8/32L-NZF02F021BP | R902137395 |
| A4VG90DA2D8/32R-NSF02F021MH | R902083227 |
| A4VG90DA2D8/32R-NSF02F021MH | R902056124 |
| A4VG90DA2D8/32R-NSF02F071SH | R902056125 |
| A4VG90DA2D8/32R-NZF02F011KH | R902056126 |
| A4VG90DA2D8/32R-NZF02F021SH | R902056127 |
| A4VG90DA2D8/32R-NZF02F041SH | R902071691 |
| A4VG90DA2DM2/32R-NSF02F071SH | R902073309 |
| A4VG90DA2DM2/32R-NZF02F021DH | R902061495 |
| A4VG90DA2DM2/32R-NZF02F041SH | R902070095 |
| A4VG90DA2DM8/32R-NSF02F021MH | R902074086 |
| A4VG90DA2DM8/32R-NSF02F071MH | R902089637 |
| A4VG90DA2DT2/32L-NAF02F001SH | R902056062 |
| A4VG90DA2DT2/32L-NAF02F071SH | R902056063 |
| A4VG90DA2DT2/32L-NZF02F001SH | R902104084 |
| A4VG90DA2DT2/32L-NZF02F011LH | R902076895 |
| A4VG90DA2DT2/32L-NZF02F021SH-S | R902056064 |
| A4VG90DA2DT2/32L-NZF02F071LH | R902076897 |
| A4VG90DA2DT2/32R-NZF02F001LH | R902074126 |
| A4VG90DA2DT2/32R-NZF02F001SH | R902072796 |
| A4VG90DA2DT2/32R-NZF02F011LH | R902069424 |
| A4VG90DA2DT2/32R-NZF02F021SH-S | R902056068 |
| A4VG90DA2DT2/32R-NZF02K021EH | R902076520 |
| A4VG90DA2DT4/32R-NZF02F001SH | R902105274 |
| A4VG90DA2DT8/32R-NAF02F731SH | R902084777 |
| A4VG90DGD1/32L-NSF02F011S | R902074680 |
| A4VG90DGD1/32L-NSF02F021S | R902076615 |
| A4VG90DGD1/32L-NSF02F071S | R902044152 |
| A4VG90DGD1/32L-NZF02F001S | R902081442 |
| A4VG90DGD1/32L-NZF02F021M | R902072731 |
| A4VG90DGD1/32L-NZF02F021S | R902063322 |
| A4VG90DGD1/32R-NSF02F001M | R902094359 |
| A4VG90DGD1/32R-NSF02F021S | R902023115 |
| A4VG90DGD1/32R-NZF02F001S | R902023103 |
| A4VG90DGD1/32R-NZF02F011S | R902066746 |
| A4VG90DGD1/32R-NZF02F021S | R902036494 |
| A4VG90DGD2/32L-NSF02F001S | R902048767 |
| A4VG90DGD2/32R-NAF02F001S | R902068295 |
| A4VG90DGD2/32R-NAF02F071S | R902033727 |
| A4VG90DGD2/32R-NZF02F001S | R902036496 |
| A4VG90DGD2/32R-NZF02F021S | R902036498 |
| A4VG90DGDM1/32L-NSF02F001D | R902053205 |
| A4VG90DGDM1/32L-NSF02F021D | R902053206 |
| A4VG90DGDT1/32R-NSF02F071S | R902087462 |
| A4VG90DGDT1/32R-NZF02F011S | R902066946 |
| A4VG90DGDT1/32R-NZF02F021S | R902062565 |
| A4VG90EP2D1/32R-NZF02F001DH *AL* | R902058008 |
| A4VG90EP2DM1/32L-NSF02F001FH-S *AL* | R902087108 |
| A4VG90EP2DM1/32R-NZF02F001DH *AL* | R902058056 |
| A4VG90EP2DM1/32R-NZF02F001SH *AL* | R902058012 |
| A4VG90EP2DT1/32L-NZF02F021FH *AL* | R902058002 |
| A4VG90EP2DT1/32R-NZF02F001DH-E *AL* | R902092851 |
| A4VG90EP2DT1/32R-NZF02F021SH *AL* | R902094151 |
| A4VG90EP2MT1/32L-NSD10F011SGT-S *AL* | R902070431 |
| A4VG90EP3D1/32L-NZF02F001SH | R902146251 |
| A4VG90EP3D1/32R-NZF02F071SH | R902146242 |
| A4VG90EP3D7/32R-NZF02F041SH | R902122703 |
| A4VG90EP4D1/32L-NZF02F001SH | R902116959 |
| A4VG90EP4D1/32L-NZF02F011DP | R902136001 |
| A4VG90EP4D1/32L-NZF02F011KP | R902138681 |
| A4VG90EP4D1/32R-NAF02F731DP | R902149563 |
| A4VG90EP4D1/32R-NSF02F041KH | R902116965 |
| A4VG90EP4D1/32R-NZF02F001DH | R902116947 |
| A4VG90EP4D1/32R-NZF02F001DH | R902122562 |
| A4VG90EP4D1/32R-NZF02F001MH | R902122520 |
| A4VG90EP4D1/32R-NZF02F001SH | R902116958 |
| A4VG90EP4D1/32R-NZF02F001SP | R902131272 |
| A4VG90EP4D1/32R-NZF02F011DP | R902149565 |
| A4VG90EP4D2/32L-NZF02F001DH | R902116990 |
| A4VG90EP4DM1/32L-NAF02F071PH | R902131879 |
| A4VG90EP4DM1/32L-NSF02F001SH-S | R902116987 |
| A4VG90EP4DM1/32L-NSF02F003PP | R902129407 |
| A4VG90EP4DM1/32L-NSF02F011SH-S | R902116986 |
| A4VG90EP4DM1/32L-NZF02F001SH | R902122525 |
| A4VG90EP4DM1/32R-NSF02F011SH-S | R902116988 |
| A4VG90EP4DM1/32R-NZF02F001DH | R902116972 |
| A4VG90EP4DM1/32R-NZF02F011DH | R902134409 |
| A4VG90EP4DT1/32L-NAF02F001DH | R902122540 |
| A4VG90EP4DT1/32L-NAF02F001DH-S | R902122607 |
| A4VG90EP4DT1/32L-NSF02F071SH-S | R902122576 |
| A4VG90EP4DT1/32L-NZF02F001SH-S | R902122648 |
| A4VG90EP4DT1/32L-NZF02F021FH | R902116943 |
| A4VG90EP4DT1/32L-NZF02F021SH | R902122603 |
| A4VG90EP4DT1/32L-NZF02F021SH-S | R902122656 |
| A4VG90EP4DT1/32R-NAF02F001DH-S | R902122608 |
| A4VG90EP4DT1/32R-NAF02F011SH | R902125854 |
| A4VG90EP4DT1/32R-NAF02F071DH-S | R902122616 |
| A4VG90EP4DT1/32R-NZF02F001DH | R902122586 |
| A4VG90EP4DT1/32R-NZF02F001DH-E | R902136168 |
| A4VG90EP4DT1/32R-NZF02F001SH-S | R902122650 |
| A4VG90EP4DT2/32L-NZF02F011SH | R902146041 |
| A4VG90EZ1DMT1/32R-NZF02F021FH | R902055227 |
| A4VG90EZ1DT1/32L-NAF02F011SH | R902072936 |
| A4VG90EZ2D1/32L-NAF02F021DH | R902075915 |
| A4VG90EZ2D1/32R-NAF02F041DH | R902087136 |
| A4VG90EZ2D1/32R-NAF02F071PP | R902108402 |
| A4VG90EZ2D1/32R-NSF02F001SH | R902055242 |
| A4VG90EZ2D1/32R-NZF02F011DH | R902052916 |
| A4VG90EZ2DM1/32L-NSF02F001SH | R902079598 |
| A4VG90EZ2DM1/32R-NSF02F071LH | R902055228 |
| A4VG90EZ2DM1/32R-NZF02F001SH | R902064088 |
| A4VG90EZ2DM1/32R-NZF02F001SP-S | R902131631 |
| A4VG90EZ2DM1/32R-NZF02F011PH | R902055230 |
| A4VG90EZ2DT1/32L-NAF02F011SH | R902066927 |
| A4VG90EZ2DT1/32R-NSF02F001PH | R902055233 |
| A4VG90EZ2DT1/32R-NZF02F011SH | R902064270 |
| A4VG90HD1D1/32L-NSF02F00XL-S *AL* | R902061501 |
| A4VG90HD1D1/32R-NZF02F001S *AL* | R902059646 |
| A4VG90HD1DMT1/32L-NZF02F021L-S *AL* | R902100625 |
| A4VG90HD1DT1/32L-NSF02F00XL-S *AL* | R902074425 |
| A4VG90HD1DT2/32L-NZF02F001S *AL* | R902074337 |
| A4VG90HD1DT2/32L-NZF02F021S *AL* | R902110959 |
| A4VG90HD3D1/32L-NSF02F001D | R902131530 |
| A4VG90HD3D1/32L-NSF02F00XL-S | R902122831 |
| A4VG90HD3D1/32L-NZF02F021D | R902122817 |
| A4VG90HD3D1/32R-NSF02F731D | R902122881 |
| A4VG90HD3D1/32R-NSF02FXX1S-S | R902122826 |
| A4VG90HD3D1/32R-NZF02F071D | R902122882 |
| A4VG90HD3D2/32R-NAF02F071D | R902131129 |
| A4VG90HD3DM1/32R-NSF02F041B | R902149596 |
| A4VG90HD3DT1/32L-NZF02F021L | R902122833 |
| A4VG90HWD1/32L-NAF02F021M | R902044976 |
| A4VG90HWD1/32L-NSF02F001D | R902023331 |
| A4VG90HWD1/32L-NSF02F001S | R902023332 |
| A4VG90HWD1/32L-NSF02N001E | R902079726 |
| A4VG90HWD1/32L-NZF02F001S | R902023559 |
| A4VG90HWD1/32L-NZF02F011M | R902089057 |
| A4VG90HWD1/32L-NZF02F011S | R902023291 |
| A4VG90HWD1/32L-NZF02F021S | R902023563 |
| A4VG90HWD1/32L-NZF02F041S | R902023564 |
| A4VG90HWD1/32R-NAF02F011F | R902067405 |
| A4VG90HWD1/32R-NAF02F011S | R902033771 |
| A4VG90HWD1/32R-NAF02F021P | R902106041 |
| A4VG90HWD1/32R-NAF02F731S | R902023565 |
| A4VG90HWD1/32R-NSF02F001D | R902026983 |
| A4VG90HWD1/32R-NSF02F001S | R902023309 |
| A4VG90HWD1/32R-NSF02F021D | R902030323 |
| A4VG90HWD1/32R-NSF02F041P | R902085701 |
| A4VG90HWD1/32R-NSF02F071P | R902079914 |
| A4VG90HWD1/32R-NSF02N001E | R902089928 |
| A4VG90HWD1/32R-NZF02F001D | R902042862 |
| A4VG90HWD1/32R-NZF02F001F | R902069480 |
| A4VG90HWD1/32R-NZF02F001S | R902023557 |
| A4VG90HWD1/32R-NZF02F021S | R902023561 |
| A4VG90HWD1/32R-NZF02F071S | R902064070 |
| A4VG90HWD2/32L-NZF02F001S | R902026711 |
| A4VG90HWD2/32L-NZF02F041M | R902089058 |
| A4VG90HWD2/32R-NAF02F041L | R902074025 |
| A4VG90HWD2/32R-NSF02F001D | R902039115 |
| A4VG90HWD2/32R-NSF02F001S | R902023311 |
| A4VG90HWD2/32R-NSF02F021D | R902089229 |
| A4VG90HWD2/32R-NSF02F731S | R902048619 |
| A4VG90HWD2/32R-NZF02F001S | R902023567 |
| A4VG90HWD2/32R-NZF02F021S | R902037000 |
| A4VG90HWD2/32R-NZF02F071S | R902088221 |
| A4VG90HWD3L/32L-NZF02F001S | R902023295 |
| A4VG90HWD3L/32L-NZF02F001S | R902074489 |
| A4VG90HWD3L/32R-NZF02F011S | R902061624 |
| A4VG90HWD3R/32R-NZF02F011S | R902055731 |
| A4VG90HWDL1/32R-NAF02F071D-S | R902104338 |
| A4VG90HWDM1/32R-NSF02F001S | R902087595 |
| A4VG90HWDM1/32R-NSF02F021F | R902027680 |
| A4VG90HWDM1/32R-NZF02F021S | R902023300 |
| A4VG90HWDM1/32R-NZF02F071S | R902048142 |
| A4VG90HWDM1/32R-NZF02N001E | R902133437 |
| A4VG90HWDM2/32R-NZF02F071S | R902066918 |
| A4VG90HWDM3L/32R-NZF02F041S | R902031039 |
| A4VG90HWDM3L/32R-NZF02F071S | R902052883 |
| A4VG90HWDMT1/32L-NSF02F011S | R902064707 |
| A4VG90HWDMT1/32R-NSF02F011S | R902072801 |
| A4VG90HWDMT1/32R-NSF02F071S | R902072802 |
| A4VG90HWDMT1/32R-NZF02F001S | R902023335 |
| A4VG90HWDMT1/32R-NZF02F041S | R902023326 |
| A4VG90HWDT1/32L-NSF02F001S | R902037489 |
| A4VG90HWDT1/32L-NZF02F001S | R902074032 |
| A4VG90HWDT1/32L-NZF02F021S | R902037827 |
| A4VG90HWDT1/32R-NAF02K071E | R902044508 |
| A4VG90HWDT1/32R-NSF02F001S | R902037426 |
| A4VG90HWDT1/32R-NSF02F041F | R902068001 |
| A4VG90HWDT1/32R-NSF02F071S | R902063224 |
| A4VG90HWDT1/32R-NZF02F021S | R902112689 |
| A4VG90HWDT1/32R-NZF02F041S | R902037252 |
| A4VG90HWDT1/32R-NZF02F071S | R902103912 |
| A4VG90NVD1/32L-NZF02F001S | R902079216 |
| A4VG90NVD1/32L-NZF02F071S | R902080333 |
| A4VG90NVD1/32R-NZF02F001D | R902061429 |
| A4VG90NVD1/32R-NZF02F001S | R902023524 |
| A4VG90NVDT1/32L-NZF02F021S-S | R902023119 |
| A4VG90NVDT1/32R-NZF02F021S-S | R902023102 |
| A4VG90NVDT1/32R-NZF02F041F | R902083782 |
| AA4VG105EP1D1/32R-NXF52F021FC-S *AL* | R902120284 |
| AA4VG105EP1D1/32R-NXF52F021FRC-S *AL* | R902120285 |
| AA4VG105EP1DMT1/32L-NSF52F021DP-ES *AL* | R902117107 |
| AA4VG105EP1DMT1/32R-NSF52F021DP-ES *AL* | R902117106 |
| AA4VG105EP3D1/32R-NXF52F021FC-S | R902138673 |
| AA4VG105EP3D1/32R-NXF52F021FRC-S | R902122735 |
| AA4VG105EP3D1/32R-NXF52F021FRC-S | R902136242 |
| AA4VG125DA1D2/32L-NSF52F001SH | R902055398 |
| AA4VG125DA1D2/32L-NSF52F011SH | R902055399 |
| AA4VG125DA1D2/32L-NSF52F021PH | R902072907 |
| AA4VG125DA1D2/32R-NSF52F001DH | R902055402 |
| AA4VG125DA1D2/32R-NSF52F071DH | R902064813 |
| AA4VG125DA1D7/32L-NSF52F001PH | R902055403 |
| AA4VG125DA1D8/32L-NSF52F001DH | R902055404 |
| AA4VG125DA2D2/32R-NSF52F071DH | R902055407 |
| AA4VG125DA2D2/32R-NSF52F071PH | R902055408 |
| AA4VG125DA2DM2/32L-NSF52F001SH | R902055405 |
| AA4VG125DA2DT2/32L-NSF52F001MP | R902112945 |
| AA4VG125EP1D1/32R-NSF52F021FC-S *AL* | R902137050 |
| AA4VG125EP1D1/32R-NSF52F021FC-S *AL* | R902120286 |
| AA4VG125EP1D1/32R-NSF52F021FRC-S *AL* | R902120287 |
| AA4VG125EP1D1/32R-NSF52F691LH *AL* | R902106151 |
| AA4VG125EP3D1/32L-NSF52F001FH | R902136296 |
| AA4VG125EP3D1/32R-NSF52F021FC-S | R902138605 |
| AA4VG125EP3D1/32R-NSF52F021FRC-S | R902123126 |
| AA4VG125EP3D1/32R-NSF52F691LH | R902125026 |
| AA4VG125EP3DM1/32L-NSF52F001DH | R902123482 |
| AA4VG125EP3DT1/32L-NTF53F691SRP-S | R902146004 |
| AA4VG125EP4D1/32L-NSF52F071SP | R902134139 |
| AA4VG125EP4D1/32L-PTF52F071LP-ES | R902125118 |
| AA4VG125EP4D1/32R-NSF52F001FP | R902125097 |
| AA4VG125EP4DMT1/32R-NSF52F001SP | R902149830 |
| AA4VG125EZ1D1/32L-NSF52F041PH | R902061502 |
| AA4VG125EZ1D1/32L-NSF52F691LH | R902074385 |
| AA4VG125EZ1D1/32R-NSF52F691LH | R902080343 |
| AA4VG125EZ1DM1/32L-NSF52F001FH | R902055616 |
| AA4VG125EZ2D1/32L-NSF52F071SH | R902055621 |
| AA4VG125EZ2D1/32R-NTF52F041LQ | R902090916 |
| AA4VG125HD3DT1/32R-NSF52F021D | R902125374 |
| AA4VG125HWD1/32L-NSF52F001D | R902024048 |
| AA4VG125HWD1/32L-NSF52F021D | R902029496 |
| AA4VG125HWD1/32R-NSF52F021D | R902044087 |
| AA4VG125HWD1/32R-NSF52F071D | R902029497 |
| AA4VG125HWD1/32R-NSF52F691L | R902070455 |
| AA4VG125HWD1/32R-NTF52F041S | R902074188 |
| AA4VG125HWDL1/32R-NSF52F691F | R902099899 |
| AA4VG125HWDT1/32L-NSF52F001D | R902024056 |
| AA4VG125HWDT1/32L-NSF52F001F | R902024064 |
| AA4VG125HWDT1/32L-NSF52F001S | R902034731 |
| AA4VG125HWDT1/32L-NTF52F021D | R902097418 |
| AA4VG125HWDT1/32R-NSF52F001D | R902072974 |
| AA4VG140EP3D1/32R-NSF52F041FRC-S | R902137101 |
| AA4VG140HWD1/32L-NSF52F001F-ES | R902129149 |
| AA4VG180DA2D2/32R-NSD52F071DH | R902053770 |
| AA4VG180DWD1/32L-NSD52F071D-ES | R902092401 |
| AA4VG180EP2D1/32L-NSD52F001DRP-S *AL* | R902112606 |
| AA4VG180EP4DMT1/32R-NSD52F011DH | R902129918 |
| AA4VG180EP4DT1/32L-NSD52F001MP | R902129709 |
| AA4VG180EP4DT1/32R-NSD52F001DH-S | R902125752 |
| AA4VG180EP4DT1/32R-NVD52F721DH-S | R902125751 |
| AA4VG180EZ1D1/32R-NTD52F691LH | R902083419 |
| AA4VG180EZ2DM1/32R-NSD52F001DH | R902053757 |
| AA4VG180HWDL1/32L-NSD52F691F | R902102444 |
| AA4VG180HWDM1/32L-NTD52F021D | R902034677 |
| AA4VG180HWDM1/32L-PSD52F021L | R902055545 |
| AA4VG180HWDM1/32R-NSD52F071F | R902026109 |
| AA4VG180HWDT1/32L-NSD52F001F | R902024439 |
| AA4VG180NVD1/32L-NSD52F001S | R902026216 |
| AA4VG180NVD1/32R-NSD52F001S | R902026215 |
| AA4VG180NVDM1/32L-NSD52N001E | R902026011 |
| AA4VG180NVDM1/32R-NSD52N001E | R902026010 |
| AA4VG250DA2D2/32R-NSD60F071DH | R902053793 |
| AA4VG250DWDMT1/32L-NSD60F071S-ES | R902099930 |
| AA4VG250EP4D1/32R-NSD60F001DH | R902128151 |
| AA4VG250HWDM1/32L-NSD60F001D | R902015478 |
| AA4VG28EP3D1/32R-NSC60F005SH | R902110560 |
| AA4VG28EP3D1/32R-NSC60F006SH | R902138926 |
| AA4VG28EP3D1/32R-NXC60F023SRP-ES | R902127325 |
| AA4VG28EP4D1/32R-NSC60K013EP | R902133336 |
| AA4VG28EP4DM1/32R-NSC60F013DH | R902110680 |
| AA4VG28HD3D1/32R-NSC60F045S | R902149584 |
| AA4VG28HWD1/32L-NSC60F005S | R902019577 |
| AA4VG28HWD1/32L-NSC60F043S | R902119031 |
| AA4VG28HWD1/32R-NSC60F005S | R902079571 |
| AA4VG40DA1D2/32R-NSC52F015DH | R902053626 |
| AA4VG40DA1DT2/32R-NSC52F015PH | R902061597 |
| AA4VG40DA1DT4/32R-NSC52F025SH | R902087132 |
| AA4VG40DGD1/32L-NSC52K025E | R902023877 |
| AA4VG40EP4D1/32R-NSC52F006PH | R902138845 |
| AA4VG40EZ2DM1/32R-NSC52F005DH | R902053746 |
| AA4VG40HWD1/32L-NSC52F005D | R902020745 |
| AA4VG40HWD1/32L-NSC52F023D | R902087748 |
| AA4VG40HWDM1/32R-NSC52F006D | R902020766 |
| AA4VG40HWDT1/32R-NSC52F003F | R902020764 |
| AA4VG40NVDM1/32W-NSC52K094E-S | R902022386 |
| AA4VG40NVDM1/32W-NUC52K094E-S | R902022385 |
| AA4VG40NVDM1/32W-NUC52N004E-S | R902022387 |
| AA4VG56DA1D2/32R-NSC52F003DH | R902055050 |
| AA4VG56DA1D2/32R-NSC52F003SH | R902055051 |
| AA4VG56DA1D4/32R-NSC52F025SH | R902053256 |
| AA4VG56DA1D4/32R-NTC52F025SH | R902055054 |
| AA4VG56DGD1/32L-NSC52F003D | R902149519 |
| AA4VG56DGD1/32L-NSC52F005S | R902046859 |
| AA4VG56EP3D1/32L-NSC52F003DH | R902111434 |
| AA4VG56EP3D1/32R-NSC52F005DH-S | R902111431 |
| AA4VG56EP4D1/32L-NSC52F004DH | R902111621 |
| AA4VG56EP4D1/32R-NSC52K014EP | R902133330 |
| AA4VG56EP4DT1/32R-NSC52F003DP | R902120449 |
| AA4VG56EP4DT1/32R-NSC52F004DH | R902111732 |
| AA4VG56HD3D1/32R-NSC52F043D | R902112877 |
| AA4VG56HD3DM1/32R-NSC52F004D | R902118154 |
| AA4VG56HD3DT1/32L-NSC52F024S | R902146135 |
| AA4VG56HWD1/32L-NSC52F003D | R902020669 |
| AA4VG56HWD1/32L-NSC52F005S | R902030007 |
| AA4VG56HWD1/32L-NSC52F015D | R902030400 |
| AA4VG56HWD1/32L-NSC52F025F | R902020693 |
| AA4VG56HWD1/32L-NSC52F073F | R902021349 |
| AA4VG56HWD1/32L-NTC52F003S | R902020663 |
| AA4VG56HWD1/32R-NSC52F003D | R902023042 |
| AA4VG56HWD1/32R-NSC52F003F | R902021348 |
| AA4VG56HWD1/32R-NSC52F003S | R902074269 |
| AA4VG56HWD1/32R-NSC52F013D | R902020670 |
| AA4VG56HWD1/32R-NSC52F015S | R902022768 |
| AA4VG56HWD1/32R-NSC52F016D | R902072782 |
| AA4VG56HWD1/32R-NSC52F025D | R902044128 |
| AA4VG56HWD1/32R-NSC52F025S | R902020662 |
| AA4VG56HWD1/32R-NSC52F075F | R902020686 |
| AA4VG56HWD1/32R-NSC52F075S | R902021347 |
| AA4VG56HWD2/32R-NSC52F003D | R902051324 |
| AA4VG56HWDM1/32R-NSC52F005D | R902032466 |
| AA4VG56HWDT1/32L-NSC52F025D | R902053022 |
| AA4VG56HWDT1/32R-NSC52F025F | R902032095 |
| AA4VG71DA1D2/32L-NSF52F001FH | R902055279 |
| AA4VG71DA1D4/32R-NSF52F001SH | R902055283 |
| AA4VG71DA1D4/32R-NSF52F021FH | R902055285 |
| AA4VG71DA1DT2/32L-NSF52F001LH | R902053207 |
| AA4VG71DA1DT2/32R-NTF52F071PH | R902055278 |
| AA4VG71DGDT1/32L-NSF52F001L | R902052903 |
| AA4VG71EP3D1/32L-NSF52F001PH | R902119041 |
| AA4VG71EP3D1/32L-NSF52F021DH | R902112229 |
| AA4VG71EP3D1/32L-NSF52F041DH | R902112241 |
| AA4VG71EP3D1/32R-NSF52F001DH | R902112193 |
| AA4VG71EP3D1/32R-NSF52F001DP | R902120166 |
| AA4VG71EP3DM1/32L-NSF52F001PH-S | R902113097 |
| AA4VG71EP3DT1/32L-NSF52F001LH | R902112233 |
| AA4VG71EP4DMT1/32L-NSF52F071DH | R902113039 |
| AA4VG71EZ1D1/32L-NSF52F001DH | R902062880 |
| AA4VG71EZ1D1/32R-NSF52F071FH | R902055256 |
| AA4VG71EZ1DM1/32L-NSF52F041DH | R902062879 |
| AA4VG71HD3D1/32L-NSF52F001S | R902113329 |
| AA4VG71HD3D1/32L-NSF52F021D | R902113350 |
| AA4VG71HD3D1/32R-NSF52F001D | R902113324 |
| AA4VG71HD3D1/32R-NSF52F001S | R902113328 |
| AA4VG71HD3DM1/32R-NSF52F001F | R902113359 |
| AA4VG71HD3DT1/32R-NSF52F021D | R902113351 |
| AA4VG71HWD1/32L-NSF52F001S | R902022649 |
| AA4VG71HWD1/32L-NSF52F021D | R902007823 |
| AA4VG71HWD1/32L-NSF52F071D | R902022392 |
| AA4VG71HWD1/32L-NTF52F001S | R902022351 |
| AA4VG71HWD1/32R-NSF52F001P | R902028170 |
| AA4VG71HWD1/32R-NSF52F001S | R902022646 |
| AA4VG71HWD1/32R-NSF52F011S | R902022652 |
| AA4VG71HWD1/32R-NSF52F021D | R902022391 |
| AA4VG71HWD1/32R-NSF52F071S | R902097410 |
| AA4VG71HWD1/32R-NTF52F071S | R902041795 |
| AA4VG71HWDM1/32R-NSF52F001D | R902046751 |
| AA4VG71HWDT1/32L-NSF52F001D | R902079724 |
| AA4VG71HWDT1/32L-NSF52F001S | R902088309 |
| AA4VG71HWDT1/32R-NSF52F001F | R902048302 |
| AA4VG71HWDT1/32R-NSF52F011F | R902032049 |
| AA4VG71HWDT1/32R-NTF52F071S | R902046856 |
| AA4VG71NVD1/32L-NSF52F001S | R902022606 |
| AA4VG71NVD1/32L-NSF52N001E | R902036017 |
| AA4VG90DA1D2/32R-NSF52F041SC | R902069192 |
| AA4VG90DA1D2/32R-NSF52F071SH | R902063243 |
| AA4VG90DA1D2/32R-NUF52F001SC | R902069191 |
| AA4VG90DA1D2/32R-NUF52F001SH | R902063245 |
| AA4VG90DA1D8/32R-NSF52F021SH | R902056002 |
| AA4VG90DA1DT2/32L-NSF52F001LH | R902072723 |
| AA4VG90DA2D2/32R-NSF52F071DH | R902058957 |
| AA4VG90DA2D2/32R-NSF52F071KP | R902131021 |
| AA4VG90DGD1/32R-NSF52F071D | R902058359 |
| AA4VG90DGDM1/32L-NSF52F001D | R902096026 |
| AA4VG90EP3D1/32L-NSF52F001BP | R902136313 |
| AA4VG90EP3D1/32R-NSF52F001LH | R902137372 |
| AA4VG90EP3D1/32R-NSF52F071BP | R902136307 |
| AA4VG90EP4D1/32R-NSF52F071DH | R902116954 |
| AA4VG90EP4D1/32R-NSF52F071FP-S | R902122742 |
| AA4VG90EZ1DM1/32L-NUF52F001DH | R902055529 |
| AA4VG90EZ1DM1/32L-NUF52F041DH | R902055221 |
| AA4VG90EZ1DMT1/32L-NUF52F021DH | R902081560 |
| AA4VG90EZ2D1/32R-NSF52F021FH | R902081733 |
| AA4VG90EZ2DM1/32R-NSF52F071DH | R902055225 |
| AA4VG90HD3D1/32L-NSF52F011B | R902131574 |
| AA4VG90HD3D1/32L-NSF52F021B | R902131533 |
| AA4VG90HD3DT1/32R-NSF52F021D | R902146065 |
| AA4VG90HWD1/32L-NSF52F001D | R902023304 |
| AA4VG90HWD1/32L-NSF52F001S | R902026548 |
| AA4VG90HWD1/32L-NSF52F011D | R902094352 |
| AA4VG90HWD1/32L-NSF52F041D | R902026510 |
| AA4VG90HWD1/32L-NUF52F001D | R902023328 |
| AA4VG90HWD1/32L-NZF52F001S | R902041066 |
| AA4VG90HWD1/32R-NSF52F001D | R902023303 |
| AA4VG90HWD1/32R-NSF52F001L | R902070454 |
| AA4VG90HWD1/32R-NSF52F011S | R902023560 |
| AA4VG90HWD1/32R-NSF52F021S | R902023562 |
| AA4VG90HWD1/32R-NSF52F041D | R902023315 |
| AA4VG90HWD2/32R-NSF52F021P | R902023323 |
| AA4VG90HWDMT1/32L-NSF52F001D | R902050358 |
| AA4VG90HWDT1/32L-NSF52F001D | R902087465 |
| AA4VG90HWDT2/32L-NUF52F001S | R902021426 |
| AA4VG90HWDX2/32R-NSF52F001D-ES | R902092577 |
| AA4VG90NVD1/32L-NSF52F001S | R902023526 |
| AA4VG90NVD1/32R-NSF52F071D | R902072956 |


1) Номинальные размеры 28–71 выполнены с фильтрацией на входе в P и X1/X2
2) Регулятор BT допускается только в комбинации с монтажной плитой 22 или 30, см. поз. 15 «Присоединительная резьба: метрическая с уплотнительным кольцом круглого сечения согласно ISO 6149».
3) Исполнение доступно не для всех вариантов монтажных плит, требуется согласование.

Регулятор HD

Типоразмер 28

Типоразмер 56

Типоразмер 71

Типоразмер 90

Типоразмер 125





На сайте представлены далеко не все варианты аксиально-поршневых насосов Рексрот*, аналоги которых мы предлагаем. Выше приведен список артикулов насоса Bosch Rexroth A4VG, аналоги которых мы также можем предоставить или подобрать замену.
Если Вы нашли нужный артикул или код насоса в списке выше или, наоборот, затрудняетесь это сделать - напишите нам, мы ответим оперативно.
