Делители потока
Делитель потока FLJ дроссельного типа имеет трубный монтаж и три канала для подключения трубопроводов. Делит расход на две равные части или суммирует его для реализации синхронизации рабочих органов гидросистемы: гидроцилиндров или гидромоторов. Синхронизация - реакция одного исполнительного механизма на изменение скорости движения другого при изменении нагрузки.
Монтаж трубный
Максимальное давление 350 бар
Максимальный расход: 120 л/мин
| Резьба | G3/8 - G1" |
| Макс. рабочее давление | 350 бар |
| Регулируемый расход | 1 - 120 л/мин |
РЕЗУЛЬТАТЫ:
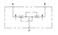
Клапан FLJ - это делитель/сумматор потока дроссельного типа. Их точность зависит от множества факторов, но она значительно ниже точности делителя потока объемного типа и находится в пределах 2-5%. Но дроссельный делитель потока значительно дешевле шестеренного или радиально-поршневого. В режиме разделения делитель клапан FLJ распределяет входной поток через порт 3 между портами 2 и 4, исходя из указанного соотношения, независимо от рабочего давления. В режиме объединения поток из портов 2 и 4 будет объединен в порт 3. Разделение или объединение будет сохранено, даже если на порты 2 и 4 будут загружены неравномерные грузы. Делитель потока FLJ обеспечивает синхронизацию расхода, как в режиме суммирования, так и в режиме разделения при работе цилиндров и при вращении гидромоторов. Эта функция полезна в гидравлических системах, где требуется одновременное движение цилиндров. Если один цилиндр опускается первым, то в противоположный цилиндр подается синхронизирующий поток, позволяющий этому цилиндру опуститься до того, как оба цилиндра начнут двигаться в противоположном направлении.

Особенности конструкции делителя потока Гидроответ
- Все внешние поверхности оцинкованы
Закаленные детали обеспечивают минимальный износ и продлевают срок службы
Цельный корпус обеспечивает максимальную надежность
Высокая точность работы
Широкий диапазон расходов
Низкий перепад давления
Обеспечивает повторную синхронизацию потока после завершения цикла работы привода
Точность синхронизации делителя потока FLJ

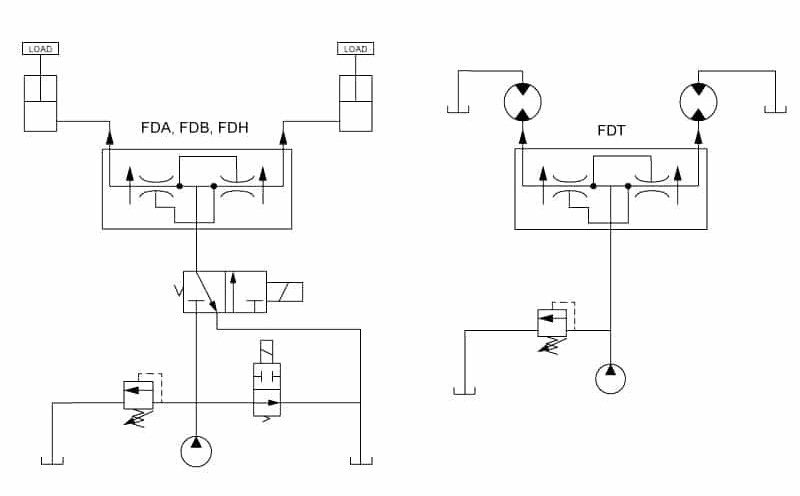
Примеры гидросхем с делителями/сумматорами потока FLJ

Картридж внутри корпуса делителя потока FLJ

Клапан FLJ - это делитель/сумматор потока дроссельного типа. Их точность зависит от множества факторов, но она значительно ниже точности делителя потока объемного типа и находится в пределах 2-5%. Но дроссельный делитель потока значительно дешевле шестеренного или радиально-поршневого. В режиме разделения делитель клапан FLJ распределяет входной поток через порт 3 между портами 2 и 4, исходя из указанного соотношения, независимо от рабочего давления. В режиме объединения поток из портов 2 и 4 будет объединен в порт 3. Разделение или объединение будет сохранено, даже если на порты 2 и 4 будут загружены неравномерные грузы. Делитель потока FLJ обеспечивает синхронизацию расхода, как в режиме суммирования, так и в режиме разделения при работе цилиндров и при вращении гидромоторов. Эта функция полезна в гидравлических системах, где требуется одновременное движение цилиндров. Если один цилиндр опускается первым, то в противоположный цилиндр подается синхронизирующий поток, позволяющий этому цилиндру опуститься до того, как оба цилиндра начнут двигаться в противоположном направлении.

Особенности конструкции делителя потока Гидроответ
- Все внешние поверхности оцинкованы
Закаленные детали обеспечивают минимальный износ и продлевают срок службы
Цельный корпус обеспечивает максимальную надежность
Высокая точность работы
Широкий диапазон расходов
Низкий перепад давления
Обеспечивает повторную синхронизацию потока после завершения цикла работы привода
Точность синхронизации делителя потока FLJ

Примеры гидросхем с делителями/сумматорами потока FLJ

Картридж внутри корпуса делителя потока FLJ

- Описание
- Код заказа
- Размеры, мм
- Технические калькуляторы
Клапан FLJ - это делитель/сумматор потока дроссельного типа. Их точность зависит от множества факторов, но она значительно ниже точности делителя потока объемного типа и находится в пределах 2-5%. Но дроссельный делитель потока значительно дешевле шестеренного или радиально-поршневого. В режиме разделения делитель клапан FLJ распределяет входной поток через порт 3 между портами 2 и 4, исходя из указанного соотношения, независимо от рабочего давления. В режиме объединения поток из портов 2 и 4 будет объединен в порт 3. Разделение или объединение будет сохранено, даже если на порты 2 и 4 будут загружены неравномерные грузы. Делитель потока FLJ обеспечивает синхронизацию расхода, как в режиме суммирования, так и в режиме разделения при работе цилиндров и при вращении гидромоторов. Эта функция полезна в гидравлических системах, где требуется одновременное движение цилиндров. Если один цилиндр опускается первым, то в противоположный цилиндр подается синхронизирующий поток, позволяющий этому цилиндру опуститься до того, как оба цилиндра начнут двигаться в противоположном направлении.

Особенности конструкции делителя потока Гидроответ
- Все внешние поверхности оцинкованы
Закаленные детали обеспечивают минимальный износ и продлевают срок службы
Цельный корпус обеспечивает максимальную надежность
Высокая точность работы
Широкий диапазон расходов
Низкий перепад давления
Обеспечивает повторную синхронизацию потока после завершения цикла работы привода
Точность синхронизации делителя потока FLJ

Примеры гидросхем с делителями/сумматорами потока FLJ

Картридж внутри корпуса делителя потока FLJ



