VRDE - Гидрозамок сдвоенный трубного монтажа
| Резьба | G1/4 - G3/4 |
| Макс. рабочее давление | 350 бар |
| Максимальный расход | 100 л/мин |
РЕЗУЛЬТАТЫ:
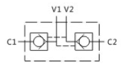
Гидрозамок VRDE имеет резьбовые каналы и предназначен для установки непосредственно рядом с гидроцилиндром или гидромотором за счет трубного монтажа. Функционал гидрозамка VRDE следующий: при отсутствии давления в основных каналах со стороны гидростанции гидрозамок полностью закрыт и герметичен; как только распределитель открывается и пропускает поток в один из каналов А или В, то сдвоенный гидрозамок VRDE отрывается и гидроцилиндр перемещается в соответствующем направлении. За счет данного гидрозамка гидроцилиндр или мотор могут удерживаться в неподвижном положении, когда на них действует внешняя нагрузка в обоих направлениях их движения.

Гидрозамок VRDE имеет резьбовые каналы и предназначен для установки непосредственно рядом с гидроцилиндром или гидромотором за счет трубного монтажа. Функционал гидрозамка VRDE следующий: при отсутствии давления в основных каналах со стороны гидростанции гидрозамок полностью закрыт и герметичен; как только распределитель открывается и пропускает поток в один из каналов А или В, то сдвоенный гидрозамок VRDE отрывается и гидроцилиндр перемещается в соответствующем направлении. За счет данного гидрозамка гидроцилиндр или мотор могут удерживаться в неподвижном положении, когда на них действует внешняя нагрузка в обоих направлениях их движения.

- Описание
- Код заказа
- Графики
- Размеры, мм
Гидрозамок VRDE имеет резьбовые каналы и предназначен для установки непосредственно рядом с гидроцилиндром или гидромотором за счет трубного монтажа. Функционал гидрозамка VRDE следующий: при отсутствии давления в основных каналах со стороны гидростанции гидрозамок полностью закрыт и герметичен; как только распределитель открывается и пропускает поток в один из каналов А или В, то сдвоенный гидрозамок VRDE отрывается и гидроцилиндр перемещается в соответствующем направлении. За счет данного гидрозамка гидроцилиндр или мотор могут удерживаться в неподвижном положении, когда на них действует внешняя нагрузка в обоих направлениях их движения.





