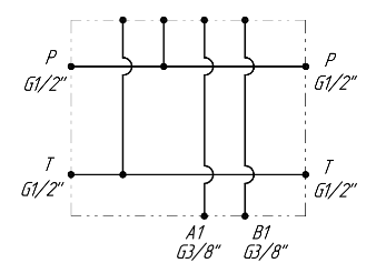
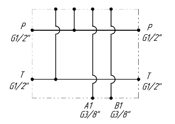
Присоединительная плита стальная одноместная для гидравлических распределителей и клапанов NG6, с расположением монтажных отверстий, согласно ISO 4401-03. Плита стальная EM213/1Y-ST предназначена для перехода с притычного монтажа на резьбовой для гидравлических клапанов и распределителей типорамера DN06. Вариант плиты EM213/1Y-ST - с каналами, смотрящими в бок. Типоразмер 6 мм; материал - сталь; макс. рабочее давление 350 бар. Плита стальная EM213/1Y-ST производится в Китае и является аналогом европейской плиты DR06/10. Уплотнительные кольца, металлические резьбовые заглушки, крепёжные винты в комплект поставки не включены - данные позиции являются стандартными и заказываются у соответствующих профилирующих организаций. 3D модель плиты предоставляется по запросу.В стандартном исполнении серийная плита стальная имеет защиту поверхности фосфатированием.



Аналогичные товары
Аналогичные товары
Ранее просмотренные
