Характеристики
НДС
Цена указана с НДС
Типоразмер
Ду25
Метка
В наличии
Тип монтажа
на плиту (притычной)
Макс. давление, бар
420
Материал уплотнений
NBR
Тип
KWA
Внешнее управление Х
нет
Вес в кг
2.6
Габариты в см
9x9x4
Торговая марка
ГИДРООТВЕТ
Макс. класс чистоты масла по ГОСТ 17216
13
Взаимозаменяем с:
R900912691
Взаимозаменяем с: Код Рексрот
LFA25KWA-7X/
Стандарт монтажа
ISO 7368
Тип (описание)
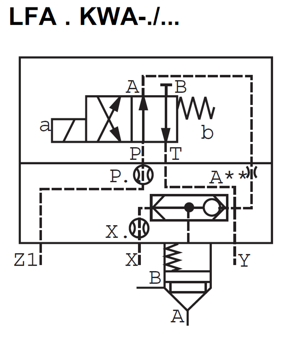
KWA = крышка со встроенным клапаном "ИЛИ" под установку распределителя Ду6, три выхода Z1, X и Y, управления из канала B
Альтернатива Бренду
Bosch Rexroth
Взаимозаменяем с артикулом Рексрот*
R900912691
Страна производства
Китай
Гарантия
12 месяцев с даты отгрузки при условии соблюдения инструкции по эксплуатации
Доставка
По России и Беларуси. Отвозим до терминала г. Екатеринбург ТК Деловые линии, СДЭК, Major БЕСПЛАТНО
Срок поставки, если нет на складе
69 дней
Цены и сроки
Информация на сайте о наличии, ожидании или сроке поставки актуальная, цены указаны с НДС
Способ оплаты
По счету для юр.лиц или банковской картой для физ. лиц
Подробнее о товаре
Описание
Клапан LFA25KWA-7X/ выполнен в виде крышки для картриджа типоразмера Ду25 для установки на гидроблок по стандарту DIN ISO 7368. Гидроклапан LFA25KWA-7X/ служит для реализации функции управления потоком для больших величин расходов, то есть выполняет функции обратного клапан или гидрозамка, распределителя в совокупности со вставкой размера Ду25. Крышка логического элемента LFA25KWA-7X/ имеет тип KWA = крышка со встроенным клапаном "ИЛИ" под установку распределителя Ду6, три выхода Z1, X и Y, управления из канала B, уплотнительные кольца выполнены из материала NBR, внешний канал X - нет. Клапаны LFA25KWA-7X/ производятся в Китае на ведущем заводе-изготовителе гидроаппаратуры, с которым сотрудничает магазин Гидроответ, и являются качественными аналогами одноименного клапана известного немецкого бренда.
Более подробнее про качество предлагаемых аналогов просим ознакомиться здесь.
Еще...
Код заказа
LFA..KWA/KWB

Еще...
Размеры в мм

Еще...
Видео
Еще...
Сопутствующие товары
Другие товары из категории LFA - распределители в наличии
Ранее просмотренные
Отправьте заявку или задайте вопрос
Отправьте заявку или задайте вопрос
Отправьте заявку или задайте вопрос