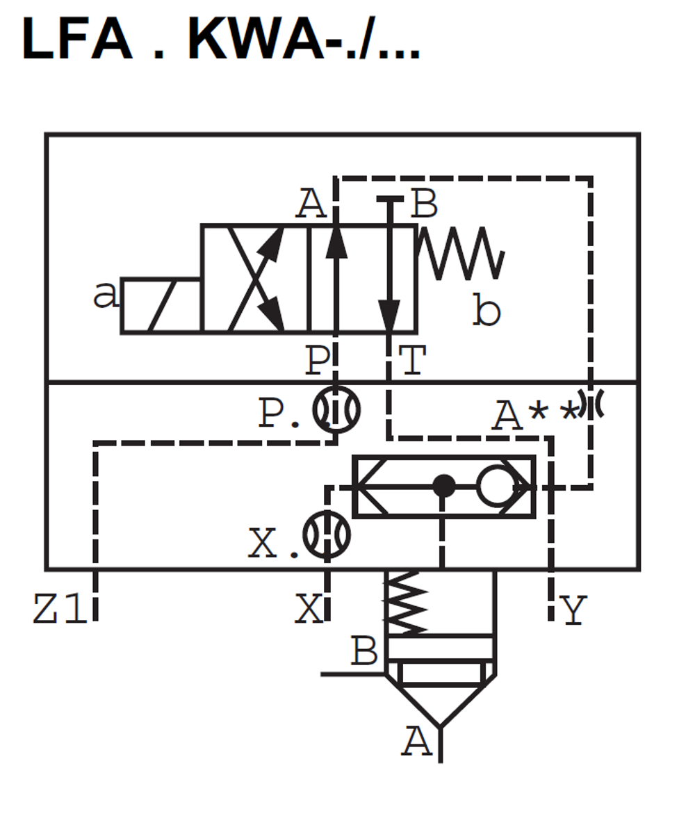
Клапан LFA50KWA-7X/ выполнен в виде крышки для картриджа типоразмера Ду50 для установки на гидроблок по стандарту DIN ISO 7368. Гидроклапан LFA50KWA-7X/ служит для реализации функции управления потоком для больших величин расходов, то есть выполняет функции обратного клапан или гидрозамка, распределителя в совокупности со вставкой размера Ду50. Крышка логического элемента LFA50KWA-7X/ имеет тип KWA = крышка со встроенным клапаном "ИЛИ" под установку распределителя Ду6, три выхода Z1, X и Y, управления из канала B, уплотнительные кольца выполнены из материала NBR, внешний канал X - нет. Клапаны LFA50KWA-7X/ производятся в Китае на ведущем заводе-изготовителе гидроаппаратуры, с которым сотрудничает магазин Гидроответ, и являются качественными аналогами одноименного клапана известного немецкого бренда.

Более подробнее про качество предлагаемых аналогов просим ознакомиться здесь.
LFA..KWA/KWB



Сопутствующие товары
Другие товары из категории LFA - распределители в наличии
Ранее просмотренные
