Характеристики
НДС
Цена указана с НДС
Типоразмер
Ду10
Метка
В наличии
Макс. давление регулировки, бар
315
Тип монтажа
модульный
Регулирует в каналах
A → T и B → T
Элемент регулировки
2 = винт
Макс. давление, бар
315
Материал уплотнений
V = FKM
Вес в кг
6.3
Габариты в см
27x7x6
Торговая марка
ГИДРООТВЕТ
Макс. класс чистоты масла по ГОСТ 17216
13
Взаимозаменяем с:
R900411430
Взаимозаменяем с: Код Рексрот
Z2DB10VC2-4X/315V
Стандарт монтажа
ISO 4401-05 / CETOP05
Альтернатива Бренду
Bosch Rexroth
Взаимозаменяем с артикулом Рексрот*
R900411430
Страна производства
Китай
Гарантия
12 месяцев с даты отгрузки при условии соблюдения инструкции по эксплуатации
Доставка
По России и Беларуси. Отвозим до терминала г. Екатеринбург ТК Деловые линии, СДЭК, Major БЕСПЛАТНО
Срок поставки, если нет на складе
69 дней
Цены и сроки
Информация на сайте о наличии, ожидании или сроке поставки актуальная, цены указаны с НДС
Способ оплаты
По счету для юр.лиц или банковской картой для физ. лиц
Подробнее о товаре
Описание
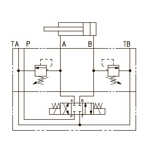
Клапан Z2DB10VC2-4X/315V является клапаном с ручным управлением, регулирующим максимальное давление в системе - до 315 бар. Сброс давления происходит между каналами A → T и B → T. Элемент регулировки: 2 = винт. Клапан Z2DB10VC2-4X/315V выполнен в виде плиты для модульного монтажа по типоразмеру Ду10 (ISO 4401-05 или CETOP05). Клапаны Z2DB10VC2-4X/315V производятся в Китае на ведущем заводе-изготовителе гидроаппаратуры, с которым сотрудничает магазин Гидроответ, и являются качественными аналогами одноименного клапана известного немецкого бренда.
Еще...
Код заказа

Условные обозначения

Еще...
Видео
Еще...
Сопутствующие товары
Другие товары из категории ZDB10, Z2DB10 в наличии
Ранее просмотренные
Отправьте заявку или задайте вопрос
Отправьте заявку или задайте вопрос
Отправьте заявку или задайте вопрос