LFA крышка - распределители
Притычные крышки LFA применяются в качестве головок для встраиваемых в гидроблок клапанов типа LC по стандарту DlN ISO 7368. При помощи данных логических клапанов реализуются различные функции управления потоком рабочей жидкости в плане его направления (распределения). Встраиваемые клапаны LC применяются совместно с соответствующими клапанами-крышками LFA требуемого типоразмера, которые, как правило имеют различные пилотные клапаны управления (золотниковые или седельные распределители) Ду6. Реализация гидросхем с применением логических элементов LC и крышек LFA экономически целесообразна при расходах пропорциональных Ду16 и выше.
Типоразмер 16 - 63
Серия изделия 7X
Макс. рабочее давление 420 бар
| Типоразмер | 16 - 63 | 
| Серия изделия | 7X | 
| Макс. рабочее давление | 420 бар | 
 
 
 
РЕЗУЛЬТАТЫ:
Особенности
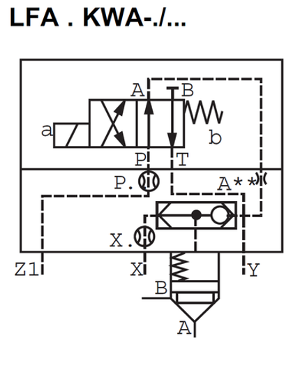
- управляющая головка со встроенным распределителем
 - управляющая головка со встроенным челночным клапаном
 - управляющая головка с пристыкованным золотниковым распределителем и челночным клапаном
 - управляющая головка с пристыкованным клапанным распределителем и челночным клапаном
 
Пилотные клапаны: Золотниковый тип 4WE6, Седельный тип SEW6 и Седельный тип SED6
Принцип работы
2-линейные встроенные клапаны используются как элементы компактных блочных конструкций. Основной клапан с выходами А и В устанавливается в гнездо управляющего агрегата по DIN ISO 7368 и закрывается крышкой. В большинстве случаев в крышке имеется пилотный клапан. В соответствии с типом пилотного клапана основной клапан выполняет функции распределителя, дросселя или регулятора давления. Очень рациональным является использование одного типоразмера клапана в широком диапазоне расходов к потребителям. Экономически выгодно также использование с разными функциями одного основного клапана.
Функции распределителя
Как правило, в комплект входят одна управляющая головка (1) и один основной клапан (2). Управляющая головка имеет соответствующие сверления и, в соответствии с функциями , может содержать ограничитель хода, гидравлически управляемый седельный распределитель или челночный клапан. Модификации могут иметь электрически управляемые золотниковый или седельный распределители стыкового присоединения. Основной клапан включает буксу (3),кольцо (4) (только до ном.разм.32), конусный клапан (5),по выбору - с демпферной цапфой (6) или без неё (7), и закрывающую пружину (8).
Функционирование
2-линейные клапаны управляются гидравлически. Принцип работы основан на трёх рабочих поверхностях:A1, A2, A3. Площадь А1 клапана принимается за 100%. Разность в диаметрах создаёт кольцевую поверхность с площадями 7% или 50%. Соответственно, отношение площадей А1:А2 составляет 14,3:1 или 2:1. Поверхность А3 представляет собой сумму поверхностей А1+А2. С учётом разных площадей А2 площадь А3 составляет 107% или 150% относительно площади А1.
Принцип действия:
Подача давления к поверхности А1 и А2 приводит к открытию основного клапана. Поверхность А3 и пружина служат для закрытия клапана. Результирующая от действия различных сил определяет положение клапана. 2-линейный клапан пропускает поток от А к В и от В к А.При подаче давления к поверхности А3 от клапана, нагруженного давлением, или от отдельной системы управления, канал А герметично перекрывается.

Особенности
- управляющая головка со встроенным распределителем
 - управляющая головка со встроенным челночным клапаном
 - управляющая головка с пристыкованным золотниковым распределителем и челночным клапаном
 - управляющая головка с пристыкованным клапанным распределителем и челночным клапаном
 
Пилотные клапаны: Золотниковый тип 4WE6, Седельный тип SEW6 и Седельный тип SED6
Принцип работы
2-линейные встроенные клапаны используются как элементы компактных блочных конструкций. Основной клапан с выходами А и В устанавливается в гнездо управляющего агрегата по DIN ISO 7368 и закрывается крышкой. В большинстве случаев в крышке имеется пилотный клапан. В соответствии с типом пилотного клапана основной клапан выполняет функции распределителя, дросселя или регулятора давления. Очень рациональным является использование одного типоразмера клапана в широком диапазоне расходов к потребителям. Экономически выгодно также использование с разными функциями одного основного клапана.
Функции распределителя
Как правило, в комплект входят одна управляющая головка (1) и один основной клапан (2). Управляющая головка имеет соответствующие сверления и, в соответствии с функциями , может содержать ограничитель хода, гидравлически управляемый седельный распределитель или челночный клапан. Модификации могут иметь электрически управляемые золотниковый или седельный распределители стыкового присоединения. Основной клапан включает буксу (3),кольцо (4) (только до ном.разм.32), конусный клапан (5),по выбору - с демпферной цапфой (6) или без неё (7), и закрывающую пружину (8).
Функционирование
2-линейные клапаны управляются гидравлически. Принцип работы основан на трёх рабочих поверхностях:A1, A2, A3. Площадь А1 клапана принимается за 100%. Разность в диаметрах создаёт кольцевую поверхность с площадями 7% или 50%. Соответственно, отношение площадей А1:А2 составляет 14,3:1 или 2:1. Поверхность А3 представляет собой сумму поверхностей А1+А2. С учётом разных площадей А2 площадь А3 составляет 107% или 150% относительно площади А1.
Принцип действия:
Подача давления к поверхности А1 и А2 приводит к открытию основного клапана. Поверхность А3 и пружина служат для закрытия клапана. Результирующая от действия различных сил определяет положение клапана. 2-линейный клапан пропускает поток от А к В и от В к А.При подаче давления к поверхности А3 от клапана, нагруженного давлением, или от отдельной системы управления, канал А герметично перекрывается.

- Описание
 - Код заказа
 - Технические характеристики
 - Графики
 - Размеры, мм
 - Видео в категории
 - Фото
 - Дополнительно
 - 1 Возможные коды и артикулы
 
Особенности
- управляющая головка со встроенным распределителем
 - управляющая головка со встроенным челночным клапаном
 - управляющая головка с пристыкованным золотниковым распределителем и челночным клапаном
 - управляющая головка с пристыкованным клапанным распределителем и челночным клапаном
 
Пилотные клапаны: Золотниковый тип 4WE6, Седельный тип SEW6 и Седельный тип SED6
Принцип работы
2-линейные встроенные клапаны используются как элементы компактных блочных конструкций. Основной клапан с выходами А и В устанавливается в гнездо управляющего агрегата по DIN ISO 7368 и закрывается крышкой. В большинстве случаев в крышке имеется пилотный клапан. В соответствии с типом пилотного клапана основной клапан выполняет функции распределителя, дросселя или регулятора давления. Очень рациональным является использование одного типоразмера клапана в широком диапазоне расходов к потребителям. Экономически выгодно также использование с разными функциями одного основного клапана.
Функции распределителя
Как правило, в комплект входят одна управляющая головка (1) и один основной клапан (2). Управляющая головка имеет соответствующие сверления и, в соответствии с функциями , может содержать ограничитель хода, гидравлически управляемый седельный распределитель или челночный клапан. Модификации могут иметь электрически управляемые золотниковый или седельный распределители стыкового присоединения. Основной клапан включает буксу (3),кольцо (4) (только до ном.разм.32), конусный клапан (5),по выбору - с демпферной цапфой (6) или без неё (7), и закрывающую пружину (8).
Функционирование
2-линейные клапаны управляются гидравлически. Принцип работы основан на трёх рабочих поверхностях:A1, A2, A3. Площадь А1 клапана принимается за 100%. Разность в диаметрах создаёт кольцевую поверхность с площадями 7% или 50%. Соответственно, отношение площадей А1:А2 составляет 14,3:1 или 2:1. Поверхность А3 представляет собой сумму поверхностей А1+А2. С учётом разных площадей А2 площадь А3 составляет 107% или 150% относительно площади А1.
Принцип действия:
Подача давления к поверхности А1 и А2 приводит к открытию основного клапана. Поверхность А3 и пружина служат для закрытия клапана. Результирующая от действия различных сил определяет положение клапана. 2-линейный клапан пропускает поток от А к В и от В к А.При подаче давления к поверхности А3 от клапана, нагруженного давлением, или от отдельной системы управления, канал А герметично перекрывается.

Общие рекомендации по заказу управляющих головок

Перечень дросселей для заказа и изображения в условных обозначениях/ Более подробные сведения приводятся на страницах вариантов управляющих головок/ (характ.дроселей)

Эти дроссели устанавливаютсяна резьбе. При необходимостииспользования дросселя в шифре должен указываться канал и размер отверстия в 0,1 мм. Например: А12 =дроссель Ø1,2 мм в канале A.

Эти дроссели выполняются в виде сверлений, в шифрах размеры не обозначаются (Ø отверстий в мм)

Эти дроссели устанавливаются на резьбе. Они являются стандартными дросселями, в шифре размеры не обозначаются (Ø отверстий в 0,1 мм)
Отдельные коды для заказа и размеры крышек разных типов
LFA..D

LFA..H


LFA..G

LFA..R

LFA..WEA/WEB


LFA..WEMA/WEMB


LFA..WECA

LFA..GWA/GWB


LFA..KWA/KWB


Технические данные
| 
 Рабочая жидкость  | 
 Минеральное масло (HL,HLP) по DIN 51 524  | 
|
| 
 Температура рабочей жидкости, °C  | 
 - 20 до + 80  | 
|
| 
 Диапазон вязкостей, мм2/с  | 
 2,8 до 380  | 
|
| 
 Чистота рабочей жидкости  | 
 Не хуже 9 класса по NAS 1638  | 
|
| 
 Макс.рабоч.давление  | 
 - без распределителя, бар  | 
 420  | 
| 
 - присоед. A,B,X,Z1,Z2, бар  | 
 315; 350; 420 (в завис.от установлен. распределителя.)  | 
|
| 
 - присоединение Y, бар  | 
 по давл.слива для установленого распределителя  | 
|

LFA..D

1 Табличка при ном.разм. 16, 25, 32
2 Табличка при ном.разм. 40, 50, 63
4 Присоединение X, по выбору - резьбовое
LFA..H

1) Данные для заказа дросселя
2) Внутренний шестигранник

LFA..G

LFA..R

LFA..WEA/WEB


LFA..WEMA/WEMB


LFA..WECA


LFA..GWA/GWB


LFA..KWA/KWB


  

На сайте представлены далеко не все варианты клапанов Рексрот*, аналоги которых мы предлагаем.
Ниже приведен список артикулов клапана Bosch Rexroth LFA (направление), аналоги которых мы также можем предоставить или подобрать замену. 
Если Вы нашли нужный артикул или код клапана в списке ниже или, наоборот, затрудняетесь это сделать - напишите нам, мы ответим оперативно.
| R901136814 | LFA63WEMB-7X/F18 | 
| R900966642 | LFA63WEMB-7X/ | 
| R900938262 | LFA63WEMA-7X/F18 | 
| R900966682 | LFA63WEMA-7X/ | 
| R900247696 | LFA63WECA-7X/ | 
| R901097825 | LFA63WEB-7X/B20P20T20 | 
| R900761244 | LFA63WEB-7X/B20 | 
| R900770750 | LFA63WEB-7X/B18P20 | 
| R900967026 | LFA63WEB-7X/ | 
| R900974616 | LFA63WEA-7X/V | 
| R900979176 | LFA63WEA-7X/A35P35 | 
| R900978566 | LFA63WEA-7X/A30P25 | 
| R901096481 | LFA63WEA-7X/A30 | 
| R901149379 | LFA63WEA-7X/A25T20 | 
| R900701659 | LFA63WEA-7X/A20P20T08 | 
| R900976260 | LFA63WEA-7X/A20P20 | 
| R900608789 | LFA63WEA-7X/A20 | 
| R900938261 | LFA63WEA-7X/A18P18T18 | 
| R900938260 | LFA63WEA-7X/A18P18 | 
| R900938259 | LFA63WEA-7X/A18 | 
| R901025559 | LFA63WEA-7X/A15P15 | 
| R900712915 | LFA63WEA-7X/A15P12 | 
| R901053268 | LFA63WEA-7X/A12P20 | 
| R900970204 | LFA63WEA-7X/A12 | 
| R900938257 | LFA63WEA-7X/ | 
| R900971446 | LFA63RF-7X/F30 | 
| R901134917 | LFA63RF-7X/F20 | 
| R901113110 | LFA63RF-7X/ | 
| R900938256 | LFA63KWB-7X/ | 
| R900970780 | LFA63KWA-7X/P30X30 | 
| R900967040 | LFA63KWA-7X/P18X18 | 
| R900966640 | LFA63KWA-7X/P18 | 
| R900727753 | LFA63KWA-7X/P15 | 
| R900608778 | LFA63KWA-7X/A35P35X25 | 
| R900766239 | LFA63KWA-7X/A30X20 | 
| R901088507 | LFA63KWA-7X/A20X20V | 
| R900972153 | LFA63KWA-7X/A18P18X18 | 
| R900938255 | LFA63KWA-7X/A18 | 
| R900754765 | LFA63KWA-7X/A12 | 
| R901053273 | LFA63KWA-7X/A08X15 | 
| R900938254 | LFA63KWA-7X/ | 
| R901199915 | LFA63KWA7-7X/X18F18 | 
| R900973454 | LFA63KWA7-7X/P00X15F25 | 
| R900967202 | LFA63KWA3-7X/P00 | 
| R901062866 | LFA63HWMA2-7X/P15F10 | 
| R900966554 | LFA63HWMA2-7X/ | 
| R900938253 | LFA63H4-7X/F | 
| R901203861 | LFA63H2-7X/FX30 | 
| R900970098 | LFA63H2-7X/FX20 | 
| R900959433 | LFA63H2-7X/FX18 | 
| R901042902 | LFA63H2-7X/FX15 | 
| R900938252 | LFA63H2-7X/FX12 | 
| R900938251 | LFA63H2-7X/FX08 | 
| R900970759 | LFA63H2-7X/FV | 
| R900975736 | LFA63H2-7X/F/12 | 
| R900938250 | LFA63H2-7X/F | 
| R900957685 | LFA63H2-18-7X/F | 
| R900977428 | LFA63H1-7X/FX18 | 
| R900972401 | LFA63H1-7X/F | 
| R901002537 | LFA63GWB-7X/B20 | 
| R900938249 | LFA63GWB-7X/B18 | 
| R900963090 | LFA63GWB-7X/B12 | 
| R901122938 | LFA63GWB-7X/B10P10T10 | 
| R900954554 | LFA63GWB-7X/ | 
| R901099316 | LFA63GWA-7X/T20 | 
| R900979688 | LFA63GWA-7X/P20 | 
| R900970100 | LFA63GWA-7X/P18T18 | 
| R900608782 | LFA63GWA-7X/A35P35 | 
| R901088236 | LFA63GWA-7X/A20P20T20V | 
| R901097829 | LFA63GWA-7X/A20P20T20 | 
| R901098178 | LFA63GWA-7X/A20P20 | 
| R900744338 | LFA63GWA-7X/A20 | 
| R901002697 | LFA63GWA-7X/A18P18T18 | 
| R900961388 | LFA63GWA-7X/A18P18 | 
| R900938247 | LFA63GWA-7X/A18 | 
| R900715167 | LFA63GWA-7X/A15P15 | 
| R900767986 | LFA63GWA-7X/A12P12T12 | 
| R900963089 | LFA63GWA-7X/A12 | 
| R900715104 | LFA63GWA-7X/A10P15 | 
| R900938245 | LFA63GWA-7X/ | 
| R900938244 | LFA63G-7X/ | 
| R901099116 | LFA63D8-7X/FX40 | 
| R900967862 | LFA63D8-7X/FX20 | 
| R900970640 | LFA63D8-7X/F | 
| R901136908 | LFA63D-7X/FX35V | 
| R901071884 | LFA63D-7X/FX35 | 
| R901217475 | LFA63D-7X/FX25 | 
| R900966788 | LFA63D-7X/FX20 | 
| R901056434 | LFA63D-7X/FX18V | 
| R900961700 | LFA63D-7X/FX18 | 
| R900970202 | LFA63D-7X/FX12 | 
| R901145330 | LFA63D-7X/FX10 | 
| R900974618 | LFA63D-7X/FV | 
| R900974458 | LFA63D-7X/F/12 | 
| R900938225 | LFA63D-7X/F | 
| R900973491 | LFA63D19-7X/ | 
| R900938224 | LFA50WEMB-7X/ | 
| R900938220 | LFA50WEMA-7X/P15 | 
| R901206452 | LFA50WEMA-7X/P12T12 | 
| R900968680 | LFA50WEMA-7X/ | 
| R901146668 | LFA50WECA-7X/B15 | 
| R900938221 | LFA50WECA-7X/ | 
| R900249158 | LFA50WEB-7X/B15P15T15 | 
| R900938223 | LFA50WEB-7X/B15 | 
| R900710129 | LFA50WEB-7X/B12 | 
| R900955713 | LFA50WEB-7X//12 | 
| R900938222 | LFA50WEB-7X/ | 
| R901108819 | LFA50WEA-7X/V | 
| R900958312 | LFA50WEA-7X/T18 | 
| R900729760 | LFA50WEA-7X/P20 | 
| R901128208 | LFA50WEA-7X/P18 | 
| R900618348 | LFA50WEA-7X/P15T15 | 
| R900701660 | LFA50WEA-7X/P15T08 | 
| R900968727 | LFA50WEA-7X/P10 | 
| R901089337 | LFA50WEA-7X/A30T25 | 
| R900246962 | LFA50WEA-7X/A30P30 | 
| R901096480 | LFA50WEA-7X/A20P20T08 | 
| R900970625 | LFA50WEA-7X/A20 | 
| R900978770 | LFA50WEA-7X/A18P18T18 | 
| R901008193 | LFA50WEA-7X/A18P18 | 
| R900938219 | LFA50WEA-7X/A18 | 
| R900938218 | LFA50WEA-7X/A15P15T15 | 
| R900938217 | LFA50WEA-7X/A15P15 | 
| R900938216 | LFA50WEA-7X/A15 | 
| R901081822 | LFA50WEA-7X/A12P20T12 | 
| R900972573 | LFA50WEA-7X/A12P12T12 | 
| R900963106 | LFA50WEA-7X/A12P12 | 
| R900973021 | LFA50WEA-7X/A12 | 
| R900753885 | LFA50WEA-7X/A10P10T10 | 
| R900777292 | LFA50WEA-7X/A10P10 | 
| R900765310 | LFA50WEA-7X/A10 | 
| R900938215 | LFA50WEA-7X/ | 
| R900716138 | LFA50WEA54-7X/P15 | 
| R901035850 | LFA50RF-7X/F18V | 
| R901129688 | LFA50RF-7X/F18 | 
| R900938214 | LFA50RF-7X/F15 | 
| R901085658 | LFA50RF-7X/F12 | 
| R900938213 | LFA50RF-7X/ | 
| R901212129 | LFA50R-7X/F12 | 
| R900938212 | LFA50R-7X/ | 
| R900938211 | LFA50KWB-7X/ | 
| R900248830 | LFA50KWA-7X/V | 
| R900976216 | LFA50KWA-7X/P18X18 | 
| R900778041 | LFA50KWA-7X/P18 | 
| R900965149 | LFA50KWA-7X/A30P30X20 | 
| R900960034 | LFA50KWA-7X/A20 | 
| R900700266 | LFA50KWA-7X/A18 | 
| R900977682 | LFA50KWA-7X/A15P15 | 
| R900938210 | LFA50KWA-7X/A15 | 
| R901205714 | LFA50KWA-7X/A10P12X20 | 
| R901145147 | LFA50KWA-7X/A10P10 | 
| R900976476 | LFA50KWA-7X/A10 | 
| R900964541 | LFA50KWA-7X/A08 | 
| R900951081 | LFA50KWA-7X//12 | 
| R900938209 | LFA50KWA-7X/ | 
| R900712474 | LFA50KWA7-7X/P00X15F20 | 
| R900617036 | LFA50KWA7-7X/A15P00X15F15 | 
| R900972336 | LFA50KWA3-7X/P00 | 
| R900707567 | LFA50HWMA2-7X/P15F15 | 
| R901220209 | LFA50H4-7X/FX15 | 
| R900978198 | LFA50H4-7X/FX10 | 
| R900739776 | LFA50H4-7X/F/12 | 
| R900938208 | LFA50H4-7X/F | 
| R900968963 | LFA50H2-7X/FX25 | 
| R901091593 | LFA50H2-7X/FX20 | 
| R900784036 | LFA50H2-7X/FX18 | 
| R901045608 | LFA50H2-7X/FX15V | 
| R900938207 | LFA50H2-7X/FX15 | 
| R900938206 | LFA50H2-7X/FX12 | 
| R900969812 | LFA50H2-7X/FV | 
| R900972582 | LFA50H2-7X/F/12 | 
| R900938205 | LFA50H2-7X/F | 
| R900957684 | LFA50H2-18-7X/F | 
| R900977224 | LFA50H1-7X/F | 
| R900728778 | LFA50H1-58-7X/F | 
| R901136390 | LFA50GWB-7X/B18 | 
| R900938203 | LFA50GWB-7X/ | 
| R900737992 | LFA50GWA-7X/V | 
| R901091045 | LFA50GWA-7X/T15 | 
| R900953888 | LFA50GWA-7X/P18T10 | 
| R900938202 | LFA50GWA-7X/P15T15 | 
| R901000079 | LFA50GWA-7X/P15 | 
| R901134042 | LFA50GWA-7X/P12 | 
| R900971456 | LFA50GWA-7X/P10 | 
| R900965129 | LFA50GWA-7X/A30P30 | 
| R900970308 | LFA50GWA-7X/A20 | 
| R900975849 | LFA50GWA-7X/A18P20 | 
| R900766853 | LFA50GWA-7X/A18P18T18 | 
| R901110982 | LFA50GWA-7X/A18P18 | 
| R900734757 | LFA50GWA-7X/A18 | 
| R900962008 | LFA50GWA-7X/A15P15 | 
| R900938201 | LFA50GWA-7X/A15 | 
| R900971754 | LFA50GWA-7X/A12P15 | 
| R900766862 | LFA50GWA-7X/A12P10 | 
| R900727883 | LFA50GWA-7X/A12 | 
| R900966457 | LFA50GWA-7X/A10P10T10 | 
| R901078737 | LFA50GWA-7X/A10P10 | 
| R900617912 | LFA50GWA-7X/A08P20 | 
| R900938200 | LFA50GWA-7X/ | 
| R900975636 | LFA50GWA20-7X/A15P15 | 
| R900975637 | LFA50GWA20-7X/ | 
| R900731779 | LFA50G-7X/X00Z00 | 
| R901043564 | LFA50G-7X/V | 
| R900753200 | LFA50G-7X//12 | 
| R900938199 | LFA50G-7X/ | 
| R901212544 | LFA50D9-7X | 
| R901200892 | LFA50D8-7X/FX10 | 
| R900700713 | LFA50D8-7X/F | 
| R901112478 | LFA50D-7X/FX40 | 
| R901145160 | LFA50D-7X/FX35V | 
| R900938158 | LFA50D-7X/FX30 | 
| R900245762 | LFA50D-7X/FX20 | 
| R901035851 | LFA50D-7X/FX18V | 
| R900938157 | LFA50D-7X/FX18 | 
| R900964282 | LFA50D-7X/FX15V | 
| R900938156 | LFA50D-7X/FX15 | 
| R900959286 | LFA50D-7X/FX12 | 
| R900938155 | LFA50D-7X/FX10 | 
| R900960120 | LFA50D-7X/FX08 | 
| R900978445 | LFA50D-7X/FV | 
| R900968634 | LFA50D-7X/F/12 | 
| R900938150 | LFA50D-7X/F | 
| R900563870 | LFA50D63-6X/F | 
| R900971838 | LFA50D54-7X/F | 
| R901096326 | LFA50D19-7X/V | 
| R900938167 | LFA50D19-7X/ | 
| R900752040 | LFA50D137-7X/F | 
| R900938149 | LFA40WEMB-7X/ | 
| R901214116 | LFA40WEMA-7X/V | 
| R901222772 | LFA40WEMA-7X/P15T15 | 
| R900764354 | LFA40WEMA-7X/P15F12 | 
| R900949849 | LFA40WEMA-7X/P12F12 | 
| R900969633 | LFA40WEMA-7X//12 | 
| R900938144 | LFA40WEMA-7X/ | 
| R900942880 | LFA40WECA-7X/A15B12 | 
| R901212157 | LFA40WECA-7X/A12B10 | 
| R900973165 | LFA40WECA-7X/ | 
| R901046501 | LFA40WEB-7X/V | 
| R900752651 | LFA40WEB-7X/P20 | 
| R901094836 | LFA40WEB-7X/B15P18 | 
| R901095750 | LFA40WEB-7X/B15P15T15 | 
| R900958563 | LFA40WEB-7X/B15P15 | 
| R900942876 | LFA40WEB-7X/B15 | 
| R900938148 | LFA40WEB-7X/B12 | 
| R900724632 | LFA40WEB-7X/B10 | 
| R900971176 | LFA40WEB-7X/B08 | 
| R900938147 | LFA40WEB-7X/ | 
| R900972506 | LFA40WEA-7X/V | 
| R900713683 | LFA40WEA-7X/P20 | 
| R900732044 | LFA40WEA-7X/P15T08 | 
| R900738393 | LFA40WEA-7X/P15 | 
| R900968663 | LFA40WEA-7X/P12T20 | 
| R900975988 | LFA40WEA-7X/P12 | 
| R900970760 | LFA40WEA-7X/P10T10 | 
| R900938143 | LFA40WEA-7X/P10 | 
| R900976879 | LFA40WEA-7X/J | 
| R901147548 | LFA40WEA-7X/A20T20 | 
| R901006458 | LFA40WEA-7X/A20T18 | 
| R900720882 | LFA40WEA-7X/A20P20 | 
| R900753271 | LFA40WEA-7X/A18 | 
| R901001301 | LFA40WEA-7X/A15V | 
| R900967861 | LFA40WEA-7X/A15T15 | 
| R900782382 | LFA40WEA-7X/A15P18 | 
| R900967860 | LFA40WEA-7X/A15P15 | 
| R900716981 | LFA40WEA-7X/A15P08T15 | 
| R900616387 | LFA40WEA-7X/A15 | 
| R901067802 | LFA40WEA-7X/A12P20T12 | 
| R901023989 | LFA40WEA-7X/A12P15 | 
| R900608681 | LFA40WEA-7X/A12P12T12V | 
| R900964811 | LFA40WEA-7X/A12P12T12 | 
| R900938142 | LFA40WEA-7X/A12P12 | 
| R900938141 | LFA40WEA-7X/A12 | 
| R900245537 | LFA40WEA-7X/A10P10T10 | 
| R900948227 | LFA40WEA-7X/A10 | 
| R900973048 | LFA40WEA-7X/A08T18 | 
| R901053300 | LFA40WEA-7X/A08P20 | 
| R900769305 | LFA40WEA-7X/A08P08 | 
| R900927974 | LFA40WEA-7X/A08 | 
| R900931581 | LFA40WEA-7X/ | 
| R900944026 | LFA40WEA54-6X/P20 | 
| R900976527 | LFA40RF-7X/V | 
| R901035846 | LFA40RF-7X/F15V | 
| R901006010 | LFA40RF-7X/F15 | 
| R900248352 | LFA40RF-7X/F12 | 
| R901068213 | LFA40RF-7X/F10 | 
| R900938138 | LFA40RF-7X/ | 
| R901072192 | LFA40R-7X/V | 
| R901118135 | LFA40R-7X/F15 | 
| R900717489 | LFA40R-7X/F12V | 
| R900938137 | LFA40R-7X/F12 | 
| R900707939 | LFA40R-7X/ | 
| R900582435 | LFA40QR10-6X/CA40D | 
| R900938136 | LFA40KWB-7X/ | 
| R901096470 | LFA40KWA-7X/V | 
| R900787564 | LFA40KWA-7X/A25P30 | 
| R901096617 | LFA40KWA-7X/A25P25X30 | 
| R901094827 | LFA40KWA-7X/A20 | 
| R901070942 | LFA40KWA-7X/A18 | 
| R900780491 | LFA40KWA-7X/A15P15X15 | 
| R900745246 | LFA40KWA-7X/A15 | 
| R900764353 | LFA40KWA-7X/A12P15X12 | 
| R900938134 | LFA40KWA-7X/A12 | 
| R900975875 | LFA40KWA-7X/A10 | 
| R900970834 | LFA40KWA-7X/A08 | 
| R900938133 | LFA40KWA-7X/ | 
| R900961089 | LFA40KWA3-7X/P00 | 
| R901005743 | LFA40HWMB2-7X/T15 | 
| R901202439 | LFA40HWMA2-7X/P15T05 | 
| R900975362 | LFA40HWMA2-7X/P15 | 
| R900975575 | LFA40HWMA2-7X/ | 
| R900938132 | LFA40H4-7X/FX10 | 
| R900938130 | LFA40H4-7X/F | 
| R901025004 | LFA40H3-7X/FX10 | 
| R901210443 | LFA40H3-7X/FV | 
| R900938128 | LFA40H3-7X/F | 
| R900765301 | LFA40H2-7X/FX18 | 
| R901088533 | LFA40H2-7X/FX15V | 
| R900954373 | LFA40H2-7X/FX15 | 
| R901174819 | LFA40H2-7X/FX12V | 
| R900938127 | LFA40H2-7X/FX12 | 
| R900938126 | LFA40H2-7X/FX10 | 
| R900777476 | LFA40H2-7X/FX08 | 
| R900969617 | LFA40H2-7X/FV | 
| R900938124 | LFA40H2-7X/F/12 | 
| R900938122 | LFA40H2-7X/F | 
| R900957683 | LFA40H2-18-7X/F | 
| R900786341 | LFA40H1-7X/FX10V | 
| R900968424 | LFA40H1-7X/FX10 | 
| R900969017 | LFA40H1-7X/FV | 
| R900938121 | LFA40H1-7X/F | 
| R901214177 | LFA40GWB-7X/T15 | 
| R901034190 | LFA40GWB-7X/T12 | 
| R901214179 | LFA40GWB-7X/P15 | 
| R900938120 | LFA40GWB-7X/ | 
| R900979610 | LFA40GWA-7X/V | 
| R900971006 | LFA40GWA-7X/T12 | 
| R901092225 | LFA40GWA-7X/T10 | 
| R901010285 | LFA40GWA-7X/P18T15 | 
| R900970101 | LFA40GWA-7X/P12 | 
| R900964751 | LFA40GWA-7X/P08T08 | 
| R900970309 | LFA40GWA-7X/A20 | 
| R900967858 | LFA40GWA-7X/A15P15T15 | 
| R900962010 | LFA40GWA-7X/A15P15 | 
| R900938119 | LFA40GWA-7X/A15P12 | 
| R900938117 | LFA40GWA-7X/A15 | 
| R900723241 | LFA40GWA-7X/A12V | 
| R901147546 | LFA40GWA-7X/A12T12 | 
| R900938116 | LFA40GWA-7X/A12P12T12 | 
| R900949847 | LFA40GWA-7X/A12P12 | 
| R900938115 | LFA40GWA-7X/A12 | 
| R901199584 | LFA40GWA-7X/A10P15T15 | 
| R900710598 | LFA40GWA-7X/A10P12 | 
| R900753887 | LFA40GWA-7X/A10P10T10 | 
| R900973416 | LFA40GWA-7X/A10 | 
| R900972087 | LFA40GWA-7X/A08 | 
| R900938114 | LFA40GWA-7X/ | 
| R901009461 | LFA40G-7X/V | 
| R900938113 | LFA40G-7X/ | 
| R900959752 | LFA40D9-7X/ | 
| R900972211 | LFA40D8-7X/FX12 | 
| R900953011 | LFA40D8-7X/FX10 | 
| R900969378 | LFA40D8-7X/FJ | 
| R900957497 | LFA40D8-7X/F | 
| R901032273 | LFA40D-7X/FX45 | 
| R900948446 | LFA40D-7X/FX20 | 
| R900938078 | LFA40D-7X/FX15 | 
| R900952098 | LFA40D-7X/FX12/12 | 
| R900938076 | LFA40D-7X/FX12 | 
| R900938075 | LFA40D-7X/FX10 | 
| R901211519 | LFA40D-7X/FX08/12 | 
| R901053329 | LFA40D-7X/FX08 | 
| R900974094 | LFA40D-7X/FV | 
| R900938074 | LFA40D-7X/F/12 | 
| R900938073 | LFA40D-7X/F | 
| R900444674 | LFA40D38-6X/V | 
| R900719351 | LFA40D19-7X/V | 
| R900928981 | LFA40D19-7X/ | 
| R901094991 | LFA40D119-7X/ | 
| R900965303 | LFA40D10-7X/ | 
| R900712068 | LFA32WEMB-7X/P15F10 | 
| R901190293 | LFA32WEMB-7X/P10T12F12 | 
| R900932301 | LFA32WEMB-7X/ | 
| R900733409 | LFA32WEMA-7X/V | 
| R901015641 | LFA32WEMA-7X/P15F12 | 
| R900244087 | LFA32WEMA-7X/P12T12F12 | 
| R900249978 | LFA32WEMA-7X/P12 | 
| R900912722 | LFA32WEMA-7X/F12 | 
| R900912721 | LFA32WEMA-7X/ | 
| R901084683 | LFA32WECA-7X/P12 | 
| R900929327 | LFA32WECA-7X/A12P18 | 
| R900929064 | LFA32WECA-7X/A10P18 | 
| R900970217 | LFA32WECA-7X/A10B08P12/12 | 
| R900928796 | LFA32WECA-7X/ | 
| R900781131 | LFA32WEB-7X/V/12 | 
| R901086737 | LFA32WEB-7X/V | 
| R900956170 | LFA32WEB-7X/B12P12T12 | 
| R900245999 | LFA32WEB-7X/B12P12 | 
| R900943573 | LFA32WEB-7X/B12 | 
| R900927160 | LFA32WEB-7X/B10 | 
| R900933053 | LFA32WEB-7X/B08 | 
| R900952789 | LFA32WEB-7X//12 | 
| R900912719 | LFA32WEB-7X/ | 
| R900948792 | LFA32WEA-7X/V | 
| R901192417 | LFA32WEA-7X/T30 | 
| R901033371 | LFA32WEA-7X/T10 | 
| R901214830 | LFA32WEA-7X/T05/12 | 
| R901201212 | LFA32WEA-7X/P20V | 
| R900923771 | LFA32WEA-7X/P18 | 
| R900926167 | LFA32WEA-7X/P15 | 
| R900951893 | LFA32WEA-7X/P12T12 | 
| R900940256 | LFA32WEA-7X/P12 | 
| R900953555 | LFA32WEA-7X/P10T10 | 
| R900912718 | LFA32WEA-7X/P10 | 
| R900959803 | LFA32WEA-7X/P08 | 
| R901081878 | LFA32WEA-7X/P07T07 | 
| R900930014 | LFA32WEA-7X/A20P20V | 
| R901029663 | LFA32WEA-7X/A20P20T20 | 
| R900965156 | LFA32WEA-7X/A20P12 | 
| R900943572 | LFA32WEA-7X/A20 | 
| R901146667 | LFA32WEA-7X/A15P15T15 | 
| R900949545 | LFA32WEA-7X/A15P15 | 
| R900923961 | LFA32WEA-7X/A15 | 
| R900978397 | LFA32WEA-7X/A12V | 
| R900932976 | LFA32WEA-7X/A12T12 | 
| R900752443 | LFA32WEA-7X/A12P15 | 
| R900965385 | LFA32WEA-7X/A12P12T12 | 
| R900929841 | LFA32WEA-7X/A12P12 | 
| R900962007 | LFA32WEA-7X/A12P08 | 
| R900926433 | LFA32WEA-7X/A12 | 
| R900929156 | LFA32WEA-7X/A10T10 | 
| R900962243 | LFA32WEA-7X/A10P10T10 | 
| R900785056 | LFA32WEA-7X/A10P10 | 
| R900912714 | LFA32WEA-7X/A10 | 
| R901088547 | LFA32WEA-7X/A08T08 | 
| R901053301 | LFA32WEA-7X/A08P20 | 
| R901148822 | LFA32WEA-7X/A08P10 | 
| R900941834 | LFA32WEA-7X/A08P08T12 | 
| R901210878 | LFA32WEA-7X/A08P08T08/V | 
| R901020814 | LFA32WEA-7X/A08P08T08 | 
| R900958073 | LFA32WEA-7X/A08P08/12 | 
| R900955696 | LFA32WEA-7X/A08P08 | 
| R900932082 | LFA32WEA-7X/A08 | 
| R900778043 | LFA32WEA-7X/A05P08 | 
| R900912715 | LFA32WEA-7X/A05P05 | 
| R900912712 | LFA32WEA-7X/ | 
| R900944025 | LFA32WEA54-6X/P20 | 
| R900965932 | LFA32WEA27-7X/V | 
| R900962321 | LFA32RF-7X/V | 
| R900928035 | LFA32RF-7X/F12V | 
| R900927713 | LFA32RF-7X/F12 | 
| R900930923 | LFA32RF-7X/F10 | 
| R900718072 | LFA32R-7X/V | 
| R901218425 | LFA32R-7X/F12V | 
| R900973579 | LFA32R-7X/F12 | 
| R900930122 | LFA32R-7X/ | 
| R900912726 | LFA32KWB-7X/ | 
| R900969813 | LFA32KWA-7X/V | 
| R900941863 | LFA32KWA-7X/P15 | 
| R900729935 | LFA32KWA-7X/P10 | 
| R900928624 | LFA32KWA-7X/A20 | 
| R900932746 | LFA32KWA-7X/A15 | 
| R900968139 | LFA32KWA-7X/A12 | 
| R900961901 | LFA32KWA-7X/A10P12 | 
| R900785055 | LFA32KWA-7X/A10P10 | 
| R900925349 | LFA32KWA-7X/A10 | 
| R900932377 | LFA32KWA-7X//12 | 
| R900912725 | LFA32KWA-7X/ | 
| R900925598 | LFA32KWA3-7X/P00 | 
| R900949112 | LFA32HWMB1-7X/P15F15 | 
| R901026259 | LFA32HWMA2-7X/P10F10V | 
| R900978257 | LFA32HWMA2-7X/F12 | 
| R900969703 | LFA32HWMA2-7X/ | 
| R900936622 | LFA32HWMA2-19-7X/P10T10F10 | 
| R900963547 | LFA32H4-7X/FX12 | 
| R900912733 | LFA32H4-7X/FX10 | 
| R900912732 | LFA32H4-7X/F | 
| R900945089 | LFA32H3-7X/FX10 | 
| R900912731 | LFA32H3-7X/F | 
| R900933498 | LFA32H2-7X/FX20 | 
| R900936620 | LFA32H2-7X/FX15 | 
| R900962443 | LFA32H2-7X/FX12V | 
| R900924151 | LFA32H2-7X/FX12 | 
| R900928034 | LFA32H2-7X/FX10V | 
| R900912730 | LFA32H2-7X/FX10 | 
| R900912729 | LFA32H2-7X/FX08 | 
| R900951828 | LFA32H2-7X/FV | 
| R900916294 | LFA32H2-7X/F/12 | 
| R900912728 | LFA32H2-7X/F | 
| R900366197 | LFA32H2-7-6X/CB40D | 
| R900353670 | LFA32H2-6X/F | 
| R900931068 | LFA32H1-7X/FX12 | 
| R900927715 | LFA32H1-7X/FX10 | 
| R900973947 | LFA32H1-7X/FV | 
| R900912727 | LFA32H1-7X/F | 
| R900916171 | LFA32GWB-7X/P25 | 
| R901036365 | LFA32GWB-7X/B15 | 
| R900926436 | LFA32GWB-7X/B12P12 | 
| R901118816 | LFA32GWB-7X/B10 | 
| R901002540 | LFA32GWB-7X/B08 | 
| R900912710 | LFA32GWB-7X/ | 
| R900978623 | LFA32GWA-7X/V | 
| R900971727 | LFA32GWA-7X/T12 | 
| R900947550 | LFA32GWA-7X/T10/12 | 
| R900940088 | LFA32GWA-7X/P15 | 
| R900926168 | LFA32GWA-7X/P12 | 
| R900739698 | LFA32GWA-7X/P10T12V | 
| R900947549 | LFA32GWA-7X/P10T12/12 | 
| R900924565 | LFA32GWA-7X/P10 | 
| R900928734 | LFA32GWA-7X/P08T08 | 
| R900945671 | LFA32GWA-7X/JP12 | 
| R900728225 | LFA32GWA-7X/A25P25 | 
| R901200615 | LFA32GWA-7X/A20 | 
| R900972606 | LFA32GWA-7X/A18 | 
| R900925878 | LFA32GWA-7X/A15P15V | 
| R901214206 | LFA32GWA-7X/A15P15T15 | 
| R900704443 | LFA32GWA-7X/A15P15 | 
| R900971123 | LFA32GWA-7X/A15 | 
| R901147549 | LFA32GWA-7X/A12T12 | 
| R900975848 | LFA32GWA-7X/A12P15 | 
| R900967855 | LFA32GWA-7X/A12P12T12 | 
| R900941395 | LFA32GWA-7X/A12P12 | 
| R900926432 | LFA32GWA-7X/A12P10 | 
| R900941130 | LFA32GWA-7X/A12 | 
| R900949204 | LFA32GWA-7X/A10P12 | 
| R900923107 | LFA32GWA-7X/A10P10T10 | 
| R900912709 | LFA32GWA-7X/A10P10 | 
| R900949769 | LFA32GWA-7X/A10/12 | 
| R900927714 | LFA32GWA-7X/A10 | 
| R901053276 | LFA32GWA-7X/A08P10 | 
| R900952628 | LFA32GWA-7X/A08P08 | 
| R900909663 | LFA32GWA-7X/A08 | 
| R900932374 | LFA32GWA-7X//12 | 
| R900912708 | LFA32GWA-7X/ | 
| R901134934 | LFA32GWA21-7X/A12P20T12 | 
| R901002549 | LFA32G-7X/V | 
| R900912707 | LFA32G-7X/ | 
| R900728454 | LFA32DZWB2-7X/210Y | 
| R901046191 | LFA32DZWB2-7X/210XY | 
| R900943743 | LFA32DZWB2-7X/210X | 
| R900966065 | LFA32DZWA2-7X/315X | 
| R901042117 | LFA32DZWA2-7X/210XY | 
| R900962917 | LFA32DZ2-7X/210XY | 
| R900943742 | LFA32D9-7X/ | 
| R900941749 | LFA32D8-7X/FX10 | 
| R900944672 | LFA32D8-7X/F | 
| R900950998 | LFA32D-7X/FX25 | 
| R900773403 | LFA32D-7X/FX20 | 
| R901219714 | LFA32D-7X/FX15V | 
| R900924596 | LFA32D-7X/FX15 | 
| R900927147 | LFA32D-7X/FX12 | 
| R900927013 | LFA32D-7X/FX10V | 
| R900938729 | LFA32D-7X/FX10/12 | 
| R900912631 | LFA32D-7X/FX10 | 
| R900938325 | LFA32D-7X/FX08 | 
| R900929930 | LFA32D-7X/FV | 
| R900932373 | LFA32D-7X/F/12 | 
| R900905303 | LFA32D-7X/F | 
| R900959290 | LFA32D62-7X/F | 
| R900925876 | LFA32D19-7X/V | 
| R900945672 | LFA32D19-7X/J | 
| R900923087 | LFA32D19-7X/ | 
| R900618558 | LFA32D122-7X/ | 
| R900928381 | LFA32D10-7X/ | 
| R901200492 | LFA25WEMB-7X/T25V | 
| R901090307 | LFA25WEMB-7X/P10F12 | 
| R900968170 | LFA25WEMB-7X/F08 | 
| R900962735 | LFA25WEMB-7X/ | 
| R900945768 | LFA25WEMA-7X/V | 
| R901107362 | LFA25WEMA-7X/P20T20 | 
| R900940570 | LFA25WEMA-7X/P10F12 | 
| R900952918 | LFA25WEMA-7X/P10 | 
| R900912688 | LFA25WEMA-7X/F10 | 
| R900953389 | LFA25WEMA-7X/F08 | 
| R900932369 | LFA25WEMA-7X//12 | 
| R900912687 | LFA25WEMA-7X/ | 
| R900618744 | LFA25WEMA54-6X/V | 
| R900944377 | LFA25WECA-7X/A10P12 | 
| R900912690 | LFA25WECA-7X/A10B08 | 
| R900912689 | LFA25WECA-7X/ | 
| R901086744 | LFA25WEB-7X/V | 
| R900717659 | LFA25WEB-7X/T10 | 
| R900937525 | LFA25WEB-7X/P10T08 | 
| R900718856 | LFA25WEB-7X/P10 | 
| R901038679 | LFA25WEB-7X/P08 | 
| R901210616 | LFA25WEB-7X/B20 | 
| R901082495 | LFA25WEB-7X/B12P12 | 
| R901091471 | LFA25WEB-7X/B12 | 
| R901141225 | LFA25WEB-7X/B10P10T10V | 
| R901202304 | LFA25WEB-7X/B10P10T10 | 
| R901208059 | LFA25WEB-7X/B10P10/12 | 
| R900917653 | LFA25WEB-7X/B10P10 | 
| R900927204 | LFA25WEB-7X/B10 | 
| R900784986 | LFA25WEB-7X/B08P12T08 | 
| R900747496 | LFA25WEB-7X/B08P10 | 
| R900947434 | LFA25WEB-7X/B08 | 
| R901015663 | LFA25WEB-7X/B06T06 | 
| R900930128 | LFA25WEB-7X/B06 | 
| R900912685 | LFA25WEB-7X/ | 
| R900931229 | LFA25WEA-7X/V | 
| R900932513 | LFA25WEA-7X/T08 | 
| R901199208 | LFA25WEA-7X/P20 | 
| R900928896 | LFA25WEA-7X/P15 | 
| R900962978 | LFA25WEA-7X/P12T10 | 
| R900713956 | LFA25WEA-7X/P10T10 | 
| R900912684 | LFA25WEA-7X/P10 | 
| R900925976 | LFA25WEA-7X/P08T08 | 
| R900928352 | LFA25WEA-7X/P08 | 
| R901033669 | LFA25WEA-7X/A20P12T12 | 
| R900965157 | LFA25WEA-7X/A20P12 | 
| R900933264 | LFA25WEA-7X/A20 | 
| R901082404 | LFA25WEA-7X/A15P15T15 | 
| R900968095 | LFA25WEA-7X/A15P15 | 
| R900928339 | LFA25WEA-7X/A15 | 
| R901033665 | LFA25WEA-7X/A12P20T12 | 
| R900732634 | LFA25WEA-7X/A12P12T12 | 
| R900932928 | LFA25WEA-7X/A12P12 | 
| R900928975 | LFA25WEA-7X/A12P10 | 
| R900960713 | LFA25WEA-7X/A12 | 
| R900961742 | LFA25WEA-7X/A10P15 | 
| R901033664 | LFA25WEA-7X/A10P12 | 
| R901115975 | LFA25WEA-7X/A10P10T10V | 
| R900922484 | LFA25WEA-7X/A10P10T10 | 
| R900912683 | LFA25WEA-7X/A10P10 | 
| R900912680 | LFA25WEA-7X/A10 | 
| R900943949 | LFA25WEA-7X/A08V | 
| R901056232 | LFA25WEA-7X/A08T08 | 
| R900940525 | LFA25WEA-7X/A08P10 | 
| R900929808 | LFA25WEA-7X/A08P08T08 | 
| R900936648 | LFA25WEA-7X/A08P08 | 
| R900925010 | LFA25WEA-7X/A08 | 
| R900912679 | LFA25WEA-7X/A06 | 
| R901036959 | LFA25WEA-7X/A05T05V | 
| R900912681 | LFA25WEA-7X/A05P05 | 
| R900932368 | LFA25WEA-7X//12 | 
| R900910273 | LFA25WEA-7X/ | 
| R900952663 | LFA25WEA27-7X/V | 
| R900968742 | LFA25RF-7X/X15Z15 | 
| R900705670 | LFA25RF-7X/X00Z00V | 
| R900937425 | LFA25RF-7X/V | 
| R901212167 | LFA25RF-7X/F12V | 
| R900919725 | LFA25RF-7X/F12 | 
| R900763983 | LFA25RF-7X/F10V/12 | 
| R900962320 | LFA25RF-7X/F10/12 | 
| R900930921 | LFA25RF-7X/F10 | 
| R900706828 | LFA25RF-7X/F08Z10/12 | 
| R901045548 | LFA25RF-7X/12 | 
| R900927301 | LFA25RF-7X/ | 
| R901218429 | LFA25R-7X/F12V | 
| R900955026 | LFA25R-7X/ | 
| R900248348 | LFA25R3-7X/JF10 | 
| R900597430 | LFA25QR10-6X/CA40D | 
| R901053278 | LFA25KWB-7X/B10 | 
| R900912692 | LFA25KWB-7X/ | 
| R900930678 | LFA25KWA-7X/V | 
| R900972253 | LFA25KWA-7X/P10 | 
| R900934806 | LFA25KWA-7X/A15 | 
| R900959175 | LFA25KWA-7X/A12P12 | 
| R901115966 | LFA25KWA-7X/A10P10V | 
| R900746661 | LFA25KWA-7X/A10P10 | 
| R900925037 | LFA25KWA-7X/A10 | 
| R900941607 | LFA25KWA-7X/A08 | 
| R900938899 | LFA25KWA-7X/A06 | 
| R900932367 | LFA25KWA-7X//12 | 
| R900912691 | LFA25KWA-7X/ | 
| R900923194 | LFA25KWA3-7X/ | 
| R900944176 | LFA25HWMA2-7X/P15T08 | 
| R900923102 | LFA25HWMA2-7X/P10F10 | 
| R900923100 | LFA25HWMA2-7X/ | 
| R900936621 | LFA25HWMA2-19-7X/P10T10F10 | 
| R900703698 | LFA25HWMA1-7X/F08 | 
| R900912699 | LFA25H4-7X/FX10 | 
| R900912698 | LFA25H4-7X/F | 
| R900912697 | LFA25H3-7X/F | 
| R900943198 | LFA25H2-7X/FX15 | 
| R901118962 | LFA25H2-7X/FX12V | 
| R900940089 | LFA25H2-7X/FX12 | 
| R900701010 | LFA25H2-7X/FX10V | 
| R900912696 | LFA25H2-7X/FX10 | 
| R900940721 | LFA25H2-7X/FX08V | 
| R900912695 | LFA25H2-7X/FX08 | 
| R900926226 | LFA25H2-7X/FX07 | 
| R900977425 | LFA25H2-7X/FX05 | 
| R900944374 | LFA25H2-7X/FV | 
| R900932364 | LFA25H2-7X/F/12 | 
| R900912694 | LFA25H2-7X/F | 
| R900934518 | LFA25H1-7X/FX08 | 
| R900912693 | LFA25H1-7X/F | 
| R900977431 | LFA25H1-25-7X/FX18 | 
| R901198884 | LFA25GWB-7X/B15T12 | 
| R900943693 | LFA25GWB-7X/B15 | 
| R900934641 | LFA25GWB-7X/B12 | 
| R900912677 | LFA25GWB-7X/ | 
| R901010291 | LFA25GWA-7X/V | 
| R901006576 | LFA25GWA-7X/P20T10 | 
| R900940087 | LFA25GWA-7X/P15 | 
| R900746623 | LFA25GWA-7X/P12T12 | 
| R900959366 | LFA25GWA-7X/P12T10 | 
| R900969203 | LFA25GWA-7X/P12 | 
| R900953963 | LFA25GWA-7X/P10T10 | 
| R900926535 | LFA25GWA-7X/P10 | 
| R900618574 | LFA25GWA-7X/A25P25 | 
| R900966432 | LFA25GWA-7X/A20 | 
| R901092981 | LFA25GWA-7X/A18P15T15 | 
| R901189234 | LFA25GWA-7X/A15P15T15 | 
| R900975845 | LFA25GWA-7X/A15P15 | 
| R900941748 | LFA25GWA-7X/A15 | 
| R900975847 | LFA25GWA-7X/A12P15 | 
| R900746624 | LFA25GWA-7X/A12P12T12 | 
| R900934760 | LFA25GWA-7X/A12P12 | 
| R900930546 | LFA25GWA-7X/A12 | 
| R900929157 | LFA25GWA-7X/A10P10T10 | 
| R900912676 | LFA25GWA-7X/A10P10 | 
| R900947472 | LFA25GWA-7X/A10/12 | 
| R900926374 | LFA25GWA-7X/A10 | 
| R900942746 | LFA25GWA-7X/A08V | 
| R900976807 | LFA25GWA-7X/A08P10T10 | 
| R900702521 | LFA25GWA-7X/A08P10 | 
| R901181514 | LFA25GWA-7X/A08P08V | 
| R900960711 | LFA25GWA-7X/A08P08T08 | 
| R900930126 | LFA25GWA-7X/A08P08 | 
| R900929821 | LFA25GWA-7X/A08 | 
| R900713682 | LFA25GWA-7X/A07P08 | 
| R900965388 | LFA25GWA-7X/A06P08 | 
| R900948445 | LFA25GWA-7X/A06 | 
| R900932363 | LFA25GWA-7X//12 | 
| R900912675 | LFA25GWA-7X/ | 
| R901085238 | LFA25G-7X/V | 
| R900912674 | LFA25G-7X/ | 
| R900775615 | LFA25E52-7X/CA10EQ8G08FV | 
| R900939411 | LFA25E52-7X/CA10EQ8G08F | 
| R900942084 | LFA25DZWB2-7X/210X | 
| R900717925 | LFA25DZWB2-7X/210 | 
| R901020964 | LFA25DZWB1-7X/350X | 
| R901149365 | LFA25DBW1-7X/200 | 
| R900451669 | LFA25DA3-1-5X/315 | 
| R900954245 | LFA25D9-7X/ | 
| R901198843 | LFA25D8-7X/FX10V | 
| R900971419 | LFA25D8-7X/FX10 | 
| R901198850 | LFA25D8-7X/FJ | 
| R900930120 | LFA25D8-7X/F | 
| R901036338 | LFA25D-7X/FX25 | 
| R900922477 | LFA25D-7X/FX20 | 
| R901201263 | LFA25D-7X/FX18 | 
| R900972926 | LFA25D-7X/FX15V | 
| R900954824 | LFA25D-7X/FX15 | 
| R900922476 | LFA25D-7X/FX12 | 
| R900966274 | LFA25D-7X/FX10V | 
| R900912632 | LFA25D-7X/FX10 | 
| R900707303 | LFA25D-7X/FX08V | 
| R900952621 | LFA25D-7X/FX08/12 | 
| R900925453 | LFA25D-7X/FX08 | 
| R900930219 | LFA25D-7X/FX05 | 
| R900954327 | LFA25D-7X/FV/12 | 
| R900930724 | LFA25D-7X/FV | 
| R900920763 | LFA25D-7X/FJ | 
| R900932362 | LFA25D-7X/F/12 | 
| R900905302 | LFA25D-7X/F | 
| R900562840 | LFA25D71-6X/CA20D | 
| R900713680 | LFA25D62-7X/FX12 | 
| R900552273 | LFA25D54-6X/F | 
| R900944202 | LFA25D19-7X/V | 
| R900973047 | LFA25D19-7X/J | 
| R900919724 | LFA25D19-7X/ | 
| R900974488 | LFA25D124-7X/F | 
| R900927165 | LFA25D10-7X/ | 
| R900469323 | LFA160D-2X/F | 
| R900968998 | LFA16WEMB-7X/F08 | 
| R900246963 | LFA16WEMB-7X/ | 
| R901077373 | LFA16WEMA-7X/V | 
| R900974357 | LFA16WEMA-7X/P10T10 | 
| R901094112 | LFA16WEMA-7X/P08V | 
| R901084874 | LFA16WEMA-7X/P08T08 | 
| R900723897 | LFA16WEMA-7X/P08 | 
| R900942826 | LFA16WEMA-7X/F06 | 
| R900912736 | LFA16WEMA-7X/ | 
| R901110390 | LFA16WECA-7X/A12B12 | 
| R900765697 | LFA16WEB-7X/V | 
| R901138192 | LFA16WEB-7X/P05T05 | 
| R900925273 | LFA16WEB-7X/B12P12 | 
| R900956077 | LFA16WEB-7X/B10P10 | 
| R900927161 | LFA16WEB-7X/B10 | 
| R901143622 | LFA16WEB-7X/B08P08T08V | 
| R900912660 | LFA16WEB-7X/B08P08 | 
| R900930129 | LFA16WEB-7X/B06 | 
| R900912648 | LFA16WEB-7X/ | 
| R900937811 | LFA16WEA-7X/V | 
| R900751462 | LFA16WEA-7X/T10 | 
| R901060587 | LFA16WEA-7X/T08 | 
| R901006597 | LFA16WEA-7X/P20V | 
| R901071152 | LFA16WEA-7X/P12T18 | 
| R900912647 | LFA16WEA-7X/P10 | 
| R900713957 | LFA16WEA-7X/P08T08 | 
| R900959805 | LFA16WEA-7X/P08 | 
| R900939614 | LFA16WEA-7X/P07T07V | 
| R900959876 | LFA16WEA-7X/P07 | 
| R900972537 | LFA16WEA-7X/P06T06 | 
| R900979645 | LFA16WEA-7X/P05T05 | 
| R900732978 | LFA16WEA-7X/A20 | 
| R900966752 | LFA16WEA-7X/A15P15T10 | 
| R900923226 | LFA16WEA-7X/A12P12T12 | 
| R900961074 | LFA16WEA-7X/A12P12 | 
| R900956537 | LFA16WEA-7X/A12P08 | 
| R900942616 | LFA16WEA-7X/A12 | 
| R900976040 | LFA16WEA-7X/A10T10 | 
| R900738270 | LFA16WEA-7X/A10P12 | 
| R901036574 | LFA16WEA-7X/A10P10T10 | 
| R900912645 | LFA16WEA-7X/A10P10 | 
| R900912643 | LFA16WEA-7X/A10 | 
| R900973107 | LFA16WEA-7X/A08V | 
| R900958560 | LFA16WEA-7X/A08P08V | 
| R901145184 | LFA16WEA-7X/A08P08T08V | 
| R900967627 | LFA16WEA-7X/A08P08T08 | 
| R900952627 | LFA16WEA-7X/A08P08 | 
| R900926781 | LFA16WEA-7X/A08 | 
| R900912646 | LFA16WEA-7X/A07P12 | 
| R900936649 | LFA16WEA-7X/A07P07T07 | 
| R900787854 | LFA16WEA-7X/A07 | 
| R900952622 | LFA16WEA-7X/A06P06 | 
| R900912642 | LFA16WEA-7X/A05P05 | 
| R901154325 | LFA16WEA-7X/A05 | 
| R900932358 | LFA16WEA-7X//12 | 
| R900910271 | LFA16WEA-7X/ | 
| R900558639 | LFA16QR11-6X/CA40D | 
| R900618738 | LFA16KWA-7X/V | 
| R900959174 | LFA16KWA-7X/P10X12 | 
| R900701677 | LFA16KWA-7X/P10 | 
| R900765698 | LFA16KWA-7X/A18P20 | 
| R900720891 | LFA16KWA-7X/A15 | 
| R900970929 | LFA16KWA-7X/A12P10X12 | 
| R900940479 | LFA16KWA-7X/A10 | 
| R900968725 | LFA16KWA-7X/A08P10X12 | 
| R900952626 | LFA16KWA-7X/A08 | 
| R900932356 | LFA16KWA-7X//12 | 
| R900912657 | LFA16KWA-7X/ | 
| R900752066 | LFA16HWMB2-7X/P12F07V | 
| R900712082 | LFA16HWMA2-7X/P10F10 | 
| R900931840 | LFA16HWMA2-7X/P10 | 
| R900955717 | LFA16HWMA2-7X/F12 | 
| R900962439 | LFA16HWMA2-7X/F08 | 
| R900918038 | LFA16HWMA2-7X/ | 
| R900979620 | LFA16HWMA2-19-7X/P10F10 | 
| R900912649 | LFA16H4-7X/FX10 | 
| R900712081 | LFA16H4-7X/FX08 | 
| R901206319 | LFA16H4-7X/FV | 
| R900912653 | LFA16H4-7X/F | 
| R901012246 | LFA16H3-7X/FX10 | 
| R900932354 | LFA16H3-7X/F/12 | 
| R900912654 | LFA16H3-7X/F | 
| R900967388 | LFA16H3-14-7X/FX15 | 
| R900949265 | LFA16H2-7X/FX15 | 
| R900932427 | LFA16H2-7X/FX12 | 
| R901063082 | LFA16H2-7X/FX10V | 
| R900912650 | LFA16H2-7X/FX10 | 
| R900928461 | LFA16H2-7X/FX08V | 
| R900912656 | LFA16H2-7X/FX08 | 
| R900925445 | LFA16H2-7X/FX07 | 
| R900951236 | LFA16H2-7X/FV | 
| R900932352 | LFA16H2-7X/F/12 | 
| R900912655 | LFA16H2-7X/F | 
| R901147241 | LFA16H2-26-7X/FV | 
| R901084621 | LFA16H2-26-7X/F | 
| R900926658 | LFA16H2-14-7X/FX10 | 
| R900944172 | LFA16H2-14-7X/FX08V | 
| R900922624 | LFA16H2-14-7X/F | 
| R900945696 | LFA16H2-13-7X/FJ | 
| R900945669 | LFA16H2-12-7X/FJX08 | 
| R900926439 | LFA16H1-7X/FX10 | 
| R900922521 | LFA16H1-7X/FX08 | 
| R901034016 | LFA16H1-7X/FX07 | 
| R900912652 | LFA16H1-7X/F | 
| R900947252 | LFA16GWB-7X/P08 | 
| R900927240 | LFA16GWB-7X/B15P15 | 
| R901211525 | LFA16GWB-7X/B08P10 | 
| R901065514 | LFA16GWB-7X/B08 | 
| R900912734 | LFA16GWB-7X/ | 
| R900921327 | LFA16GWA-7X/V | 
| R900955603 | LFA16GWA-7X/T08 | 
| R900940086 | LFA16GWA-7X/P15 | 
| R900953676 | LFA16GWA-7X/P12V | 
| R900936891 | LFA16GWA-7X/P12 | 
| R900928152 | LFA16GWA-7X/P10 | 
| R900728686 | LFA16GWA-7X/P08T08 | 
| R901214212 | LFA16GWA-7X/P07V | 
| R901117636 | LFA16GWA-7X/A20P20T10 | 
| R900707736 | LFA16GWA-7X/A18P20 | 
| R900975523 | LFA16GWA-7X/A15P15T15 | 
| R900945937 | LFA16GWA-7X/A15P15 | 
| R900921868 | LFA16GWA-7X/A15 | 
| R901047061 | LFA16GWA-7X/A12P12T15 | 
| R900953233 | LFA16GWA-7X/A12P12 | 
| R900930284 | LFA16GWA-7X/A12 | 
| R900955027 | LFA16GWA-7X/A10P12 | 
| R900912635 | LFA16GWA-7X/A10P10 | 
| R900718406 | LFA16GWA-7X/A10P08 | 
| R900927163 | LFA16GWA-7X/A10 | 
| R900933372 | LFA16GWA-7X/A08V | 
| R901122940 | LFA16GWA-7X/A08P08T08 | 
| R900936188 | LFA16GWA-7X/A08P08 | 
| R900933142 | LFA16GWA-7X/A08 | 
| R900912636 | LFA16GWA-7X/ | 
| R900928219 | LFA16GWA19-7X/ | 
| R901128716 | LFA16GWA11-7X/A08 | 
| R901019588 | LFA16G-7X/V | 
| R900912637 | LFA16G-7X/ | 
| R900978277 | LFA16DZWB2-7X/210X | 
| R901064375 | LFA16DZ2-7X/210XY | 
| R900755827 | LFA16D9-7X/ | 
| R900939979 | LFA16D8-7X/FX10 | 
| R900928924 | LFA16D8-7X/F | 
| R900933658 | LFA16D-7X/J | 
| R900975750 | LFA16D-7X/FX15 | 
| R900922469 | LFA16D-7X/FX12 | 
| R900931835 | LFA16D-7X/FX10V | 
| R900912626 | LFA16D-7X/FX10 | 
| R900928459 | LFA16D-7X/FX08V | 
| R900927164 | LFA16D-7X/FX08 | 
| R900929983 | LFA16D-7X/FX07 | 
| R900973875 | LFA16D-7X/FX06 | 
| R900930220 | LFA16D-7X/FX05 | 
| R900942750 | LFA16D-7X/FV | 
| R900941225 | LFA16D-7X/FJ | 
| R900932350 | LFA16D-7X/F/12 | 
| R900912625 | LFA16D-7X/F | 
| R900618740 | LFA16D54-6X/FV | 
| R900972334 | LFA16D43-7X/FX08 | 
| R901190299 | LFA16D33-7X/FX10V | 
| R900911569 | LFA16D22-7X/ | 
| R900925945 | LFA16D19-7X/V | 
| R900919722 | LFA16D19-7X/ | 
| R901032116 | LFA16D16-7X/FX12 | 
| R901010271 | LFA16D16-7X/FX07V | 
| R900965847 | LFA16D16-7X/FX07 | 
| R901037756 | LFA16D16-7X/FX06 | 
| R900967622 | LFA16D16-7X/F | 
    
    
    
    
    
