Аналог Bosch Rexroth. В наличии. Гарантия 1 год. Выставление счета через корзину.
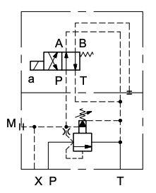
Клапан давления DBW20B2-5X/315CG24N9K4 является предохранительным клапаном с ручным управлением служит для регулирования максимального давления в гидросистеме. Дополнительно клапан оснащен электромагнитым распределителем для разгрузки системы. Клапан DBW20B2-5X/315CG24N9K4 имеет пилотное управление, типоразмер Ду25, регулирует давление до 315 бар, каналы управления: X и Y - внутренние элемент регулировки: 2 = винт, тип монтажа - на плиту. Клапан давления DBW20B2-5X/315CG24N9K4 устанавливается на монтажную поверхность с расположением отверстий по стандартам DIN 24340 form E и ISO 6264. Клапаны DBW20B2-5X/315CG24N9K4 производятся в Китае на ведущем заводе-изготовителе гидроаппаратуры, с которым сотрудничает магазин Гидроответ, и являются качественными аналогами одноименного клапана известного немецкого бренда.
Более подробнее про качество предлагаемых аналогов просим ознакомиться здесь.

Условные обозначения

Сопутствующие товары
Другие товары из категории DB(W) в наличии
Аналогичные товары
Аналогичные товары
Ранее просмотренные
