Характеристики
НДС
Цена указана с НДС
Типоразмер
Ду4
Макс. давление регулировки, бар
200
Тип монтажа
на плиту
Элемент регулировки
3 = рукоятка с ключом
Макс. давление, бар
350
С разгрузкой
нет
Материал уплотнений
NBR
Вес в кг
1.5
Торговая марка
ГИДРООТВЕТ
Макс. класс чистоты масла по ГОСТ 17216
13
Стандарт монтажа
ISO 6264
Альтернатива Бренду
Bosch Rexroth
Страна производства
Китай
Гарантия
12 месяцев с даты отгрузки при условии соблюдения инструкции по эксплуатации
Доставка
По России и Беларуси. Отвозим до терминала г. Екатеринбург ТК Деловые линии, СДЭК, Major БЕСПЛАТНО
Срок поставки, если нет на складе
69 дней
Цены и сроки
Информация на сайте о наличии, ожидании или сроке поставки актуальная, цены указаны с НДС
Способ оплаты
По счету для юр.лиц или банковской картой для физ. лиц
Подробнее о товаре
Описание
Клапан давления DBC-3-5X/200 является предохранительным клапаном с ручным управлением и служит для регулирования максимального давления в гидросистеме. Клапан DBC-3-5X/200 является пилотом для клапанов DB, типоразмер Ду4, регулирует давление до 200 бар: 3 = рукоятка, тип монтажа - на плиту. Клапан давления DBC-3-5X/200 устанавливается на монтажную поверхность. Клапаны DBC-3-5X/200 производятся в Китае на ведущем заводе-изготовителе гидроаппаратуры, с которым сотрудничает магазин Гидроответ, и являются качественными аналогами одноименного клапана известного немецкого бренда.
Более подробнее про качество предлагаемых аналогов просим ознакомиться здесь.
Еще...
Код заказа

Условные обозначения

Еще...
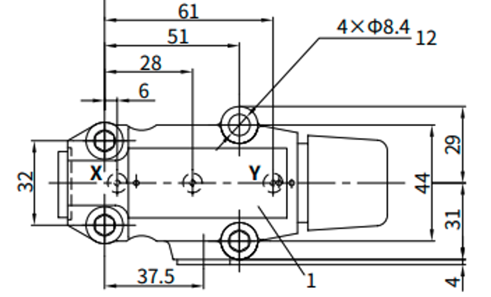
Размеры в мм

Еще...
Видео
Еще...
Другие товары из категории DB(W) в наличии
Ранее просмотренные
Отправьте заявку или задайте вопрос
Отправьте заявку или задайте вопрос
Отправьте заявку или задайте вопрос