Характеристики
НДС
Цена указана с НДС
Типоразмер
Ду10
Схема
U
Тип монтажа
на плиту
Обратный клапан
нет
Макс. давление, бар
420
Макс. расход, л/мин
40
Напряжение
G24
Материал уплотнений
NBR
Вес в кг
4
Габариты в см
12x7x15
Макс. класс чистоты масла по ГОСТ 17216
13
Взаимозаменяем с:
R900075563
Взаимозаменяем с: Код Рексрот
M-3SEW10U1X/420MG24N9K4
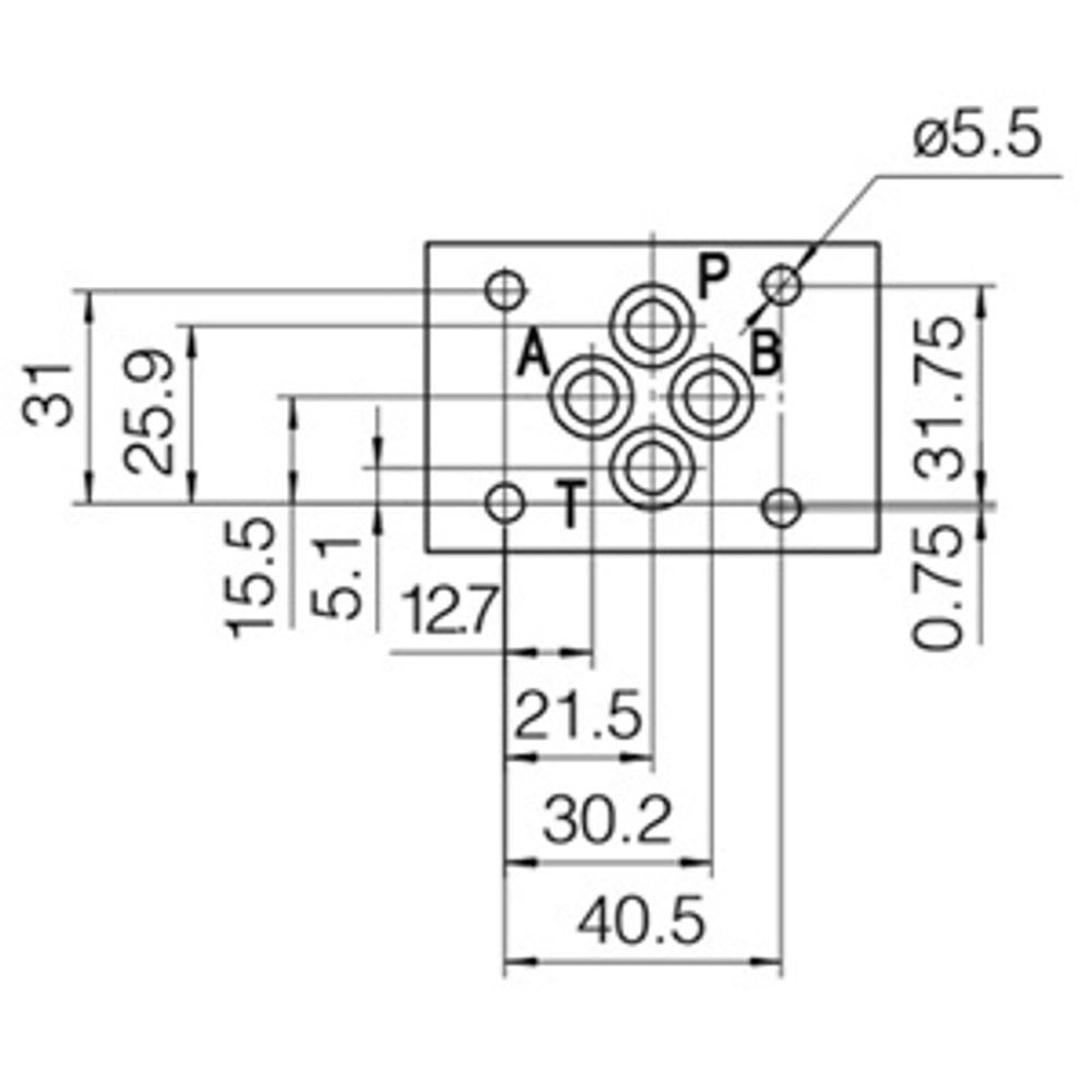
Стандарт монтажа
ISO4401-05 или CETOP05
Альтернатива Бренду
Bosch Rexroth
Взаимозаменяем с артикулом Рексрот*
R900075563
Страна производства
Китай
Гарантия
12 месяцев с даты отгрузки при условии соблюдения инструкции по эксплуатации
Доставка
По России и Беларуси. Отвозим до терминала г. Екатеринбург ТК Деловые линии, СДЭК, Major БЕСПЛАТНО
Срок поставки от производителя:
60 дней
Срок поставки, если нет на складе
69 дней
Цены и сроки
Информация на сайте о наличии, ожидании или сроке поставки актуальная, цены указаны с НДС
Способ оплаты
По счету для юр.лиц или банковской картой для физ. лиц
Подробнее о товаре
Описание
Клапан M-3SEW10U1X/420MG24N9K4 является гидравлическим распределителем седельного типа, то есть обеспечивает герметичное запирание потока (без утечек), что позволяет применять его без гидрозамка. Встроенный обратный клапан: нет. Уплотнение NBR. Клапан M-3SEW10U1X/420MG24N9K4 рассчитан на максимальный расход в 40 л/мин и рабочее давление до 420 бар. Распределитель M-3SEW10U1X/420MG24N9K4 устанавливается на монтажную поверхность Ду10 (ISO 4401-05 или CETOP05), в том числе и в качестве верхнего клапана, закрывающего столб из модульного набора клапанов. Клапаны M-3SEW10U1X/420MG24N9K4 производятся в Китае на ведущем заводе-изготовителе гидроаппаратуры, с которым сотрудничает магазин Гидроответ, и являются качественными аналогами одноименного клапана известного немецкого бренда.
Более подробнее про качество предлагаемых аналогов просим ознакомиться здесь.
Еще...
Код заказа
Еще...
Видео
Еще...
Сопутствующие товары
Аналогичные товары
Аналогичные товары
Ранее просмотренные


Отправьте заявку или задайте вопрос
Отправьте заявку или задайте вопрос