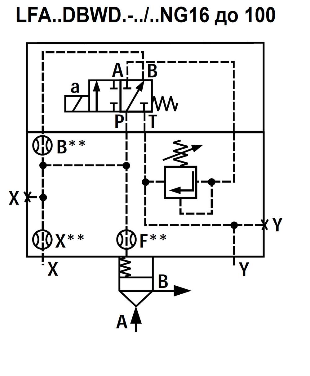
Клапан LFA40DBWD2-7X/100 выполнен в виде крышки для картриджа типоразмера Ду40 для установки на гидроблок по стандарту DIN ISO 7368. Гидроклапан LFA40DBWD2-7X/100 служит для реализации функции редуцирования давления для больших величин расходов, то есть выполняет функции редукционного клапана в совокупности со вставкой LCДу40DB. Крышка логического элемента LFA40DBWD2-7X/100 имеет тип DBWD2 = крышка с предохранительным клапаном с ручной настройкой с функцией запирания, под установку распределителя Ду6, два выхода X и Y, элемент регулировки - винт под шестигранник с защитным колпачком, уплотнительные кольца выполнены из материала NBR. Диапазон настройки давления до 100 бар. Клапаны LFA40DBWD2-7X/100 производятся в Китае на ведущем заводе-изготовителе гидроаппаратуры, с которым сотрудничает магазин Гидроответ, и являются качественными аналогами одноименного клапана известного немецкого бренда.

Более подробнее про качество предлагаемых аналогов просим ознакомиться здесь.



Сопутствующие товары
Другие товары из категории LFA - клапаны давления в наличии
Ранее просмотренные
