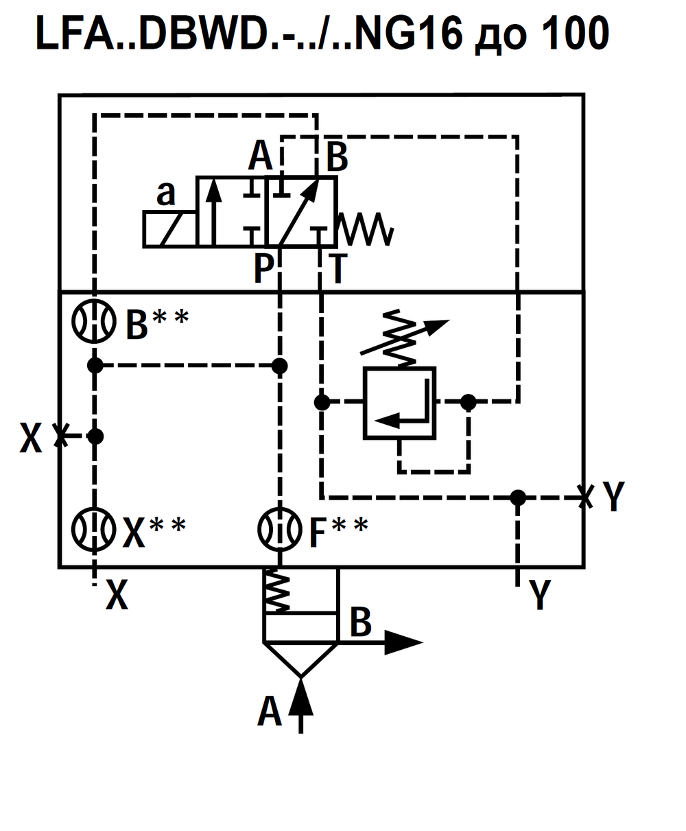
Клапан LFA32DBWD2-7X/315 выполнен в виде крышки для картриджа типоразмера Ду32 для установки на гидроблок по стандарту DIN ISO 7368. Гидроклапан LFA32DBWD2-7X/315 служит для реализации функции редуцирования давления для больших величин расходов, то есть выполняет функции редукционного клапана в совокупности со вставкой LCДу32DB. Крышка логического элемента LFA32DBWD2-7X/315 имеет тип DBWD2 = крышка с предохранительным клапаном с ручной настройкой с функцией запирания, под установку распределителя Ду6, два выхода X и Y, элемент регулировки - винт под шестигранник с защитным колпачком, уплотнительные кольца выполнены из материала NBR. Диапазон настройки давления до 315 бар. Клапаны LFA32DBWD2-7X/315 производятся в Китае на ведущем заводе-изготовителе гидроаппаратуры, с которым сотрудничает магазин Гидроответ, и являются качественными аналогами одноименного клапана известного немецкого бренда.

Более подробнее про качество предлагаемых аналогов просим ознакомиться здесь.



Сопутствующие товары
Другие товары из категории LFA - клапаны давления в наличии
Ранее просмотренные
