Характеристики
      НДС
            
            
              
              
                Цена указана с НДС
              
              
            
          Типоразмер
            
            
              
              
                Ду16
              
              
            
          Макс. давление регулировки, бар
            
            
              
              
                50
              
              
            
          Тип монтажа
            
            
              
              
                на плиту (притычной)
              
              
            
          Макс. давление, бар
            
            
              
              
                420
              
              
            
          Материал уплотнений
            
            
              
              
                NBR
              
              
            
          Тип
            
            
              
              
                DBWD2
              
              
            
          Внешнее управление Х
            
            
              
              
                нет
              
              
            
          Вес в кг
            
            
              
              
                2.5
              
              
            
          Габариты в см
            
            
              
              
                7x11x4
              
              
            
          Макс. класс чистоты масла по ГОСТ 17216
              
                
                    
                    
                      
                        13
                      
                    
                    
                  
                Взаимозаменяем с:
              
                
                    
                    
                      
                        R900941053
                      
                    
                    
                  
                Взаимозаменяем с: Код Рексрот
              
                
                    
                    
                      
                        LFA16DBWD2-7X/050
                      
                    
                    
                  
                Стандарт монтажа
              
                
                    
                    
                      
                        ISO 7368
                      
                    
                    
                  
                Тип (описание)
              
                
                    
                    
                      
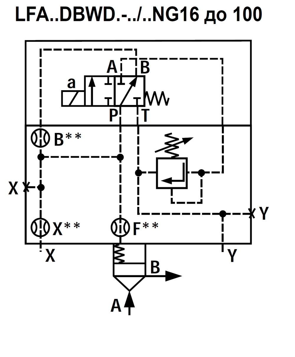
                        DBWD2 = крышка с предохранительным клапаном с ручной настройкой с функцией запирания, под установку распределителя Ду6, два выхода X и Y, элемент регулировки - винт под шестигранник с защитным колпачком
                      
                    
                    
                  
                Альтернатива Бренду
              
                
                    
                    
                      
                        Bosch Rexroth
                      
                    
                    
                  
                Взаимозаменяем с артикулом Рексрот*
              
                
                    
                    
                      
                        R900941053
                      
                    
                    
                  
                Страна производства
              
                
                    
                    
                      
                        Китай
                      
                    
                    
                  
                Гарантия
              
                
                    
                    
                      
                        12 месяцев с даты отгрузки при условии соблюдения инструкции по эксплуатации
                      
                    
                    
                  
                Доставка
              
                
                    
                    
                      
                        По России и Беларуси. Отвозим до терминала г. Екатеринбург ТК Деловые линии, СДЭК, Major БЕСПЛАТНО
                      
                    
                    
                  
                Срок поставки от производителя:
              
                
                    
                    
                      
                        60 дней
                      
                    
                    
                  
                Срок поставки, если нет на складе
              
                
                    
                    
                      
                        69 дней
                      
                    
                    
                  
                Цены и сроки
              
                
                    
                    
                      
                        Информация на сайте о наличии, ожидании или сроке поставки актуальная, цены указаны с НДС
                      
                    
                    
                  
                Способ оплаты
              
                
                    
                    
                      
                        По счету для юр.лиц или банковской картой для физ. лиц
                      
                    
                    
                  
                
  Подробнее о товаре
Описание
        
          Клапан LFA16DBWD2-7X/050 выполнен в виде крышки для картриджа типоразмера Ду16 для установки на гидроблок по стандарту DIN ISO 7368. Гидроклапан LFA16DBWD2-7X/050 служит для реализации функции редуцирования давления для больших величин расходов, то есть выполняет функции редукционного клапана в совокупности со вставкой LCДу16DB. Крышка логического элемента LFA16DBWD2-7X/050 имеет тип DBWD2 = крышка с предохранительным клапаном с ручной настройкой с функцией запирания, под установку распределителя Ду6, два выхода X и Y, элемент регулировки - винт под шестигранник с защитным колпачком, уплотнительные кольца выполнены из материала NBR. Диапазон настройки давления до 50 бар. Клапаны LFA16DBWD2-7X/050 производятся в Китае на ведущем заводе-изготовителе гидроаппаратуры, с которым сотрудничает магазин Гидроответ, и являются качественными аналогами одноименного клапана известного немецкого бренда.
      
Более подробнее про качество предлагаемых аналогов просим ознакомиться здесь.
Еще...
 
    
  Код заказа
          
Еще...
 
      Размеры в мм
          

Еще...
 
      Видео
          Еще...
 
      Сопутствующие товары
Ранее просмотренные
 
     
    Отправьте заявку  или задайте вопрос
    
    
  Отправьте заявку или задайте вопрос
    
    
   
     
             
             
             
             
             
             
             
               
               
               
               
               
               
              