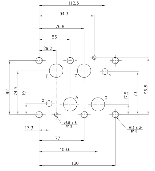
Присоединительная плита стальная четырехместная для гидравлических распределителей и клапанов NG25, с расположением монтажных отверстий, согласно ISO 4401-08. Плита стальная EM208/4Y предназначена для перехода с притычного монтажа на резьбовой для гидравлических клапанов и распределителей. Вариант плиты EM208/4Y - с каналами, смотрящими в бок. Типоразмер 25 мм; материал - сталь; макс. рабочее давление 350 бар. Плита стальная EM208/4Y производится в Китае и является аналогом европейской плиты EM208/4Y. Уплотнительные кольца, металлические резьбовые заглушки, крепёжные винты в комплект поставки не включены - данные позиции являются стандартными и заказываются у соответствующих профилирующих организаций. 3D модель плиты предоставляется по запросу.
Типоразмер 25 (D08) • pmax 350 бар  
Предназначен для параллельного подключения двух или более клапанов ISO 4401-08 (CETOP 08) для создания компактной гидравлики на каждой оси по вертикали.
Штабелируемые модели с монтажным интерфейсом для гидравлических клапанов. Гибкая конструкция различных модульной гидроаппаратуры позволяет просто создавать гидросхемы без использования труб и фитингов. Можно установить максимум 6 параллельных модульных секций клапанов. Максимальная скорость потока может быть увеличена вдвое, если питание вспомогательных пластин подается с обоих концов. Серийные плиты изготавливаются из стали. При выборе других материалов обратитесь в наш технический отдел для уточнения их характеристик и возможности использования. В комплект поставки не входят комплекты крепежных шпилек для сборки клапанов. В стандартном исполнении серийная плита стальная имеет защиту поверхности цинконикелевым покрытием. 

Ранее просмотренные
 
     
     
     
             
             
             
             
             
             
            