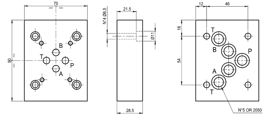
Переходная плита стальная EB415 представляет собой адаптер для установки гидравлических распределителей и клапанов модульного монтажа при переходе с типоразмера Ду10 на Ду06, с расположением монтажных отверстий, согласно ISO 4401-05 (CETOP05) и ISO 4401-03 (CETOP03), соответственно. Типоразмер плиты Ду10 мм; материал - сталь; макс. рабочее давление 350 бар. Плита-переходник EB415 производится в Китае и является аналогом европейской плиты EB415. Уплотнительные кольца входят в комплект поставки.
Крепёжные винты в комплект поставки не включены - данные позиции являются стандартными и заказываются у соответствующих профилирующих организаций.
В стандартном исполнении серийная плита стальная имеет защиту поверхности фосфатированием. 3D модель плиты предоставляется по запросу.

Уплотнительные кольца: 5 шт. типа OR2050
Ранее просмотренные
