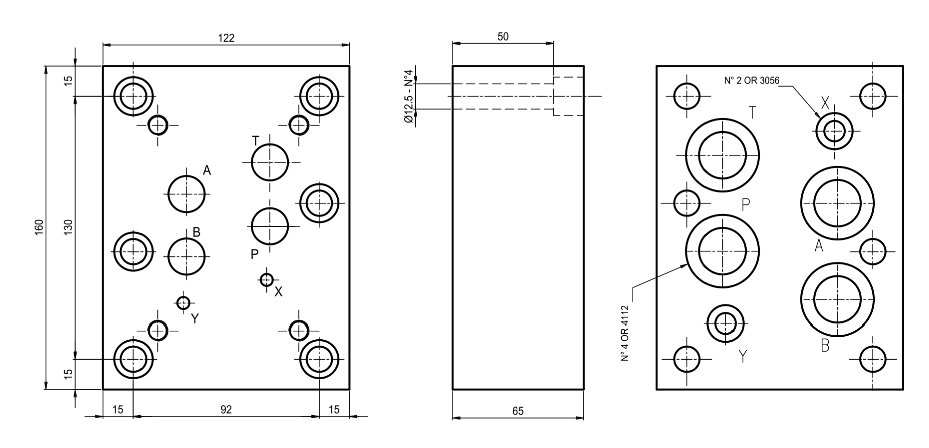
Переходная плита стальная EB408 представляет собой адаптер для установки гидравлических распределителей и клапанов модульного монтажа при переходе с типоразмера Ду25 на Ду16, с расположением монтажных отверстий, согласно ISO 4401-08 (CETOP08) и ISO 4401-07 (CETOP07), соответственно. Типоразмер плиты Ду25 мм; материал - сталь; макс. рабочее давление 350 бар. Плита-переходник EB408 производится в Китае и является аналогом европейской плиты EB408. Уплотнительные кольца входят в комплект поставки.
Крепёжные винты в комплект поставки не включены - данные позиции являются стандартными и заказываются у соответствующих профилирующих организаций.
В стандартном исполнении серийная плита стальная EB408 имеет защиту поверхности фосфатированием. 3D модель плиты предоставляется по запросу.


Уплотнительные кольца: 4 шт. типа OR3131
2 шт. типа OR3087
Ранее просмотренные
