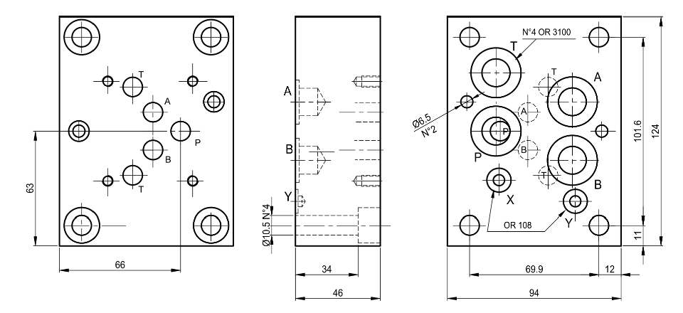
Переходная плита стальная EB407 представляет собой адаптер для установки гидравлических распределителей и клапанов модульного монтажа при переходе с типоразмера Ду16 на Ду10, с расположением монтажных отверстий, согласно ISO 4401-07 (CETOP07) и ISO 4401-05 (CETOP05), соответственно. Типоразмер плиты Ду16 мм; материал - сталь; макс. рабочее давление 350 бар. Плита-переходник EB407 производится в Китае и является аналогом европейской плиты EB407. Уплотнительные кольца входят в комплект поставки.
Крепёжные винты в комплект поставки не включены - данные позиции являются стандартными и заказываются у соответствующих профилирующих организаций. В стандартном исполнении серийная плита стальная EB407 имеет защиту поверхности фосфатированием. 3D модель плиты предоставляется по запросу.


Уплотнительные кольца:
4 шт. типа OR130
2 шт. типа OR204
Ранее просмотренные
