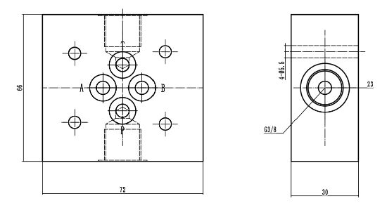
Промежуточная плита стальная EB33338 представляет собой гидравлическую плиту модульного монтажа типоразмером Ду6, с расположением монтажных отверстий, согласно ISO 4401-03 (CETOP03) с дополнительными отводами гидравлических каналов Р и Т в стороны из столба модульной гидроаппаратуры. Это удобно для создания сложных гидравлических схем в компактном варианте, подключения измерительной аппаратуры, вывода гидравлических сигналов на регуляторы насосов и прочего. Размер внутренней резьбы дополнительных каналов G3/8". Типоразмер плиты EB33338 Ду 6 мм; материал - сталь; макс. рабочее давление 350 бар. Плита-тройник EB33338 производится в Китае и является аналогом европейской плиты EB33338.
Уплотнительные кольца входят в комплект поставки.
Крепёжные винты в комплект поставки не включены - данные позиции являются стандартными и заказываются у соответствующих профилирующих организаций. В стандартном исполнении серийная плита-проставка стальная EB33338 имеет защиту поверхности фосфатированием. 3D модель плиты предоставляется по запросу.
Аналог плиты PM-1/PT-3/8 Duplomatic.

Каналы А,В,Р и Т - сквозные.
Ранее просмотренные
