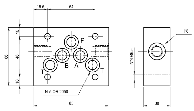
Промежуточная плита стальная EB30538 представляет собой гидравлическую плиту модульного монтажа типоразмером Ду10, с расположением монтажных отверстий, согласно ISO 4401-05 (CETOP05) с дополнительными отводами гидравлических каналов A и B в стороны из столба модульной гидроаппаратуры. Это удобно для создания сложных гидравлических схем в компактном варианте, подключения измерительной аппаратуры, вывода гидравлических сигналов на регуляторы насосов и прочего. Размер внутренней резьбы дополнительных каналов G3/8". Типоразмер плиты EB30538 Ду 10 мм; материал - сталь; макс. рабочее давление 350 бар. Плита-тройник EB30538 производится в Китае и является аналогом европейской плиты EB30538.
Уплотнительные кольца входят в комплект поставки.
Крепёжные винты в комплект поставки не включены - данные позиции являются стандартными и заказываются у соответствующих профилирующих организаций. В стандартном исполнении серийная плита-проставка стальная EB30538 CETOP05 имеет защиту поверхности фосфатированием. 3D модель плиты предоставляется по запросу.
Аналог плиты PM-4/AB Duplomatic.


Все каналы - сквозные.
Ранее просмотренные
