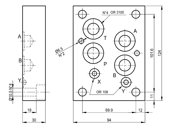
Конечная плита стальная EB107 представляет собой глухую крышку, в которой все каналы (А-В-Р-Т) изолированы, для завершения монтажа гидравлических распределителей и клапанов в одном столбе гидроаппаратуры модульного монтажа с типоразмером Ду16, с расположением монтажных отверстий, согласно ISO 4401-07 (CETOP07). Типоразмер плиты Ду16 мм; материал - сталь; макс. рабочее давление 350 бар. Плита-заглушка EB107 производится в Китае и является аналогом европейской плиты EB107. Уплотнительные кольца входят в комплект поставки.
Крепёжные винты в комплект поставки не включены - данные позиции являются стандартными и заказываются у соответствующих профилирующих организаций. В стандартном исполнении серийная плита стальная EB107 имеет защиту поверхности фосфатированием. 3D модель плиты предоставляется по запросу.


Ранее просмотренные
