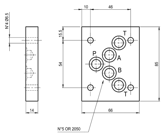
Конечная плита стальная EB105 представляет собой глухую крышку, в которой все каналы (А-В-Р-Т) изолированы, для завершения монтажа гидравлических распределителей и клапанов в одном столбе гидроаппаратуры модульного монтажа с типоразмером Ду10, с расположением монтажных отверстий, согласно ISO 4401-05 (CETOP05). Типоразмер плиты Ду10 мм; материал - сталь; макс. рабочее давление 350 бар. Плита-заглушка EB105 производится в Китае и является аналогом европейской плиты EB105.
Уплотнительные кольца входят в комплект поставки.
Крепёжные винты в комплект поставки не включены - данные позиции являются стандартными и заказываются у соответствующих профилирующих организаций. В стандартном исполнении серийная концевая плита стальная EB105 имеет защиту поверхности фосфатированием. 3D модель плиты предоставляется по запросу.
Аналог плиты Дупломатик PE-D4-M-DN10 (1950042).
Уплотнительные кольца: 5 шт. типа OR2050. Под крепежные винты М6Х20.

Ранее просмотренные
