Характеристики
НДС
Цена указана с НДС
Типоразмер
Ду32
Макс. давление регулировки, бар
50
Тип монтажа
на плиту (притычной)
Макс. давление, бар
420
Материал уплотнений
NBR
Тип
DBWD2
Внешнее управление Х
нет
Вес в кг
6
Габариты в см
10x15x5
Торговая марка
ГИДРООТВЕТ
Макс. класс чистоты масла по ГОСТ 17216
13
Взаимозаменяем с:
R900941315
Взаимозаменяем с: Код Рексрот
LFA32DBWD2-7X/050
Стандарт монтажа
ISO 7368
Тип (описание)
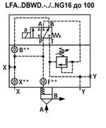
DBWD2 = крышка с предохранительным клапаном с ручной настройкой с функцией запирания, под установку распределителя Ду6, два выхода X и Y, элемент регулировки - винт под шестигранник с защитным колпачком
Альтернатива Бренду
Bosch Rexroth
Взаимозаменяем с артикулом Рексрот*
R900941315
Страна производства
Китай
Гарантия
12 месяцев с даты отгрузки при условии соблюдения инструкции по эксплуатации
Доставка
По России и Беларуси. Отвозим до терминала г. Екатеринбург ТК Деловые линии, СДЭК, Major БЕСПЛАТНО
Срок поставки, если нет на складе
69 дней
Цены и сроки
Информация на сайте о наличии, ожидании или сроке поставки актуальная, цены указаны с НДС
Способ оплаты
По счету для юр.лиц или банковской картой для физ. лиц
Подробнее о товаре
Описание
Клапан LFA32DBWD2-7X/050 выполнен в виде крышки для картриджа типоразмера Ду32 для установки на гидроблок по стандарту DIN ISO 7368. Гидроклапан LFA32DBWD2-7X/050 служит для реализации функции редуцирования давления для больших величин расходов, то есть выполняет функции редукционного клапана в совокупности со вставкой LCДу32DB. Крышка логического элемента LFA32DBWD2-7X/050 имеет тип DBWD2 = крышка с предохранительным клапаном с ручной настройкой с функцией запирания, под установку распределителя Ду6, два выхода X и Y, элемент регулировки - винт под шестигранник с защитным колпачком, уплотнительные кольца выполнены из материала NBR. Диапазон настройки давления до 50 бар. Клапаны LFA32DBWD2-7X/050 производятся в Китае на ведущем заводе-изготовителе гидроаппаратуры, с которым сотрудничает магазин Гидроответ, и являются качественными аналогами одноименного клапана известного немецкого бренда.
Более подробнее про качество предлагаемых аналогов просим ознакомиться здесь.
Еще...
Код заказа

Еще...
Размеры в мм


Еще...
Видео
Еще...
Сопутствующие товары
Другие товары из категории LFA - клапаны давления в наличии
Ранее просмотренные
Отправьте заявку или задайте вопрос
Отправьте заявку или задайте вопрос
Отправьте заявку или задайте вопрос