Характеристики
НДС
Цена указана с НДС
Типоразмер
Ду63
Тип монтажа
на плиту (притычной)
Макс. давление, бар
420
Материал уплотнений
NBR
Тип
KWA
Внешнее управление Х
нет
Вес в кг
23.4
Габариты в см
18x18x9
Торговая марка
ГИДРООТВЕТ
Макс. класс чистоты масла по ГОСТ 17216
13
Взаимозаменяем с:
R900938254
Взаимозаменяем с: Код Рексрот
LFA63KWA-7X/
Стандарт монтажа
ISO 7368
Тип (описание)
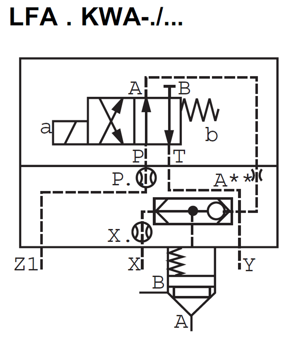
KWA = крышка со встроенным клапаном "ИЛИ" под установку распределителя Ду6, три выхода Z1, X и Y, управления из канала B
Альтернатива Бренду
Bosch Rexroth
Взаимозаменяем с артикулом Рексрот*
R900938254
Страна производства
Китай
Гарантия
12 месяцев с даты отгрузки при условии соблюдения инструкции по эксплуатации
Доставка
По России и Беларуси. Отвозим до терминала г. Екатеринбург ТК Деловые линии, СДЭК, Major БЕСПЛАТНО
Срок поставки, если нет на складе
69 дней
Цены и сроки
Информация на сайте о наличии, ожидании или сроке поставки актуальная, цены указаны с НДС
Способ оплаты
По счету для юр.лиц или банковской картой для физ. лиц
Подробнее о товаре
Описание
Клапан LFA63KWA-7X/ выполнен в виде крышки для картриджа типоразмера Ду63 для установки на гидроблок по стандарту DIN ISO 7368. Гидроклапан LFA63KWA-7X/ служит для реализации функции управления потоком для больших величин расходов, то есть выполняет функции обратного клапан или гидрозамка, распределителя в совокупности со вставкой размера Ду63. Крышка логического элемента LFA63KWA-7X/ имеет тип KWA = крышка со встроенным клапаном "ИЛИ" под установку распределителя Ду6, три выхода Z1, X и Y, управления из канала B, уплотнительные кольца выполнены из материала NBR, внешний канал X - нет. Клапаны LFA63KWA-7X/ производятся в Китае на ведущем заводе-изготовителе гидроаппаратуры, с которым сотрудничает магазин Гидроответ, и являются качественными аналогами одноименного клапана известного немецкого бренда.
Более подробнее про качество предлагаемых аналогов просим ознакомиться здесь.
Еще...
Код заказа

Еще...
Размеры в мм


Еще...
Видео
Еще...
Сопутствующие товары
Другие товары из категории LFA - распределители в наличии
Ранее просмотренные
Отправьте заявку или задайте вопрос
Отправьте заявку или задайте вопрос
Отправьте заявку или задайте вопрос